electro-music.com   Dedicated to experimental electro-acoustic
and electronic music
 
    Front Page  |  Radio
 |  Media  |  Forum  |  Wiki  |  Links
Forum with support of Syndicator RSS
 FAQFAQ   CalendarCalendar   SearchSearch   MemberlistMemberlist   UsergroupsUsergroups   LinksLinks
 RegisterRegister   ProfileProfile   Log in to check your private messagesLog in to check your private messages   Log inLog in  Chat RoomChat Room 
 Forum index » DIY Hardware and Software » Musical Interfaces
CV for 40106 project
Post new topic   Reply to topic
Page 1 of 1 [5 Posts]
View unread posts
View new posts in the last week
Mark the topic unread :: View previous topic :: View next topic
Author Message
probablyjoel



Joined: Aug 31, 2008
Posts: 11
Location: Seattle

PostPosted: Sun Dec 28, 2008 8:08 pm    Post subject: CV for 40106 project Reply with quote  Mark this post and the followings unread

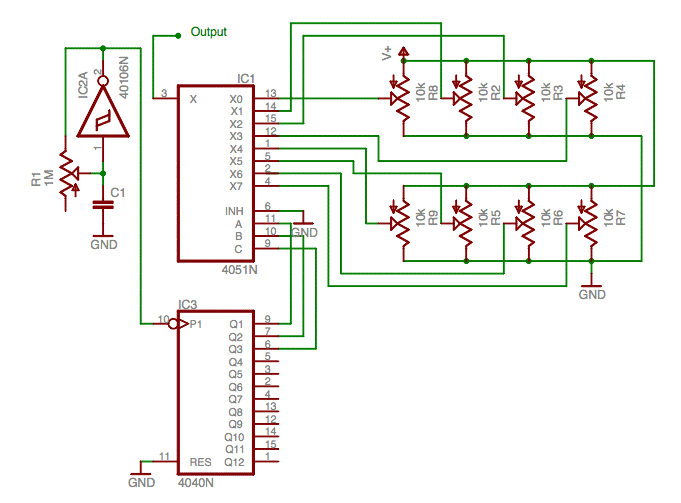
So i ran accross an Eight Stage Custom Waveform Generator and liked the sample posted on their site... http://milkcrate.com.au/_other/sea-moss/#sound.

I decided i wanted to use my 4017 step sequencer to control the 40106 based Waveform Generator, but need some help doing so. Any suggestions?


08_custom.gif
 Description:
Here's the schematic i'm working with.
 Filesize:  28.44 KB
 Viewed:  286 Time(s)
This image has been reduced to fit the page. Click on it to enlarge.

08_custom.gif


Back to top
View user's profile Send private message
synthmonger



Joined: Nov 16, 2006
Posts: 578
Location: flada
Audio files: 3

PostPosted: Mon Dec 29, 2008 12:44 am    Post subject: Reply with quote  Mark this post and the followings unread

check the lunetta forum for my 40106 vco
Back to top
View user's profile Send private message Visit poster's website
probablyjoel



Joined: Aug 31, 2008
Posts: 11
Location: Seattle

PostPosted: Mon Dec 29, 2008 10:45 am    Post subject: so.... Reply with quote  Mark this post and the followings unread

Should i put the trigger out to the 4040 or the falling ramp out? I haven't had time to test this out yet (i'm at work). Thanks for the reply!
Back to top
View user's profile Send private message
synthmonger



Joined: Nov 16, 2006
Posts: 578
Location: flada
Audio files: 3

PostPosted: Mon Dec 29, 2008 6:16 pm    Post subject: Reply with quote  Mark this post and the followings unread

trigger will work fine.
Back to top
View user's profile Send private message Visit poster's website
stolenfat



Joined: Apr 17, 2008
Posts: 476
Location: Sunny Oakland California
Audio files: 1

PostPosted: Mon Dec 29, 2008 10:25 pm    Post subject: Reply with quote  Mark this post and the followings unread

peep this:
http://electro-music.com/forum/viewtopic.php?highlight=wave+form&t=29742

it's an old custom wave form generator that clocks a 4017 really fast with a 555. It also uses 4066 i believe

if your experiments with trying to swap the 4051 with the 4017 dont work, i'd suggest giving it a try.
Back to top
View user's profile Send private message Visit poster's website
Display posts from previous:   
Post new topic   Reply to topic
Page 1 of 1 [5 Posts]
View unread posts
View new posts in the last week
Mark the topic unread :: View previous topic :: View next topic
 Forum index » DIY Hardware and Software » Musical Interfaces
Jump to:  

You cannot post new topics in this forum
You cannot reply to topics in this forum
You cannot edit your posts in this forum
You cannot delete your posts in this forum
You cannot vote in polls in this forum
You cannot attach files in this forum
You can download files in this forum


Forum with support of Syndicator RSS
Powered by phpBB © 2001, 2005 phpBB Group
Copyright © 2003 through 2009 by electro-music.com - Conditions Of Use