| Author |
Message |
PHOBoS

Joined: Jan 14, 2010 Posts: 5881 Location: Moon Base
Audio files: 709
|
Posted: Sat Dec 08, 2012 6:26 pm Post subject:
PHOBoS' Modular Lunetta` Subject description: [4017 DECIMAL COUNTER] Module |
 |
|
next:
4017 DECIMAL COUNTER
Don't think I need to mention anything about this one, except for using the CLK INH pin to hold/run the counter,
either with a switch or remotely.
| Description: |
|
| Filesize: |
18.57 KB |
| Viewed: |
1327 Time(s) |
| This image has been reduced to fit the page. Click on it to enlarge. |

|
| Description: |
|
| Filesize: |
48.05 KB |
| Viewed: |
1170 Time(s) |
| This image has been reduced to fit the page. Click on it to enlarge. |

|
_________________ "My perf, it's full of holes!"
http://phobos.000space.com/
SoundCloud BandCamp MixCloud Stickney Synthyards Captain Collider Twitch YouTube Last edited by PHOBoS on Sat Dec 08, 2012 6:57 pm; edited 1 time in total |
|
|
Back to top
|
|
 |
PHOBoS

Joined: Jan 14, 2010 Posts: 5881 Location: Moon Base
Audio files: 709
|
Posted: Sat Dec 08, 2012 6:39 pm Post subject:
PHOBoS' Modular Lunetta` Subject description: [4043 NOR R/S LATCH] Module |
 |
|
and the last of the 3:
4043 NOR R/S LATCH
It's Alive!, ALIVE!
well ok it's not really alive (yet) but it can remember some bits now. I also added an extra input for a total memory
wipe, and a switch so it can sleep but still remember the bits when it wakes up.
| Description: |
|
| Filesize: |
26.03 KB |
| Viewed: |
1262 Time(s) |
| This image has been reduced to fit the page. Click on it to enlarge. |

|
| Description: |
|
| Filesize: |
63.23 KB |
| Viewed: |
1126 Time(s) |
| This image has been reduced to fit the page. Click on it to enlarge. |

|
_________________ "My perf, it's full of holes!"
http://phobos.000space.com/
SoundCloud BandCamp MixCloud Stickney Synthyards Captain Collider Twitch YouTube |
|
|
Back to top
|
|
 |
Draal

Joined: May 18, 2010 Posts: 308 Location: Oak Park, IL
Audio files: 5
|
Posted: Sat Dec 08, 2012 8:03 pm Post subject:
|
 |
|
Absolutely fantastic machine being built ! With two kids and a wife to make happy, I'm lucky to have thrown together what I have. This however is frickin' awesome. Great job on the design of the modules; both in their technical capabilities and graphic design as well.
Looking forward to the completion of your "Death Star". _________________ Zontar Prevails! |
|
|
Back to top
|
|
 |
JingleJoe

Joined: Nov 10, 2011 Posts: 878 Location: Lancashire, England
Audio files: 14
|
Posted: Sun Dec 09, 2012 5:21 am Post subject:
Re: PHOBoS' Modular Lunetta Subject description: [Flame-LED Oscillators] module |
 |
|
| PHOBoS wrote: |
I soldered the LED's to the back of the front facing outwards, so they shine through the perfboard.
yes, I have a digital fireplace in my lunetta.
|
Holy flurking snit. That's the best thing I've ever seen on a modular ever.
The only thing which could beat that is no less than 3 analogue meters each showing different LFOs and/or control voltages and/or frequencies.
Sounds great too, I'll have to read the rest of this when I'm not in the middle of building something
P.S. Before I forget, Mr Phobos, I have a serious offer to make if you're in the UK (for postage reasons). If you want some cheap narner sockets, I have experimented with all the best sockets for sale on rapid and I know which are the best of the best (none of those shitty ones with weak threads and flimsy nuts) so if you want some, we could co-purchase some when I buy them in bulk meaning they will be cheaper-per-socket. _________________ As a mad scientist I am ruled by the dictum of science: "I could be wrong about this but lets find out"
Green Dungeon Alchemist Laboratories |
|
|
Back to top
|
|
 |
Uncle Krunkus
Moderator

Joined: Jul 11, 2005 Posts: 4761 Location: Sydney, Australia
Audio files: 52
G2 patch files: 1
|
Posted: Sun Dec 09, 2012 5:47 am Post subject:
|
 |
|
 _________________ What makes a space ours, is what we put there, and what we do there. |
|
|
Back to top
|
|
 |
rumblin_cynth_rampo

Joined: Nov 15, 2012 Posts: 35 Location: Cardiff, Caerdydd, UK
|
Posted: Wed Jul 10, 2013 7:31 am Post subject:
Re: PHOBoS' Modular Lunetta` Subject description: [4093 GATED OSCILLATORS] Module |
 |
|
Thanks PhoBoS for all these great circuits and ideas you have posted. Much appreciated.
I have been playing around with this circuit and rather like it. But I have been wondering about the the reverse log pots for the frequency control. What are advantages in using these pots?
 _________________ Ian "Lemmy" Kilmister on Hawkwind;
"Like Brahms but violent."
https://soundcloud.com/rumblin_cynth_rampo |
|
|
Back to top
|
|
 |
analog_backlash

Joined: Sep 04, 2012 Posts: 393 Location: Aldershot, UK
Audio files: 21
|
Posted: Wed Jul 10, 2013 7:40 am Post subject:
Re: PHOBoS' Modular Lunetta` Subject description: [4093 GATED OSCILLATORS] Module |
 |
|
| rumblin_cynth_rampo wrote: | | I have been playing around with this circuit and rather like it. But I have been wondering about the the reverse log pots for the frequency control. What are advantages in using these pots? |
I had the same thought, so I'm also interested in the answer. Also, does the double 4093 design help to eliminate thumps? I built some very simple 4093 single gate oscillators and they do tend to produce a thump when gated on or off.
Thanks,
Gary |
|
|
Back to top
|
|
 |
PHOBoS

Joined: Jan 14, 2010 Posts: 5881 Location: Moon Base
Audio files: 709
|
Posted: Wed Jul 10, 2013 11:23 am Post subject:
Re: PHOBoS' Modular Lunetta` Subject description: [4093 GATED OSCILLATORS] Module |
 |
|
| rumblin_cynth_rampo wrote: | | ..,I have been wondering about the the reverse log pots for the frequency control. What are advantages in using these pots? | With reverse pots the circuit of course works exactly the same but the control is much nicer. With a linear pot the higher frequencies are kinda
clumped together on one side of the pot, so you have a lot of change with a slide adjustment on that side, while the lower frequencies are more
smeared out. With a reverse log pot it more evenly spread across the whole range. You could use a normal log pot, but then you have to wire
it so that if you turn it clockwise the frequency gets lower.
(I have to warn you though,. once you start using reverse log pots you might not want to go back to linear and they can be a bit pricey, at least they are for me )
| analog_backlash wrote: | | ..,does the double 4093 design help to eliminate thumps? I built some very simple 4093 single gate oscillators and they do tend to produce a thump when gated on or off. |
I don't know if the double design eliminates thumps, I haven't really noticed it though. Usually it is good practise to use an extra gate to
buffer these simple oscillators (same with CD40106), because the load can have an influence on the frequency. So having an extra gate adds
some stability. (Also making 4 oscillators out of one 4093 or 6 out of one 40106 could cause some problems with oscillators interfering with eachother).
However in this case I just used it to invert the output, so it is low when the oscillator is turned off. (inverted output is high of course ). _________________ "My perf, it's full of holes!"
http://phobos.000space.com/
SoundCloud BandCamp MixCloud Stickney Synthyards Captain Collider Twitch YouTube |
|
|
Back to top
|
|
 |
rumblin_cynth_rampo

Joined: Nov 15, 2012 Posts: 35 Location: Cardiff, Caerdydd, UK
|
Posted: Thu Jul 11, 2013 1:02 am Post subject:
|
 |
|
Thanks Phobos,
I had kinda worked out what the reverse log pots were doing but wasnt too sure my thinking was right. Turns out it was reverse of what I thought. Good job I asked.
Non of the big UK suppliers (RS Rapid) seem to stock reverse log pots. Farnells do but it is one of their special order items and there is a 15 UKP handling charge and they dont seem to have a big selection. Mouser sells them but again they have a big old handling charge.
As to the "thumps" I havent noticed any. It is good to buffer things though and I do like the idea of being able to use an inverted signal if I want to. _________________ Ian "Lemmy" Kilmister on Hawkwind;
"Like Brahms but violent."
https://soundcloud.com/rumblin_cynth_rampo |
|
|
Back to top
|
|
 |
analog_backlash

Joined: Sep 04, 2012 Posts: 393 Location: Aldershot, UK
Audio files: 21
|
Posted: Thu Jul 11, 2013 1:50 am Post subject:
|
 |
|
Thanks also PHOBoS.
I may have slightly exaggerated with the word "thumps". It's a noticeable noise when they are gated on or off and yes, I have 4 oscillators on one 4093, so that may be adding to the problem. If I have other noises going on at the same time, I tend not to notice it so much anyway. I'll try using the extra gate for future circuits.
Rumblin... one place I know that does reverse log pots is Tayda Electronics:
http://www.taydaelectronics.com/potentiometer-variable-resistors/rotary-potentiometer/anti-log-reverse.html
These are based in Thailand, but I haven't had any problems with them (yet) and I know that other people on the site order from them. The only problem is the wait can be a bit long (about 7-10 days in my experience), unless you want to pay the extra for DHL. I'll probably order some reverse log pots myself soon, as I don't have any.
Gary |
|
|
Back to top
|
|
 |
garcho

Joined: Sep 28, 2011 Posts: 41 Location: Richmond, VA
Audio files: 2
|
Posted: Thu Sep 19, 2013 11:59 pm Post subject:
|
 |
|
Really inspiring work PHOBoS, bravo!. How's it coming along? _________________ "The life of a repo man is always intense." |
|
|
Back to top
|
|
 |
PHOBoS

Joined: Jan 14, 2010 Posts: 5881 Location: Moon Base
Audio files: 709
|
Posted: Tue Sep 24, 2013 7:29 am Post subject:
|
 |
|
| garcho wrote: | | Really inspiring work PHOBoS, bravo!. How's it coming along? |
Thanks garcho.
I haven't done anything on it for a while, when I started I was waiting for parts for another project so I made a start on the modular lunetta. I didn't
plan on making so many modules right away but once I got into it it went pretty quick. I do have some ideas for new modules, so maybe I'll work a
bit on it in the winter. But right now I got a couple of other synths I have to finish first  _________________ "My perf, it's full of holes!"
http://phobos.000space.com/
SoundCloud BandCamp MixCloud Stickney Synthyards Captain Collider Twitch YouTube |
|
|
Back to top
|
|
 |
PHOBoS

Joined: Jan 14, 2010 Posts: 5881 Location: Moon Base
Audio files: 709
|
Posted: Sat Apr 19, 2014 6:03 pm Post subject:
4015 Shift Register module |
 |
|
it's been a while but I added another module, nothing special but very useful:
a 4015 shiftregister with a switch to select between 2x4 or 1x8
| Description: |
| Modular Lunetta 4015 Shift register schematic |
|
| Filesize: |
55.26 KB |
| Viewed: |
1168 Time(s) |
| This image has been reduced to fit the page. Click on it to enlarge. |

|
| Description: |
| Modular Lunetta - 4015 Shift Register module |
|
| Filesize: |
120.79 KB |
| Viewed: |
737 Time(s) |
| This image has been reduced to fit the page. Click on it to enlarge. |

|
| Description: |
| Modular Lunetta - 4015 Shift Register module |
|
| Filesize: |
116.36 KB |
| Viewed: |
739 Time(s) |
| This image has been reduced to fit the page. Click on it to enlarge. |

|
| Description: |
| Modular Lunetta - 4015 Shift Register module |
|
| Filesize: |
108.75 KB |
| Viewed: |
706 Time(s) |
| This image has been reduced to fit the page. Click on it to enlarge. |

|
| Description: |
| Modular Lunetta - 4015 Shift Register module |
|
| Filesize: |
78.89 KB |
| Viewed: |
757 Time(s) |
| This image has been reduced to fit the page. Click on it to enlarge. |

|
_________________ "My perf, it's full of holes!"
http://phobos.000space.com/
SoundCloud BandCamp MixCloud Stickney Synthyards Captain Collider Twitch YouTube |
|
|
Back to top
|
|
 |
Draal

Joined: May 18, 2010 Posts: 308 Location: Oak Park, IL
Audio files: 5
|
Posted: Wed Apr 23, 2014 7:49 am Post subject:
|
 |
|
Nice! I have a 4015 as well as a 4094 in my big machine. Shift registers help mangle up the order of things and are simple to wire up. You really can't go wrong building a lunetta based on just a few oscillators, maybe a divider or 2, some shift registers and and r/2r to mix them up. The rest is just gravy ! _________________ Zontar Prevails! |
|
|
Back to top
|
|
 |
mosc
Site Admin

Joined: Jan 31, 2003 Posts: 18260 Location: Durham, NC
Audio files: 228
G2 patch files: 60
|
Posted: Thu Apr 24, 2014 1:13 pm Post subject:
|
 |
|
| Draal wrote: | Nice! I have a 4015 as well as a 4094 in my big machine. Shift registers help mangle up the order of things and are simple to wire up. You really can't go wrong building a lunetta based on just a few oscillators, maybe a divider or 2, some shift registers and and r/2r to mix them up. The rest is just gravy ! |
Well said. _________________ --Howard
my music and other stuff |
|
|
Back to top
|
|
 |
PHOBoS

Joined: Jan 14, 2010 Posts: 5881 Location: Moon Base
Audio files: 709
|
Posted: Fri May 02, 2014 3:21 pm Post subject:
|
 |
|
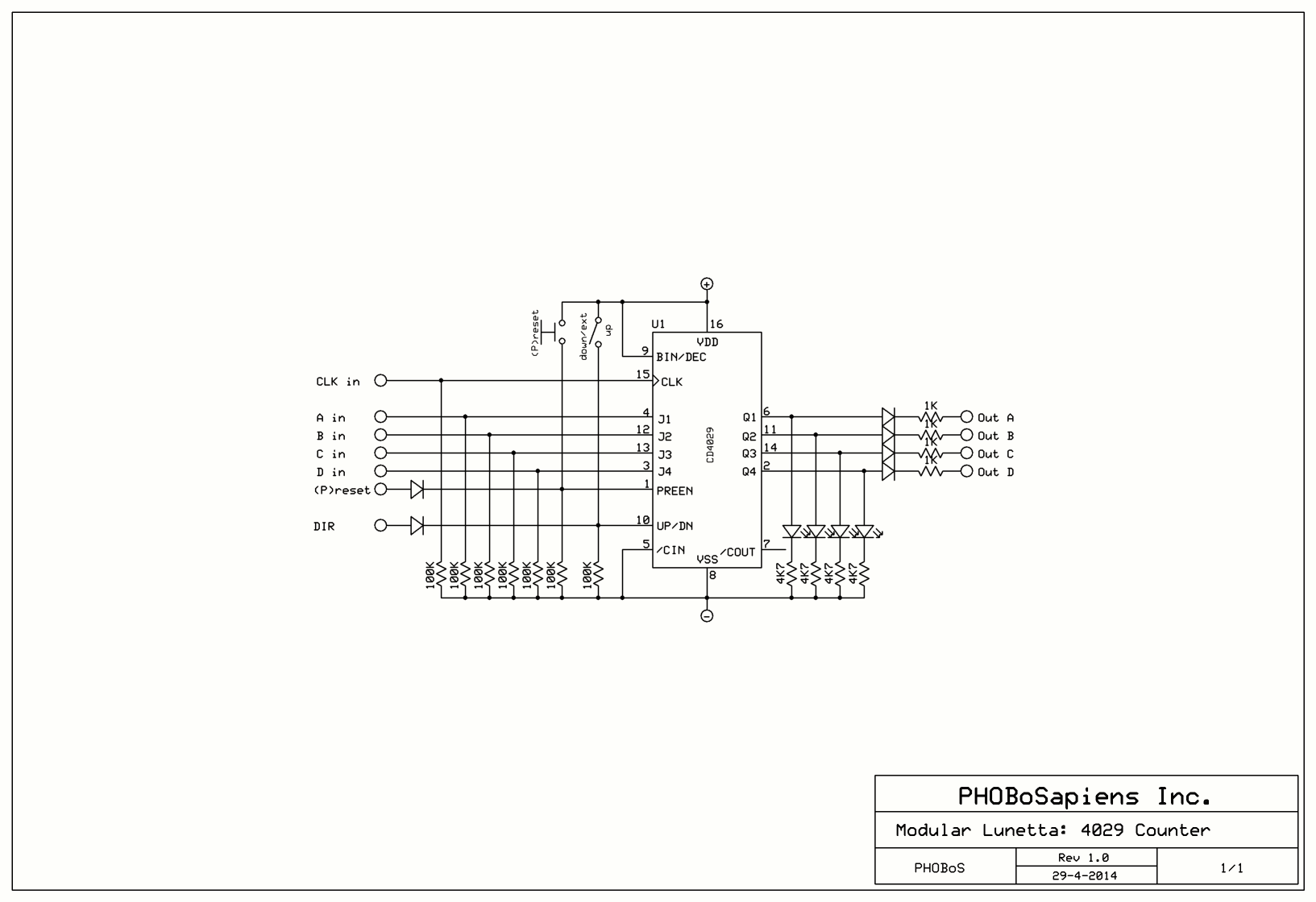
| Draal wrote: | Nice! I have a 4015 as well as a 4094 in my big machine. Shift registers help mangle up the order of things and are simple to wire up. You really can't go wrong building a lunetta based on just a few oscillators, maybe a divider or 2, some shift registers and and r/2r to mix them up. The rest is just gravy ! |
I would add some XOR's to that. But yeah with that alone you can already get a wide range of sounds .
I wanted some more dividers/counters and was originally thinking of using a CD4520 dual 4-bit binary counter, but I went for a CD4029 instead. Besides
being able to count up and down it also has 4 preset inputs, which can be used as a digital 4-bit S&H. And with nothing connected to the inputs it works
as a reset. I just finished it (solder is stil hot )
| Description: |
| Modular Lunetta 4029 Counter schematic |
|
| Filesize: |
49.09 KB |
| Viewed: |
966 Time(s) |
| This image has been reduced to fit the page. Click on it to enlarge. |

|
| Description: |
| Modular Lunetta - 4029 Counter module |
|
| Filesize: |
121.39 KB |
| Viewed: |
710 Time(s) |
| This image has been reduced to fit the page. Click on it to enlarge. |

|
| Description: |
| Modular Lunetta - 4029 Counter module |
|
| Filesize: |
95.64 KB |
| Viewed: |
707 Time(s) |
| This image has been reduced to fit the page. Click on it to enlarge. |

|
| Description: |
| Modular Lunetta - 4029 Counter module |
|
| Filesize: |
108.62 KB |
| Viewed: |
677 Time(s) |
| This image has been reduced to fit the page. Click on it to enlarge. |

|
_________________ "My perf, it's full of holes!"
http://phobos.000space.com/
SoundCloud BandCamp MixCloud Stickney Synthyards Captain Collider Twitch YouTube |
|
|
Back to top
|
|
 |
PHOBoS

Joined: Jan 14, 2010 Posts: 5881 Location: Moon Base
Audio files: 709
|
|
|
Back to top
|
|
 |
elektrouwe
Joined: May 27, 2012 Posts: 146 Location: Germany
|
Posted: Sat May 03, 2014 4:39 am Post subject:
|
 |
|
| PHOBoS wrote: | | ...I would add some XOR's to that..... I went for a CD4029 instead |
if you use a XNOR (4077) instead of the XOR(4077) and 4 diodes in wired-AND style you could probably us it as a logic comparator to generate a preset pulse. So you have 2 4bit inputs that define start & end value of the counter, right ? if this works, let us know.
I use 4516 instead of 4029, because it has an extra reset pin.
have a nice solder weekend, u~ |
|
|
Back to top
|
|
 |
PHOBoS

Joined: Jan 14, 2010 Posts: 5881 Location: Moon Base
Audio files: 709
|
Posted: Sat May 03, 2014 5:50 am Post subject:
|
 |
|
| elektrouwe wrote: | if you use a XNOR (4077) instead of the XOR(4077) and 4 diodes in wired-AND style you could probably us it as a logic comparator to generate a preset pulse. So you have 2 4bit inputs that define start & end value of the counter, right ? if this works, let us know.  |
yep I think that works. If you make two of those comparator circuits (I like them already) connected to a flipflop controlling the up/down pin you
should be able to make it bounce between 2 set points. I'll do some tests.
| Quote: | | I use 4516 instead of 4029, because it has an extra reset pin. |
Wasn't familiar with that one, but just looked it up and it's actually a nicer version of the 4029. I don't really care for the DEC/BIN option and would
rather have a reset pin instead which is exactly what the 4516 has. Thanks for mentioning it  _________________ "My perf, it's full of holes!"
http://phobos.000space.com/
SoundCloud BandCamp MixCloud Stickney Synthyards Captain Collider Twitch YouTube |
|
|
Back to top
|
|
 |
PHOBoS

Joined: Jan 14, 2010 Posts: 5881 Location: Moon Base
Audio files: 709
|
|
|
Back to top
|
|
 |
PHOBoS

Joined: Jan 14, 2010 Posts: 5881 Location: Moon Base
Audio files: 709
|
Posted: Wed May 07, 2014 5:21 am Post subject:
modular lunetta interface module Subject description: 16 in/outs |
 |
|
I made an interface module. I was originally thinking of adding 8 inputs with pulldow resistors and 8 outputs with LED's. But I might want to use it for
midicontrol to it in which case it would be nice to have 16 outputs. So I added pulldown resistors and a LEDs to every connection. As LED drivers I used
the ULN2804, which is a bit overkill but has a very practical pinlayout and 8 buffers so I only needed 2 chips.
The interface connector is a 25p sub-D connector with 2 pins removed so I can also plug in a 9p connector (8 in/out & -). The 25p connector has 3 pins
connected to + and 4 to -. One thing I'll probably make for it is a box with 16 1/4" connectors, 8 inputs with comparators and 8 buffered outputs.
edit: just found out that the extra mounting hole I added at the bottom doesn't line up with any of the holes in the mounting strip .
I could 'fix' it by hacking a piece of the strip and using 2 seperate nuts instead but I'll have to unscrew all the modules and remove the side from
the case to do that. And I first have to locate those nuts (if I have any left). It seems to be strong enough with out it so I could glue in a fake
screw instead (don't tell anybody).
| Description: |
| Modular Lunetta Interface module |
|
| Filesize: |
94.6 KB |
| Viewed: |
904 Time(s) |
| This image has been reduced to fit the page. Click on it to enlarge. |

|
| Description: |
| Modular Lunetta Interface module |
|
| Filesize: |
115.82 KB |
| Viewed: |
683 Time(s) |
| This image has been reduced to fit the page. Click on it to enlarge. |

|
| Description: |
| Modular Lunetta Interface module |
|
| Filesize: |
127.33 KB |
| Viewed: |
709 Time(s) |
| This image has been reduced to fit the page. Click on it to enlarge. |

|
| Description: |
| Modular Lunetta Interface module |
|
| Filesize: |
141.93 KB |
| Viewed: |
680 Time(s) |
| This image has been reduced to fit the page. Click on it to enlarge. |

|
_________________ "My perf, it's full of holes!"
http://phobos.000space.com/
SoundCloud BandCamp MixCloud Stickney Synthyards Captain Collider Twitch YouTube |
|
|
Back to top
|
|
 |
DUBmatze

Joined: Feb 18, 2013 Posts: 150 Location: south Germaica (schwabilon)
|
Posted: Wed May 07, 2014 10:46 am Post subject:
|
 |
|
| Phobos, can you explan why you using the Diodes at the outputs of the shiftregisters and the counters. I use the diodes only at the input of the r2r ladders. I have some (odler) modules (like drumish sounds) that dont work with just a Voltage in, they need a change from low to high. Is this a pulldown resistor issue? (i dont have my hands a long time on this circuits..... i just patch them....) |
|
|
Back to top
|
|
 |
PHOBoS

Joined: Jan 14, 2010 Posts: 5881 Location: Moon Base
Audio files: 709
|
Posted: Wed May 07, 2014 11:22 am Post subject:
|
 |
|
I use the diodes on outputs so I can connect multiple signals to one input (it'll form an OR gate), so far I haven't really made a lot of use of that though.
And it can actually be a bit annoying sometimes when trying to connect it to something else, because you have to add a pulldown resistor. But the
interface module can take care of that.  _________________ "My perf, it's full of holes!"
http://phobos.000space.com/
SoundCloud BandCamp MixCloud Stickney Synthyards Captain Collider Twitch YouTube |
|
|
Back to top
|
|
 |
PHOBoS

Joined: Jan 14, 2010 Posts: 5881 Location: Moon Base
Audio files: 709
|
Posted: Sat May 10, 2014 4:38 pm Post subject:
Modular lunetta dual mux module Subject description: CD4052 |
 |
|
And another one finished, a 4052 dual mux. I added another mux that is just used as a bin2dec decoder to control the LED's. Since this is the same for
both halves (X,Y) I only used 4 LED's and mounted them between the X,Y in/outs.
| Description: |
| Modular Lunetta 4052 Dual Mux module |
|
| Filesize: |
120.35 KB |
| Viewed: |
734 Time(s) |
| This image has been reduced to fit the page. Click on it to enlarge. |

|
| Description: |
| Modular Lunetta 4052 Dual Mux module |
|
| Filesize: |
130.58 KB |
| Viewed: |
704 Time(s) |
| This image has been reduced to fit the page. Click on it to enlarge. |

|
| Description: |
| Modular Lunetta 4052 Dual Mux module |
|
| Filesize: |
51.9 KB |
| Viewed: |
939 Time(s) |
| This image has been reduced to fit the page. Click on it to enlarge. |

|
_________________ "My perf, it's full of holes!"
http://phobos.000space.com/
SoundCloud BandCamp MixCloud Stickney Synthyards Captain Collider Twitch YouTube |
|
|
Back to top
|
|
 |
PHOBoS

Joined: Jan 14, 2010 Posts: 5881 Location: Moon Base
Audio files: 709
|
Posted: Mon Jun 23, 2014 4:14 am Post subject:
modular lunetta XNOR Comparator module Subject description: 4 bit |
 |
|
I have room for 3 more modules, 2 regular sized and 1 larger one the same size as the interface. I want to use the large one for a mixer so that
leaves me with 2 modules left. Some extra inverters are useful and some XOR gates aswell and if you make one input of an XOR high it functions
just like an inverter. But because I have diodes on all the outputs I can't use pullup resistors (the input would never go low). I could use a
patchcable though to make one input high if I want to use an XOR as an inverter.
But instead I choose to use XNOR gates, these work as an inverter when one input is low instead of high. And can be used like an XOR be it that
the output is inverted (I can invert it with a second XNOR gate to get a regular XOR). I also added diodes and a pullup resistor, buffered by a
transistor, as suggested by elektrouwe so the module also functions as a 4 bit digital comparator.
| Description: |
| Modular Lunetta 4077 XNOR Comparator schematic |
|
| Filesize: |
65.53 KB |
| Viewed: |
859 Time(s) |
| This image has been reduced to fit the page. Click on it to enlarge. |

|
| Description: |
| Modular Lunetta - 4077 XNOR Comparator module |
|
| Filesize: |
95.38 KB |
| Viewed: |
710 Time(s) |
| This image has been reduced to fit the page. Click on it to enlarge. |

|
| Description: |
| Modular Lunetta - 4077 XNOR Comparator module |
|
| Filesize: |
114.47 KB |
| Viewed: |
666 Time(s) |
| This image has been reduced to fit the page. Click on it to enlarge. |

|
_________________ "My perf, it's full of holes!"
http://phobos.000space.com/
SoundCloud BandCamp MixCloud Stickney Synthyards Captain Collider Twitch YouTube |
|
|
Back to top
|
|
 |
|