electro-music.com   Dedicated to experimental electro-acoustic
and electronic music
 
    Front Page  |  Radio
 |  Media  |  Forum  |  Wiki  |  Links
Forum with support of Syndicator RSS
 FAQFAQ   CalendarCalendar   SearchSearch   MemberlistMemberlist   UsergroupsUsergroups   LinksLinks
 RegisterRegister   ProfileProfile   Log in to check your private messagesLog in to check your private messages   Log inLog in  Chat RoomChat Room 
 Forum index » DIY Hardware and Software » YuSynth
Yusynth Modules in Euro (12 Volt) Systems
Post new topic   Reply to topic Moderators: Scott Stites
Page 3 of 3 [69 Posts]
View unread posts
View new posts in the last week
Mark the topic unread :: View previous topic :: View next topic
Goto page: Previous 1, 2, 3
Author Message
gdavis



Joined: Feb 27, 2013
Posts: 359
Location: San Diego
Audio files: 1

PostPosted: Wed Apr 09, 2014 1:20 pm    Post subject: Reply with quote  Mark this post and the followings unread

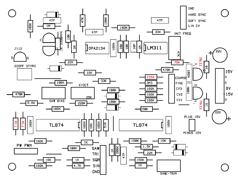
Anyone tried the VCO yet? I haven't seen anything so I'm taking a stab at it.

U1, U2 7xL15 -> 7xL12
R50 100k -> 70k (restores "5V" reference of saw core, pretty important)
R36, R51 12k -> 7.5k (restores full range of pulse width control)
R7 270k -> 216k (restores full range of coarse control).

For R7, 216k is the ideal value but might be difficult to find. Should be OK to just get as close as you can, i.e. 215k. It's just a coarse tune anyway.

You could adjust R6 for fine tune but I don't think it's really necessary, will just be less sensitive.

If you run out of adjustment on T1, R8 could be adjusted down a little but I don't think it would be much of a problem.


I haven't fully tested it, and forgot to do R7 so I don't have the full range, but otherwise it seems to be in the ballpark. I did it to a board that's just been lying around for quite a while and it cranked right up, only needing very slight trimming to get the wave shapes back. I just did a quick and sloppy check of V/oct and it was close enough that I think it will trim up no problem.

_________________
My synth build blog: http://gndsynth.blogspot.com/
Back to top
View user's profile Send private message
Snaper



Joined: Feb 28, 2014
Posts: 217
Location: Hungary

PostPosted: Mon Oct 13, 2014 1:45 am    Post subject: Reply with quote  Mark this post and the followings unread

I'm also interested about the VCO.
Basically built every module, what is able to fit behind a Euro panel :

- Steiner (dual)
- Arp 4072 (dual)
- VCA
- ADSR (oth versions, so dual module)
- VCA
- Wavefolder
- Noise (dual) + S&H
- VU driver from the out module

For me, 1v/oct tracking is not important, I like to use my VCO-s as "noise" sources, so if I can get some kind of tracking on 12 volts, it would be great.
...I mean, if I build it, would it produce sound? Very Happy
Back to top
View user's profile Send private message
gdavis



Joined: Feb 27, 2013
Posts: 359
Location: San Diego
Audio files: 1

PostPosted: Mon Oct 13, 2014 2:15 pm    Post subject: Reply with quote  Mark this post and the followings unread

Well, here's a lame video of my Yusynth VCO with the mods I mentioned above controlled by a Turing Machine RLS all running at 12V. It definitely makes sound Laughing

https://www.youtube.com/watch?v=64MxQO5mMi4

_________________
My synth build blog: http://gndsynth.blogspot.com/
Back to top
View user's profile Send private message
Snaper



Joined: Feb 28, 2014
Posts: 217
Location: Hungary

PostPosted: Fri Oct 17, 2014 11:25 am    Post subject: Reply with quote  Mark this post and the followings unread

Nice, will etch 2 of them tomorrow...etched 2 Buchla 258 boards, L-1 design, no luck...no sound at all Sad

Silly question, I see, that all pots are 25k. My local shop has only 50k (smallest).
Can I use them?
Back to top
View user's profile Send private message
AlanP



Joined: Mar 11, 2014
Posts: 746
Location: New Zealand
Audio files: 41

PostPosted: Fri Oct 17, 2014 1:51 pm    Post subject: Reply with quote  Mark this post and the followings unread

Sure can, just wire the closest you have to a 50k resistor across lugs 1 and 3 -- this will make the pot look like a 25k one (50k and 50k in parallel.) Response might be a little odd, but close enough for rock and roll.
Back to top
View user's profile Send private message
gdavis



Joined: Feb 27, 2013
Posts: 359
Location: San Diego
Audio files: 1

PostPosted: Fri Oct 17, 2014 7:15 pm    Post subject: Reply with quote  Mark this post and the followings unread

50k pots will work. No need for 50k resistors in parallel. Make R36 and R51 15k (or close to it, not critical) to compensate the PWM range.
_________________
My synth build blog: http://gndsynth.blogspot.com/
Back to top
View user's profile Send private message
Snaper



Joined: Feb 28, 2014
Posts: 217
Location: Hungary

PostPosted: Sat Oct 18, 2014 11:07 am    Post subject: Reply with quote  Mark this post and the followings unread

Thank you guys, but I think I will omit the whole PW-PWM and pulse out stuff, Im more like a "sinewave" guy Very Happy

So 50k would be good for freqs and FM ins Very Happy

Thanks!!!
Back to top
View user's profile Send private message
Snaper



Joined: Feb 28, 2014
Posts: 217
Location: Hungary

PostPosted: Wed Oct 22, 2014 1:24 am    Post subject: Reply with quote  Mark this post and the followings unread

Last question before build...
Im not so good at reading schematics, and there are no part names on the silkscreen for the pcb, just values.
Which are R50, R36, R51 and R7?
Back to top
View user's profile Send private message
Snaper



Joined: Feb 28, 2014
Posts: 217
Location: Hungary

PostPosted: Wed Oct 22, 2014 1:36 am    Post subject: Reply with quote  Mark this post and the followings unread

OK, just made the mods on the silkscreen. Its seems correct. Is it?


VCO-BC547-COMP-LAY1.gif
 Description:
 Filesize:  39.67 KB
 Viewed:  840 Time(s)
This image has been reduced to fit the page. Click on it to enlarge.

VCO-BC547-COMP-LAY1.gif


Back to top
View user's profile Send private message
gdavis



Joined: Feb 27, 2013
Posts: 359
Location: San Diego
Audio files: 1

PostPosted: Wed Oct 22, 2014 11:08 am    Post subject: Reply with quote  Mark this post and the followings unread

Snaper wrote:
OK, just made the mods on the silkscreen. Its seems correct. Is it?

Yup, you got it.

_________________
My synth build blog: http://gndsynth.blogspot.com/
Back to top
View user's profile Send private message
Snaper



Joined: Feb 28, 2014
Posts: 217
Location: Hungary

PostPosted: Wed Oct 22, 2014 8:23 pm    Post subject: Reply with quote  Mark this post and the followings unread

Thanks!!!
Back to top
View user's profile Send private message
Snaper



Joined: Feb 28, 2014
Posts: 217
Location: Hungary

PostPosted: Tue Nov 04, 2014 8:56 am    Post subject: Reply with quote  Mark this post and the followings unread

Finished the dual vco, works fine, thank you all for the help!
Back to top
View user's profile Send private message
oberkorn



Joined: Nov 05, 2009
Posts: 15
Location: oberkorn

PostPosted: Sun Dec 07, 2014 7:41 am    Post subject: Reply with quote  Mark this post and the followings unread

Hello everybody, just reviving this thread with a question:
will the MinMax work on 12v, didn't see it listed in the beginning of the thread.

also, regarding the MinMax, the silkscreen, wiring diagram and overlay picture on
http://yusynth.net/Modular/EN/MINMAX/index.html show all resistors (except the two power 10k's) as 100k,
but the BOM, circuit description and schematics shows some of them (R8,R16,R17,R29,R37,R38) as 50k, what is true here?

thanks in advance Smile
Back to top
View user's profile Send private message
Snaper



Joined: Feb 28, 2014
Posts: 217
Location: Hungary

PostPosted: Sun Dec 07, 2014 8:55 am    Post subject: Reply with quote  Mark this post and the followings unread

oberkorn wrote:
Hello everybody, just reviving this thread with a question:
will the MinMax work on 12v, didn't see it listed in the beginning of the thread.

also, regarding the MinMax, the silkscreen, wiring diagram and overlay picture on
http://yusynth.net/Modular/EN/MINMAX/index.html show all resistors (except the two power 10k's) as 100k,
but the BOM, circuit description and schematics shows some of them (R8,R16,R17,R29,R37,R38) as 50k, what is true here?

thanks in advance Smile

BOM says :

50K 1% (or two 100k 1% in parallel)

I think it works, Roglok built it stripboard.
Back to top
View user's profile Send private message
vinnui



Joined: Jun 12, 2009
Posts: 19
Location: Hungary

PostPosted: Tue Feb 02, 2016 6:49 am    Post subject: Ringmod Reply with quote  Mark this post and the followings unread

It's possible to build the YuSynth Ringmod with +/-12V power?
Back to top
View user's profile Send private message Visit poster's website
Snaper



Joined: Feb 28, 2014
Posts: 217
Location: Hungary

PostPosted: Tue Feb 02, 2016 9:40 am    Post subject: Re: Ringmod Reply with quote  Mark this post and the followings unread

vinnui wrote:
It's possible to build the YuSynth Ringmod with +/-12V power?

It is, I done that and it works like a charm!
Back to top
View user's profile Send private message
agustindead



Joined: Jul 22, 2015
Posts: 33
Location: Big City, bright lights
Audio files: 1

PostPosted: Sun Feb 21, 2016 1:32 am    Post subject: Problem with VCO scale Reply with quote  Mark this post and the followings unread

I found my problem and it was unrelated to the 12v mods so I'm editing.

What I'm still having trouble with is the PWM range... Does anyone else find it lacking something? I can't get the full range...
Back to top
View user's profile Send private message
tomodular



Joined: Jun 11, 2018
Posts: 2
Location: Buenos Aires

PostPosted: Mon Jun 11, 2018 6:24 am    Post subject:  Quantizer Reply with quote  Mark this post and the followings unread

littlem4tt wrote:
I have now added the superb Quad panner!
What a great module!


Hey! How did you manage to make Yusynth's Quantizer work at 12v? Been looking for this for so long!
Would you please share if there's any mod to the original circuit?
Thanks!
Back to top
View user's profile Send private message
Benjamin AM



Joined: Nov 04, 2010
Posts: 83
Location: Boise

PostPosted: Fri Aug 24, 2018 4:27 pm    Post subject: Moog Filter Reply with quote  Mark this post and the followings unread

I was a little unhappy how my Cutoff freq knob was working after suggested calibration. I felt like I wasn't getting full range of the knob. My saw waves sounded dull at full clockwise rotation. I lived with it for 2 years and finally decided to dig in and fix the problem. after mulling over schematics of Yusynth and Minimoog service manual, I found that the Freq pot does not produce a high enough voltage at summing node. Yves uses a 150k resister at the node which is perfect for 15V application, but for 12V I believe it should be dropped down to 120k. I also lowered the resistor connecting 12V to Freq pot lug from 680R to 560R. Everything works as expected now
Back to top
View user's profile Send private message
Display posts from previous:   
Post new topic   Reply to topic Moderators: Scott Stites
Page 3 of 3 [69 Posts]
View unread posts
View new posts in the last week
Goto page: Previous 1, 2, 3
Mark the topic unread :: View previous topic :: View next topic
 Forum index » DIY Hardware and Software » YuSynth
Jump to:  

You cannot post new topics in this forum
You cannot reply to topics in this forum
You cannot edit your posts in this forum
You cannot delete your posts in this forum
You cannot vote in polls in this forum
You cannot attach files in this forum
You can download files in this forum


Forum with support of Syndicator RSS
Powered by phpBB © 2001, 2005 phpBB Group
Copyright © 2003 through 2009 by electro-music.com - Conditions Of Use