| Author |
Message |
PHOBoS

Joined: Jan 14, 2010 Posts: 5673 Location: Moon Base
Audio files: 706
|
|
|
Back to top
|
|
 |
elektrouwe
Joined: May 27, 2012 Posts: 143 Location: Germany
|
Posted: Sat May 03, 2014 2:41 pm Post subject:
Re: 4029 preset counter with bounce Subject description: presettable start and end points |
 |
|
| PHOBoS wrote: |
So I did and combined the 2 functions into one circuit ... |
...within a couple of hours yeah, ultrafast development, thanks Phobos! |
|
|
Back to top
|
|
 |
trav

Joined: Sep 11, 2012 Posts: 108 Location: Auckland
Audio files: 16
|
Posted: Sun May 04, 2014 3:15 am Post subject:
|
 |
|
So, I'm halfway through soldering up a 4029 to drive a 16-step sequencer, and now all this. Although, I suppose a bounce would be possible with my current design.. Patch start and end gates from the sequencer through an OR to a flipflop toggling the Up/Down.. yeah.
Not sure whether it would reliably bounce "internally" or "externally", if you know what I mean (between the start and end, or "around" them). Does this? I haven't thought it through. |
|
|
Back to top
|
|
 |
PHOBoS

Joined: Jan 14, 2010 Posts: 5673 Location: Moon Base
Audio files: 706
|
Posted: Sun May 04, 2014 3:32 am Post subject:
|
 |
|
| trav wrote: | Not sure whether it would reliably bounce "internally" or "externally", if you know what I mean (between the start and end, or "around" them).
Does this? I haven't thought it through. |
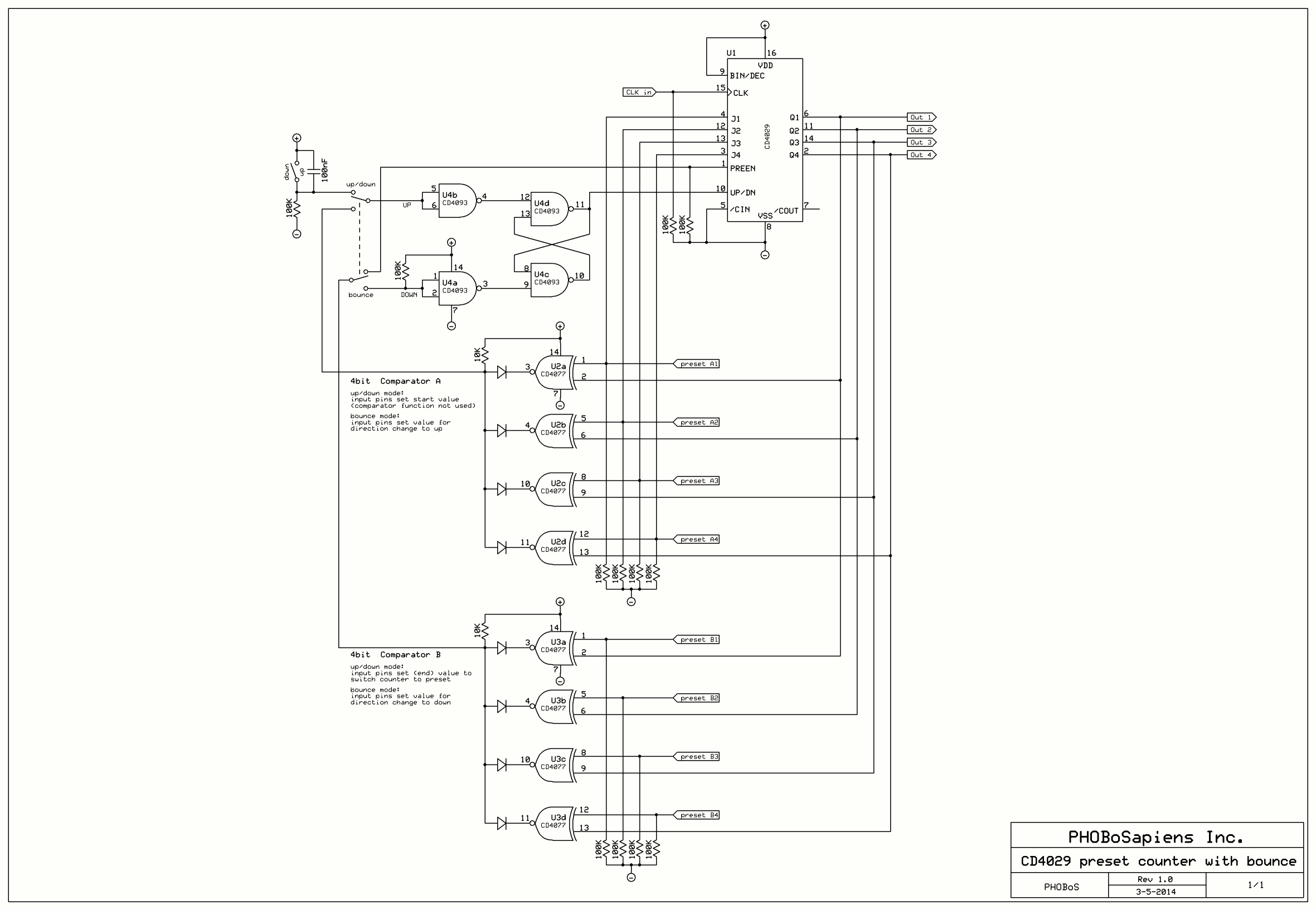
With this circuit it depends on what you set as start/end values. If the start value (count up) is lower then the end value (count down) it will count
internally, if it's higher it will count externally. At least in bounce mode, in up/down mode it depends on the direction switch.
if you always want it to count 16 steps and bounce between steps 0 and 15 you can also use pin 7 of the 4029 as I did here. _________________ "My perf, it's full of holes!"
http://phobos.000space.com/
SoundCloud BandCamp MixCloud Stickney Synthyards Captain Collider Twitch YouTube |
|
|
Back to top
|
|
 |
trav

Joined: Sep 11, 2012 Posts: 108 Location: Auckland
Audio files: 16
|
Posted: Sun May 04, 2014 4:53 am Post subject:
|
 |
|
I see. You've given me the idea to bring the carry-out out to the panel; that could be useful :)
also, I'd looked at the 4516 before, don't know why I forgot about it when it came to choosing a counter for this sequencer thing.
I was just going to tie the jam inputs to ground, too. Really, bringing everything out to the panel gives you the most options, even if it means a lot of patch cable. And pull-down resistors give you a "sane default" when nothing is plugged in. |
|
|
Back to top
|
|
 |
PHOBoS

Joined: Jan 14, 2010 Posts: 5673 Location: Moon Base
Audio files: 706
|
|
|
Back to top
|
|
 |
|