| Author |
Message |
slacker
Joined: Nov 18, 2007 Posts: 301 Location: England
Audio files: 11
G2 patch files: 1
|
Posted: Sun Apr 12, 2009 6:57 am Post subject:
Simple CD4046 VCO |
 |
|
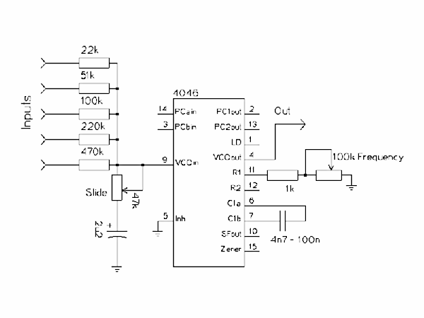
Here's a schematic and a couple of sound clips for a simple CD4046 based VCO.
Just feed its inputs with signals and depending on which inputs are high or low it plays a different pitch, if I've got it right it should play 32 different pitches. The resistors should really be scaled so each one is twice the size of the previous one ie:- 25k, 50k, 100k, 200k, 400k but I figured the values I had were close enough for a Lunetta. You could also use an R-2R ladder instead, but that uses more components. You can add more inputs to give a greater number of notes.
The overall range of the pitches is set by the frequency pot and the value of the capacitor between pins 6 and 7. The slide pot adds glide or portamento to the notes.
Pin 5 can be used to add modulation, I haven't experimented with the other pins yet.
In the sound clips it's being driven by a bunch of outputs from a shift register.
Enjoy
| Description: |
|
| Filesize: |
46.37 KB |
| Viewed: |
4137 Time(s) |
| This image has been reduced to fit the page. Click on it to enlarge. |

|
| Description: |
|
 Download (listen) |
| Filename: |
lunvco.mp3 |
| Filesize: |
334.69 KB |
| Downloaded: |
3296 Time(s) |
| Description: |
| 4046 VC0 with slide/portamento |
|
 Download (listen) |
| Filename: |
lunvcoslide.mp3 |
| Filesize: |
235.51 KB |
| Downloaded: |
2861 Time(s) |
|
|
|
Back to top
|
|
 |
Pehr

Joined: Aug 14, 2005 Posts: 1307 Location: Björkvik, Sweden
Audio files: 2
|
|
|
Back to top
|
|
 |
slacker
Joined: Nov 18, 2007 Posts: 301 Location: England
Audio files: 11
G2 patch files: 1
|
Posted: Sun Apr 12, 2009 9:50 am Post subject:
|
 |
|
At the minute with a 47n cap between pins 6 and 7 it goes from a few Hz to about 3.5Khz. I'm still experimenting with values to get the most useful range.
Playing with it again the slide pot probably needs a switch to disconnect it when you don't want portamento. Even a 1 meg pot still gives a bit of slide on low notes.
I think you're right an R-2R ladder will probably be better, especially if you made it so it could be used on its own for other things. I just threw it together like this on the breadboard to see if it worked.
Thanks for posting that Doepfer thing, it looks pretty interesting.
I've tried some other PLL ideas to do pitch tracking, that might be useful to you. Basically just based on the Wasp glide circuit and Scott Gravenhorst's PLL frequency mulitplier. |
|
|
Back to top
|
|
 |
slacker
Joined: Nov 18, 2007 Posts: 301 Location: England
Audio files: 11
G2 patch files: 1
|
|
|
Back to top
|
|
 |
DGTom

Joined: Dec 08, 2008 Posts: 211 Location: Adelaide
Audio files: 3
G2 patch files: 1
|
Posted: Mon Apr 13, 2009 1:17 am Post subject:
|
 |
|
I have some 4046s in the post on the way here! Just bought em cheap to play around with, now I have a cool intended use for em!
I was thinking putting some switches on the R values here could be cool, kinda like "High / Low" selector, would give you enough 'control' to push the CCT in the direction you like. |
|
|
Back to top
|
|
 |
slacker
Joined: Nov 18, 2007 Posts: 301 Location: England
Audio files: 11
G2 patch files: 1
|
Posted: Mon Apr 13, 2009 6:56 am Post subject:
|
 |
|
Yeah that sounds like a cool idea. Adding a much larger cap switchable in parallel with the 10n might be useful as well, that would lower the frequency so you could use it as a voltage controlled LFO.
I'm thinking of some sort of momentary push buttons on the inputs might be interesting as well. If you arranged them so they pulled the inputs high or low you'd have a weird keyboard. |
|
|
Back to top
|
|
 |
Pehr

Joined: Aug 14, 2005 Posts: 1307 Location: Björkvik, Sweden
Audio files: 2
|
Posted: Mon Apr 13, 2009 8:54 am Post subject:
|
 |
|
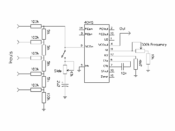
| slacker wrote: | Here's a slightly better version using an R-2R ladder on the inputs. The changes in component values and the added resistor off pin 12 means it now goes from just below audio up to about 16Khz.
When I build it I'll probably patch out the resistor ladder so I can use it for other things. That will hopefully also mean it should be possible to add a switchable resistor or pot from pin 9 to pins 2 or 13 to use it for frequency tracking like Pehr mentioned. |
Yes, I had that thought about a separate ladder aswell, since I prob want to use it as an output stage too.
Also, I think you need a 7-bit ladder for chromatic scale. But I'm not sure since it is a linear VCO.
Then it becomes some kind of DCO! just connect a binary counter to all the inputs and it will ramp or random clocks to make weird sequences...
I got to start building soon  _________________ YouTube channel
flickr photostream
http://loxodrom.blogspot.com
http://www.garageband.com/artist/loxodrom
http://soundcloud.com/loxodrom |
|
|
Back to top
|
|
 |
slacker
Joined: Nov 18, 2007 Posts: 301 Location: England
Audio files: 11
G2 patch files: 1
|
|
|
Back to top
|
|
 |
synthmonger
Joined: Nov 16, 2006 Posts: 578 Location: flada
Audio files: 3
|
Posted: Mon Apr 13, 2009 1:26 pm Post subject:
|
 |
|
| You can swap the frequency pot with a NMOS transistor wired as a current sink to get CV over that parameter. Leave the other resistor off pin 12 and you'll get a huge range. |
|
|
Back to top
|
|
 |
richardc64

Joined: Jun 01, 2006 Posts: 679 Location: NYC
Audio files: 26
|
Posted: Tue Apr 14, 2009 5:58 am Post subject:
|
 |
|
Neat-O. I see a couple of possibilities.
You could use SF out (called Demod in some data sheets,) as the CV for a second 4046 as a slave (harmonizing?) VCO. You could then use the XOR (Phase Comp I,) in either 4046 to "ring mod" the two VCO's outputs.
It might also be interesting to hear what the output of Phase Comp II sounds like. _________________ Revenge is a dish best served with a fork... to the eye Last edited by richardc64 on Tue Apr 14, 2009 8:25 am; edited 1 time in total |
|
|
Back to top
|
|
 |
Rykhaard
Joined: Sep 02, 2007 Posts: 1290 Location: Canada
|
Posted: Tue Apr 14, 2009 7:09 am Post subject:
|
 |
|
The CD4046, tuning scales, Lunetta machine ....... ???
For myself at least, as I've so far said in a coming manifesto: "All Deathlehem music is being not-wrought in the Key of Naught."
I.E. I'm not worried about any tuning scales, or standards, with my noise machine(s). I'm letting them create themselves. Dissonant or pure - it's all fun.  |
|
|
Back to top
|
|
 |
synthmonger
Joined: Nov 16, 2006 Posts: 578 Location: flada
Audio files: 3
|
Posted: Tue Apr 14, 2009 11:16 am Post subject:
|
 |
|
| richardc64 wrote: | Neat-O. I see a couple of possibilities.
You could use SF out (called Demod in some data sheets,) as the CV for a second 4046 as a slave (harmonizing?) VCO. You could then use the XOR (Phase Comp I,) in either 4046 to "ring mod" the two VCO's outputs.
It might also be interesting to hear what the output of Phase Comp II sounds like. |
That's a pretty cool idea.  |
|
|
Back to top
|
|
 |
slacker
Joined: Nov 18, 2007 Posts: 301 Location: England
Audio files: 11
G2 patch files: 1
|
|
|
Back to top
|
|
 |
Rykhaard
Joined: Sep 02, 2007 Posts: 1290 Location: Canada
|
Posted: Tue Apr 14, 2009 12:53 pm Post subject:
|
 |
|
| slacker wrote: |
It sounds good Here's a quick clip
I've got a bunch of clocks feeding the R-2R ladder and an audio speed clock going in to pin 14. Pins 3 and 4 are tied together so the VCO out is feeding the comparator ins. The sound clip is the output of pin4 then pin 2, pin 3 and finally pin 13. |
Whoa! Cool! I'm going to have to look into all of the above mentioned to see about using these as modifications for my future Liquid Voices!
Thanks for posting that clip!  |
|
|
Back to top
|
|
 |
richardc64

Joined: Jun 01, 2006 Posts: 679 Location: NYC
Audio files: 26
|
Posted: Tue Apr 14, 2009 1:32 pm Post subject:
|
 |
|
| Rykhaard wrote: | Whoa! Cool! |
I second that.
| slacker wrote: | | Great idea, I hadn't really looked at what SF did until you mentioned it. Just for a laugh I hooked an LED up to it and it makes a cool pulsing indicator, completely pointless but you can never have too many blinkenlights. |
Ah. Then it would need some sort of smoothing and would probably be too slow to use as a CV for a 2nd 4046. Too bad. _________________ Revenge is a dish best served with a fork... to the eye |
|
|
Back to top
|
|
 |
slacker
Joined: Nov 18, 2007 Posts: 301 Location: England
Audio files: 11
G2 patch files: 1
|
Posted: Tue Apr 14, 2009 2:52 pm Post subject:
|
 |
|
I haven't had time to record anything but slaving up a second 4046 using the SF output works great, thanks for the tip. It follows the master one but it sort of slides and warbles between pitches rather than jumping cleanly from pitch to pitch, sounds really good. Didn't try hooking up LEDs as well, but if I have to loose a flashing light I can live with that.
Just connecting pin 9 of each chip together also works well.
I also tried using the phase comparators as stand alone modulators with interesting results. Obviously Phase comp 1 is just a XOR, but you can never have too many of those. Phase comparator 2 gives some nice stuttering patterns and glitchy PWM sort of sounds. It's worth checking these out even if you're not interested in the VCO side of things. |
|
|
Back to top
|
|
 |
Pehr

Joined: Aug 14, 2005 Posts: 1307 Location: Björkvik, Sweden
Audio files: 2
|
|
|
Back to top
|
|
 |
slacker
Joined: Nov 18, 2007 Posts: 301 Location: England
Audio files: 11
G2 patch files: 1
|
Posted: Thu Apr 16, 2009 1:01 pm Post subject:
|
 |
|
Agreed, I love doing noise things with mine and even without any attempt at tuning just letting it do its thing can sound pretty musical at times . It would be nice to be able to get it in tune enough to be able to jam along with it on guitar though.
I haven't had much success yet though, I think if you manually went through all the possible input combinations you could probably find enough notes to make some sort of recognisable scale. The problem would be how to clock it so that you only fed it the good combinations. |
|
|
Back to top
|
|
 |
Rykhaard
Joined: Sep 02, 2007 Posts: 1290 Location: Canada
|
Posted: Thu Apr 16, 2009 1:30 pm Post subject:
|
 |
|
| slacker wrote: | Agreed, I love doing noise things with mine and even without any attempt at tuning just letting it do its thing can sound pretty musical at times . It would be nice to be able to get it in tune enough to be able to jam along with it on guitar though.
I haven't had much success yet though, I think if you manually went through all the possible input combinations you could probably find enough notes to make some sort of recognisable scale. The problem would be how to clock it so that you only fed it the good combinations. |
For all of my noise tests and coming noise compositions, I'm throwing all known / standard tuning scales out the window. Whatever sounds good to me as I'm twisting knobs and un/plugging cables is fine to me. Harmonious or dissonant, it's all cool as per the desired mood for the piece.  |
|
|
Back to top
|
|
 |
slacker
Joined: Nov 18, 2007 Posts: 301 Location: England
Audio files: 11
G2 patch files: 1
|
Posted: Fri Apr 17, 2009 4:09 am Post subject:
|
 |
|
Perhaps what I need to do is untune my guitar to the key of naught
I came up with a cool way of controlling 2 of the VCOs with one pot last night.
Basically you connect pin 11 of the first 4046 to the clockwise lug of a 100k - 1M pot and connect pin 11 of the second 4046 to the anticlockwise lug. Then connect the wiper to ground through a 10k resistor.
If you stick the pot in the middle and feed both VCOs the same CV, then within the tolerances of all the parts they play the same tune. If you move the pot towards either extreme the base frequency of one of the VCOs goes up and the other goes down so you get harmonies, ringmod the 2 together and all manner of madness ensues  |
|
|
Back to top
|
|
 |
Rykhaard
Joined: Sep 02, 2007 Posts: 1290 Location: Canada
|
Posted: Fri Apr 17, 2009 10:21 am Post subject:
|
 |
|
| slacker wrote: | Perhaps what I need to do is untune my guitar to the key of naught
I came up with a cool way of controlling 2 of the VCOs with one pot last night.
Basically you connect pin 11 of the first 4046 to the clockwise lug of a 100k - 1M pot and connect pin 11 of the second 4046 to the anticlockwise lug. Then connect the wiper to ground through a 10k resistor.
If you stick the pot in the middle and feed both VCOs the same CV, then within the tolerances of all the parts they play the same tune. If you move the pot towards either extreme the base frequency of one of the VCOs goes up and the other goes down so you get harmonies, ringmod the 2 together and all manner of madness ensues  |
WHOA!! Time to get out a pair of 4046's to try THAT with! Ex'llent man! Thanks for coming up with that!  |
|
|
Back to top
|
|
 |
wetterberg
Joined: Jun 27, 2008 Posts: 48 Location: denmark
|
Posted: Fri Apr 17, 2009 1:26 pm Post subject:
|
 |
|
| slacker wrote: | | I haven't had time to record anything but slaving up a second 4046 using the SF output works great, thanks for the tip. It follows the master one but it sort of slides and warbles between pitches rather than jumping cleanly from pitch to pitch, sounds really good. | I'd REALLY love to hear that - I guess it's a bit like a PLL tracking poorly? |
|
|
Back to top
|
|
 |
jnuaury
Joined: Feb 28, 2008 Posts: 161 Location: chicago
Audio files: 9
|
Posted: Fri Apr 17, 2009 5:51 pm Post subject:
|
 |
|
the new edition to nic collins' hardware hacking book has some new circuits added many of which feature the 4046... a vco and some pitch tracking circuits
ive only flipped through the book (i dont think its officially out until net week...) but nic showed me a fun circuit that has two 4046s trying to follow each others pitch
its a really fun chip! |
|
|
Back to top
|
|
 |
aerogramma

Joined: Feb 27, 2008 Posts: 156 Location: Roma, Italy - London, UK
Audio files: 13
|
Posted: Sun Apr 19, 2009 2:01 am Post subject:
|
 |
|
| jnuaury wrote: | the new edition to nic collins' hardware hacking book has some new circuits added many of which feature the 4046... a vco and some pitch tracking circuits
ive only flipped through the book (i dont think its officially out until net week...) but nic showed me a fun circuit that has two 4046s trying to follow each others pitch
its a really fun chip! |
hmm... i bought nic's book a few months ago... i wonder if you could do an upgrade...  |
|
|
Back to top
|
|
 |
CJ Miller

Joined: Jan 07, 2007 Posts: 368 Location: 127.0.0.1
|
Posted: Tue Apr 21, 2009 9:34 pm Post subject:
|
 |
|
| aerogramma wrote: | hmm... i bought nic's book a few months ago... i wonder if you could do an upgrade...  |
I just got mine last week! It's a fun read, reminds me of how much experimentation I had time for in my 20s, before working 16 hour days... Just simple enough to get over the feature-creep that keeps my analog system from coming together. I am home sick tonight and am definately going to play with my cache of CMOS chips. |
|
|
Back to top
|
|
 |
|