| Author |
Message |
mewo2
Joined: Mar 24, 2019 Posts: 3 Location: UK
|
Posted: Sun Mar 24, 2019 5:08 pm Post subject:
Noisy (ungrounded?) 40106 |
 |
|
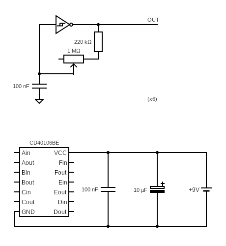
I've been trying to build a set of 40106 oscillators following the description in "Handmade Electronic Music". Six oscillators, one per inverter. It works, but the oscillators sound really harsh and noisy. The weird thing is, if I connect any of the outputs to ground, then suddenly the other five become nice (relatively) clean square waves.
I've checked my power and ground connections, and I've got decoupling caps in place (100nF at the pins, 10uF at the battery). I haven't got any pull-downs because all six of the inputs are in use. In each case the resistor is a 220k in series with a 1M pot - the caps are 1nF, 2.2nF, 4.7nF, 10nF, 22nF and 47nF.
Anyone got any ideas what I'm doing wrong here? |
|
|
Back to top
|
|
 |
JovianPyx

Joined: Nov 20, 2007 Posts: 1988 Location: West Red Spot, Jupiter
Audio files: 224
|
Posted: Tue Mar 26, 2019 7:23 am Post subject:
|
 |
|
Can you supply a schematic or a link to a schematic?
As you probably already know, making the noise go away by grounding an output is a symptom. But without a schematic, it's only guessing to suggest what might be wrong. _________________ FPGA, dsPIC and Fatman Synth Stuff
Time flies like a banana. Fruit flies when you're having fun. BTW, Do these genes make my ass look fat? corruptio optimi pessima
|
|
|
Back to top
|
|
 |
PHOBoS

Joined: Jan 14, 2010 Posts: 5881 Location: Moon Base
Audio files: 709
|
|
|
Back to top
|
|
 |
Grumble

Joined: Nov 23, 2015 Posts: 1319 Location: Netherlands
Audio files: 30
|
Posted: Tue Mar 26, 2019 11:40 am Post subject:
|
 |
|
or there is no gnd at all... _________________ my synth |
|
|
Back to top
|
|
 |
mewo2
Joined: Mar 24, 2019 Posts: 3 Location: UK
|
|
|
Back to top
|
|
 |
ixtern
Joined: Jun 25, 2018 Posts: 145 Location: Poland
|
Posted: Tue Mar 26, 2019 11:54 pm Post subject:
|
 |
|
| mewo2 wrote: | | Attached a schematic. The six copies of the oscillator circuit all have different capacitors, but are otherwise identical. |
And how do you mix the oscillators?
Nicholas Collins in his "Handmade Electronic Music" mentions about such circuit:
"If you sum more than three oscillators together with diodes you might notice that the signal gets oddly noisy;". |
|
|
Back to top
|
|
 |
mewo2
Joined: Mar 24, 2019 Posts: 3 Location: UK
|
Posted: Wed Mar 27, 2019 2:50 am Post subject:
|
 |
|
| ixtern wrote: | | And how do you mix the oscillators? |
I've tried a few approaches - through 100k resistors, through diodes, direct connection. I even built some basic transistor buffer circuits and ran each output through that. Same result. I even get the problem when only one output is connected to anything. |
|
|
Back to top
|
|
 |
JovianPyx

Joined: Nov 20, 2007 Posts: 1988 Location: West Red Spot, Jupiter
Audio files: 224
|
Posted: Wed Mar 27, 2019 6:51 am Post subject:
|
 |
|
| mewo2 wrote: | | ixtern wrote: | | And how do you mix the oscillators? |
I've tried a few approaches - through 100k resistors, through diodes, direct connection. I even built some basic transistor buffer circuits and ran each output through that. Same result. I even get the problem when only one output is connected to anything. |
Using 100 K resistors to mix won't do damage, but connecting outputs directly together is just as bad as grounding outputs. When one output is "high" and another is "low", they cause a connection from +V through two "on" transistors and then to ground. Pretty much shunting V+ to ground. Diodes are OK, but I'd put a resistor from the diodes' outputs to ground so that the diodes have what it takes to turn on. The best way is to use an opamp with feedback resistor and input resistors to form a virtual ground node. Google "opamp audio mixer" for details. Since there's no complete schematic, only a partial one, it's still difficult to see exactly what is going on. When building things, it's a good idea to draw out the full circuit before you start to build. There's no way to see what is really there without such a drawing. Your transistor buffer may work, but it really depends on exactly how that is hooked up - and we can't see any of that.
But that doesn't solve the noise problem you currently experience. Note that grounding outputs or connecting outputs to outputs can damage the 40106, so I would at least suspect that your current 40106 has died or is partially bad. This sounds like there was/is a bad connection or wrong connection somewhere. I'll guess it's on a breadboard. I would rebuild the circuit (take it all apart and start over) using a new 40106. I would build one oscillator section first and see that it works properly. Then add another oscillator and test both. Keep doing that until it's finished. Very often rebuilding fixes such things. _________________ FPGA, dsPIC and Fatman Synth Stuff
Time flies like a banana. Fruit flies when you're having fun. BTW, Do these genes make my ass look fat? corruptio optimi pessima
|
|
|
Back to top
|
|
 |
piedwagtail

Joined: Apr 15, 2006 Posts: 297 Location: shoreditch
Audio files: 3
|
Posted: Thu Mar 28, 2019 4:14 pm Post subject:
|
 |
|
What supply voltage are you using?
I had a strange experience with some square wave generation like this where the 40106s (HEF.... IIRC)I had at hand got burning hot at 15V. Never understood why but implementing a 7805 regulator for 5V operation and it performed immaculately.
Gave me a preference to avoid 40106 for life though!
R |
|
|
Back to top
|
|
 |
Top Top

Joined: Feb 02, 2010 Posts: 266 Location: California
|
Posted: Wed May 22, 2019 11:51 am Post subject:
|
 |
|
It sounds like a symptom of an ungrounded chip. I'd double double check your ground pin connection on the chip. _________________ ∆ A.M.P. ESOTERIC ELECTRONICS ∆ |
|
|
Back to top
|
|
 |
fetideye

Joined: Jun 22, 2015 Posts: 27 Location: Netherlands
|
Posted: Mon Jun 03, 2019 1:10 pm Post subject:
|
 |
|
build the circuit on a perfboard.
sometimes the breadboard is to blame for weird stuff happening |
|
|
Back to top
|
|
 |
|