| Author |
Message |
cappy2112

Joined: Dec 24, 2004 Posts: 2503 Location: San Jose, California
Audio files: 2
G2 patch files: 1
|
Posted: Wed Jan 21, 2009 12:43 am Post subject:
WANTED:Simple, cheap, schematic drawing software for Windows |
 |
|
If you can receommend something, please do.
I dont need to do board layouts or gerber plots or anything that exotic.
Just a good, easy to use program for drawing (and printing) schematics.
thanks _________________ Free Tibet. Release the Panchen Lama from prison. Let the Dalai Lama return to his home. |
|
|
Back to top
|
|
 |
spippoli

Joined: Nov 23, 2008 Posts: 19 Location: Italia_pizza_mandolino
|
|
|
Back to top
|
|
 |
JovianPyx

Joined: Nov 20, 2007 Posts: 1988 Location: West Red Spot, Jupiter
Audio files: 224
|
|
|
Back to top
|
|
 |
blue hell
Site Admin

Joined: Apr 03, 2004 Posts: 24587 Location: The Netherlands, Enschede
Audio files: 309
G2 patch files: 320
|
Posted: Fri Jan 23, 2009 2:40 pm Post subject:
|
 |
|
| ScottG wrote: | | Go ahead, laugh if you want to... |
when this thread started I was thinking I could use such a set as you just posted, so thanks doing so! Oh, and I'll be using it the same way. _________________ Jan
also .. could someone please turn down the thermostat a bit.
 |
|
|
Back to top
|
|
 |
JovianPyx

Joined: Nov 20, 2007 Posts: 1988 Location: West Red Spot, Jupiter
Audio files: 224
|
Posted: Fri Jan 23, 2009 3:05 pm Post subject:
|
 |
|
| Blue Hell wrote: | | ScottG wrote: | | Go ahead, laugh if you want to... |
when this thread started I was thinking I could use such a set as you just posted, so thanks doing so! Oh, and I'll be using it the same way. |
You're quite welcome Mr. Blue. And that is all original artwork I banged out using PB, so there's no copyright nonsense to worry about. It's free.
If you want to see some complete schematics I did with PB, go to my FatMan mods page (see sig) and look around. _________________ FPGA, dsPIC and Fatman Synth Stuff
Time flies like a banana. Fruit flies when you're having fun. BTW, Do these genes make my ass look fat? corruptio optimi pessima
|
|
|
Back to top
|
|
 |
blue hell
Site Admin

Joined: Apr 03, 2004 Posts: 24587 Location: The Netherlands, Enschede
Audio files: 309
G2 patch files: 320
|
Posted: Fri Jan 23, 2009 3:14 pm Post subject:
|
 |
|
| ScottG wrote: | | go to my FatMan mods page (see sig) and look around. | Looks good, I'll probably translate resistors, polarized caps & ground symbol into dutch  _________________ Jan
also .. could someone please turn down the thermostat a bit.
 |
|
|
Back to top
|
|
 |
richardc64

Joined: Jun 01, 2006 Posts: 679 Location: NYC
Audio files: 26
|
Posted: Fri Jan 23, 2009 3:23 pm Post subject:
|
 |
|
| ScottG wrote: | Go ahead, laugh if you want to...
Much to the astonishment of many, I use the Paintbrush program that comes with Windows. |
Hey, me too! The "jaggies" take me back to my Commodore64 days! I started out, um...borrowing others' symbols from the 'net, then editing them to my liking. Haven't quite settled on a style, yet.
My "library" isn't as well organized as yours, but if I need something I've already drawn, I know where to find it. For now. _________________ Revenge is a dish best served with a fork... to the eye |
|
|
Back to top
|
|
 |
françois
Joined: Dec 23, 2006 Posts: 139 Location: Paris (France)
Audio files: 1
|
Posted: Sat Jan 24, 2009 11:09 am Post subject:
|
 |
|
Hello,
I use Microsoft Visio, for which I designed a library of component symbols. This is clearly overkill, since Visio is expensive, not included in Microsoft Office (it is compatible of course, but you have to purchase it separately). Since I have it for professional work anyway, I use it.
But Visio is not only a drawing tool, it is more a graphical interface for database applications. As such, it can automatically number all components, edit their properties (e.g. value for a resistor, type for a transistor) and automatically generate a bill of materials. Including the costs if you wish.
Every component has connection points, and when two components are wired together the connecting lines are adjusted automatically (you can adjust them by hand if you want), including the little "jumps" when two lines cross. When a component is moved, the connecting lines are updated.
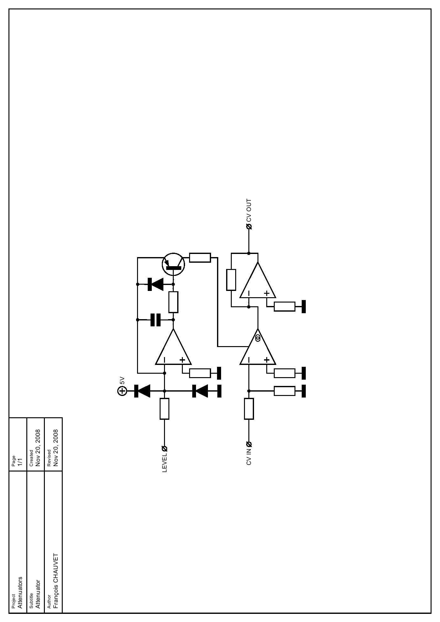
For the component symbols, I scanned a number of schematics from Elektor because I like their style, and I reproduced them. Attached is an example schemo.
There is a cheap alternative to Visio: Edraw Max. I got it for free from giveawayoftheday.com but it was only a one-day offer. However the full software should cost about 20.00€, which is admittedly more reasonable... and it is fully Visio-compatible!
Yours,
-- françois
| Description: |
|
| Filesize: |
30.5 KB |
| Viewed: |
465 Time(s) |
| This image has been reduced to fit the page. Click on it to enlarge. |

|
|
|
|
Back to top
|
|
 |
picsynth
Joined: Oct 16, 2008 Posts: 27 Location: New Zealand
|
|
|
Back to top
|
|
 |
|