electro-music.com   Dedicated to experimental electro-acoustic
and electronic music
 
    Front Page  |  Radio
 |  Media  |  Forum  |  Wiki  |  Links
Forum with support of Syndicator RSS
 FAQFAQ   CalendarCalendar   SearchSearch   MemberlistMemberlist   UsergroupsUsergroups   LinksLinks
 RegisterRegister   ProfileProfile   Log in to check your private messagesLog in to check your private messages   Log inLog in  Chat RoomChat Room 
go to the radio page Live at electro-music.com radio 1 Please visit the chat
poster
 Forum index » DIY Hardware and Software » Developers' Corner
clock source with swing
Post new topic   Reply to topic Moderators: DrJustice
Page 1 of 1 [4 Posts]
View unread posts
View new posts in the last week
Mark the topic unread :: View previous topic :: View next topic
Author Message
fengland



Joined: Feb 18, 2010
Posts: 50
Location: Burlington, VT

PostPosted: Fri May 07, 2010 2:00 pm    Post subject: clock source with swing
Subject description: trying to find/design an analog clock source with adjustable swing
Reply with quote  Mark this post and the followings unread

Hi electronic geniuses,
I'm trying to find or design an analog clock source with adjustable SWING to run analog sequencers. Haven't found a schematic for something like this.

I was thinking I could take an oscillator with PWM, integrate the variable pulse width out to get alternating positive and negative short pulses where the negative pulse timing would be adjusted with the oscillator pwm control - then I could full-wave rectify that to make those adjustible negative pulses positive as well - should make a nice swing clock with voltage control over rate and swing amount.

Does anyone see anything that won't work about that idea? or have a simpler way? or a nice existing design?

Thanks!
Back to top
View user's profile Send private message
cthulu



Joined: Feb 07, 2009
Posts: 56
Location: Göteborg, Sweden

PostPosted: Fri May 21, 2010 4:10 am    Post subject: Reply with quote  Mark this post and the followings unread

Sounds like a good way to solve the problem. I freaked out on the subject a year ago and this is as far as I got.
http://www.electro-music.com/forum/topic-32175.html
Your idea sounds much better.

Quote:
I was thinking I could take an oscillator with PWM, integrate the variable pulse width out to get alternating positive and negative short pulses where the negative pulse timing would be adjusted with the oscillator pwm control - then I could full-wave rectify that to make those adjustible negative pulses positive as well - should make a nice swing clock with voltage control over rate and swing amount.

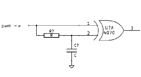
You take the PWM output and run it through an xor edge detector.


edge detector.PNG
 Description:
 Filesize:  8.47 KB
 Viewed:  400 Time(s)
This image has been reduced to fit the page. Click on it to enlarge.

edge detector.PNG


Back to top
View user's profile Send private message
kkissinger
Stream Operator


Joined: Mar 28, 2006
Posts: 1471
Location: Kansas City, Mo USA
Audio files: 45

PostPosted: Fri May 21, 2010 5:59 am    Post subject: Reply with quote  Mark this post and the followings unread

You might want to consider the use of two LFO's where one is synced to the other.

The slave would run (for example) at twice the frequency as the master.

You would clock your sequencer from the slaved LFO and vary the frequency of the slaved LFO to put some "swing" into the beat.

_________________
-- Kevin
http://kevinkissinger.com
Back to top
View user's profile Send private message Visit poster's website
fengland



Joined: Feb 18, 2010
Posts: 50
Location: Burlington, VT

PostPosted: Fri May 21, 2010 8:28 am    Post subject: nice trick with the xor gate Reply with quote  Mark this post and the followings unread

That xor edge detector trick should cut down on components a bit - haven't seen that before. thanks!
Back to top
View user's profile Send private message
Display posts from previous:   
Post new topic   Reply to topic Moderators: DrJustice
Page 1 of 1 [4 Posts]
View unread posts
View new posts in the last week
Mark the topic unread :: View previous topic :: View next topic
 Forum index » DIY Hardware and Software » Developers' Corner
Jump to:  

You cannot post new topics in this forum
You cannot reply to topics in this forum
You cannot edit your posts in this forum
You cannot delete your posts in this forum
You cannot vote in polls in this forum
You cannot attach files in this forum
You can download files in this forum


Forum with support of Syndicator RSS
Powered by phpBB © 2001, 2005 phpBB Group
Copyright © 2003 through 2009 by electro-music.com - Conditions Of Use