| Author |
Message |
Glitch-Militia
Joined: Apr 25, 2011 Posts: 25 Location: Europe
|
Posted: Wed Sep 11, 2013 2:39 am Post subject:
|
 |
|
| Is it possible to get single outs from each switch? Preferrably with a descrete circuit. I basicly want the switches to work like normal switches. |
|
|
Back to top
|
|
 |
PHOBoS

Joined: Jan 14, 2010 Posts: 5947 Location: Moon Base
Audio files: 709
|
Posted: Thu Sep 12, 2013 7:56 am Post subject:
|
 |
|
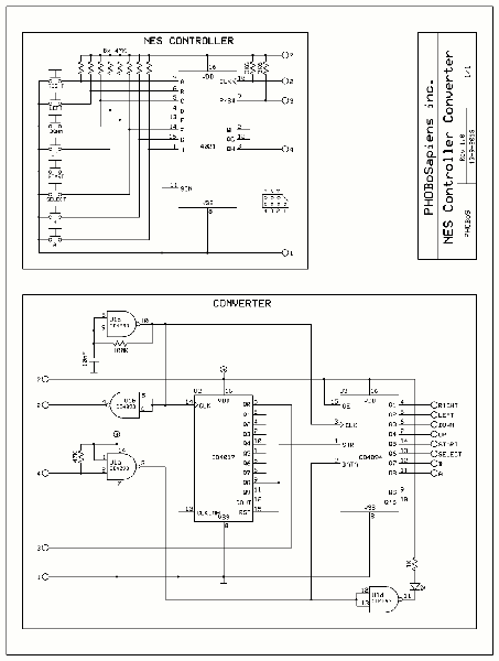
yes it would be possible,. you'll need another shiftregister for the ouputs and a circuit in between. I've only done it with a PIC myself (since I usually need to
process it somehow in between), but I don't see a reason why it wouldn't be possible with some logic chips. probably a CLK generator and a counter and
maybe a flipflop. (Maybe I'll try something myself one of these days) _________________ "My perf, it's full of holes!"
http://phobos.000space.com/
SoundCloud BandCamp MixCloud Stickney Synthyards Captain Collider Twitch YouTube |
|
|
Back to top
|
|
 |
Glitch-Militia
Joined: Apr 25, 2011 Posts: 25 Location: Europe
|
Posted: Thu Sep 12, 2013 11:57 pm Post subject:
|
 |
|
| PHOBoS wrote: | | Maybe I'll try something myself one of these days |
Please do. I'm simply not clever enough to figgure it out myself. I need a schematic. |
|
|
Back to top
|
|
 |
PHOBoS

Joined: Jan 14, 2010 Posts: 5947 Location: Moon Base
Audio files: 709
|
|
|
Back to top
|
|
 |
Glitch-Militia
Joined: Apr 25, 2011 Posts: 25 Location: Europe
|
Posted: Sat Sep 14, 2013 2:48 pm Post subject:
|
 |
|
| You are the best! What is the output from the 4094? Trigger? |
|
|
Back to top
|
|
 |
PHOBoS

Joined: Jan 14, 2010 Posts: 5947 Location: Moon Base
Audio files: 709
|
Posted: Sat Sep 14, 2013 3:49 pm Post subject:
|
 |
|
| Glitch-Militia wrote: | You are the best! What is the output from the 4094? Trigger?
Also would it be possible to use the ABC at the same time? |
If with ABC you mean more buttons, yes. you can press as many as you like. The outputs just copy the buttons, so they're high as long as a button is pressed.
I made one myself, and put it in a small cardboard box for now. Since I don't have a connector I just pushed some wires into the holes and secured it with
some hotglue (the connector not the wires).
| Description: |
|
| Filesize: |
281.02 KB |
| Viewed: |
273 Time(s) |
| This image has been reduced to fit the page. Click on it to enlarge. |

|
| Description: |
|
| Filesize: |
258.18 KB |
| Viewed: |
261 Time(s) |
| This image has been reduced to fit the page. Click on it to enlarge. |

|
_________________ "My perf, it's full of holes!"
http://phobos.000space.com/
SoundCloud BandCamp MixCloud Stickney Synthyards Captain Collider Twitch YouTube |
|
|
Back to top
|
|
 |
Glitch-Militia
Joined: Apr 25, 2011 Posts: 25 Location: Europe
|
Posted: Sun Sep 15, 2013 1:13 am Post subject:
|
 |
|
Actually I meant the latch and pulse outs. I just got confused because stolenfat talked about the ABC. But that is ofcause the ABC inputs on the melody generator.
You have to extra 2 bolts on that box. Is that the latch and pulse out's? Also one has a diode, but the other one does not?
BTW. That box look's nice! |
|
|
Back to top
|
|
 |
PHOBoS

Joined: Jan 14, 2010 Posts: 5947 Location: Moon Base
Audio files: 709
|
Posted: Sun Sep 15, 2013 4:39 am Post subject:
|
 |
|
| Glitch-Militia wrote: | | Actually I meant the latch and pulse outs. |
ah, I see you are refering to stolenfat's post, who uses the info from this page.
What's labeled as the 'pulse' pin is the data pin which sends out a string of bits that correspond to the buttons that are pressed. This happens in sync
with the CLK and with the values I used the CLK rate is ± 450Hz (if my calculations are correct). I first had it running at 100KHz so if it would
cause any noise it wouldn't be audible. But by reducing the speed it acts as a debounce for the buttons (at least that's the theory). So you could
use an output to control the CLK input of a counter or something like that. Anyway if you want to use the datastream as an output then you can just
grab it from pin3 of U1a.
The 'Latch', also labeled 'Strobe' is the serial/parallel control pin of the 4021. Everytime it's made high it reads the switches, which then get send
out as a string of bits over the data pin. Since it's connected to an output (pin3) of the 4017 it just sends out a constant pulse wave. The 4017 is
configured to count 8 steps so the frequency would be ± 450/8 = 56Hz.
| Quote: | | You have to extra 2 bolts on that box. Is that the latch and pulse out's? Also one has a diode, but the other one does not? |
nope, those are the powerpins (+/-), I need to get that in somewhere and I'm not using batteries inside the box.
The diode is there as a protection, just in case for if I would accidentally reverse the power. (don't want to fry the controller)
| Quote: | | BTW. That box look's nice! |
thank you
edit: added the front image
| Description: |
|
| Filesize: |
264.14 KB |
| Viewed: |
257 Time(s) |
| This image has been reduced to fit the page. Click on it to enlarge. |

|
_________________ "My perf, it's full of holes!"
http://phobos.000space.com/
SoundCloud BandCamp MixCloud Stickney Synthyards Captain Collider Twitch YouTube |
|
|
Back to top
|
|
 |
Glitch-Militia
Joined: Apr 25, 2011 Posts: 25 Location: Europe
|
|
|
Back to top
|
|
 |
commathe

Joined: Jul 26, 2013 Posts: 153 Location: Beijing
Audio files: 5
|
Posted: Sun Sep 22, 2013 6:30 pm Post subject:
|
 |
|
| PHOBoS, I have seen a lot of your cool nut and bolt modular things but what do you use as patch cables? |
|
|
Back to top
|
|
 |
PHOBoS

Joined: Jan 14, 2010 Posts: 5947 Location: Moon Base
Audio files: 709
|
|
|
Back to top
|
|
 |
|