| Author |
Message |
PHOBoS

Joined: Jan 14, 2010 Posts: 5881 Location: Moon Base
Audio files: 709
|
Posted: Thu Dec 19, 2013 2:31 pm Post subject:
Pitch shifter using the OKI M6322 chip Subject description: with keyboard control and more goodies |
 |
|
Years ago I got myself a JBsystems LAM91 DJ mixer, I think it was actually my first mixer allthough I might have build a simple one myself before that.
Anyway it has a build in voice changer which I've always wanted to take out and use as a standalone effect. Since the faders have become completely
useless over the years and I don't use it anyway I decided to take the whole thing apart. A nice thing about how it's build is that it has several PCB's
with fully functioning circuits. There's the board with the in/output connectors which has buffers and also the PSU section, the main mixer board, an
equalizer mounted to a panel with slidepots , a headphone amp, a VU meter and of course the voice changer.
I started by drawing a schematic of the whole thing, or at least the main mixer section. All the boards are wired together with connectors and this
way I can easily see how those are wired up. The voice changer section is made with an OKI M6322 chip and it was mounted on a PCB that also has
2 microphone preamps. It's an SMD chip (SOP24) so removing it wasn't really much of an option but I don't need the preamps and those might
still be usefull for something else. Which leaves cutting a part of the PCB.
But before I started doing that I first wanted to know if there was any info on the chip so I could see which components I'd have to leave on and where
to cut the PCB. My search led me back to electro-music.com, this thread to be precise. And the best thing is there is a datasheet posted for the OKI chip!
The voice changer on the mixer was controlled by three buttons; pitch up, pitch down and a 'reset' button. But then I read the datasheet and found out that
| Quote: | | Two pitch control methods can be selected. One is to change the pitch in 17 steps by two switch inputs, and the other is select one of 16 steps by four binary input lines |
well,. that will make it a lot more fun to play with
Using the binary inputs lines will give you one less pitch option, one octave higher, but you get a lot more fun in return. (It might actually be
possible to add the 17th step with some extra logic). The chip itself is quite easy to use without a lot of external components. it has a build in ADC,
DAC, low pass filters and some opamps, even a spare one to make a microphone preamp (wasn't used in this mixer). So I cut of the part of the PCB with
the necessary components incl. the voltage regulator. The voltage regulator is an 78L05 because the chip runs on 5V. I could make everything I add run
at 5V but that doesn't leave much headroom for the audio and I will probably use a 12V supply anyway. However I don't want to fry the chip so I have to
be careful.
To make it easier to test the chip I mounted a connector to the PCB. I first scraped of some unused traces to prevent any shorts, and then used a piece
of perfboard as a template to drill a row of 10 evenly spaced (0.1") holes. I put the connector in from the top and added some perf on the bottom to
solder it to. Next came the fun part; soldering wires to the chip and cutting some very small traces. But with a fresh small soldering tip and
some patience I got it done. So I stuck it in a breadboard wired it up, crossed my fingers and powered it up. No smoke (phew) and I could change the
pitch but not binary, it still did the up down thing.
After taking another look at the PCB and doing some more measurements I discovered that the mode pin was actually still grounded eventhough I'd cut the
the trace. What I hadn't realized was that the trace was going underneath starting from under the chip. And also by cutting the other side of the trace
I had actually left a pin floating. So more fun,. trying to lift the pin of the PCB without breaking it and then soldering a wire to it
But I got that done aswell and after this fix it worked as it should
I did some tests using my modular lunetta to control it with a CD4050 as a level shifter to protect the chip. great fun, but even more fun when you add
the output back to the input! especially with random control of the binary input lines.
I have a recording of it somewhere so I'll look it up and post a section. And next will be some schematics incl. a keyboard and automatic control.
so stay tuned
| Description: |
| first breadboard experiments with pitch shifter. |
|
| Filesize: |
165.52 KB |
| Viewed: |
949 Time(s) |
| This image has been reduced to fit the page. Click on it to enlarge. |

|
_________________ "My perf, it's full of holes!"
http://phobos.000space.com/
SoundCloud BandCamp MixCloud Stickney Synthyards Captain Collider Twitch YouTube Last edited by PHOBoS on Sun Jan 26, 2014 8:12 pm; edited 1 time in total |
|
|
Back to top
|
|
 |
PHOBoS

Joined: Jan 14, 2010 Posts: 5881 Location: Moon Base
Audio files: 709
|
Posted: Thu Dec 19, 2013 3:05 pm Post subject:
|
 |
|
here's a schematic of the rewired OKI chip with it's original parts.
There's an opamp between pins 13 and 14, and the maximum output voltage
at pin 13 is 5V. Originally R17 was 100K which meant the maximum input
voltage was 500mV. Not bad for line levels, but because I'm using 12V for
the input section it can easily produce a 5V output signal. So I changed R17
to 10K. I also added a protection diode just in case allthough I doubt it would give any problems with the 10K input resistor.
| Description: |
| OKI M6322 Pitch Shifter module schematic |
|
| Filesize: |
56.6 KB |
| Viewed: |
2082 Time(s) |
| This image has been reduced to fit the page. Click on it to enlarge. |

|
| Description: |
| OKI M6322 Pitch Shifter Module |
|
| Filesize: |
1.42 MB |
| Viewed: |
1110 Time(s) |
| This image has been reduced to fit the page. Click on it to enlarge. |

|
_________________ "My perf, it's full of holes!"
http://phobos.000space.com/
SoundCloud BandCamp MixCloud Stickney Synthyards Captain Collider Twitch YouTube Last edited by PHOBoS on Fri Dec 20, 2013 7:53 am; edited 1 time in total |
|
|
Back to top
|
|
 |
PHOBoS

Joined: Jan 14, 2010 Posts: 5881 Location: Moon Base
Audio files: 709
|
|
|
Back to top
|
|
 |
analog_backlash

Joined: Sep 04, 2012 Posts: 393 Location: Aldershot, UK
Audio files: 21
|
Posted: Thu Dec 19, 2013 5:27 pm Post subject:
|
 |
|
Hi PHOBoS.
I assume that's the same as the MSM6322 chip. That was my only foray into the world of SMDs (quite a few years back) and I managed to fry it! It's a shame, because I wanted to try some pitch shifting at the time, but I didn't fancy spending about 8 or 9 pounds for a replacement.
I've now got a couple of Holtek HT8950 chips which I'll try out one of these days.
Gary |
|
|
Back to top
|
|
 |
PHOBoS

Joined: Jan 14, 2010 Posts: 5881 Location: Moon Base
Audio files: 709
|
Posted: Fri Dec 20, 2013 7:15 am Post subject:
|
 |
|
well, the datasheet I use is for the MSM6322 but my chip is just labeled M6322, no Idea if there is a difference. If there is it's probably
something small, at least the pinout is the same and I haven't run into any problems using the datasheet for the MSM6322.
And yeah frying it sucks I really hope that doesn't happen, so I'm trying to be very careful. Which is also a reason why I'm not going to
experiment with changing the CLK speed. It'll probably work using a LTC1799 oscillator. And I have one laying around, but there is a
chance I might fry the chip by overclocking or screw it up some other way. I'm currently working on the control part and I'm not using the
PCB with the chip during tests. As long as I have a 4bit output I know it'll work.
I'm not familiar with the Holtek HT8950 but it looks like something that's worth experimenting with.  _________________ "My perf, it's full of holes!"
http://phobos.000space.com/
SoundCloud BandCamp MixCloud Stickney Synthyards Captain Collider Twitch YouTube |
|
|
Back to top
|
|
 |
PHOBoS

Joined: Jan 14, 2010 Posts: 5881 Location: Moon Base
Audio files: 709
|
|
|
Back to top
|
|
 |
PHOBoS

Joined: Jan 14, 2010 Posts: 5881 Location: Moon Base
Audio files: 709
|
Posted: Fri Dec 20, 2013 8:46 am Post subject:
Pitch Shifter main input module |
 |
|
When I started playing around with the chip I pretty much instantly had the idea to add a PT2399 delay chip. They both have the same kind of
lo-fi sound and run of 5V and sound level wise they seem to be easy to combine. But with a delay I got a couple of options; put it before the
pitch shifter, after the pitch shifter, or in the feedback loop. I could add some switches, but I've decided to add a mixer to the input of both the
delay and the pitch shifter, and the outputs will go to a third mixer to mix it in with the source audio aswell.
I might expand it even more, with a lofi sampler made of one of those little electronic recorders, and a bitcrusher made with and ADC/DAC
combo. I could just put those in seperate boxes, maybe just make 4 boxes which can be combined in several ways.
After some more tests I noticed that with a 5V input signal it actually distorts a lot. So I connected a sinewave generator to the input and an
oscilloscope to the output, and this showed me that it starts to distort at around 2Vpp. You can also hear it as more harmonics are added to the
sound. To keep an eye on the input level I made an input module with a level meter, and it's output will be connected to the other modules.
It also has a part of the PCB dedicated for power distribution.
so here's a schematic and some pictures for the main input module.
edit: uploaded new schematic with different in/out connectors/labels. no change in components or connections.
| Description: |
| pitch shifter main input module. |
|
| Filesize: |
107.1 KB |
| Viewed: |
843 Time(s) |
| This image has been reduced to fit the page. Click on it to enlarge. |

|
| Description: |
| pitch shifter main input module. |
|
| Filesize: |
106.59 KB |
| Viewed: |
878 Time(s) |
| This image has been reduced to fit the page. Click on it to enlarge. |

|
| Description: |
| Pitch Shifter main input module |
|
| Filesize: |
61.83 KB |
| Viewed: |
1395 Time(s) |
| This image has been reduced to fit the page. Click on it to enlarge. |

|
_________________ "My perf, it's full of holes!"
http://phobos.000space.com/
SoundCloud BandCamp MixCloud Stickney Synthyards Captain Collider Twitch YouTube Last edited by PHOBoS on Sun Jan 05, 2014 4:54 am; edited 1 time in total |
|
|
Back to top
|
|
 |
PHOBoS

Joined: Jan 14, 2010 Posts: 5881 Location: Moon Base
Audio files: 709
|
Posted: Fri Dec 20, 2013 1:35 pm Post subject:
Pitch Shifter module interface board Subject description: wth input mixer, level shifters and LED display |
 |
|
The interface board that the pitch shifter module plugs into has a couple of things:
As mentioned I added an input mixer, which has 3 channels: the main input (comming from the main input module), delay input (or something else if I expand
it), and a feedback input (connected directly to the output of the pitch shifter). The 100nF capacitors on the main and delay input act as a hi-pass filter
since it distorts faster on low frequencies. The output is split 3-ways: one main output (with a low pass filter to get rid of the digital noise that's
added by the chip), one output for the delay (without a filter since the delay itself will filter the sound) and one output for the feedback loop.
I used a CD4050 as a level shifter for the binary input lines because the chip is powered by 5V but the rest of the control circuit by 12V. There are 4 leds
connected to the outputs to show the binary signal and a 5th led which is an indicator for the 5V power coming from the onboard regulator. Because of the
pulldown and pullup resistors the pitch shifter will be set at 0 (no change) when there is nothing connected to the inputs.
The 4 LED's are nice but I thought a LED display would be very useful too, so I added one . For pitches 0 to +7 it's actually pretty easy, just connect the
ABC bits to a display driver and you're done, but it's a bit more difficult for pitches -1 to -8. One way of solving such a problem is using karnaugh maps
and grouping things together but it's been a long time since I've done that, and I don't remember exactly how it worked. So instead I just made a table with
all the input combinations and what the output needed to be for the display driver. And then I stared at it for while, to see if I could figure out any
connections between the numbers that way.
| Code: |
DEC DCBA DCBA
----------------
0 0000 -> 1000
1 0001 -> 0111
2 0010 -> 0110
3 0011 -> 0101
4 0100 -> 0100
5 0101 -> 0011
6 0110 -> 0010
7 0111 -> 0001
8 1000 -> 0000
9 1001 -> 0001
10 1010 -> 0010
11 1011 -> 0011
12 1100 -> 0100
13 1101 -> 0101
14 1110 -> 0110
15 1111 -> 0111
|
- bit A doesn't change, so there was no extra logic needed for that.
- bit B gets inverted whenever A is high AND D is low. To make it easier I first inverted bit D, so I could use an AND gate which is in turn connected to an
XOR gate that inverts bit B when the output of the AND gate is high. I didn't want to add a lot of extra chips (only 1 if possible) so I made the AND gate
with 2 diodes and a pullup resistor.
- bit C gets inverted whenever A OR B is high AND D is low. I used the inverted bit D again, created an OR port for bits A and B but instead of adding an AND
gate after that I ehm,. somehow combined the two using an extra resistor.
- bit D only is high when all bits are low or in other words bit D is low whenever one bit is high. So I created an OR port for bits A,B,C,D and inverted the
output with another XOR (had one left).
This might not be the best solution but it works and I managed to only use 1 extra chip
I also needed an indicator to show if the signal is pitched up or down, my fist solution was to use the inverted D bit to drive the dot of the display to
show when it's pitched down. of course I then wanted 2 LED's, one for up one for down, but I couldn't just use the D bit for the up LED because it's also
high when there isn't any pitch change. So I used the same OR/AND combo thingy I used for bit C which surprisingly worked when driving a transitor. I think
the transistor doesn't fully close but there isn't enough current to light up the LED, maybe if you'd use a blue LED it would still light up.
| Description: |
| input mixer, level shifters and LED display for pitch shifter module. |
|
| Filesize: |
93.34 KB |
| Viewed: |
1349 Time(s) |
| This image has been reduced to fit the page. Click on it to enlarge. |

|
| Description: |
| Pitch Shifter module interface board with a voltage regulator instead of the PS module for testing. |
|
| Filesize: |
84.74 KB |
| Viewed: |
812 Time(s) |
| This image has been reduced to fit the page. Click on it to enlarge. |

|
_________________ "My perf, it's full of holes!"
http://phobos.000space.com/
SoundCloud BandCamp MixCloud Stickney Synthyards Captain Collider Twitch YouTube |
|
|
Back to top
|
|
 |
PHOBoS

Joined: Jan 14, 2010 Posts: 5881 Location: Moon Base
Audio files: 709
|
Posted: Sat Dec 21, 2013 6:30 am Post subject:
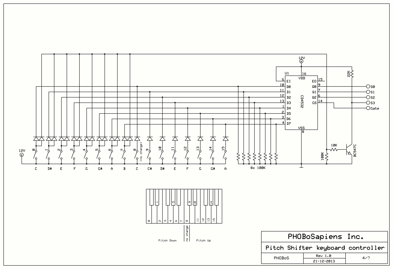
Pitch Shifter keyboard |
 |
|
A nice thing about the OKI pitch changer is that the pitch changes aren't just random, it's actually tuned and this table at the last page of the datasheet
shows how:
Seeing this gave me the idea to add a small keyboard which kinda turns it into a synth but instead of an oscillator you can use any live sound source
It's similar as what you can do with the sampler function on the CASIO SK1 but realtime. Eventhough it does have 16 (17) different pitch settings
it's not a full 12 note scale, there's actually one note missing after/before every 3 notes and the notes are spread out over 2 octaves, so I looked
in my stash of toys to see if I had anything useful and I did have one toy with a 2 octave keyboard, so I decided to use that.
To be sure I'd use the correct keys I first did some tests using the SK1 as an input source (I know that one is pretty well tuned). So I changed the pitch
on a note and then compared it to what it should sound like. When I did this I noticed that if I used a C as root note it sounded much better then when
using a G as root note. However for the 2 octave keyboard I would have to use the G as a root note else it wouldn't fit. Not that it matters a whole lot,
but I wanted to use the C. So I solved it by cutting some keys of and moving those to the end of the keyboard. Luckely the switch contacts are all evenly
spaced so I didn't have to cut the PCB itself. I did have to cut some traces and add wires because the keys were wired up in a matrix, but that was pretty
easy to do, and I only added wires to the keys that I need. I am planning on painting or marking them in some way so it's easy to see which ones have an
effect and which don't.
The next step was to convert the 16 outputs into a 4 bit binary signal. This can be done with just diodes but a priority encoder can do that too and it
also prevents getting different outputs when more keys are pressed at once. I used a CD4532 which has 8 inputs and a 3 bit output. Of course I have 16 keys
and need 4 bits but the only difference between keys 8-15 and keys 0-7 is that the 4th bit is high, the first 3 bits just repeat. So I tied the
corresponding keys together using diodes, only instead of using extra diodes on keys 8-15 to create the 4th bit I added them to keys 0-7 and inverted the
output. The reason for this is that if you don't press a key the output will be 1000 or 8 which corresponds with no pitch change on the pitch shifter.
A nice bonus of using the CD4532 is that it has an output labeled GS (group select) which is high whenever one of the inputs is high, which for this use
makes it a gate output . I've allready done some tests with an envelope generator + VCA and it seems to work very well.
| Description: |
| Pitch Coversion Table from the OKI MSM6322 datasheet. |
|
| Filesize: |
84.25 KB |
| Viewed: |
51958 Time(s) |

|
| Description: |
| Pitch Shifter keyboard controller |
|
| Filesize: |
80.65 KB |
| Viewed: |
1092 Time(s) |
| This image has been reduced to fit the page. Click on it to enlarge. |

|
| Description: |
| Pitch Shifter keyboard controller with last keys (originally the first keys) removed for the photo. |
|
| Filesize: |
95.66 KB |
| Viewed: |
844 Time(s) |
| This image has been reduced to fit the page. Click on it to enlarge. |

|
_________________ "My perf, it's full of holes!"
http://phobos.000space.com/
SoundCloud BandCamp MixCloud Stickney Synthyards Captain Collider Twitch YouTube |
|
|
Back to top
|
|
 |
PHOBoS

Joined: Jan 14, 2010 Posts: 5881 Location: Moon Base
Audio files: 709
|
Posted: Sun Dec 22, 2013 4:17 am Post subject:
Pitch Shifter key hold and auto cycler Subject description: with sweep, cycle and bounce mode |
 |
|
The next thing I added was a memory function for the keyboard. If I release a key it returns to 8 (no pitch change) but I also want to be able to press a
key and keep the pitch changed untill I press another key. The easiest way to this is with some D-type flip-flops but I didn't have the right chips. So
I thought about what other options I had and somewhere along the process I wondered if i could use a CD4029 counter chip. The CD4029 has 4 jam inputs
(4bit) and a preset enable pin. As long as this pin is high the data on the inputs appears on the outputs. And if there is no CLK to cycle the outputs
then they will stay the same after the preset enable pin goes low. So all that's needed is to make this pin high when a key is pressed and low when no
keys are pressed. Well I allready have the gate output on the keyboard which does just that
Using the jam inputs worked as they appeared on the output whenever a key was pressed but it still returned to 8 when no key was pressed. So apparently
there was still enough time for the CD4029 to read the change on the jam inputs before the gate made the preset enable pin low. The solution was to convert
the gate output into a trigger pulse (shorter then a keypress) so the preset enable pin is always low before the gate goes low. I'd also noticed some
glitching and sometimes it actually changed to the wrong pitch. I'm not sure if this is caused by the priority encoder but I solved it by adding a delay
to the trigger pulse.
So, using a CD4029 as a quad D-type flip-flop works, but it is of course a counter chip so I got an extra bonus feature
Add a CLK and it cycles up or down and the keyboard still works to force it to a different pitch, of course it will continue cycling even when a key is
held down. But there is more While looking in the datasheet for the pin layout I noticed the following:
| Quote: | The carry out signal is normally at logical `1' state and goes to logical `0' state when the counter reaches its maximum count in the `up' mode or
the minimum count in the `down' mode provided the carry input is at logical `0' state. |
This gave me 2 ideas: stop the counter at it's min or max state for pitch sweeps, or combine it with the direction input to bounce between up and down.
To stop the counter there are two options; either make the preset enable pin high, but then it reads the keyboard (hmm now that I think about it this
might be a useful setting), so that leaves the other option which is disabling the CLK input somehow. An AND gate would do the trick but I didn't want to
add another chip and although I could use the other 2 NAND gates I knew I probably needed those for the bounce mode. An AND gate can also be made with
2 diodes and a pullup resistor but I inverted the carry out instead and used an OR gate. It works great in combination with the keyboard, it sweeps
up or down from the key you press to the min or max position and then stops.
For the bounce mode the direction pin has to be toggled everytime the counter reaches it's min or max state. This can be done by adding a flip-flop or
divider to the carry out so it will toggle states everytime that pin goes low. I had 2 NAND gates left so I tried to make something with those but that
only resulted in an S/R flip flop which I couldn't get to work with the carry out. So I searched the web for some circuits that toggle an output with a
single pushbutton using NANDs or inverters and found a (dutch) site with a bunch of them, the one I used is this one:
Of course I have a digital signal instead of a switch, so I used a transistor instead. But I also added a pushbutton for manual control, which i think
works much nicer than a toggle switch. And I also added an input for a remote direction change which is great in sweep mode. Because there is a (10K)
series resistor at the output of the toggle circuit, a high or low signal at the direction input can still override it. The 220K pulldown/pullup resistors
at the jam inputs are used to set the output to 8 (no pitch change) when nothing is connected.
I think this could actually make a nice lunetta module or small noisemaker if you use the NAND gates that I used for the gate2pulse + delay to make two
oscillators instead. One for the CLK input and the other one to control the (change) DIR input.
| Description: |
| Pitch Shifter key hold and auto cycler |
|
| Filesize: |
73.2 KB |
| Viewed: |
986 Time(s) |
| This image has been reduced to fit the page. Click on it to enlarge. |

|
_________________ "My perf, it's full of holes!"
http://phobos.000space.com/
SoundCloud BandCamp MixCloud Stickney Synthyards Captain Collider Twitch YouTube |
|
|
Back to top
|
|
 |
PHOBoS

Joined: Jan 14, 2010 Posts: 5881 Location: Moon Base
Audio files: 709
|
Posted: Sat Jan 04, 2014 8:57 am Post subject:
Pitch Shiter LFSR + 2x4 priority Switch |
 |
|
some more digital circuitry
Besides a keyboard (with auto cycle) I also want a random mode. So I used a Linear Feedback Shift Register (LFSR) which I have used before in
several devices. I didn't actually know it was called an LFSR up untill now and looked a bit more into it. I found a couple of tap lists and did some
experiments to see if I could make a LFSR with adjustable steplength. I did get something working with the option for 7, 15, 31, 63, 127, 255
steps, but it has 4 control pins (for only 6 modes) and uses 4 chips and sometimes it seemed to get locked. So I ditched that idea and used what I
have used before.
I want to be able to use the LFSR together with the autocyler and use the keyboard aswell, so I had to figure out a way to do this. An easy way
would be to use a mechanical 2x4 switch to select either one of them but it would be more fun to use them both at the same time with the keyboard
overriding the LFSR. So I made a digital 2x4 switch using AND gates and made it so that when the gate of the keyboard goes high it turns the
outputs of the LFSR "off" (low).
I also needed to combine the gate outputs somehow for the key hold mode of the autocycler. A simple OR gate (using diodes) doesn't work
when a key is pressed and the gate output of the LFSR happens to be high. I tried several setups and ended up with simply adding a second
input to the autocycler (updated schematic at the bottom).
And the last thing that I had to add was a way to keep the 'D' output high when no key is pressed and the LFSR is disabled or at least it's gate out is
low. There's allready a pullup resistor on the autocyler 'D' input so I added a transistor that can pull it low. The transistor itself is switched by
both the gate outputs (keyboard/LFSR) so now when both of those are low the collector of the transistor floats (open collector) and the 'D' input of
the autocyler is made high by the pullup resistor.
| Description: |
| Pitch Shifter LFSR + 2x4 priority switch |
|
| Filesize: |
87.73 KB |
| Viewed: |
822 Time(s) |
| This image has been reduced to fit the page. Click on it to enlarge. |

|
| Description: |
| updated Pitch Shifter key hold and autocycler schematic |
|
| Filesize: |
71.08 KB |
| Viewed: |
810 Time(s) |
| This image has been reduced to fit the page. Click on it to enlarge. |

|
_________________ "My perf, it's full of holes!"
http://phobos.000space.com/
SoundCloud BandCamp MixCloud Stickney Synthyards Captain Collider Twitch YouTube |
|
|
Back to top
|
|
 |
JovianPyx

Joined: Nov 20, 2007 Posts: 1988 Location: West Red Spot, Jupiter
Audio files: 224
|
Posted: Sat Jan 04, 2014 9:16 am Post subject:
|
 |
|
In case anyone might be interested, this is the best list of taps for LFSR systems that I've found:
http://www.xilinx.com/support/documentation/application_notes/xapp052.pdf
The PDF is about LFSR applications in general and also supplies a list of tap configurations for maximal LFSRs up to a length of 168.
Note that the longer the shift register, the higher the quality of noise (assuming you use the LFSR to generate noise). _________________ FPGA, dsPIC and Fatman Synth Stuff
Time flies like a banana. Fruit flies when you're having fun. BTW, Do these genes make my ass look fat? corruptio optimi pessima
|
|
|
Back to top
|
|
 |
PHOBoS

Joined: Jan 14, 2010 Posts: 5881 Location: Moon Base
Audio files: 709
|
|
|
Back to top
|
|
 |
PHOBoS

Joined: Jan 14, 2010 Posts: 5881 Location: Moon Base
Audio files: 709
|
|
|
Back to top
|
|
 |
PHOBoS

Joined: Jan 14, 2010 Posts: 5881 Location: Moon Base
Audio files: 709
|
Posted: Wed Jan 08, 2014 10:48 am Post subject:
Pitch Shifter output mixer and delay |
 |
|
I made the output mixer, which is almost the same as the input module, but I have to reduce the gain on the level meter, right now it's a bit too sensitive.
I also put together a PT2399 delay which is pretty much the same as I used in the Moon Base Xplorer. I don't have a dedicated CV source for it yet, so I
might need to change some resistors on that part later, but it's working The slidepots I'm using are 10K so that doesn't give me very large range for
the delay time, allthough I could use it to create a control voltage instead which would give me a much wider range.
edit: I added a CV mixer to the input of the delay to get a larger range with the 10K slidepot. And I added a glide control to it aswell.
It also inverts, so now a higher voltage means a shorter delay time, which makes more sense to me.
| Description: |
| Pitch Shifter output mixer with level meter. |
|
| Filesize: |
60.18 KB |
| Viewed: |
818 Time(s) |
| This image has been reduced to fit the page. Click on it to enlarge. |

|
| Description: |
some sunrays illuminating the breadboard. (also visible a slightly melted key, :| ) |
|
| Filesize: |
93.29 KB |
| Viewed: |
625 Time(s) |
| This image has been reduced to fit the page. Click on it to enlarge. |

|
| Description: |
| Pitch Shifter in it's current (temporary) state. |
|
| Filesize: |
243 KB |
| Viewed: |
674 Time(s) |
| This image has been reduced to fit the page. Click on it to enlarge. |

|
| Description: |
| Pitch Shifter PT2399 delay. |
|
| Filesize: |
68.63 KB |
| Viewed: |
852 Time(s) |
| This image has been reduced to fit the page. Click on it to enlarge. |

|
_________________ "My perf, it's full of holes!"
http://phobos.000space.com/
SoundCloud BandCamp MixCloud Stickney Synthyards Captain Collider Twitch YouTube |
|
|
Back to top
|
|
 |
PHOBoS

Joined: Jan 14, 2010 Posts: 5881 Location: Moon Base
Audio files: 709
|
Posted: Thu Jan 16, 2014 3:39 pm Post subject:
|
 |
|
Some additional circuitry. 2 simple squarewave oscillators to control the LFSR and autocycler, a buffer/pulse lengthener for the audiotrigger tapped from
the second LED of the input level meter and a buffer for the direction change control of the autocycler. I had to add this because it didn't seem to work
well with the diode on the input just floating and adding an extra buffer so it's pulled low without an input fixed this. I also added a pulldown resistor to the
base of the transistor so that one doesn't float either. That will be all the electronics for this project, so now I'm working on the case.
I posted some more experiments here and here.
| Description: |
| oscillators for LFSR & autocycler and buffers for audiotrigger & direction change. |
|
| Filesize: |
45.12 KB |
| Viewed: |
886 Time(s) |
| This image has been reduced to fit the page. Click on it to enlarge. |

|
| Description: |
| updated shematic for key hold and autocycler |
|
| Filesize: |
71.67 KB |
| Viewed: |
809 Time(s) |
| This image has been reduced to fit the page. Click on it to enlarge. |

|
| Description: |
|
| Filesize: |
68.38 KB |
| Viewed: |
637 Time(s) |
| This image has been reduced to fit the page. Click on it to enlarge. |

|
_________________ "My perf, it's full of holes!"
http://phobos.000space.com/
SoundCloud BandCamp MixCloud Stickney Synthyards Captain Collider Twitch YouTube |
|
|
Back to top
|
|
 |
PHOBoS

Joined: Jan 14, 2010 Posts: 5881 Location: Moon Base
Audio files: 709
|
Posted: Sun Jan 26, 2014 1:41 pm Post subject:
|
 |
|
I finished it. I added some switches to use external data for the pitch shifter aswell (or to turn bits on/off). Some rotary switches to select different inputs
for CLK and direction of autocycler and LFSR. and I added extra outputs with level control to the input module, pitch shifter and delay. the rotary switches
and glide pot have a 4 mm shaft and I could only get knobs for 6/6.3mm. So I thought about what I might have to make it fit. I settled on banana busses
which have an inner diameter of 4 mm, and the ones I have have an outside diameter of 6mm . Sso I cut those in half and glued (superglue) them on
to the shafts.
| Description: |
|
| Filesize: |
112.08 KB |
| Viewed: |
808 Time(s) |
| This image has been reduced to fit the page. Click on it to enlarge. |

|
| Description: |
|
| Filesize: |
77.7 KB |
| Viewed: |
648 Time(s) |
| This image has been reduced to fit the page. Click on it to enlarge. |

|
| Description: |
|
| Filesize: |
104.39 KB |
| Viewed: |
699 Time(s) |
| This image has been reduced to fit the page. Click on it to enlarge. |

|
| Description: |
|
| Filesize: |
109.72 KB |
| Viewed: |
727 Time(s) |
| This image has been reduced to fit the page. Click on it to enlarge. |

|
_________________ "My perf, it's full of holes!"
http://phobos.000space.com/
SoundCloud BandCamp MixCloud Stickney Synthyards Captain Collider Twitch YouTube |
|
|
Back to top
|
|
 |
DUBmatze

Joined: Feb 18, 2013 Posts: 150 Location: south Germaica (schwabilon)
|
Posted: Sun Jan 26, 2014 1:52 pm Post subject:
|
 |
|
| MAAAAAAAAAAAD. YOU NEED YOUR OWN Subforum here! |
|
|
Back to top
|
|
 |
RingMad

Joined: Jan 15, 2011 Posts: 429 Location: Montreal, Canada
Audio files: 4
|
Posted: Mon Jan 27, 2014 12:47 pm Post subject:
|
 |
|
| DUBmatze wrote: | | YOU NEED YOUR OWN Subforum here! |
Sounds like a good idea!
Oh, and this build is completely crazy.
James. |
|
|
Back to top
|
|
 |
PHOBoS

Joined: Jan 14, 2010 Posts: 5881 Location: Moon Base
Audio files: 709
|
|
|
Back to top
|
|
 |
blue hell
Site Admin

Joined: Apr 03, 2004 Posts: 24500 Location: The Netherlands, Enschede
Audio files: 298
G2 patch files: 320
|
Posted: Wed Jan 29, 2014 4:08 pm Post subject:
|
 |
|
Right ... will need to half to salaries again I guess  _________________ Jan
also .. could someone please turn down the thermostat a bit.
 |
|
|
Back to top
|
|
 |
Bogus Noise
Joined: Jun 03, 2009 Posts: 65 Location: Sheffield
|
|
|
Back to top
|
|
 |
noto

Joined: Nov 05, 2009 Posts: 24 Location: portland
|
Posted: Mon Feb 03, 2014 1:04 pm Post subject:
|
 |
|
GREAT FIND! looks like the m6322 is available on ebay. i wish i had known about this chip sooner. i just bought a bunch of ht8950's. they sound awful, but that's ok for now. would love to get my hands on one of those.
i have been using the adc0804 to shift through the 7 pitches of the ht8950. would be nice to have 16 pitches instead. kind of seems like a waste of an adc0804 now...
GREAT BUILD!!! |
|
|
Back to top
|
|
 |
|