| Author |
Message |
PHOBoS

Joined: Jan 14, 2010 Posts: 5980 Location: Moon Base
Audio files: 709
|
Posted: Tue Apr 15, 2014 6:01 pm Post subject:
Solar charged rock mics Subject description: might not be what you think,. |
 |
|
For a couple of years I used a binaural mic made from a polystyrene head and some electret mics, attached to a battery powered preamp. I had a
couple of problems with it, sometimes I got a loud humming which miraculously dissapeared after prying out the mics and putting them back
in the head (which caused some damage to it), and there was always some low humming that I needed to filter out. I got a lot of distortion
when it was windy and blowing straight into the mics, setting up was sometimes a bit of a hassle and I had to replace batteries all the time.
The last time I tried to use it, it didn't work at all, probably because I left it outside too long.
So for some time I had been thinking of making some new mics that are solar powered/charged which I can leave outside. So when I need them I
just plug the cable in (inside) and I'm ready to go. We had some nice sunny weather a few weeks back and I used it to fix some of my solar
powered LED lights, checking which worked, replacing some batteries etc. I also have some lights in the shape of a rock and while I was looking at
them I got the idea of using those for the microphones.
The LED's are placed inside of a reflector so I removed the LEDs and glued in some electret mics instead. I then cut some pieces of foam to act
as a windscreen and covered them with a piece of nylon stocking, tied together at the back with a cabletie. This should protect the mics against
dirt and to some degree rain.
I also needed a preamp but only have a low voltage to work with. The rock lights have a battery compartment for two penlight batteries wired in
parallel, and one of the batteries was actually a fake one (looks like a battery but is completely empty inside ). The original solar panels only
gave a very low voltage (I think it was just a bit over 1.5V) so I replaced those with some slightly larger ones that have a max voltage of 4.5V and
current of 50mA in full sunlight. I cut one of the battery contacts in half so I can use 2 rechargeable penlights in series. so that'll give me about 2.4V.
I then searched the web for a simple low voltage transistor preamp and found this schematic here
note: I added an extra resistor to power the electret mics
I tested it on breadboard and it worked quite well, so I build two of them on perfboard and hotglued them on top of the battery compartments.
I drilled a small hole in each rock for the audiocables, which are soldered directly to the PCB, and used 3mm neoprene LED supports to make it
waterproof.
| Description: |
| reflector with mic glued in, piece of foam and nylon stocking. |
|
| Filesize: |
56.89 KB |
| Viewed: |
1010 Time(s) |
| This image has been reduced to fit the page. Click on it to enlarge. |

|
| Description: |
| parts of the mic put together |
|
| Filesize: |
65.23 KB |
| Viewed: |
979 Time(s) |
| This image has been reduced to fit the page. Click on it to enlarge. |

|
| Description: |
|
| Filesize: |
48.22 KB |
| Viewed: |
963 Time(s) |
| This image has been reduced to fit the page. Click on it to enlarge. |

|
| Description: |
|
| Filesize: |
96.32 KB |
| Viewed: |
964 Time(s) |
| This image has been reduced to fit the page. Click on it to enlarge. |

|
_________________ "My perf, it's full of holes!"
http://phobos.000space.com/
SoundCloud BandCamp MixCloud Stickney Synthyards Captain Collider Twitch YouTube |
|
|
Back to top
|
|
 |
PHOBoS

Joined: Jan 14, 2010 Posts: 5980 Location: Moon Base
Audio files: 709
|
|
|
Back to top
|
|
 |
PHOBoS

Joined: Jan 14, 2010 Posts: 5980 Location: Moon Base
Audio files: 709
|
Posted: Tue Apr 15, 2014 6:40 pm Post subject:
|
 |
|
after some testing one of the mics all of a sudden started to hum which I managed to get rid of by grounding the reflector the mic is glued to.
(I glued a cable to it with aluminium tape) Not sure what exactly caused that but it's gone now. And then the other mic started doing the same thing which
I fixed in the same manner. I also noticed that one mic has a louder ouput signal (maybe the batteries have a higher voltage ?!) and it also produces a
very low subsound, much lower from the previous ground hum. So I have to check that but because it so low it's very easy to filter out (I'm more
concerned about power consumption, but so far it seems to work fine).
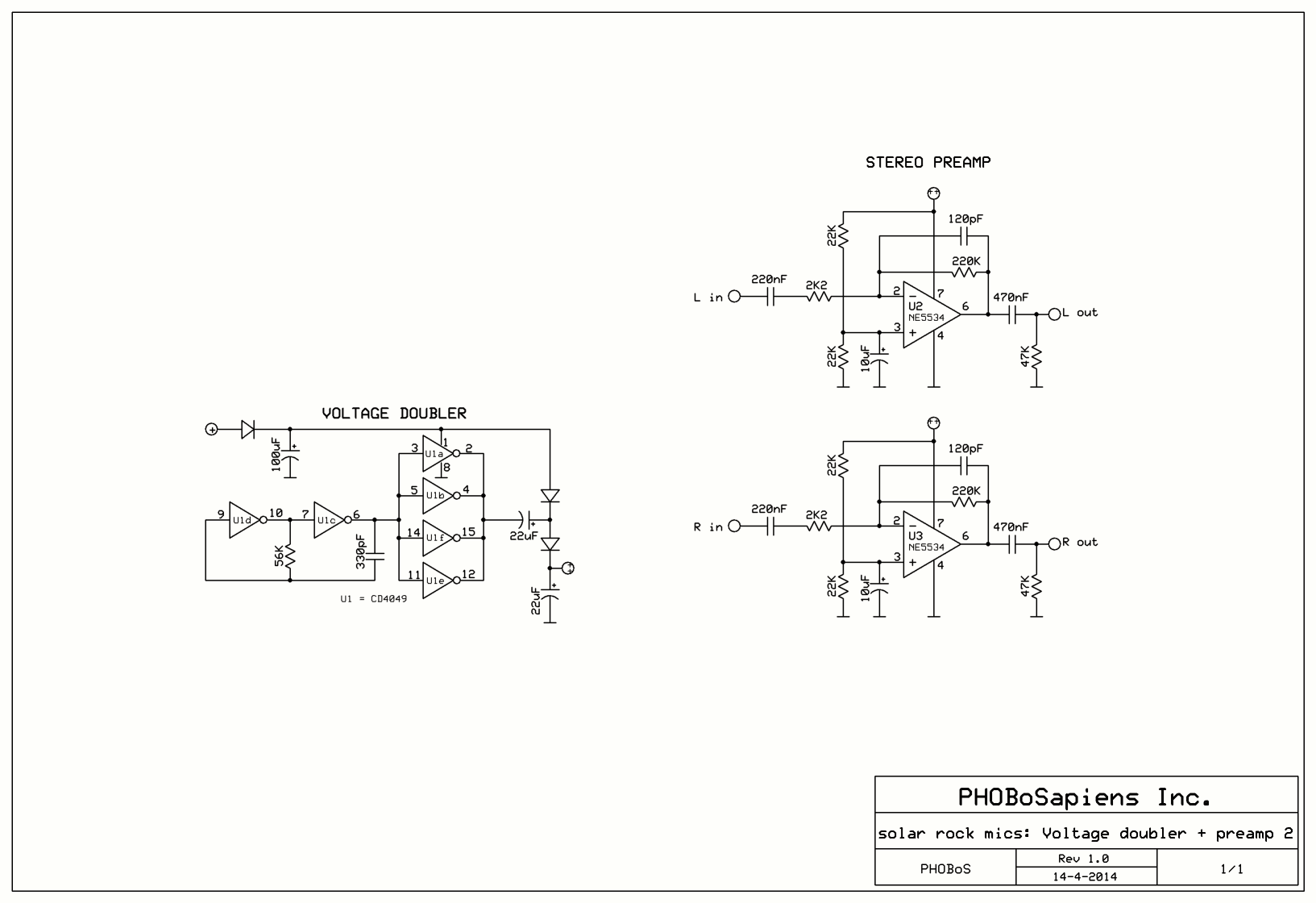
I already made an extra preamp with some low noise NE5534 opamps so I don't have to add so much extra gain on my mixer and it also filters the
subsound out and some of the high frequency noise. I will post a schematic of that later but I want to put it in a box first. _________________ "My perf, it's full of holes!"
http://phobos.000space.com/
SoundCloud BandCamp MixCloud Stickney Synthyards Captain Collider Twitch YouTube |
|
|
Back to top
|
|
 |
PHOBoS

Joined: Jan 14, 2010 Posts: 5980 Location: Moon Base
Audio files: 709
|
|
|
Back to top
|
|
 |
DES

Joined: Feb 28, 2003 Posts: 796 Location: New Jersey
Audio files: 8
|
Posted: Tue Apr 15, 2014 7:33 pm Post subject:
Re: Solar charged rock mics Subject description: might not be what you think,. |
 |
|
Heh heh -rock lobster
I've got a set of glasses that have a clip on each side for a small electric condenser mic. The glasses were the black heavy 'nerdy' kind like Elvis Costello used to wear. I should dig those out and see if they work.
Nice work Phobos! _________________ Dave
www.davesneed.com |
|
|
Back to top
|
|
 |
PHOBoS

Joined: Jan 14, 2010 Posts: 5980 Location: Moon Base
Audio files: 709
|
|
|
Back to top
|
|
 |
PHOBoS

Joined: Jan 14, 2010 Posts: 5980 Location: Moon Base
Audio files: 709
|
Posted: Sun May 25, 2014 12:13 pm Post subject:
|
 |
|
| PHOBoS wrote: | I also noticed that one mic has a louder ouput signal (maybe the batteries have a higher voltage ?!) and it also produces a
very low subsound, much lower from the previous ground hum. So I have to check that but because it so low it's very easy to filter out (I'm more
concerned about power consumption, but so far it seems to work fine) |
I tried to figure out what the problem was. My first idea was that it might be caused by difference in hfe of the used transistors. (can be twice as
high for the BC549C). Although from what I understand of the schematic the feedback resistor should take care of that to some degree. So I
desoldered the transistors and measured the hfe of those (and the rest of the BC549C's I coud find) and taped them to a piece of paper with the
value written on the tape. The closest values I found were 691-693 and 685-688.
so for one mic I used hfe T1 = 685, hfe T2 = 691
and for the other one hfe T1 = 688, hfe T2 = 693
That didn't really help, although I got the idea that now the other one was louder but that must have been a mistake. So I started measuring
voltages; supply voltage was roughly the same for both, but then I measured the voltages over the electret mics, and I got 1.5V for on mic
(the loud one) and almost nothing for the other one. Turned out that I used a 47K resistor instead of a 4.7K to power the electret mic
I replaced it and the levels are a lot more equal now . _________________ "My perf, it's full of holes!"
http://phobos.000space.com/
SoundCloud BandCamp MixCloud Stickney Synthyards Captain Collider Twitch YouTube |
|
|
Back to top
|
|
 |
DES

Joined: Feb 28, 2003 Posts: 796 Location: New Jersey
Audio files: 8
|
Posted: Sat May 31, 2014 8:36 am Post subject:
|
 |
|
Good detective work!
 _________________ Dave
www.davesneed.com |
|
|
Back to top
|
|
 |
PHOBoS

Joined: Jan 14, 2010 Posts: 5980 Location: Moon Base
Audio files: 709
|
|
|
Back to top
|
|
 |
|