electro-music.com   Dedicated to experimental electro-acoustic
and electronic music
 
    Front Page  |  Radio
 |  Media  |  Forum  |  Wiki  |  Links
Forum with support of Syndicator RSS
 FAQFAQ   CalendarCalendar   SearchSearch   MemberlistMemberlist   UsergroupsUsergroups   LinksLinks
 RegisterRegister   ProfileProfile   Log in to check your private messagesLog in to check your private messages   Log inLog in  Chat RoomChat Room 
go to the radio page Live at electro-music.com radio 1 Please visit the chat
poster
 Forum index » DIY Hardware and Software » Lunettas - circuits inspired by Stanley Lunetta
latching logic puzzle
Post new topic   Reply to topic Moderators: mosc
Page 1 of 2 [36 Posts]
View unread posts
View new posts in the last week
Mark the topic unread :: View previous topic :: View next topic
Goto page: 1, 2 Next
Author Message
mike page



Joined: Sep 26, 2016
Posts: 134
Location: norwich, uk

PostPosted: Wed Apr 04, 2018 4:19 am    Post subject: latching logic puzzle Reply with quote  Mark this post and the followings unread

Hi,

I need a 2 input, 1 output gate that does the following:

Output is low unless both inputs are high (like '&')
but stays high until BOTH inputs go low.

Some sort of flip flop or latch thing I recon but I havent as yet come across one that does the job.

Thanks!

(I feel like im constantly writing little questions here to try and solve my lunetta problems, feel free to politely ask me not to if it is annoying!)

Last edited by mike page on Fri Apr 06, 2018 12:19 am; edited 2 times in total
Back to top
View user's profile Send private message
blue hell
Site Admin


Joined: Apr 03, 2004
Posts: 24587
Location: The Netherlands, Enschede
Audio files: 309
G2 patch files: 320

PostPosted: Wed Apr 04, 2018 6:01 am    Post subject: Reply with quote  Mark this post and the followings unread

It can probably be done simpler ... but when you'd use an SR flipflop you could SET it with the AND of the two inputs and RESET it with the NOR of those same inputs.

And, let me kindly ask you to please keep asking questions :-)

_________________
Jan
also .. could someone please turn down the thermostat a bit.
Posted Image, might have been reduced in size. Click Image to view fullscreen.
Back to top
View user's profile Send private message Visit poster's website
Steveg



Joined: Apr 23, 2015
Posts: 184
Location: Perth, Australia

PostPosted: Wed Apr 04, 2018 6:06 am    Post subject: Reply with quote  Mark this post and the followings unread

You need an RS flip-flop. Connect an AND gate to the Set input. Connect a NOR gate to the Reset input.

Blue Hell is obviously a faster typist than me Smile
Back to top
View user's profile Send private message
mike page



Joined: Sep 26, 2016
Posts: 134
Location: norwich, uk

PostPosted: Wed Apr 04, 2018 6:17 am    Post subject: Reply with quote  Mark this post and the followings unread

Thanks for the replies!

So there is no 1 IC that does this?
If it takes more than 1 I recon I will rethink what I am trying to do...

Glad my constant questions are acceptable!
Back to top
View user's profile Send private message
PHOBoS



Joined: Jan 14, 2010
Posts: 5907
Location: Moon Base
Audio files: 709

PostPosted: Wed Apr 04, 2018 6:26 am    Post subject: Reply with quote  Mark this post and the followings unread

I might have an idea, not sure yet if it will work but I'll be back.
_________________
"My perf, it's full of holes!"
http://phobos.000space.com/
SoundCloud BandCamp MixCloud Stickney Synthyards Captain Collider Twitch YouTube
Back to top
View user's profile Send private message Visit poster's website AIM Address Yahoo Messenger MSN Messenger
PHOBoS



Joined: Jan 14, 2010
Posts: 5907
Location: Moon Base
Audio files: 709

PostPosted: Wed Apr 04, 2018 6:48 am    Post subject: Reply with quote  Mark this post and the followings unread

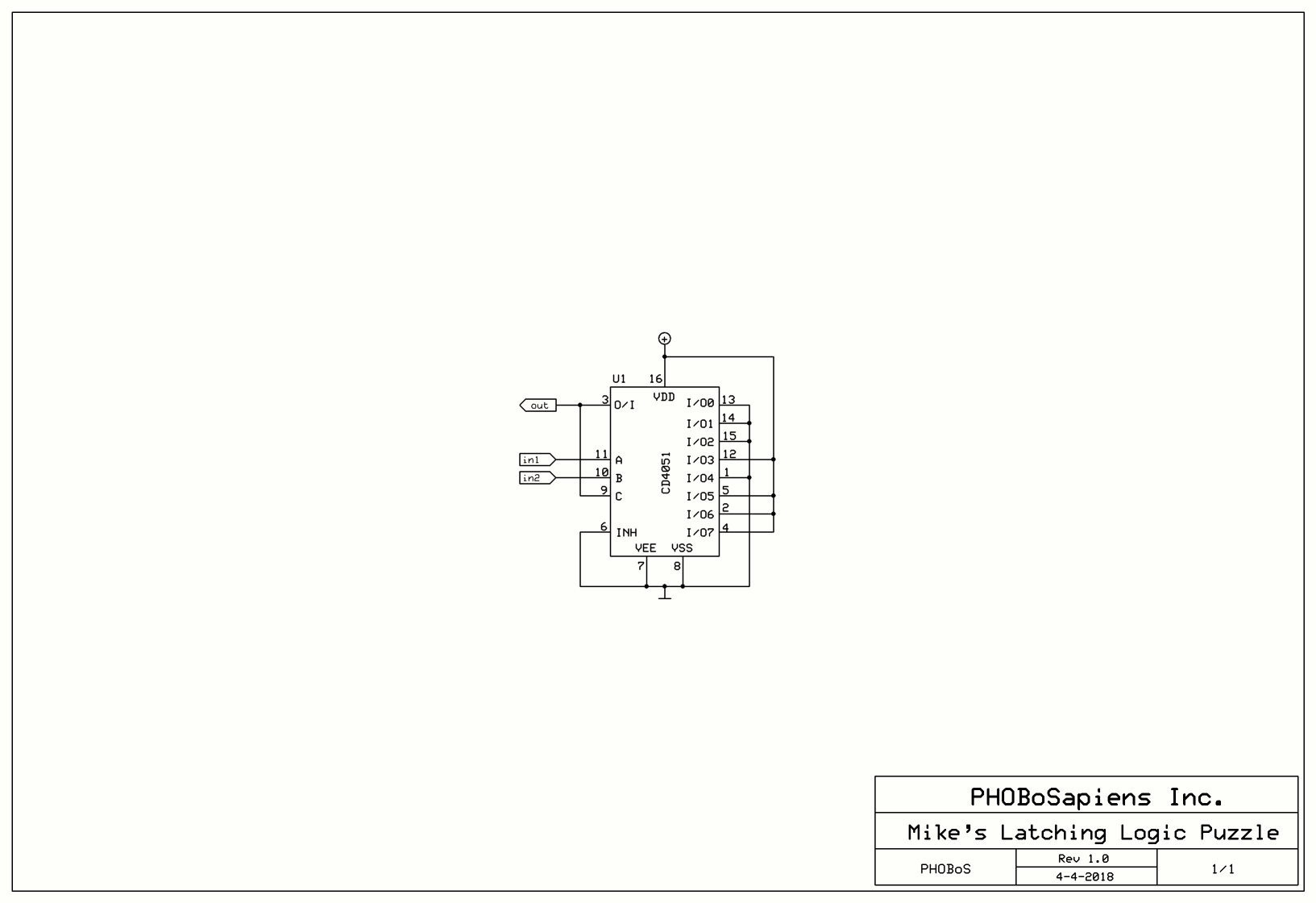
I haven't tested it but this might work Cool


Mike's Latching Logic Puzzle.gif
 Description:
two bits enter, one bit leaves
 Filesize:  26.97 KB
 Viewed:  454 Time(s)
This image has been reduced to fit the page. Click on it to enlarge.

Mike's Latching Logic Puzzle.gif



_________________
"My perf, it's full of holes!"
http://phobos.000space.com/
SoundCloud BandCamp MixCloud Stickney Synthyards Captain Collider Twitch YouTube
Back to top
View user's profile Send private message Visit poster's website AIM Address Yahoo Messenger MSN Messenger
mike page



Joined: Sep 26, 2016
Posts: 134
Location: norwich, uk

PostPosted: Wed Apr 04, 2018 7:17 am    Post subject: Reply with quote  Mark this post and the followings unread

That is an elegant little solution!! Love it!
will it send a second pulse as input c gets triggered?
maybe a cap and resistor on the output could solve this if its an issue.

Thanks!!
Back to top
View user's profile Send private message
PHOBoS



Joined: Jan 14, 2010
Posts: 5907
Location: Moon Base
Audio files: 709

PostPosted: Wed Apr 04, 2018 7:34 am    Post subject: Reply with quote  Mark this post and the followings unread

I don't think so but it might. So you'll just have to test it.
_________________
"My perf, it's full of holes!"
http://phobos.000space.com/
SoundCloud BandCamp MixCloud Stickney Synthyards Captain Collider Twitch YouTube
Back to top
View user's profile Send private message Visit poster's website AIM Address Yahoo Messenger MSN Messenger
piedwagtail



Joined: Apr 15, 2006
Posts: 297
Location: shoreditch
Audio files: 3

PostPosted: Wed Apr 04, 2018 12:56 pm    Post subject: Reply with quote  Mark this post and the followings unread

Congratulations Moonbase! It works...



R

Last edited by piedwagtail on Wed Jul 25, 2018 6:18 am; edited 2 times in total
Back to top
View user's profile Send private message Visit poster's website
PHOBoS



Joined: Jan 14, 2010
Posts: 5907
Location: Moon Base
Audio files: 709

PostPosted: Wed Apr 04, 2018 1:49 pm    Post subject: Reply with quote  Mark this post and the followings unread

Very Happy awesome (took me a minute to figure out I should not be looking at the flashing red and green lights).
btw. nice modules!

Might be useful in the future and I think there are some variations possible where it works with inverted inputs.
so, what do we call this latch ?

_________________
"My perf, it's full of holes!"
http://phobos.000space.com/
SoundCloud BandCamp MixCloud Stickney Synthyards Captain Collider Twitch YouTube
Back to top
View user's profile Send private message Visit poster's website AIM Address Yahoo Messenger MSN Messenger
PHOBoS



Joined: Jan 14, 2010
Posts: 5907
Location: Moon Base
Audio files: 709

PostPosted: Wed Apr 04, 2018 2:17 pm    Post subject: Reply with quote  Mark this post and the followings unread

I think this could work too, but it might do something weird Cool
(could be done with a CD4051 too of course and with more options)

actually, since it is an analog mux it probably doesn't work or maybe with it a cap.


Mike's Latching Logic Puzzle V2.gif
 Description:
That's Logic!
 Filesize:  29.49 KB
 Viewed:  362 Time(s)
This image has been reduced to fit the page. Click on it to enlarge.

Mike's Latching Logic Puzzle V2.gif



_________________
"My perf, it's full of holes!"
http://phobos.000space.com/
SoundCloud BandCamp MixCloud Stickney Synthyards Captain Collider Twitch YouTube
Back to top
View user's profile Send private message Visit poster's website AIM Address Yahoo Messenger MSN Messenger
mike page



Joined: Sep 26, 2016
Posts: 134
Location: norwich, uk

PostPosted: Wed Apr 04, 2018 2:25 pm    Post subject: Reply with quote  Mark this post and the followings unread

I was wondering if it was possible with a 4052!

Now ive got some spare switching routes left over. Im going to be running it at audio rate so not sure how i'll utilise them, but by god i will.
Back to top
View user's profile Send private message
PHOBoS



Joined: Jan 14, 2010
Posts: 5907
Location: Moon Base
Audio files: 709

PostPosted: Wed Apr 04, 2018 2:46 pm    Post subject: Reply with quote  Mark this post and the followings unread

The more I think about it the more sure I am that the 4052 version won't work, but maybe it could be useful in some way.
_________________
"My perf, it's full of holes!"
http://phobos.000space.com/
SoundCloud BandCamp MixCloud Stickney Synthyards Captain Collider Twitch YouTube
Back to top
View user's profile Send private message Visit poster's website AIM Address Yahoo Messenger MSN Messenger
mike page



Joined: Sep 26, 2016
Posts: 134
Location: norwich, uk

PostPosted: Thu Apr 05, 2018 12:31 am    Post subject: Reply with quote  Mark this post and the followings unread

Ah I see, cos the 'out' will immediately go low when either 'in' goes low?

Tiny capacitor then resistor on output to hold it high just for as long as it takes to switch?

not a great solution as that adds a funny time constant which might be tricky to get right at audio rate...

(BTW 'chuck a capacitor at it' is my solution to everything)
Back to top
View user's profile Send private message
PHOBoS



Joined: Jan 14, 2010
Posts: 5907
Location: Moon Base
Audio files: 709

PostPosted: Thu Apr 05, 2018 2:29 am    Post subject: Reply with quote  Mark this post and the followings unread

yes, when one of the inputs goes low it is the equivalent of a piece of wire attached to itself. A small capacitor could work
but it wil be discharged by whatever you attach the output too so it needs to be big enough but also small enough to handle
the frequency. I think the 4051 is just a better options and because both halves of the 4052 share the control inputs
it's probably not that useful anyway.

('chucking a capacitor at it' has sometimes worked as a solution to things for me too Wink)

_________________
"My perf, it's full of holes!"
http://phobos.000space.com/
SoundCloud BandCamp MixCloud Stickney Synthyards Captain Collider Twitch YouTube

Last edited by PHOBoS on Sun Apr 08, 2018 4:53 am; edited 1 time in total
Back to top
View user's profile Send private message Visit poster's website AIM Address Yahoo Messenger MSN Messenger
mike page



Joined: Sep 26, 2016
Posts: 134
Location: norwich, uk

PostPosted: Thu Apr 05, 2018 3:27 am    Post subject: Reply with quote  Mark this post and the followings unread

PHOBoS wrote:
I think the 4051 is just a better options and because both halves of the 4052 share the control inputs
it's probably not that useful anyway.

exactly. I was thinking I could probably use it to get a sort of inverted output, but I dont have a use for that in the thing im designing so the 4051 is probably the way to go. Cheerzz
Back to top
View user's profile Send private message
PHOBoS



Joined: Jan 14, 2010
Posts: 5907
Location: Moon Base
Audio files: 709

PostPosted: Thu Apr 05, 2018 4:03 pm    Post subject: Reply with quote  Mark this post and the followings unread

I drew up the variations as well.


Mike's Latching Logic Puzzle - variations.gif
 Description:
 Filesize:  122.24 KB
 Viewed:  243 Time(s)
This image has been reduced to fit the page. Click on it to enlarge.

Mike's Latching Logic Puzzle - variations.gif



_________________
"My perf, it's full of holes!"
http://phobos.000space.com/
SoundCloud BandCamp MixCloud Stickney Synthyards Captain Collider Twitch YouTube
Back to top
View user's profile Send private message Visit poster's website AIM Address Yahoo Messenger MSN Messenger
mike page



Joined: Sep 26, 2016
Posts: 134
Location: norwich, uk

PostPosted: Thu Apr 05, 2018 11:02 pm    Post subject: Reply with quote  Mark this post and the followings unread

ha nice! now you need to do all the permutations for a 4067 based latch Twisted Evil
Back to top
View user's profile Send private message
PHOBoS



Joined: Jan 14, 2010
Posts: 5907
Location: Moon Base
Audio files: 709

PostPosted: Fri Apr 06, 2018 4:34 pm    Post subject: Reply with quote  Mark this post and the followings unread

Laughing

Does make me wonder, you could combine any 2 of the above variations but also do something else like choose between
latching and non latching states.

_________________
"My perf, it's full of holes!"
http://phobos.000space.com/
SoundCloud BandCamp MixCloud Stickney Synthyards Captain Collider Twitch YouTube
Back to top
View user's profile Send private message Visit poster's website AIM Address Yahoo Messenger MSN Messenger
mike page



Joined: Sep 26, 2016
Posts: 134
Location: norwich, uk

PostPosted: Sat Apr 07, 2018 1:51 am    Post subject: Reply with quote  Mark this post and the followings unread

and 3 input gates...
Back to top
View user's profile Send private message
synaesthesia



Joined: May 27, 2014
Posts: 291
Location: Germany
Audio files: 85

PostPosted: Sat Apr 07, 2018 4:03 pm    Post subject: Reply with quote  Mark this post and the followings unread

Just saw this thread and I would do it just like Blue Hell and SteveG said. It can be done with just one quad NAND IC (4011 or 4093) if you use one NAND to set and the wired-OR to reset the RS-FF from two NANDs.
Back to top
View user's profile Send private message
PHOBoS



Joined: Jan 14, 2010
Posts: 5907
Location: Moon Base
Audio files: 709

PostPosted: Sat Apr 07, 2018 4:21 pm    Post subject: Reply with quote  Mark this post and the followings unread

yep that works too Very Happy
I did initially think about using NAND gates but expected it would take more gates especially with the OR.
But you can do that without a gate of course. So that actually leaves a spare NAND for something else.

_________________
"My perf, it's full of holes!"
http://phobos.000space.com/
SoundCloud BandCamp MixCloud Stickney Synthyards Captain Collider Twitch YouTube
Back to top
View user's profile Send private message Visit poster's website AIM Address Yahoo Messenger MSN Messenger
Steveg



Joined: Apr 23, 2015
Posts: 184
Location: Perth, Australia

PostPosted: Sat Apr 07, 2018 9:03 pm    Post subject: Reply with quote  Mark this post and the followings unread

I got it to 4 x NAND and 4 x Inverters in 2 chips but I thought PHOBoS' solution was easier.
Back to top
View user's profile Send private message
mike page



Joined: Sep 26, 2016
Posts: 134
Location: norwich, uk

PostPosted: Mon Apr 09, 2018 7:47 am    Post subject: Reply with quote  Mark this post and the followings unread

For the sake of learning I would be interested in seeing the NAND!
Back to top
View user's profile Send private message
PHOBoS



Joined: Jan 14, 2010
Posts: 5907
Location: Moon Base
Audio files: 709

PostPosted: Mon Apr 09, 2018 10:35 am    Post subject: Reply with quote  Mark this post and the followings unread

I could draw it but for the sake of learning I'd say look up a NAND flip flop and try to figure it out from there first Wink
_________________
"My perf, it's full of holes!"
http://phobos.000space.com/
SoundCloud BandCamp MixCloud Stickney Synthyards Captain Collider Twitch YouTube
Back to top
View user's profile Send private message Visit poster's website AIM Address Yahoo Messenger MSN Messenger
Display posts from previous:   
Post new topic   Reply to topic Moderators: mosc
Page 1 of 2 [36 Posts]
View unread posts
View new posts in the last week
Goto page: 1, 2 Next
Mark the topic unread :: View previous topic :: View next topic
 Forum index » DIY Hardware and Software » Lunettas - circuits inspired by Stanley Lunetta
Jump to:  

You cannot post new topics in this forum
You cannot reply to topics in this forum
You cannot edit your posts in this forum
You cannot delete your posts in this forum
You cannot vote in polls in this forum
You cannot attach files in this forum
You can download files in this forum


Forum with support of Syndicator RSS
Powered by phpBB © 2001, 2005 phpBB Group
Copyright © 2003 through 2009 by electro-music.com - Conditions Of Use