| Author |
Message |
electrotech

Joined: Apr 24, 2013 Posts: 47 Location: Ayrshire Scotland
|
|
|
Back to top
|
|
 |
fede_tich
Joined: May 14, 2023 Posts: 3 Location: Italy
|
|
|
Back to top
|
|
 |
blue hell
Site Admin

Joined: Apr 03, 2004 Posts: 24632 Location: The Netherlands, Enschede
Audio files: 321
G2 patch files: 320
|
|
|
Back to top
|
|
 |
electrotech

Joined: Apr 24, 2013 Posts: 47 Location: Ayrshire Scotland
|
Posted: Wed May 07, 2025 12:27 am Post subject:
|
 |
|
Thanks 'fede_tich' for sharing this documentation - are you the Marco Molendi who remastered the drawings ?
Also thanks to Jan 'Blue Hell' for downloading them to the forum
I never got my Syntex working but did manage to get hold of an original service manual (white/blue prints supplied by Welson UK long ago) but this only covered the later 1976 version and I had been slowly trying to 'tidy up' the scans I made of this, but it looks like I've been beaten to it !
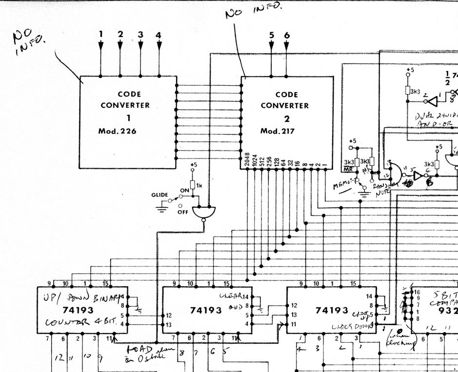
The synth I've got (with boards MOD226 & W217) must be very rare as I've been looking for years for information about it but this doesn't seem to exist ; no-one else has ever managed to come up with either circuits or photographs of the boards in question.
The circuit for the later code-converter (W284 in the documentation) I painstakingly entered into a logic simulator program and discovered that there was a mistake in the schematic as the outputs were nonsensical !
By trial and error, I found out that a connecting dot was missing from the diagram.... I'll update this thread after I've found the files with the corrected diagram.
UPDATE: the first picture is a photo of a fraction of the W284 Code Converter I entered into a simulation program (Multisim - sorry about the quality...).
The second picture shows where the 'dot' was missing from the circuit diagram.
Andy
| Description: |
|
| Filesize: |
194.65 KB |
| Viewed: |
184 Time(s) |
| This image has been reduced to fit the page. Click on it to enlarge. |

|
| Description: |
|
| Filesize: |
1.49 MB |
| Viewed: |
202 Time(s) |
| This image has been reduced to fit the page. Click on it to enlarge. |

|
|
|
|
Back to top
|
|
 |
fede_tich
Joined: May 14, 2023 Posts: 3 Location: Italy
|
Posted: Wed May 07, 2025 6:53 pm Post subject:
|
 |
|
| electrotech wrote: | Thanks 'fede_tich' for sharing this documentation - are you the Marco Molendi who remastered the drawings ?
Also thanks to Jan 'Blue Hell' for downloading them to the forum
I never got my Syntex working but did manage to get hold of an original service manual (white/blue prints supplied by Welson UK long ago) but this only covered the later 1976 version and I had been slowly trying to 'tidy up' the scans I made of this, but it looks like I've been beaten to it !
The synth I've got (with boards MOD226 & W217) must be very rare as I've been looking for years for information about it but this doesn't seem to exist ; no-one else has ever managed to come up with either circuits or photographs of the boards in question.
The circuit for the later code-converter (W284 in the documentation) I painstakingly entered into a logic simulator program and discovered that there was a mistake in the schematic as the outputs were nonsensical !
By trial and error, I found out that a connecting dot was missing from the diagram.... I'll update this thread after I've found the files with the corrected diagram.
UPDATE: the first picture is a photo of a fraction of the W284 Code Converter I entered into a simulation program (Multisim - sorry about the quality...).
The second picture shows where the 'dot' was missing from the circuit diagram.
Andy |
Andy I sent to you a private message. Ciao |
|
|
Back to top
|
|
 |
electrotech

Joined: Apr 24, 2013 Posts: 47 Location: Ayrshire Scotland
|
Posted: Sun May 11, 2025 8:29 am Post subject:
|
 |
|
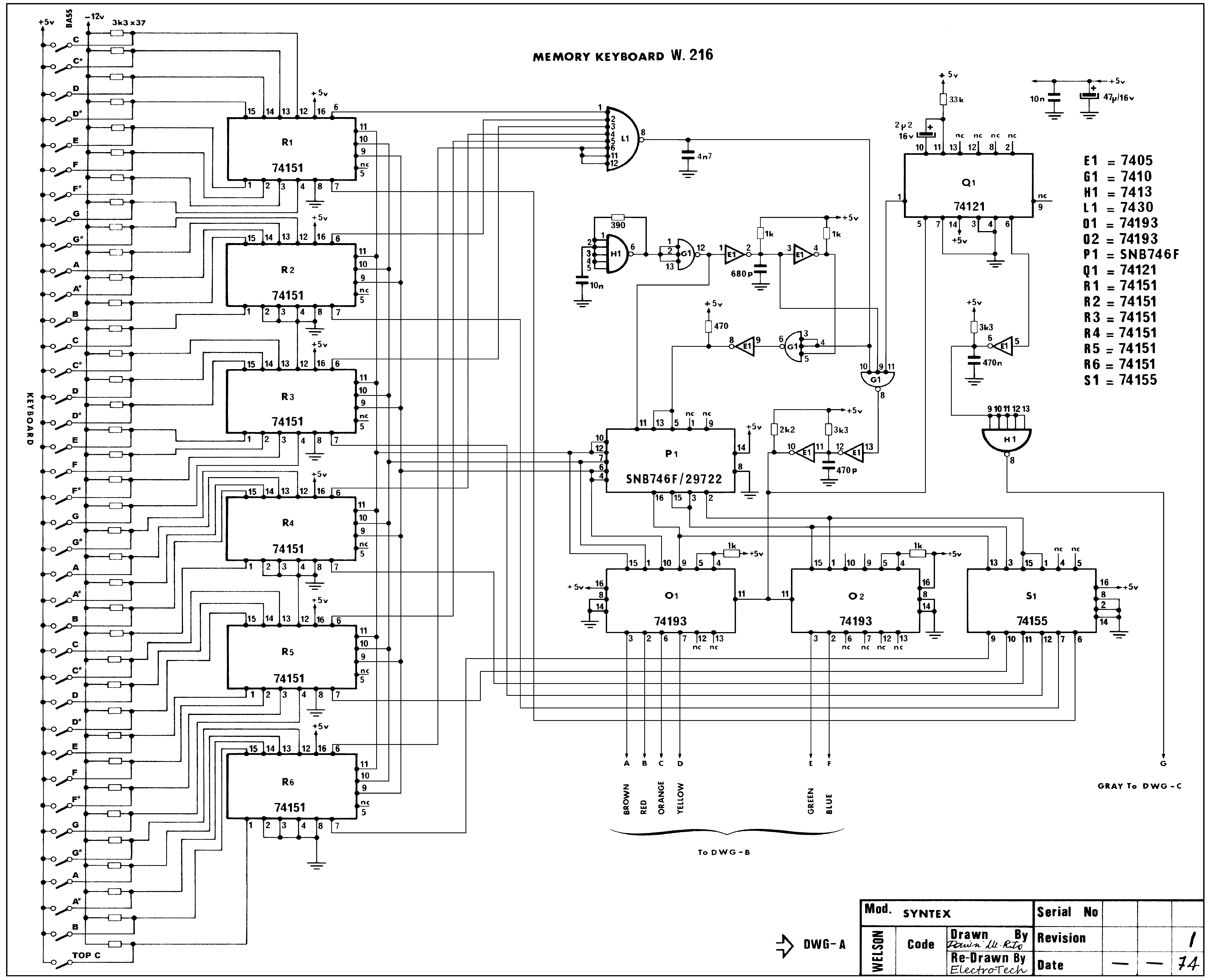
For anybody that's interested, I thought I might as well post a couple of diagrams that I've been working on to aid the repair of this synth (must be the longest repair in history)....
The keyboard scanner and output latch or 'Memory Keyboard' W216 is the one I've re-drawn.
Before 'Fede-tich' posted those comprehensive manuals above, the available downloads were a bit rough so I used a scan of the W216/A circuit from the 1976 manual I had to create the new image.
It was made by re-arranging the text fonts and component symbols as originally drawn so as to make it look authentic.
I might update it once I've checked it against the actual circuit board as I've noticed that there are a couple of pins that are unconnected (TTL inputs) in the original diagram...
I've also included a logic state table which was compiled from the data I obtained using the circuit simulation I mentioned above and which has been verified against a hand written page I found in an existing manual.
I hope to finally get this finished this year as it's been taking far too long... and I'm running out of time !
Andy |
|
|
Back to top
|
|
 |
electrotech

Joined: Apr 24, 2013 Posts: 47 Location: Ayrshire Scotland
|
Posted: Sun May 11, 2025 9:22 am Post subject:
|
 |
|
Hopefully, the above mentioned files will be attached below.
| Description: |
|
| Filesize: |
274.76 KB |
| Viewed: |
177 Time(s) |
| This image has been reduced to fit the page. Click on it to enlarge. |

|
| Description: |
|
| Filesize: |
50.38 KB |
| Viewed: |
175 Time(s) |
| This image has been reduced to fit the page. Click on it to enlarge. |

|
|
|
|
Back to top
|
|
 |
blue hell
Site Admin

Joined: Apr 03, 2004 Posts: 24632 Location: The Netherlands, Enschede
Audio files: 321
G2 patch files: 320
|
Posted: Sun May 11, 2025 9:48 am Post subject:
|
 |
|
| electrotech wrote: | | Sorry Jan for causing you all that trouble.... |
No worries - it works now eh
I'll clean up a bit ... and you did nothing wrong .. tif's were set to display in-line but the browser does not display them .. fierefox here does not .. i'll set the tif extension so that it downloads instead of displays. _________________ Jan
also .. could someone please turn down the thermostat a bit.
 |
|
|
Back to top
|
|
 |
|