| Author |
Message |
Grumble

Joined: Nov 23, 2015 Posts: 1319 Location: Netherlands
Audio files: 30
|
Posted: Sun Nov 18, 2018 2:48 pm Post subject:
looking for schematic of a bandpass filter Subject description: simple to build and with a dual potmeter |
 |
|
Help!
I'm looking for a bandpass filter where it is possible to shift the center frequency with one dual-potentiometer.
I know there must be some, but I cant fint them...
Power supply: +12volt, -12 volt
Center frequency: 300Hz - 3kHz _________________ my synth |
|
|
Back to top
|
|
 |
PHOBoS

Joined: Jan 14, 2010 Posts: 5875 Location: Moon Base
Audio files: 709
|
|
|
Back to top
|
|
 |
JovianPyx

Joined: Nov 20, 2007 Posts: 1988 Location: West Red Spot, Jupiter
Audio files: 224
|
Posted: Sun Nov 18, 2018 5:29 pm Post subject:
|
 |
|
Why not a BP VCF like a state variable? Then you can have a pot (single) for Fc and another pot (also single) for Q. Then if you need to control it with voltages, you've got the inputs already there. _________________ FPGA, dsPIC and Fatman Synth Stuff
Time flies like a banana. Fruit flies when you're having fun. BTW, Do these genes make my ass look fat? corruptio optimi pessima
|
|
|
Back to top
|
|
 |
Grumble

Joined: Nov 23, 2015 Posts: 1319 Location: Netherlands
Audio files: 30
|
Posted: Mon Nov 19, 2018 12:41 am Post subject:
|
 |
|
This might be just what I'm looking for...
Thanks! _________________ my synth |
|
|
Back to top
|
|
 |
gabbagabi

Joined: Nov 29, 2008 Posts: 652 Location: Berlin by n8
Audio files: 23
|
|
|
Back to top
|
|
 |
ixtern
Joined: Jun 25, 2018 Posts: 145 Location: Poland
|
Posted: Mon Nov 19, 2018 1:21 am Post subject:
Re: looking for schematic of a bandpass filter Subject description: simple to build and with a dual potmeter |
 |
|
| Grumble wrote: | Help!
I'm looking for a bandpass filter where it is possible to shift the center frequency with one dual-potentiometer.
I know there must be some, but I cant fint them...
Power supply: +12volt, -12 volt
Center frequency: 300Hz - 3kHz |
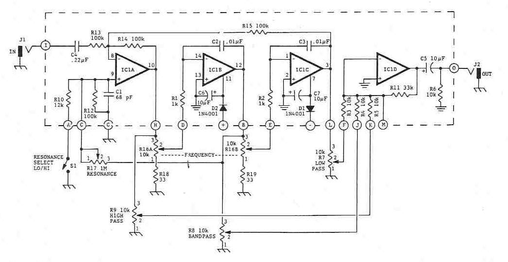
This times it is really hard to find a filter which is not voltage-controlled. And most of them are children of generic state-variable filters. Perhaps only guitarists are still using filters with potentiometers. Here is one of them (Anderton super tone control).
Instead of potentiometers people uses OTAs, FETs, DACs... to control filters by voltage or by Arduino
Below are some examples of such filters if you change your mind about way of control [FET VCF from gasboss ].
Simplest to build but hardest to modulate are the state variable filters where resistors (potentiometers) were replaced by multiplying DACs.
[from the AD8684 datasheet]
[from the AD7628 datasheet]
| Description: |
|
| Filesize: |
71.93 KB |
| Viewed: |
468 Time(s) |
| This image has been reduced to fit the page. Click on it to enlarge. |

|
| Description: |
|
| Filesize: |
16.96 KB |
| Viewed: |
356 Time(s) |
| This image has been reduced to fit the page. Click on it to enlarge. |

|
| Description: |
|
| Filesize: |
90.11 KB |
| Viewed: |
392 Time(s) |
| This image has been reduced to fit the page. Click on it to enlarge. |

|
| Description: |
|
| Filesize: |
384.32 KB |
| Viewed: |
391 Time(s) |
| This image has been reduced to fit the page. Click on it to enlarge. |

|
| Description: |
|
| Filesize: |
53.35 KB |
| Viewed: |
409 Time(s) |
| This image has been reduced to fit the page. Click on it to enlarge. |

|
|
|
|
Back to top
|
|
 |
Grumble

Joined: Nov 23, 2015 Posts: 1319 Location: Netherlands
Audio files: 30
|
Posted: Mon Nov 19, 2018 5:34 am Post subject:
|
 |
|
Thank you all for your input! _________________ my synth |
|
|
Back to top
|
|
 |
kaputtpanzer

Joined: Nov 02, 2009 Posts: 139 Location: Cologne
Audio files: 15
|
Posted: Mon Nov 19, 2018 11:20 am Post subject:
|
 |
|
This ist a very easy to build sallen key filter, that usually utilize a dual pot instead of the vactrols...
 |
|
|
Back to top
|
|
 |
Project_2501

Joined: Jan 31, 2018 Posts: 68 Location: Los Angeles
|
|
|
Back to top
|
|
 |
|