electro-music.com   Dedicated to experimental electro-acoustic
and electronic music
 
    Front Page  |  Radio
 |  Media  |  Forum  |  Wiki  |  Links
Forum with support of Syndicator RSS
 FAQFAQ   CalendarCalendar   SearchSearch   MemberlistMemberlist   UsergroupsUsergroups   LinksLinks
 RegisterRegister   ProfileProfile   Log in to check your private messagesLog in to check your private messages   Log inLog in  Chat RoomChat Room 
go to the radio page Live at electro-music.com radio 1 Please visit the chat
poster
 Forum index » DIY Hardware and Software » Circuit Bending
Casio SK1 power supply issues / understanding transistors
Post new topic   Reply to topic Moderators: dnny, v-un-v
Page 1 of 1 [2 Posts]
View unread posts
View new posts in the last week
Mark the topic unread :: View previous topic :: View next topic
Author Message
wax+wire



Joined: Sep 28, 2014
Posts: 17
Location: Australia

PostPosted: Mon Jun 22, 2020 2:09 am    Post subject: Casio SK1 power supply issues / understanding transistors Reply with quote  Mark this post and the followings unread

Hey

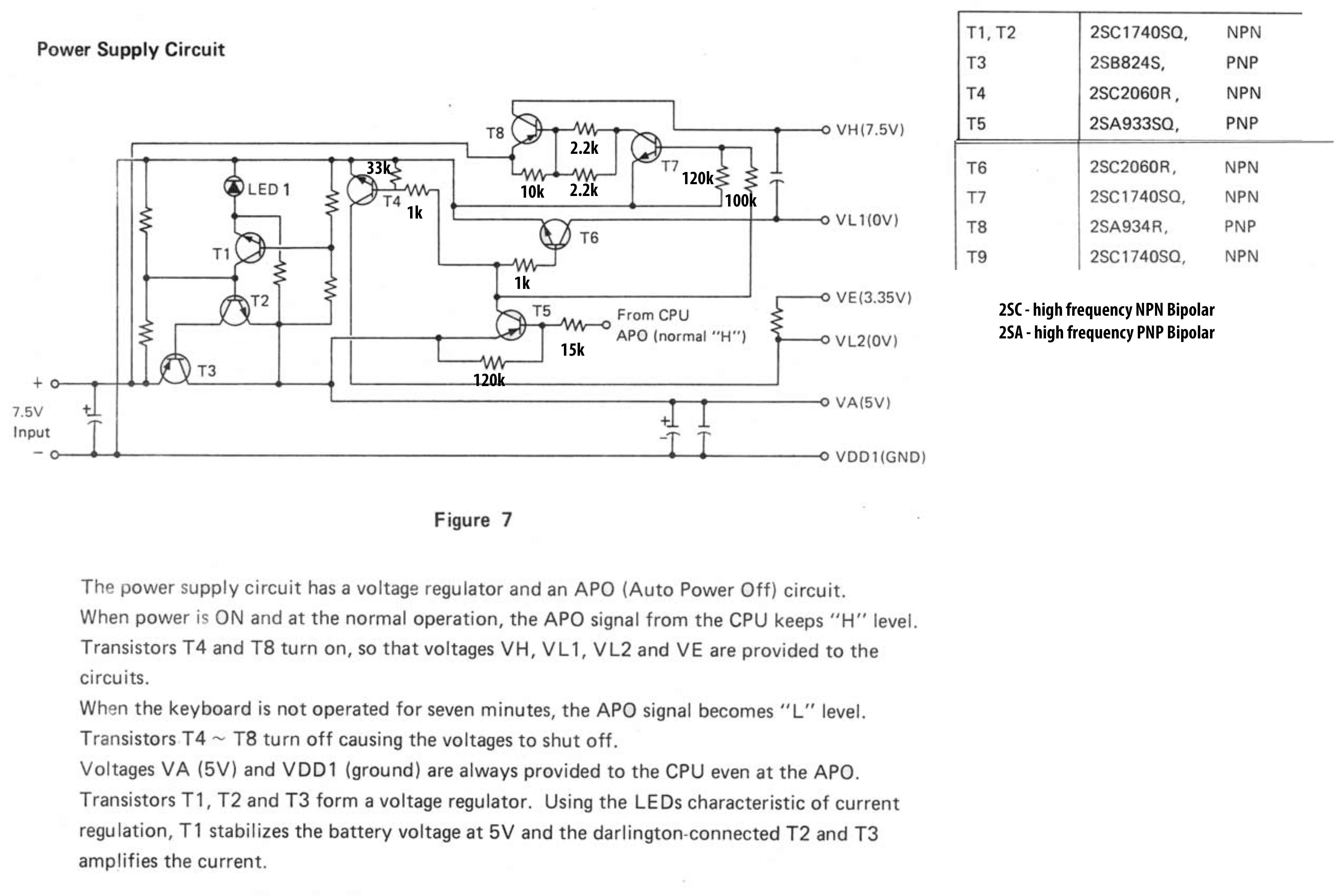
So I'm having some trouble with the power supply circuit in my SK1 (actually, also my 5 & 8 too).

Casios still generate the 5Vs needed to power the CPU, RAM chips, percussion - everything. They don't however "turn on" the 7.5V (VA) needed to power the Amplifier IC that runs the speaker and headphone out. If I tap the audio before the IC, it is all good - interesting that the Casios have this complex circuit when 90% of it runs on 5V!

If you read from the service manual about the power supply I need to turn T8 on. So I need the right voltage (or is it current?) at the base of T8 to switch on the 7.5V. And it looks to me like I need to switch on T7 to turn on T8.

I think T7 is the issue.

Anyway I could test? Any ideas? I've got a working SK1 to compare with too!


Casio SK1 Power supply circuit small.jpg
 Description:
Casio SK1 Power Supply circuit
 Filesize:  628.56 KB
 Viewed:  442 Time(s)
This image has been reduced to fit the page. Click on it to enlarge.

Casio SK1 Power supply circuit small.jpg


Back to top
View user's profile Send private message
blue hell
Site Admin


Joined: Apr 03, 2004
Posts: 24587
Location: The Netherlands, Enschede
Audio files: 309
G2 patch files: 320

PostPosted: Tue Jun 23, 2020 3:59 pm    Post subject: Reply with quote  Mark this post and the followings unread

It seems the APO signal has to do it .. so I'd trace that one to T8 and see where it differes from the working one.
_________________
Jan
also .. could someone please turn down the thermostat a bit.
Posted Image, might have been reduced in size. Click Image to view fullscreen.
Back to top
View user's profile Send private message Visit poster's website
Display posts from previous:   
Post new topic   Reply to topic Moderators: dnny, v-un-v
Page 1 of 1 [2 Posts]
View unread posts
View new posts in the last week
Mark the topic unread :: View previous topic :: View next topic
 Forum index » DIY Hardware and Software » Circuit Bending
Jump to:  

You cannot post new topics in this forum
You cannot reply to topics in this forum
You cannot edit your posts in this forum
You cannot delete your posts in this forum
You cannot vote in polls in this forum
You cannot attach files in this forum
You can download files in this forum


Forum with support of Syndicator RSS
Powered by phpBB © 2001, 2005 phpBB Group
Copyright © 2003 through 2009 by electro-music.com - Conditions Of Use