elmegil

Joined: Mar 20, 2012 Posts: 2179 Location: Chicago
Audio files: 16
|
Posted: Mon Jan 10, 2022 4:40 pm Post subject:
What is the comparator in the glide output section doing? |
 |
|
Someone on Muff's has pointed out that on their Euro Klee, they seem to be getting coupling back from the comparator in the glide section, out to the main outputs (without glide).
In the course of looking at this, I've become very curious about what exactly the purpose of that part of the circuit is?
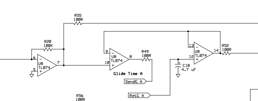
Since this is kind of vague, let me use pictures to be more specific. The first screenshot shows the section of the schematic I'm talking about. The output voltages are summed, they go to a buffer op amp and then out to the "opt out"/not glided output, and then to this two op amp situation which has a comparator, then the glide circuit, then a buffer, which is fed back to the comparator.
The second screenshot is a simulation on Falstad. The first bit of the circuit is just a simple way to generate a stair step, not actually part of any circuit, but I wanted to simulate changing CV output values. Then we have the actual bit in question. You can see on the scope first the stairstep input, then the glided output (This is clocking at 40Hz so that the results are visible in a reasonable time in the scopes, obviously not "real" kind of timing, so the glides are a bit longer than might be expected), then the output of the comparator, where we can see it oscillates back and forth at different times (the solid "blocks" are rapid oscillation in the simulation).
So ... what is the comparator accomplishing? In other simpler sequencers (e.g. Ray Wilson's 16 step sequencer) the buffered output would simply go to the glide pot.... And IME that has always worked just fine.
I did look through some of the original thread, and the "know your klee" doc, and tried to search more widely in this forum but I don't see anything explaining it. I'm curious if there's anyone still listening (Scott? ) who knows the purpose.
Thanks!!
| Description: |
|
| Filesize: |
35.16 KB |
| Viewed: |
339 Time(s) |
| This image has been reduced to fit the page. Click on it to enlarge. |

|
| Description: |
|
| Filesize: |
79.98 KB |
| Viewed: |
309 Time(s) |
| This image has been reduced to fit the page. Click on it to enlarge. |

|
|
|
blue hell
Site Admin

Joined: Apr 03, 2004 Posts: 24642 Location: The Netherlands, Enschede
Audio files: 324
G2 patch files: 320
|
Posted: Mon Jan 10, 2022 5:11 pm Post subject:
|
 |
|
Looking at it .. could it be to make a more predictable or a linear glide?
Some guessing below
When not using a comparator but a buffer maybe and then into the RC you'd get an exponential one .. while now there is a contant voltage charging/discharging the 4µ7 (trough the pot and a small R).
Hmm .. or does it just make the glides equal of length irrespective the jump size .. maybe that makes more sense.
And .. that you can hear it bleed trough ... can imagine .. could try to use a small .. say 100n cap near the + in of the rightmost opamp .. or even after that opamp (after its followin 100R) .
It could also be that the actual wiring is causing the bleedtrough .. when it is a longish pair and twisted for instance (and the cap not close to the opamp?) there may be some cross talk.
Anyway .. the instability of the comparator output is by design here. _________________ Jan
also .. could someone please turn down the thermostat a bit.
 |
|