| Author |
Message |
b-funk

Joined: Jul 17, 2007 Posts: 193 Location: Berlin
|
Posted: Sat Sep 29, 2007 2:09 pm Post subject:
SIMMONS SDS-8 |
 |
|
hi there,
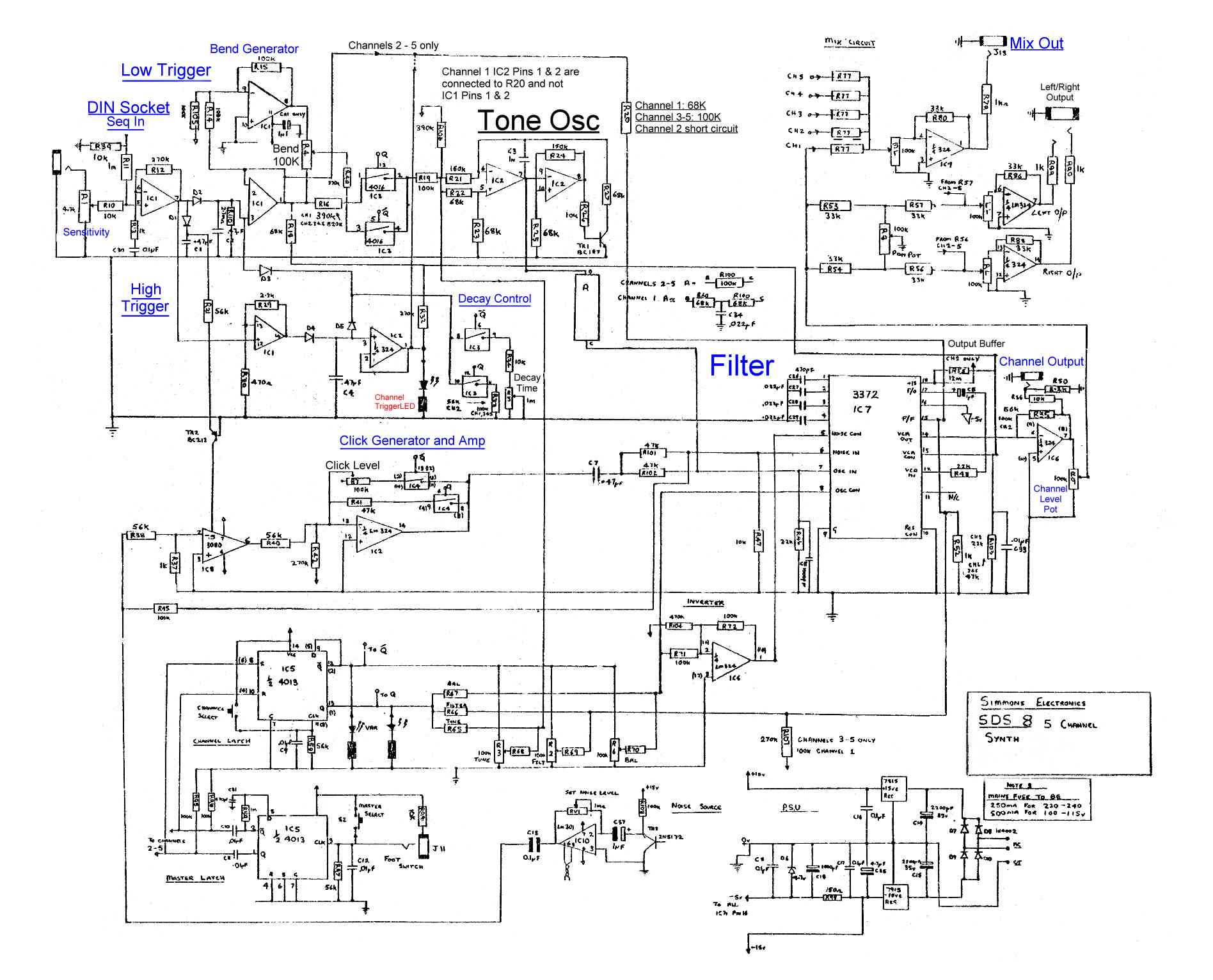
as my dear friend ron and me brought a sds-8 back to life i was wondering if somebody has the schematics for this little beauty?
i´m planning to clone a sds-8 voice for a mixed drum-synth, consisting of 2-4 sds-8 voices, a 808 bassdrum, 606 toms and hh.
although it seems to be possible to redraw the voice architecture from the simmons pcb, it would be cool to have the schematics on hand.
so, if anyone has those schems and would like to share - please pm.
best wishes,
tobias |
|
|
Back to top
|
|
 |
mono-poly

Joined: Jul 07, 2004 Posts: 937 Location: Rotterdam, Netherlands
Audio files: 2
|
Posted: Sat Sep 29, 2007 2:16 pm Post subject:
|
 |
|
I would wait for the sds3 boards to show up
Check the DIY section here. |
|
|
Back to top
|
|
 |
b-funk

Joined: Jul 17, 2007 Posts: 193 Location: Berlin
|
Posted: Sat Sep 29, 2007 2:33 pm Post subject:
|
 |
|
yeah, i followed the thread about the sds3, and i´m definitly in for some boards when it´s time...
but, you know, the sds8 is supposed to be my first real clone project... it´s quite simple, but i really like how it sounds. and like i mentioned i don´t intend to build an exact clone as it is not necessary, because all 5 voices are the same, and i´m no drummer, so i don´t need 5 sds8 voices.
but i plan to implement voltage control and an inbuilt lfo etc...
best wishes,
tobias |
|
|
Back to top
|
|
 |
Nosferatu

Joined: Jul 27, 2007 Posts: 234 Location: Planet Rock.
|
Posted: Sat Sep 29, 2007 3:36 pm Post subject:
Re: SIMMONS SDS-8 |
 |
|
| b-funk wrote: | hi there,
as my dear friend ron and me brought a sds-8 back to life i was wondering if somebody has the schematics for this little beauty?
i´m planning to clone a sds-8 voice for a mixed drum-synth, consisting of 2-4 sds-8 voices, a 808 bassdrum, 606 toms and hh.
although it seems to be possible to redraw the voice architecture from the simmons pcb, it would be cool to have the schematics on hand.
so, if anyone has those schems and would like to share - please pm.
best wishes,
tobias |
Go to the Simmons drums yahoo group, they can provide you
with most Simmons drum schematics.  |
|
|
Back to top
|
|
 |
b-funk

Joined: Jul 17, 2007 Posts: 193 Location: Berlin
|
Posted: Sat Sep 29, 2007 3:47 pm Post subject:
|
 |
|
nosferatu,
thanks for the hint - that was way too obvious...
well, sometimes i´m too blind or lazy to think a little bit in other directions than em forum...
anyway, if i have some results in the clone-and-mod-the-sds8 project, i´ll post it here.
best wishes,
tobias. |
|
|
Back to top
|
|
 |
ickystay
Joined: Nov 15, 2006 Posts: 143 Location: Oregon
|
|
|
Back to top
|
|
 |
b-funk

Joined: Jul 17, 2007 Posts: 193 Location: Berlin
|
Posted: Wed Oct 03, 2007 5:42 am Post subject:
|
 |
|
hi icky,
thank you for that. i´ll try to restore the poor scan and then post a good version here.
best wishes,
tobias |
|
|
Back to top
|
|
 |
spamunkulus
Joined: Jul 02, 2012 Posts: 6 Location: berlin
|
Posted: Tue Jul 03, 2012 2:41 am Post subject:
|
 |
|
Hi Tobias,
I am looking for a complete schematic of the SDS8 as well.
Do you find anything meanwhile?
I tried many sources without success.
You are located in Berlin?
My number: 030 -694 1816.
Maybe we can coordinate the search?
Cheers,
Tito |
|
|
Back to top
|
|
 |
boostyboost
Joined: Mar 29, 2013 Posts: 1 Location: lyon
|
Posted: Fri Mar 29, 2013 8:20 am Post subject:
|
 |
|
i'm also looking for a good (no the crappy one available on the net) schematic for the excellent sds8...
anyone found it ?
thanks |
|
|
Back to top
|
|
 |
zedius
Joined: Nov 25, 2020 Posts: 1 Location: Shawnigan Lake, BC, Canada
|
|
|
Back to top
|
|
 |
|