electro-music.com   Dedicated to experimental electro-acoustic
and electronic music
 
    Front Page  |  Radio
 |  Media  |  Forum  |  Wiki  |  Links
Forum with support of Syndicator RSS
 FAQFAQ   CalendarCalendar   SearchSearch   MemberlistMemberlist   UsergroupsUsergroups   LinksLinks
 RegisterRegister   ProfileProfile   Log in to check your private messagesLog in to check your private messages   Log inLog in  Chat RoomChat Room 
 Forum index » DIY Hardware and Software » Developers' Corner
REFM Prototype Shift Register thing
Post new topic   Reply to topic Moderators: DrJustice
Page 1 of 1 [3 Posts]
View unread posts
View new posts in the last week
Mark the topic unread :: View previous topic :: View next topic
Author Message
zaphod betamax



Joined: Nov 27, 2020
Posts: 62
Location: sarnia

PostPosted: Fri Nov 27, 2020 10:39 am    Post subject: REFM Prototype Shift Register thing Reply with quote  Mark this post and the followings unread

Working on a DIY Shift Register device

REFM stands for Random Enough For Me

This has 2 stages of 4094 shift registers with each connect to a 8 bit R2R DA
for CVs.

It also outputs gates at D1,D5,D9,D13 to control triggers.

Noise is generated with ring oscillators and the circuit runs on 5V.




https://www.youtube.com/watch?v=wPa75dbY_18&feature=emb_logo
Back to top
View user's profile Send private message
zaphod betamax



Joined: Nov 27, 2020
Posts: 62
Location: sarnia

PostPosted: Fri Nov 27, 2020 8:20 pm    Post subject: Reply with quote  Mark this post and the followings unread

https://www.youtube.com/watch?v=MiJJCM_whg0
Back to top
View user's profile Send private message
zaphod betamax



Joined: Nov 27, 2020
Posts: 62
Location: sarnia

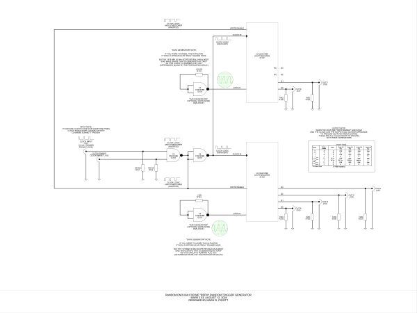
PostPosted: Wed Aug 14, 2024 10:47 am    Post subject: Reply with quote  Mark this post and the followings unread

updated and as-built


random generator v3_03 Model.png
 Description:
 Filesize:  799.9 KB
 Viewed:  117 Time(s)
This image has been reduced to fit the page. Click on it to enlarge.

random generator v3_03 Model.png


Back to top
View user's profile Send private message
Display posts from previous:   
Post new topic   Reply to topic Moderators: DrJustice
Page 1 of 1 [3 Posts]
View unread posts
View new posts in the last week
Mark the topic unread :: View previous topic :: View next topic
 Forum index » DIY Hardware and Software » Developers' Corner
Jump to:  

You cannot post new topics in this forum
You cannot reply to topics in this forum
You cannot edit your posts in this forum
You cannot delete your posts in this forum
You cannot vote in polls in this forum
You cannot attach files in this forum
You can download files in this forum


Forum with support of Syndicator RSS
Powered by phpBB © 2001, 2005 phpBB Group
Copyright © 2003 through 2009 by electro-music.com - Conditions Of Use