| Author |
Message |
PHOBoS

Joined: Jan 14, 2010 Posts: 5898 Location: Moon Base
Audio files: 709
|
|
|
Back to top
|
|
 |
PHOBoS

Joined: Jan 14, 2010 Posts: 5898 Location: Moon Base
Audio files: 709
|
|
|
Back to top
|
|
 |
analog_backlash

Joined: Sep 04, 2012 Posts: 393 Location: Aldershot, UK
Audio files: 21
|
Posted: Wed Jan 02, 2013 4:30 pm Post subject:
|
 |
|
| PHOBoS wrote: | | found some info on how to make a PUT with an NPN + PNP here (haven't tested it yet myself, since I have PUT's). |
I've been on that site before, but I hadn't noticed the PUT bit. I've seen a very similar arrangement of NPN + PNP to explain thyristor action (which is also a four layer device), in my ancient copy of "A Practical Introduction to Electronic Circuits", which looks like this one:
http://www.amazon.co.uk/Practical-Introduction-Electronic-Circuits/dp/0521313120/ref=la_B001IZV9RY_1_1?ie=UTF8&qid=1357168494&sr=1-1
I got it as a school prize , but it's only recently that I've actually started reading it (rather than blindly copying the schematics).
| PHOBoS wrote: | | And I recorded a drone thingy which you can find here |
I really like the sound of Schrödinger's Drone, especially the filtery swoops and the added background melody.
| PHOBoS wrote: | | trying some modulations with another PUT oscillator, but what i got now sounds more like a guinea pig |
Not so sure about Schrödinger's Guinea Pig, but it's early days! I will have a play with the circuit again tomorrow and see what I can get it to do.
Gary |
|
|
Back to top
|
|
 |
PHOBoS

Joined: Jan 14, 2010 Posts: 5898 Location: Moon Base
Audio files: 709
|
Posted: Thu Jan 03, 2013 9:42 am Post subject:
|
 |
|
| analog_backlash wrote: |
I really like the sound of Schrödinger's Drone, especially the filtery swoops and the added background melody. |
, nice thing is that I didn't add a melody, it's all just added EFX, and that one is caused by a flanger.
I might add some more layers to it,. maybe some low drones and piano sounds.
| Quote: | | Not so sure about Schrödinger's Guinea Pig, but it's early days! I will have a play with the circuit again tomorrow and see what I can get it to do. |
I think it needs some more training, I did get some weird sounds out it by adjusting the pots to the point where it
almost stops oscillating. I'll see if I can record some of that. I was thinking of making a siren out of it (release of poison ?)
Also got something that sounds a bit like a geiger counter (to keep in line with the theme). ticks getting faster when
the LDR's get less light.
As for modulating the original Schrödinger II circuit, a simple 555 envelope generator comes to mind,
so you can set rise and fall times. Or maybe just using a transistor and some caps. then trigger it with some random
generator, could be teacandle LED(s) through a divider. (more then one combined to make it less predictable) _________________ "My perf, it's full of holes!"
http://phobos.000space.com/
SoundCloud BandCamp MixCloud Stickney Synthyards Captain Collider Twitch YouTube |
|
|
Back to top
|
|
 |
RingMad

Joined: Jan 15, 2011 Posts: 430 Location: Montreal, Canada
Audio files: 4
|
|
|
Back to top
|
|
 |
analog_backlash

Joined: Sep 04, 2012 Posts: 393 Location: Aldershot, UK
Audio files: 21
|
Posted: Fri Jan 04, 2013 5:01 am Post subject:
|
 |
|
| PHOBoS wrote: | , nice thing is that I didn't add a melody, it's all just added EFX, and that one is caused by a flanger.
I might add some more layers to it,. maybe some low drones and piano sounds. |
I was wondering about that, because the sound was so subtle (especially early on) but by the end, I convinced myself that it was an added melody.
| PHOBoS wrote: | I think it needs some more training, I did get some weird sounds out it by adjusting the pots to the point where it
almost stops oscillating. I'll see if I can record some of that. I was thinking of making a siren out of it (release of poison ?)
Also got something that sounds a bit like a geiger counter (to keep in line with the theme). ticks getting faster when
the LDR's get less light.
As for modulating the original Schrödinger II circuit, a simple 555 envelope generator comes to mind,
so you can set rise and fall times. Or maybe just using a transistor and some caps. then trigger it with some random
generator, could be teacandle LED(s) through a divider. (more then one combined to make it less predictable) |
I am really going to have a look it again today (I went off at a tangent yesterday) and I'll have a look at your latest suggestions. I was also thinking about using the 1 transistor VCA from your Enneatronic Spectralizer and amplitude modulating it with a simple LFO.
| RingMad wrote: | I haven't had much time to play with this circuit nor read up on the link about PUTs. I like the timbre of this thing, but haven't figured out quite how I'd want to use it.
In the meantime, FYI, here's a scope shot of the pulses of one of the PUT oscillators, which were indeed harder to capture. I had to "zoom in" a lot... 5mV/s. and 5ms/div., and then it was a bit problematic for the camera to focus. |
You've captured the PUT pulses better than I managed to - they are tricky! On the subject of reading, I also rediscovered a document about triggering SCRs, which has a section about PUT oscillators (starting on p43):
http://legacy.littelfuse.com/data/en/Application_Notes/01_trigg.pdf
This document is probably a little OTT for this forum, but it may be useful to somebody.
Gary |
|
|
Back to top
|
|
 |
PHOBoS

Joined: Jan 14, 2010 Posts: 5898 Location: Moon Base
Audio files: 709
|
Posted: Sun Jan 06, 2013 2:35 pm Post subject:
|
 |
|
here are 2 schematics, first one is the original Schrödinger II circuit with the modifications I mentioned before.
the 10K pots to adjust the sound (pulse-saw) and the extra resistor, but I used 68K instead of 100K to get the signal
a bit louder. (you can decrease it further if you want it louder, maybe add a pot). The LDR's are connected a bit different
too, so you can kinda fade between pot-control or LDR-control. I also added a pot for the filter.
the second schematic is the siren circuit, nothing really special,. but since I've drawn it I might aswell post it here.
Don't have it breadboarded right now else I could record a short demo.
Right now I'm trying some ways to modulate the pitch. Instead of connecting the Anode with a resistor
directly to the positive supply rail I added another NPN transistor (2n3904). With the Collector connected to
the positive supply rail and the Emitter with a 100K resistor to the Anode of the PUT. This worked but the oscillator
only starts from a fairly high input voltage. So I did some more reading and noticed this:
| Quote: | | In this circuit the base of the transistor is held at 5v (with a 10v supply) by the two 1K resistors. Equal values give a 'stand-off ratio' of 0.5. Obviously this UJT is programmable so this ratio can be changed at will, say between 1K:10K and 10K:1K. |
So I replaced the 18K resistor with a 100K and the 33K resistor with a 10K and got a much wider range now.
I will do some more experimenting with that setup and post results.
| Description: |
| Original Schrödinger II schematic with PHOBoS mods |
|
| Filesize: |
24.24 KB |
| Viewed: |
698 Time(s) |
| This image has been reduced to fit the page. Click on it to enlarge. |

|
| Description: |
|
| Filesize: |
18.99 KB |
| Viewed: |
661 Time(s) |
| This image has been reduced to fit the page. Click on it to enlarge. |

|
_________________ "My perf, it's full of holes!"
http://phobos.000space.com/
SoundCloud BandCamp MixCloud Stickney Synthyards Captain Collider Twitch YouTube Last edited by PHOBoS on Mon Jan 07, 2013 2:14 pm; edited 1 time in total |
|
|
Back to top
|
|
 |
analog_backlash

Joined: Sep 04, 2012 Posts: 393 Location: Aldershot, UK
Audio files: 21
|
Posted: Mon Jan 07, 2013 8:40 am Post subject:
|
 |
|
Hi PHOBoS,
I've just tried out your new version of the Schrödinger II and it does sound better than the original (apart from the fact that I'm sometimes getting a bit of distortion - it may just be dodgy breadboarding, as I rushed it a bit).
| PHOBoS wrote: |
Right now I'm trying some ways to modulate the pitch. Instead of connecting the Anode with a resistor
directly to the positive supply rail I added another NPN transistor (2n3904). With the Collector connected to
the positive supply rail and the Emitter with a 100K resistor to the Anode of the PUT. This worked but the oscillator
only starts from a fairly high input voltage. So I did some more reading and noticed this:
| Quote: | | In this circuit the base of the transistor is held at 5v (with a 10v supply) by the two 1K resistors. Equal values give a 'stand-off ratio' of 0.5. Obviously this UJT is programmable so this ratio can be changed at will, say between 1K:10K and 10K:1K. |
So I replaced the 18K resistor with a 100K and the 33K resistor with a 10K and got a much wider range now.
I will do some more experimenting with that setup and post results. |
Sounds like an interesting idea. I was modulating the PUT oscillators simply by passing a low frequency modulation source directly to the anodes of the PUTs. It works, but it's probably not the best way of doing it. I was using a 555 as the 'LFO' which was low-pass filtered by a resistor and a capacitor, to give charge/discharge curves rather than a rectangular wave. This was for test purposes only. It's not a good LFO, as you need to change the R and C values as you adjust the frequency!
Gary |
|
|
Back to top
|
|
 |
PHOBoS

Joined: Jan 14, 2010 Posts: 5898 Location: Moon Base
Audio files: 709
|
Posted: Mon Jan 07, 2013 2:09 pm Post subject:
|
 |
|
| analog_backlash wrote: |
Sounds like an interesting idea. I was modulating the PUT oscillators simply by passing a low frequency modulation source directly to the anodes of the PUTs. It works, but it's probably not the best way of doing it. I was using a 555 as the 'LFO' which was low-pass filtered by a resistor and a capacitor, to give charge/discharge curves rather than a rectangular wave. This was for test purposes only. It's not a good LFO, as you need to change the R and C values as you adjust the frequency!
Gary |
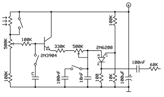
That's pretty much the same as I'm doing except for the transistor, which has a high input impedance and low output
impedance. However the circuit itself allready isn't really low impedance, so modulating it directly (especially with a 555)
should work, except that you might get a small range like I did before I adjusted it. I also added a capacitor for a glide
effect (this is where the transistor comes in handy), just labeled C since it's value is dependent on your own
preference. Maybe a rotary switch with a couple of caps and/or a potentiometer in series is useful here.
Anyway here's the circuit for one oscillator, (I left the filter out of the schematic). you could feed a modulation
signal to the 500K pot at the point where it's connected to the LDR/Switch. (Leave those out is you do or use a diode in series)
O and I left the 10K waveshape pot out of this one since it reduces the range quite a lot.
| Description: |
|
| Filesize: |
8.82 KB |
| Viewed: |
26466 Time(s) |

|
_________________ "My perf, it's full of holes!"
http://phobos.000space.com/
SoundCloud BandCamp MixCloud Stickney Synthyards Captain Collider Twitch YouTube |
|
|
Back to top
|
|
 |
PHOBoS

Joined: Jan 14, 2010 Posts: 5898 Location: Moon Base
Audio files: 709
|
|
|
Back to top
|
|
 |
analog_backlash

Joined: Sep 04, 2012 Posts: 393 Location: Aldershot, UK
Audio files: 21
|
Posted: Wed Jan 09, 2013 4:06 pm Post subject:
Re: The cat is still alive |
 |
|
| PHOBoS wrote: | Did some minor changes and added a 1 transistor VCA, or maybe it should be called an LCA
(resistor values depend on the used LDR and your own taste) |
I'll probably have a go at this tomorrow. Haven't been feeling too great over the last few days (some kind of bug, but thankfully, not the winter bug) so I haven't felt up to doing much. I did try a single transistor VCA after the filter, but not much happened and feeling crap, I gave up. It usually is down to a stupid mistake I've made, when something doesn't work. Hopefully, my brain might be firing on a few more cylinders tomorrow.
Are you planning to use tea-light LEDs on all/any of the LDRs or are you using the waving hands approach?
Gary |
|
|
Back to top
|
|
 |
Ralphperez
Joined: Jan 05, 2013 Posts: 3 Location: Virginia
|
Posted: Thu Jan 10, 2013 12:46 am Post subject:
Re: Schrödinger II: The Cats Strike Back |
 |
|
| analog_backlash wrote: | Hi,
This circuit came about while I was thinking about buzby's stripboard challenge:
http://electro-music.com/forum/topic-55837.html
I never did think of any great ideas (which would fit on 5 x 6 holes piece of stripboard), but it did start me playing with PUT oscillators, as you only need a single PUT to make one. What I did eventually produce (only on the breadboard at the moment) was the circuit below. Because the PUT oscillators produce very narrow spikes, the sound is a bit whiny and rather cat-like. To enhance the cattiness, I mixed the output of two PUT oscillators and passed the output into a twin T filter. The frequencies of all 3 parts are controlled by led lighting, so by waving your hands over it, you can get quite annoyingly accurate cat-like sounds. The two pots (actually presets on the breadboard) are only there for fine tuning and are not strictly necessary. I built it for a 12V supply, but it does work on a 9V battery.
I've put it here just out of interest, as it may (or may not) inspire someone to come up with a more musical effect.
Gary
P.S. I know it's not strictly a lunetta, but you could use CMOS oscillators in place of the PUTs, if you wanted to (but would it be as catty?). |
Hey thanks for sharing circuit. Very helpful in network analysis |
|
|
Back to top
|
|
 |
PHOBoS

Joined: Jan 14, 2010 Posts: 5898 Location: Moon Base
Audio files: 709
|
Posted: Sun Jan 13, 2013 7:37 pm Post subject:
The cat is still alive |
 |
|
| analog_backlash wrote: |
Are you planning to use tea-light LEDs on all/any of the LDRs or are you using the waving hands approach? |
For now I think I will go for the waving hands and probably some modulation inputs. I didn't find the teacandles
too interesting as a modulation source, probably because you can hear them very well in the signal. But I have plenty
of PUT's to play with so maybe I make a teacandle version, with a bunch of them it might get interesting.
But at the moment I'm distracted by a PWM circuit, so I'm not sure what I'll finish first  _________________ "My perf, it's full of holes!"
http://phobos.000space.com/
SoundCloud BandCamp MixCloud Stickney Synthyards Captain Collider Twitch YouTube |
|
|
Back to top
|
|
 |
analog_backlash

Joined: Sep 04, 2012 Posts: 393 Location: Aldershot, UK
Audio files: 21
|
Posted: Thu Jan 17, 2013 7:05 am Post subject:
|
 |
|
I've finally got round to to trying out the Schrödinger II - V circuit that you posted. I found that I had to make some minor changes, as I bought some more (cheap) LDRs and they have different characteristics to my older ones (lower resistance, basically). At the moment, I've got 2 of your circuits feeding into the LCF (if you can have an LCA, I can have an LCF). I'm also experimenting with my 555 LFO frequency modulating the 2 oscillators. I'm going to try replacing the 555 with a 4069UBE LFO, as I think this might give better results.
The problem is, that I now have 5 LDRs to "play" and on a breadboard, it's hard to modulate one without affecting the others to some extent. I might actually have to put it in a box eventually...
If I get any good results, I'll post them.
| Ralphperez wrote: | | Hey thanks for sharing circuit. Very helpful in network analysis |
Sorry for the late reply and thanks
Gary |
|
|
Back to top
|
|
 |
PHOBoS

Joined: Jan 14, 2010 Posts: 5898 Location: Moon Base
Audio files: 709
|
Posted: Thu Jan 17, 2013 12:07 pm Post subject:
|
 |
|
sure you can have your LCF
It's indeed tricky to play without effecting the others, I allready had the same problems with only 3 LDR's on a breadboard.
And yes they can respond quite different, I think the ones I have have a minimal resistance of ±2K.
As for the oscillator, I'm currently playing around with a 4046 again, and it's surprisingly easy to use, just a cap and resistor/pot
and you got a VCO (modulate the modulator ) and you get some nice bonus features too. _________________ "My perf, it's full of holes!"
http://phobos.000space.com/
SoundCloud BandCamp MixCloud Stickney Synthyards Captain Collider Twitch YouTube |
|
|
Back to top
|
|
 |
RingMad

Joined: Jan 15, 2011 Posts: 430 Location: Montreal, Canada
Audio files: 4
|
Posted: Sat Oct 04, 2014 9:08 am Post subject:
|
 |
|
Help!
I always liked the sound of this circuit but couldn't really figure out what I wanted to do with it. Until now, when I decided it might work as a small 5-key sortof organ. So I built 5 oscillator pairs (without the LDRs), ran the outputs into momentary switches (not sure how I'm going to implement the keys yet), the other ends of the switches to a common point which then goes into the twin-T filter.
Alas, problems. there is a constant, not-so-faint signal going into the filter even when no switch is pressed. I tried increasing the 68k resistors to 100K then 220K, but the sound remains.
I tried using a unity gain summing amp between the common point and the filter... that produces silence and the filter doesn't work at all. The output of the amp seems to work, albeit perhaps a bit faint.
I built the "Original Schrödinger II schematic with PHOBoS mods" circuit, except removed the LDRs and 10k pot from the oscillators, and increased the 68K's to 220K. I kept the 18K & 33K on the PUT's gate.
Another problem is that I tried building PHOBoS's buffered range control mod, and it doesn't work! I tried a couple of times, I'm quite sure I wired it correctly, but the output signal is extremely faint. I am using 2N6027s rather than 2N6028s (which is erroneously marked as 2N6208 on his schematic). Could that account for a difference?
James. |
|
|
Back to top
|
|
 |
PHOBoS

Joined: Jan 14, 2010 Posts: 5898 Location: Moon Base
Audio files: 709
|
Posted: Sat Oct 04, 2014 4:54 pm Post subject:
|
 |
|
| Quote: | | Alas, problems. there is a constant, not-so-faint signal going into the filter even when no switch is pressed. I tried increasing the 68k resistors to 100K then 220K, but the sound remains. |
hmm that's kinda weird,. either it's coming through the powerlines or could the filter be oscillating ?
| Quote: | | I tried using a unity gain summing amp between the common point and the filter... that produces silence and the filter doesn't work at all. The output of the amp seems to work, albeit perhaps a bit faint. |
did you use a capacitor between the opamp and the filter ?
I'd have to test it myself to see what does and doesn't work.
| Quote: | Another problem is that I tried building PHOBoS's buffered range control mod, and it doesn't work! I tried a couple of times, I'm quite sure I wired it correctly, but the output signal is extremely faint.
I am using 2N6027s rather than 2N6028s (which is erroneously marked as 2N6208 on his schematic). Could that account for a difference? |
how soft is it?,. I probably tested it having a line out signal, which is much lower than what you would normally get from a lunetta.
No idea about the 2N6027, I'd have to check the datasheet. _________________ "My perf, it's full of holes!"
http://phobos.000space.com/
SoundCloud BandCamp MixCloud Stickney Synthyards Captain Collider Twitch YouTube |
|
|
Back to top
|
|
 |
RingMad

Joined: Jan 15, 2011 Posts: 430 Location: Montreal, Canada
Audio files: 4
|
Posted: Sun Oct 05, 2014 6:47 am Post subject:
|
 |
|
Thanks PHOBoS, but don't waste your time building/testing stuff yet. I'm going to take everything off the breadboard and start over. I noticed a few little errors I made, but still, there's a weird thing I don't understand about this circuit...
e.g. if I just listen to the output of one pair of oscillators, without them going into the filter, then the volume is much less (perhaps 1/3 of the normal). I don't know why that is, why a notch filter would boost the volume, but my testing was not considering that "fact".
Back to the breadboards,
James. |
|
|
Back to top
|
|
 |
RingMad

Joined: Jan 15, 2011 Posts: 430 Location: Montreal, Canada
Audio files: 4
|
Posted: Mon Oct 06, 2014 3:41 am Post subject:
|
 |
|
Alright, so I rebuilt some stuff, and I think one problem is that the twin-T filter seems to pick up noise/hum quite easily. I had a couple of switches to act as keys (wired to breadboard with alligator clips) for the oscillators and already there's a lot more hum than when I had the oscillators wired directly to the filter.
Even touching the wire into the filter generates hum.
Of course, it's all on the breadboard with longer wires than would be used on the PCB.
And there's still signal getting through despite the switches.
I also retried the buffered range control variant on one of the oscillators in a pair and still, the signal is extremely faint compared to its sibling.
I looked at the datasheet for 2N6027 and 2N6028, and to my basic knowledge, they look pretty much the same thing.
I think I will abandon the idea of making a keyboard out of this. I've got some other ideas that could make it an interesting instrument.
James. |
|
|
Back to top
|
|
 |
PHOBoS

Joined: Jan 14, 2010 Posts: 5898 Location: Moon Base
Audio files: 709
|
|
|
Back to top
|
|
 |
RingMad

Joined: Jan 15, 2011 Posts: 430 Location: Montreal, Canada
Audio files: 4
|
Posted: Mon Oct 06, 2014 5:23 pm Post subject:
|
 |
|
| PHOBoS wrote: | maybe it works if you use the switches to turn the oscillators on/off instead of just interrupting the signal.
My guess would be to put it between the positive rail and the tuning pot. |
D'oh! Of course! So simple. Yes, indeed that works. Thank you.
Except I'm still rethinking about the keyboard part... it kindof loses the cat aspect. And momentary switches are not that great... a bit too stiff to activate and thus not too playable. Yet I had another keyboard idea... the keys would engage different resistors in series with the frequency pots. However, a bit of a pain: it would have to be 2 pole keys because the oscillators work in pairs.
James. |
|
|
Back to top
|
|
 |
RingMad

Joined: Jan 15, 2011 Posts: 430 Location: Montreal, Canada
Audio files: 4
|
Posted: Sun Dec 07, 2014 9:58 am Post subject:
|
 |
|
After complicating things, then simplifying things, I've built the Mini-M.E.O.W. based on this circuit.
M.E.O.W. could stand for "Melliloquent Effable Oscillator Weirdness".
Originally I was thinking of making a 5-note keyboard, then settled on something that made more sense, with lead & drone oscillators, and filter controlled via CV or built-in LFO. That was the M.E.O.W. But I decided it wasn't worth the trouble, since the sounds would still be pretty limited and thus I probably wouldn't use it much.
Hence, I made the simpler mini-M.E.O.W., which is pretty much the same circuit I demo'd a while back. I just added a switch to change the capacitor in the oscillator pair to help with different ambient light conditions. The metallic green turned out darker than the spray can indicated, and doesn't quite come out in the photo. The "on" LED is purple.
Short demo video here: http://youtu.be/wrjFjAE10a4
-- James.
| Description: |
|
| Filesize: |
120.23 KB |
| Viewed: |
540 Time(s) |
| This image has been reduced to fit the page. Click on it to enlarge. |

|
|
|
|
Back to top
|
|
 |
PHOBoS

Joined: Jan 14, 2010 Posts: 5898 Location: Moon Base
Audio files: 709
|
|
|
Back to top
|
|
 |
|