| Author |
Message |
PHOBoS

Joined: Jan 14, 2010 Posts: 5929 Location: Moon Base
Audio files: 709
|
Posted: Mon May 08, 2017 1:53 pm Post subject:
Stickney Synthyards L0F1 series Subject description: L0F1 synthesizer modules |
 |
|
I am working on some L0F1 synth modules and finished the first two. Well, ok I finished one completely and for the other one I still need
a frontpanel but I am out of blank panels. However, it is all soldered up, tested and working
The first module is Bark or Bleat.
Bark or Bleat is a synthesizer module of the Stickney Synthyards L0F1 series which uses a soundchip that produces a dog or sheep
sound (depending on the installed chip). This is a very lo-fi sound and it might need some imagination to recognize the sounds as such.
To trigger this sound it has a manual control by means of a pushbutton and an input for an external gate or trigger signal. The duration of
the sound can be controlled with two manual controls and/or an external control voltage.
It has 3 different modes which can be selected with a switch (SW2):
1) TRIGGER (switch in center position): after receiving a trigger/gate signal the sound plays for the duration set with the RANGE, OFFSET
and/or LEVEL controls.
2) GATE (switch in up position): Similar to the TRIGGER mode but if the gate signal is longer than the set duration it will keep playing for
the length of the gate signal. (Note: the sound repeats for a maximum of 3x and then stops even if the gate time is longer)
3: CYCLE (switch in down position): The sound plays for the set duration and repeats this indefinitely.
In TRIGGER/GATE mode the GATE and /GATE outputs can be used in conjunction with the CV input to use the module as a gate to trigger
converter with voltage controlled gate length. In CYCLE mode the GATE and /GATE outputs can be used in conjunction with the CV input
to use the module as a voltage controlled LFO.
This module has 2 inputs: The CV input, for which any voltage can be used as long as it doesn't exceed the supply voltage and a
gate/trigger input which works from about +2.5V up to the supply voltage.
This module has 3 outputs: The main audio output, which has a level of 0..+5V. the GATE output, which is +5V for the duration that the
sound plays and the /GATE output which is +5V when the sound is not playing.
Sadly I was not able to control the pitch but with the adjustable gate length it is still a fun and useful module.
I also used this module for Psycho Sheep Chess with Buddha.
Some more info can be found at http://stickneysynthyards.000space.com/bark_or_bleat/
Here's a photo of the finished module and some sound samples.
| Description: |
|
| Filesize: |
147.57 KB |
| Viewed: |
847 Time(s) |
| This image has been reduced to fit the page. Click on it to enlarge. |

|
| Description: |
| Bark or Bleat demo 1: Bark in Cycle Mode, controlling the gate length manually. |
|
 Download (listen) |
| Filename: |
Bark or Bleat - Bark (manual time sweep).wav |
| Filesize: |
9.4 MB |
| Downloaded: |
1343 Time(s) |
| Description: |
| Bark or Bleat demo 2: Bleat in Cycle Mode, controlling the gate length manually. |
|
 Download (listen) |
| Filename: |
Bark or Bleat - Bleat (manual time sweep).wav |
| Filesize: |
8.54 MB |
| Downloaded: |
1350 Time(s) |
| Description: |
| Bark or Bleat demo 3: Bark in Trigger Mode, constant trigger and a random CV controlling the gate length. |
|
 Download (listen) |
| Filename: |
Bark or Bleat - Bark (contstant trigger random CV).wav |
| Filesize: |
6.4 MB |
| Downloaded: |
1356 Time(s) |
| Description: |
| Bark or Bleat demo 4: Bleat in Trigger Mode, constant trigger and a random CV controlling the gate length. |
|
 Download (listen) |
| Filename: |
Bark or Bleat - Bleat (contstant trigger random CV).wav |
| Filesize: |
6.4 MB |
| Downloaded: |
1371 Time(s) |
_________________ "My perf, it's full of holes!"
http://phobos.000space.com/
SoundCloud BandCamp MixCloud Stickney Synthyards Captain Collider Twitch YouTube |
|
|
Back to top
|
|
 |
PHOBoS

Joined: Jan 14, 2010 Posts: 5929 Location: Moon Base
Audio files: 709
|
Posted: Mon May 08, 2017 1:59 pm Post subject:
|
 |
|
and here are the circuit diagrams and some photos of the soldered PCBs.
| Description: |
| Bark or Bleat circuit board schematic |
|
| Filesize: |
132.12 KB |
| Viewed: |
841 Time(s) |
| This image has been reduced to fit the page. Click on it to enlarge. |

|
| Description: |
| Bark or Bleat in/out board schematic |
|
| Filesize: |
35.2 KB |
| Viewed: |
786 Time(s) |
| This image has been reduced to fit the page. Click on it to enlarge. |

|
| Description: |
| Bark or Bleat - Circuit Board |
|
| Filesize: |
214.23 KB |
| Viewed: |
841 Time(s) |
| This image has been reduced to fit the page. Click on it to enlarge. |

|
| Description: |
| Bark or Bleat - In/Out Board |
|
| Filesize: |
161.21 KB |
| Viewed: |
800 Time(s) |
| This image has been reduced to fit the page. Click on it to enlarge. |

|
_________________ "My perf, it's full of holes!"
http://phobos.000space.com/
SoundCloud BandCamp MixCloud Stickney Synthyards Captain Collider Twitch YouTube |
|
|
Back to top
|
|
 |
PHOBoS

Joined: Jan 14, 2010 Posts: 5929 Location: Moon Base
Audio files: 709
|
Posted: Mon May 08, 2017 2:12 pm Post subject:
|
 |
|
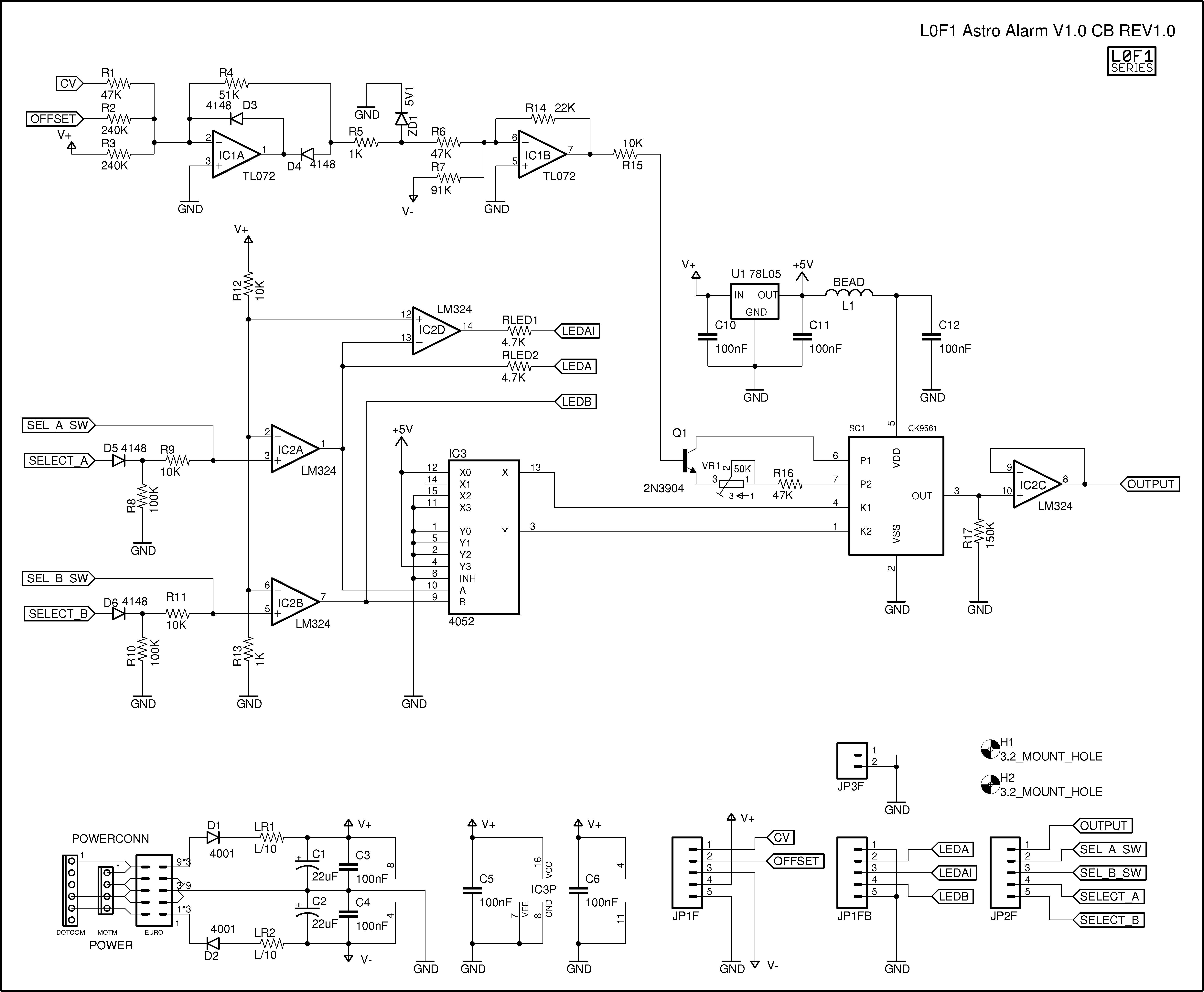
The second module is Astro Alarm.
Astro Alarm is a synthesizer module of the Stickney Synthyards L0F1 series which uses a soundchip that produces 4 different alarm/siren
sounds. The sound is continuous and the pitch can be controlled both manually and with a control voltage, similar to a VCO.
The different alarm sounds can be selected manually with 2 switches (SW1, SW2) or with external gate signals in a binary fashion. Which
sound is selected is indicated by 4 LEDs.
[00] (SW1: up, SW2: up) ALARM A: increases and decreases slowly in pitch.
[10] (SW1: down, SW2: up) ALARM B: increases and decreases fast in pitch.
[01] (SW1: up, SW2: down) ALARM C: two tone sound.
[11] (SW1: down, SW2: down) ALARM D: fast intermittent sound.
This module has 3 inputs: The CV input, for which any voltage can be used as long as it doesn't exceed the supply voltage and the 2 select
inputs which work from about +1.5V up to the supply voltage.
This module has 1 output: The main audio output, which is a (modulated) square wave with a level of 0/5V.
Some more info (incl. more demos) can be found at http://stickneysynthyards.000space.com/astro_alarm/
So for this one I don't have a frontpanel yet but here are some photos of the soldered PCBs, the circuit diagrams and a demo.
| Description: |
| Astro Alarm - Circuit Board |
|
| Filesize: |
202.93 KB |
| Viewed: |
802 Time(s) |
| This image has been reduced to fit the page. Click on it to enlarge. |

|
| Description: |
| Astro Alarm - In/Out Board |
|
| Filesize: |
185.17 KB |
| Viewed: |
830 Time(s) |
| This image has been reduced to fit the page. Click on it to enlarge. |

|
| Description: |
| Astro Alarm circuit board schematic |
|
| Filesize: |
118.43 KB |
| Viewed: |
840 Time(s) |
| This image has been reduced to fit the page. Click on it to enlarge. |

|
| Description: |
| Astro Alarm in/out board schematic |
|
| Filesize: |
35.09 KB |
| Viewed: |
798 Time(s) |
| This image has been reduced to fit the page. Click on it to enlarge. |

|
| Description: |
Astro Alarm demo 5: Both select inputs controlled by random gates and the pitch/speed controlled by a random CV I also added some delay for an extra spacey (no, not kevin) effect. |
|
 Download (listen) |
| Filename: |
Astro Alarm - random gates random CV and delay.wav |
| Filesize: |
10.09 MB |
| Downloaded: |
1332 Time(s) |
_________________ "My perf, it's full of holes!"
http://phobos.000space.com/
SoundCloud BandCamp MixCloud Stickney Synthyards Captain Collider Twitch YouTube Last edited by PHOBoS on Mon May 08, 2017 2:27 pm; edited 1 time in total |
|
|
Back to top
|
|
 |
PHOBoS

Joined: Jan 14, 2010 Posts: 5929 Location: Moon Base
Audio files: 709
|
Posted: Mon May 08, 2017 2:22 pm Post subject:
|
 |
|
For both these modules I made some small kits available for €10,- each at the Stickney Synthyards Shop.
These include the PCB set and all the components needed for the Circuit Board. They don't include pots, sockets, LEDs, switches*.
I don't have frontpanels for them although I could have some made. But I have to order at least 20 (of each) at a time to
make it cost effective which is quite an investment for me, so I can only do that if there is enough interest. This might also
be the only run of these PCBs that I do (again depending on interest) so if you really want one this might be your only chance
*(Bark or Bleat kit includes the momentary button) _________________ "My perf, it's full of holes!"
http://phobos.000space.com/
SoundCloud BandCamp MixCloud Stickney Synthyards Captain Collider Twitch YouTube |
|
|
Back to top
|
|
 |
RingMad

Joined: Jan 15, 2011 Posts: 430 Location: Montreal, Canada
Audio files: 4
|
Posted: Wed May 10, 2017 12:35 pm Post subject:
|
 |
|
Hahahaha! Bark or Bleat is hilarious! Maybe you could invent more circuits with pseudo-animals sounds... Ducks? Elephant Talk? Whales?
.:James:. |
|
|
Back to top
|
|
 |
|