| Author |
Message |
isak

Joined: Dec 13, 2009 Posts: 847 Location: Israel
Audio files: 18
|
|
|
Back to top
|
|
 |
isak

Joined: Dec 13, 2009 Posts: 847 Location: Israel
Audio files: 18
|
Posted: Mon Dec 21, 2015 11:14 pm Post subject:
|
 |
|
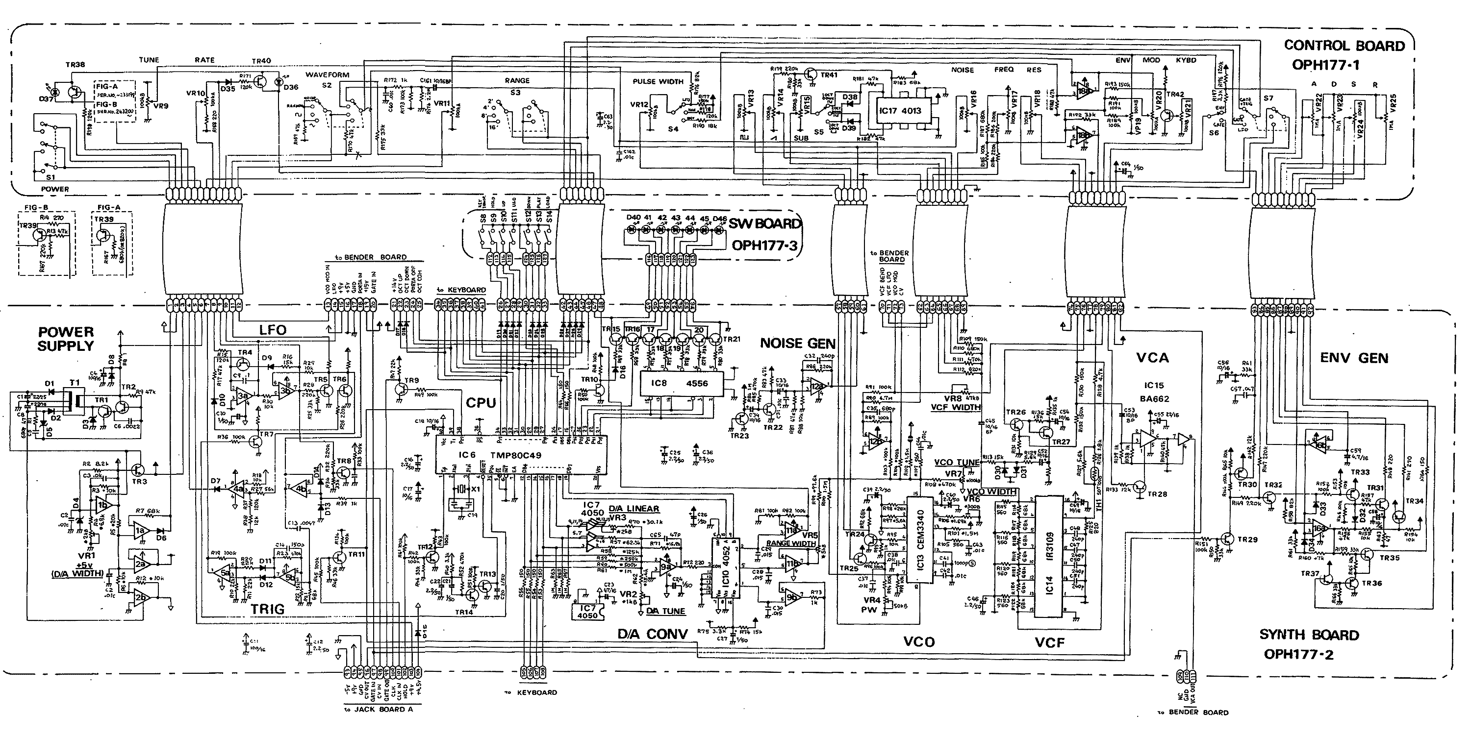
Lets say im going directly to the mod, without the switched part.
I connect it like this...
Tip of jack is connect to ground via 100k directly to opamp pin 2.
Sleeve of jack conected to pin 3 of opamp.
That acording to what i see in the scheme and doesnt work.
After checking and testing, this is how it works..
From pin 2 of opamp to jumper wire throu 100k to GND.
From pin 3 of opamp to both tip and sleeve of the jack together.
How is it possible?
Im using the Gate out of my x0xb0x as a sync to the lfo.
Maybe im doing somethong wrong?
Is this the way it suppose to work?
Can someone light me up here please  _________________ http://www.myspace.com/mgmtrance |
|
|
Back to top
|
|
 |
AlanP
Joined: Mar 11, 2014 Posts: 746 Location: New Zealand
Audio files: 41
|
Posted: Mon Dec 21, 2015 11:36 pm Post subject:
|
 |
|
| If I'm reading the picture right, pin 3 of opamp goes to sleeve of the jack, and pin 2 goes to the tip. The DPDT switch is to select either stock operation, or the new jack. |
|
|
Back to top
|
|
 |
isak

Joined: Dec 13, 2009 Posts: 847 Location: Israel
Audio files: 18
|
Posted: Tue Dec 22, 2015 12:07 am Post subject:
|
 |
|
| AlanP wrote: | | If I'm reading the picture right, pin 3 of opamp goes to sleeve of the jack, and pin 2 goes to the tip. The DPDT switch is to select either stock operation, or the new jack. |
Exactly, that dosent work! _________________ http://www.myspace.com/mgmtrance |
|
|
Back to top
|
|
 |
L´Andratté

Joined: Sep 23, 2012 Posts: 153 Location: Hamburg, Germany
Audio files: 5
|
Posted: Tue Dec 22, 2015 1:43 pm Post subject:
|
 |
|
Hi isak
- maybe your gate signal is the problem (wrong polarity, maybe only a trigger is needed, etc.), hard to say without seeing the rest of the circuit (is the original circuit flow still working? Then probably yes)
- maybe your comparator op amp is damaged (also, is the original circuit flow still working? Then probably not)
- maybe the mod instructions are wrong (I don´t think so, but are there successful reports?)
Should not be too hard to sort it out!  |
|
|
Back to top
|
|
 |
wackelpeter
Joined: May 05, 2013 Posts: 461 Location: germany
Audio files: 10
|
Posted: Tue Dec 22, 2015 2:17 pm Post subject:
|
 |
|
In the Schematic of the SH101 pin3 is tied to +5V and with that mod you would turn it to ground when you turn the Switch...
could this work then too?
http://www.synthfool.com/docs/Roland/SH_Series/Roland_SH-101_Servicemanual/sh101_7.gif
i would scope what originally Comes out of pin1 of U3A... Looks like some kind of an Integrator to me... then there should be a sine/triangle perhaps... and then see how i can achieve this output with an external source...
From the wiring i would say both Pins 2&3 are going to both common lugs of the Switch and then both wires from the board to the ones that are normally closed and both wires from the jack to the ones normally open... also they shouldn't be mixed what i guess you didn't... Have you measured your Switch? I had a few months ago a new one that was broken... is the Switch you have maybe a double swithc with common legs? _________________ https://soundcloud.com/bastian-j |
|
|
Back to top
|
|
 |
isak

Joined: Dec 13, 2009 Posts: 847 Location: Israel
Audio files: 18
|
Posted: Tue Dec 22, 2015 3:35 pm Post subject:
|
 |
|
hi guys, thank you for replying.
i got it fixed, it was the god damn bad cable.
i replaced it and now it works, just like the scheme shows
ive got sync!
now, i found a new problem, when in sync mode the Tri doesnt look like Tri, its Square and act as square.
for the other waveshapes, the Square, well... is Square and the Random is working fine and syncing beautifully.
only the Tri is Square, i thought maybe the Gate signal is to hot, i put a pot to attenuate the Gate signal, that didnt worked.
any ideas what can cause this?
maybe watch the vid clip i made on my FB page, its in hebrew but i think youll understand what i'm doing, its the first post on my wall.
https://www.facebook.com/profile.php?id=100009747785913
thanks again and hope we can fix this tri square issue.
cheers  _________________ http://www.myspace.com/mgmtrance |
|
|
Back to top
|
|
 |
umschmitt

Joined: Jun 29, 2011 Posts: 189 Location: brrlin
Audio files: 11
|
Posted: Wed Dec 23, 2015 8:16 am Post subject:
|
 |
|
Hi there!
Considering my (non) knowledge, i might well be wrong, but it seems to me that when switched in the ext sync mode, U3A doesn't act as an integrator anymore, it turns into a plain comparator. Ignorant as i am, i'd say that putting that C9 back in the game and attenuating the syncing gate output would maybe allow trapezoid to triangle LFO shapes, the only thing being that if it was so simple, all those savvy people out there would have done it already ages ago!
Good luck anyway! _________________ ::U::N::S::C::H::N::E::L::L:: |
|
|
Back to top
|
|
 |
isak

Joined: Dec 13, 2009 Posts: 847 Location: Israel
Audio files: 18
|
Posted: Wed Dec 23, 2015 1:12 pm Post subject:
|
 |
|
Hi umschmitt,
Thanks for the input.
Where and how you suggest putting C9 in? _________________ http://www.myspace.com/mgmtrance |
|
|
Back to top
|
|
 |
L´Andratté

Joined: Sep 23, 2012 Posts: 153 Location: Hamburg, Germany
Audio files: 5
|
Posted: Wed Dec 23, 2015 1:45 pm Post subject:
|
 |
|
well I´m not umschmitt but he means between pin 1 and 2 (-in and out), but I don´t think that would work very well, if at all (an opamp can´t be comparator and integrator at the same time).
well, changing an integrator to comparator is pretty barbaric nothing than a square can come out and renders the rest of the lfo core useless- even if umschnitt´s scheme works, the waveform will be frequency dependent, better would be to sync via TR4, to retain original lfo function... |
|
|
Back to top
|
|
 |
umschmitt

Joined: Jun 29, 2011 Posts: 189 Location: brrlin
Audio files: 11
|
Posted: Wed Dec 23, 2015 3:55 pm Post subject:
|
 |
|
Well i'm not L'Andratté but i think they're right: it wouldn't - if only - work very well and be frequency dependent… And thinking of it, attenuating the input 2 of U3A would somehow put the sync'd out of sync. Not what you want for sure!
Ok my point was (at first!): as i see it, this sync mod opens the loop between opamps creating the inner LFO, disabling it. _________________ ::U::N::S::C::H::N::E::L::L:: |
|
|
Back to top
|
|
 |
isak

Joined: Dec 13, 2009 Posts: 847 Location: Israel
Audio files: 18
|
Posted: Fri Dec 25, 2015 12:26 am Post subject:
|
 |
|
Damn..
So what can i do?
Can i somehow do a sync to the lfo by even adding components? _________________ http://www.myspace.com/mgmtrance |
|
|
Back to top
|
|
 |
AlanP
Joined: Mar 11, 2014 Posts: 746 Location: New Zealand
Audio files: 41
|
Posted: Fri Dec 25, 2015 10:21 am Post subject:
|
 |
|
| You could try a FET of some kind with a gate-to-trigger driving it across the timing cap to discharge it, but that may make the LFO a little bit choppy. |
|
|
Back to top
|
|
 |
isak

Joined: Dec 13, 2009 Posts: 847 Location: Israel
Audio files: 18
|
Posted: Fri Dec 25, 2015 11:46 am Post subject:
|
 |
|
Thanks AlanP
Any chance for an explain scheme?
Meaning how and where exactly i implant inside please. _________________ http://www.myspace.com/mgmtrance |
|
|
Back to top
|
|
 |
AlanP
Joined: Mar 11, 2014 Posts: 746 Location: New Zealand
Audio files: 41
|
Posted: Fri Dec 25, 2015 12:00 pm Post subject:
|
 |
|
http://www.musicfromouterspace.com
Go to his current VCO design, and it'll have a FET across the main VCO capacitor, with supporting circuitry. I *think* it's a soft sync design there. |
|
|
Back to top
|
|
 |
wackelpeter
Joined: May 05, 2013 Posts: 461 Location: germany
Audio files: 10
|
Posted: Sat Dec 26, 2015 2:49 pm Post subject:
|
 |
|
There are also schematics for an gated LFO from the old EFM archives...
Fonik still host them on his Website...
Have built that but decides to left the part of the circuit that shorted the cap out... a comparator and a FET... asi found it wouldnt behave like i expected...
maybe some tests on breadboard can lead you further...
Of further interest could be also this LFO Controller by Thomas Henry:
http://electro-music.com/forum/post-367048.html#367048 _________________ https://soundcloud.com/bastian-j |
|
|
Back to top
|
|
 |
|