| Author |
Message |
Uncle Krunkus
Moderator

Joined: Jul 11, 2005 Posts: 4761 Location: Sydney, Australia
Audio files: 52
G2 patch files: 1
|
|
|
Back to top
|
|
 |
Macaba
Joined: Jul 13, 2005 Posts: 160 Location: UK
|
Posted: Sun Jan 08, 2006 8:41 am Post subject:
|
 |
|
I don't even think you need the right hand gate. When the inhibit is high, regardless of what you put in clock on the left counter, it won't count.
Oh, there will be a gap in the sequence as you havn't got 1 of the left hand counter used. |
|
|
Back to top
|
|
 |
Scott Stites
Janitor


Joined: Dec 23, 2005 Posts: 4127 Location: Mount Hope, KS USA
Audio files: 96
|
Posted: Sun Jan 08, 2006 12:59 pm Post subject:
|
 |
|
Uncle K,
Well - hope the attachement works.
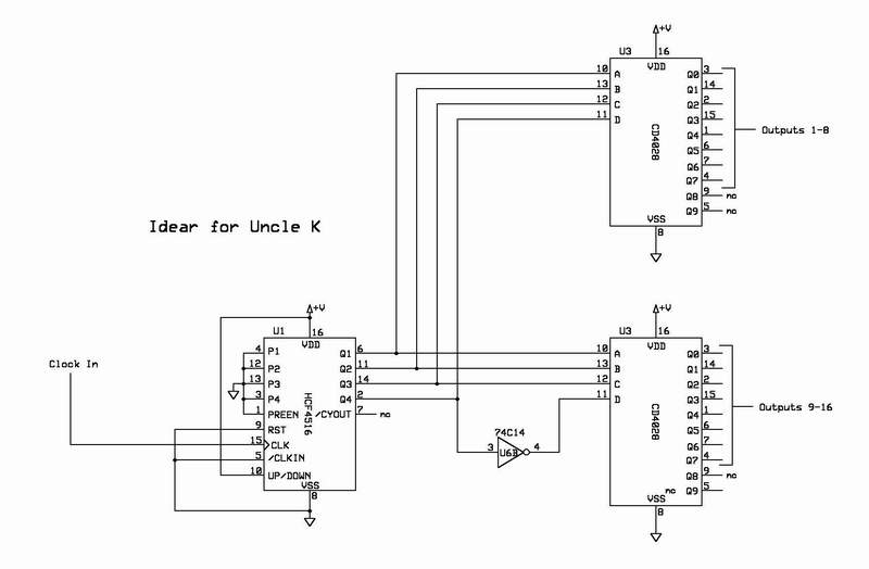
Anyway, here's an alternative to your design. This is the core of the ARP 1601 sequencer and what I'm using for my current 32 step sequencer project. I've changed it a bit - ARP didn't use an up/down counter. It works like a bat out of hell. It's not much more complex than what you have and offers some flexibility in what the sequencer can do, with little added circuitry.
Using the U/D counter will allow you to step up or down in your sequence. You could put in a switch that directed your 'reset' command, which is used to set the number of steps, to instead change the direction of the sequence. That's where another stage of the Schmitt trigger (hell, you have five left over) would come in handy, in addition to a flip flop.
The CD4516 would let you pull a lot of stunts (preload, reverse count, etc), but of course you cold just use a simple up counter, too. I've found this general setup to be a lot easier than the CD4017 route.
If you set up a switch to disallow the inversion on the 'D' input of the second CD4028, then badda-bim, badda bam, you have two 8 step rows in parallel.
Cheerio,
Scott
| Description: |
| Alternate Sequencer Arrangement Using CD4028's and a Counter |
|
| Filesize: |
29.66 KB |
| Viewed: |
37925 Time(s) |

|
|
|
|
Back to top
|
|
 |
Scott Stites
Janitor


Joined: Dec 23, 2005 Posts: 4127 Location: Mount Hope, KS USA
Audio files: 96
|
Posted: Sun Jan 08, 2006 1:06 pm Post subject:
|
 |
|
Note - to get the two 8 steps in parallel, you'd actually want to prevent both CD4028 input D's from going high - a simple enough matter. You could do it with a simple switch and MML logic using the same 74C14/CD40106 package that the selection toggle resides in. Just diodes and a couple of resistors configuring up some AND gates.
Cheers,
Scott |
|
|
Back to top
|
|
 |
mosc
Site Admin

Joined: Jan 31, 2003 Posts: 18269 Location: Durham, NC
Audio files: 231
G2 patch files: 60
|
Posted: Sun Jan 08, 2006 1:22 pm Post subject:
|
 |
|
| Guys. Don't just hardwire the sequencer to run up. It is an up/down counter. At least make it switchable - better yet electrically controlled by a comparator set for 0.5 V. |
|
|
Back to top
|
|
 |
Scott Stites
Janitor


Joined: Dec 23, 2005 Posts: 4127 Location: Mount Hope, KS USA
Audio files: 96
|
Posted: Sun Jan 08, 2006 1:27 pm Post subject:
|
 |
|
Yes, that's why a 4516 is in there. The schematic is rigged that way for simplicity in getting started.
Preload is something to look at too - makes a good way to randomize a sequence with additional circuitry.
Cheers,
Scott |
|
|
Back to top
|
|
 |
Scott Stites
Janitor


Joined: Dec 23, 2005 Posts: 4127 Location: Mount Hope, KS USA
Audio files: 96
|
Posted: Sun Jan 08, 2006 1:31 pm Post subject:
|
 |
|
With a bit more than a little extra circuitry, pre-load is good for CV selection of step. I think that's getting out of the realm of a 'simple' sequencer  |
|
|
Back to top
|
|
 |
mosc
Site Admin

Joined: Jan 31, 2003 Posts: 18269 Location: Durham, NC
Audio files: 231
G2 patch files: 60
|
Posted: Sun Jan 08, 2006 1:34 pm Post subject:
|
 |
|
Yes, an up/down switch is not very complex, but it gives a great deal of more flexibility. Preload is good but is much more complex. I would go with the up/down and skip the preload to keep it simple. _________________ --Howard
my music and other stuff |
|
|
Back to top
|
|
 |
Scott Stites
Janitor


Joined: Dec 23, 2005 Posts: 4127 Location: Mount Hope, KS USA
Audio files: 96
|
Posted: Sun Jan 08, 2006 1:59 pm Post subject:
|
 |
|
Having the ability to parallel the two decoders (creating two 8 step sequencers) would come in handy in a number of apps.
The first would obviously be that you could have two separate notes per step.
The second would be that you could have a preset cutoff for a filter per preset note. Reference Tomita's rendition of "Golliwog's Cakewalk" from "Snowflakes Are Dancing".
The third would be that you could accurately tune an operator and carrier VCO for tuned FM sounds (bells, etc.) - this can be problematic otherwise. It's fairly difficult to get linear tuning of FM with analog synths for a single CV driving the operator and carrier. That takes a high degree of accuracy on the VCO's. being able to tune the differences out per step makes it a very doable thing.
Of course, two separate decoders would not be necessary for this. One could just as easily rig two or more outputs per step with any number of steps by sending each decoder output to two or more tuning pots and having separate CV output busses. Peter Grenader's "Milton" sequencer does this with 16 steps and four separate tunable CV's per step.
Cheerio,
Scott |
|
|
Back to top
|
|
 |
mosc
Site Admin

Joined: Jan 31, 2003 Posts: 18269 Location: Durham, NC
Audio files: 231
G2 patch files: 60
|
|
|
Back to top
|
|
 |
Macaba
Joined: Jul 13, 2005 Posts: 160 Location: UK
|
Posted: Sun Jan 08, 2006 2:33 pm Post subject:
|
 |
|
Thats a VERY cool sequencer! Good job!
Understand that I just want a simple sequencer for the soundlab, but I'd definately build a sequencer like your one some day. COOL! |
|
|
Back to top
|
|
 |
Uncle Krunkus
Moderator

Joined: Jul 11, 2005 Posts: 4761 Location: Sydney, Australia
Audio files: 52
G2 patch files: 1
|
Posted: Sun Jan 08, 2006 2:39 pm Post subject:
|
 |
|
I'm not saying that this is the way to go.
I'm just playing around with some chips I've already got, and Dnny's original idea, which was for 4017s. It's been a while since I played with this stuff, so I need some remedial warm up experiments.
There's no gap Mac, as it is in that circuit, I think it has to do with how the timing works or something, but the left hand 4017 just goes straight to the 2nd position. I would have thought there would be a gap too.
I'm gonna keep playing around with it ('cos I think you're right about ditching the second AND)
I just found out that if you leave it overnight it will probably start in a halfway state which will stop both ANDs from letting any clocks through at all!! This can probably be fixed by pulling up the reset with a cap on startup, but this version probably won't last that long!  _________________ What makes a space ours, is what we put there, and what we do there. |
|
|
Back to top
|
|
 |
blue hell
Site Admin

Joined: Apr 03, 2004 Posts: 24544 Location: The Netherlands, Enschede
Audio files: 299
G2 patch files: 320
|
Posted: Sun Jan 08, 2006 3:23 pm Post subject:
|
 |
|
| Uncle Krunkus wrote: |
There's no gap Mac, as it is in that circuit, I think it has to do with how the timing works or something, |
Just a general concern, I didn't look into any data sheet, so everything might be perfectly in order, <but> :
In clocked (counters in this case) circuits it is usually a good idea to know exactly why a step is skipped. Not knowing such tends to bite later on, as you just might be doing things on a wrong signal edge. Again I'm not saying such is the case here (I didn't look nto it), just that it might be ... _________________ Jan
also .. could someone please turn down the thermostat a bit.
 |
|
|
Back to top
|
|
 |
Uncle Krunkus
Moderator

Joined: Jul 11, 2005 Posts: 4761 Location: Sydney, Australia
Audio files: 52
G2 patch files: 1
|
Posted: Sun Jan 08, 2006 4:09 pm Post subject:
|
 |
|
Yes I agree Jan,
the signal edge thing is almost a certainty.
But like I said this incarnation probably won't last long enough for it to matter. I would like to know why though. That's the fun of experimenting. Learning these things first hand from grass roots level should help alot later. _________________ What makes a space ours, is what we put there, and what we do there. |
|
|
Back to top
|
|
 |
mosc
Site Admin

Joined: Jan 31, 2003 Posts: 18269 Location: Durham, NC
Audio files: 231
G2 patch files: 60
|
Posted: Sun Jan 08, 2006 7:45 pm Post subject:
|
 |
|
I didn't mean any criticism of any of the circuits presented here - just discussing possibilities. It's good to understand as many possibilities as you can when you make a simple project. I think having these discussion here is splendid. _________________ --Howard
my music and other stuff |
|
|
Back to top
|
|
 |
Scott Stites
Janitor


Joined: Dec 23, 2005 Posts: 4127 Location: Mount Hope, KS USA
Audio files: 96
|
Posted: Sun Jan 08, 2006 7:53 pm Post subject:
|
 |
|
| Oh, yes, ditto on both counts. |
|
|
Back to top
|
|
 |
Uncle Krunkus
Moderator

Joined: Jul 11, 2005 Posts: 4761 Location: Sydney, Australia
Audio files: 52
G2 patch files: 1
|
Posted: Sun Jan 08, 2006 10:09 pm Post subject:
|
 |
|
That's cool,
having you dudes around to push me along every now and then is why I'm here.
I don't even understand why I might want "preload" but I'm sure that if I keep my ears clean and my mind open I'll soon find out.
BTW,..
I worked out why it was skipping the 1st output. The same "high" that clocked over the reset condition is still present when the left hand AND gate's switching delay is finished. This presents an immediate clock to that 4017 pushing it to pos 2. It happens so fast that it looks like the pos 1 led was skipped. _________________ What makes a space ours, is what we put there, and what we do there. |
|
|
Back to top
|
|
 |
Scott Stites
Janitor


Joined: Dec 23, 2005 Posts: 4127 Location: Mount Hope, KS USA
Audio files: 96
|
Posted: Sun Jan 08, 2006 11:26 pm Post subject:
|
 |
|
Hi Uncle-K,
Preload could be used for a couple of things.
Probably the easiest use of it would be to enable a random step selection function to a sequencer. Say you had an additional clock that was running 20 or 25 kHz, feeding the preload inputs. In this mode, the clock pulse would be directed to the Preload input rather than the clock input (this could be done with some logic switching). When the clock went high, it would inhibit the fast counter so that a whatever count it was at would be present on the preload inputs. The preload going high would then load that value into the counter, and that would put your step sequencer to whatever step was represented by those four bits. Thing is, you'd want to put a little propagation delay in so that the fast counter froze slightly ahead of when preload went high, so the data would not be moving when the 4516 wanted to load the bits (not a terribly hard thing to do).
ARP used something like this with latches and a fast counter on the 1601. They further randomized things by playing with the speed of the fast counter a bit. I think even without that additional manuver, you'd still get a pretty decent random step selection - the randomization would be a function of the relationship of your sequencer clock and the fast counter clock, rather like the relationship of a the frequency of a S&H clock to the frequency of the sample source.
Not saying you want to do it on this particular sequencer, but that's one thing preload would be good for.
Cheers,
Scott |
|
|
Back to top
|
|
 |
mosc
Site Admin

Joined: Jan 31, 2003 Posts: 18269 Location: Durham, NC
Audio files: 231
G2 patch files: 60
|
Posted: Mon Jan 09, 2006 6:56 am Post subject:
|
 |
|
I was thinking that the preload could be used to impliment the jump buttons. You push button 4, for example, and it jams binary 4 into the preset inputs. A presetable counter is nice that way because it will resume counting (up or down) from the preload value, just like the original MOOG sequencer did. (but that only went up). Anyway, if I had to pick, the up/down switch give more bang for the buck. _________________ --Howard
my music and other stuff |
|
|
Back to top
|
|
 |
Uncle Krunkus
Moderator

Joined: Jul 11, 2005 Posts: 4761 Location: Sydney, Australia
Audio files: 52
G2 patch files: 1
|
Posted: Mon Jan 09, 2006 7:14 am Post subject:
|
 |
|
I think I need to learn more about modular sequencers.
I still don't understand how to do quotes, so
That first sentence of yours Scott may as well be Japanese to me.
You elaborated on it very well but I don't really understand what you're trying to do.
Mosc, up/down seems better to me too, (but only because I still don't get "preload")
Do I seem really thick or what??
I feel it  _________________ What makes a space ours, is what we put there, and what we do there. |
|
|
Back to top
|
|
 |
Uncle Krunkus
Moderator

Joined: Jul 11, 2005 Posts: 4761 Location: Sydney, Australia
Audio files: 52
G2 patch files: 1
|
|
|
Back to top
|
|
 |
Scott Stites
Janitor


Joined: Dec 23, 2005 Posts: 4127 Location: Mount Hope, KS USA
Audio files: 96
|
Posted: Mon Jan 09, 2006 10:08 am Post subject:
|
 |
|
Uncle K,
The U/D would by far be the easiest to implement with a switch.
Howard,
When you jammed the 'jump to' note into the counter, did you immediately initiate a load (IE, the sequencer immediately went to that note) or did you synchronize it with the clock (the sequencer went to that note on the next clock pulse)?
Take care,
Scott |
|
|
Back to top
|
|
 |
Macaba
Joined: Jul 13, 2005 Posts: 160 Location: UK
|
Posted: Mon Jan 09, 2006 10:17 am Post subject:
|
 |
|
| Uncle - Still not happy with that NC 1 on the right counter. Seems like big potential for a glitch. I fully intend to breadboard it tonight and check it out (maybe find a different and possibly better method) |
|
|
Back to top
|
|
 |
mosc
Site Admin

Joined: Jan 31, 2003 Posts: 18269 Location: Durham, NC
Audio files: 231
G2 patch files: 60
|
Posted: Mon Jan 09, 2006 12:00 pm Post subject:
|
 |
|
| Scott Stites wrote: |
When you jammed the 'jump to' note into the counter, did you immediately initiate a load (IE, the sequencer immediately went to that note) or did you synchronize it with the clock (the sequencer went to that note on the next clock pulse)? |
I used an asychronous load, just like the Moog sequencer. I built a big diode array connected to the switches and the preset inputs. Simple but effective. |
|
|
Back to top
|
|
 |
Scott Stites
Janitor


Joined: Dec 23, 2005 Posts: 4127 Location: Mount Hope, KS USA
Audio files: 96
|
Posted: Mon Jan 09, 2006 12:10 pm Post subject:
|
 |
|
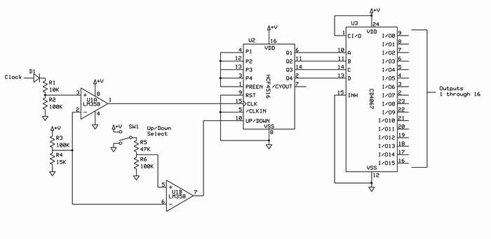
Here's another way to get a 16 step sequence with relatively few components. The CD4067 16X1 mux seems well suited for it. A bloody big IC, though - it's a 'double wide'.
In the schematic, I've got a dual comparator set up - one section handles the up/down switch, and the other section allow you to use an LFO (preferably sharp edged) from the SL to clock it. It'll accept a bipolar LFO.
Of course, missing is a manual step, and also a manual reset would be nice. Both of these come in handy when programming the steps. That would be fairly easy to put in with another dual comparator, though I'd have to play with it to see if diodes would work suitably as an OR for the clock and step inputs, or if it would be better to resort to an IC (which means, um, another IC would be needed). A debounced momentary switch would be good for both a step and reset function. Check out how Ken Stone handled momentary switches on his Pulse Divider/Boolean Logic module here:
http://www.cgs.synth.net/
That's where I lifted the comparator scheme anyway . I've built the Pulse Divider, works pretty well (and comes in handy for sequencing, too).
The same thing could be applied to the dual decoder schematic I previously uploaded. That configuration would make it possible to switch from a 16X1 sequencer to an 8X2 sequencer. If you don't have CD4028's, then a pair of CD4051's could be made to do the same thing by feeding +V into the input (as done with the CD4067 on this schemo).
For the solution to the CD4017, I'll leave it up to you guys to get it purring. I've run a single 10 step sequencer using a CD4017, but I got lazy trying to figure out how to make it do anything higher than that (using two of them). The parts count to make it work made other options look more appealing to me.
Cheers,
Scott
| Description: |
| 16 Step Sequencer Using CD4067 |
|
| Filesize: |
19.95 KB |
| Viewed: |
37830 Time(s) |

|
|
|
|
Back to top
|
|
 |
|