| Author |
Message |
Mooger5
Joined: May 02, 2007 Posts: 199 Location: Portugal
Audio files: 8
|
Posted: Tue May 08, 2007 3:52 pm Post subject:
Moog or SSM filters for my Juno 106: worth trying? |
 |
|
Hello,
I just got tired of fixing the two 80017a IC clones I bought for my Juno 106. Not counting the loud VCA thump I couldn´t get rid of, I just discovered they invert the signal, which was causing some bizarre effects in unison mode. So to the trashcan they went; time to order two NOS ICs...
But before ordering, I would like to know your opinions on the subject of this thread. Is it possible at all? If it is, these 80017a ICs with which some Roland products are cursed may be a blessing, actually. Instead of trying to clone the circuits you could simply plug & play with the filter/VCA sets of your choice!
Space inside the synth looks scarse but there should be enough clearance for the PCBs. Plus, if you look at the schematic you´ll see a good number of "peripheral" parts are already on the main board.
- SSM2044 plus simple CA3080 VCA seems to me the best option.
- CEM3379 would be more practical but are even rarer.
- A Moog ladder plus CA3080 would be my first choice because of the sound, but it uses a bigger number of components. Still, there´s plenty of room for SMD parts...
So what do you think? I´m far from being an electronics expert so every technical advice would be welcome.
| Description: |
|
| Filesize: |
107.77 KB |
| Viewed: |
61743 Time(s) |

|
| Description: |
| Here´s the IC in "detail". As you see Roland didn´t provide much information, hence the difficulty in cloning it. Still, we see the +15V/-15V power rails, the two ground points and that a BA662 was used. I guess the CA3080 may need a buffer. |
|
| Filesize: |
80.38 KB |
| Viewed: |
61669 Time(s) |

|
|
|
|
Back to top
|
|
 |
andrewF

Joined: Dec 29, 2006 Posts: 1176 Location: australia
Audio files: 4
|
Posted: Wed May 09, 2007 7:24 pm Post subject:
|
 |
|
Welcome
are you referring to these clones -
http://www.analoguerenaissance.com/D80017/
?
the description sounds quite good. Is it just a problem of getting them set up to work nicely?
otherwise, it looks like you could fit some filter/vca PCBs in there, and no reason why you can't use components already built in - tho you may have to make some changes.
Choose your fave filter and go for it. |
|
|
Back to top
|
|
 |
Mooger5
Joined: May 02, 2007 Posts: 199 Location: Portugal
Audio files: 8
|
Posted: Thu May 10, 2007 1:19 pm Post subject:
|
 |
|
Hi there
The clones I´m referring to are these - http://synthrestore.co.uk/products.htm
Endorsed by Roland UK´s service centre, that´s why I chose them. What a mistake. Had to solder the resistors to the main board for cut-off calibration as expected (they ship a resistor with every IC now) and new resistors to shut the VCA thump too (which they weren´t expecting). This last tweak didn´t work: at the point where the thump was quieter it traded the signal for noise. Plus the output signal was inverted. The sound had a litlle less body if you listened carefully. Plus, the boards are encased in resin so you can´t fix anything. I ended up breaking the clones to pieces.
D´naab´s clones had good reviews here: http://earpick.wordpress.com/2006/10/10/junomania-how-to-fix-your-juno-106/
Sadly the new revision came out shortly after I had made the purchase. Judging by the description it looks like the design of the clones went by trial and error. I wonder if D´naab is aware of the more accurate description of the IR3109 and all in the Juno 6 service manual?
As there´s an european NOS source for not much more money I don´t think I´ll ever buy 80017a clones again though..
Thank you for the thumbs-up about the new VCF/VCA idea. I already breadboarded a 3080 with nothing but a 2M resistor at the input to ground. I hadn´t seen a 3080 configuration where the signal shares the input with the bias before but it worked reasonably well. Reacted to controls just like the other voices. Still a bit of thump. But the unfiltered DCOs sounded quite powerful. I now realize the limitations presented by the mainboard configuration can be bypassed: the signal could be internally linked to one input of the 3080 ignoring the built-in VCA gain trimmer, leaving the bias to be connected to the other 3080 input. I guess this would be more conventional. What do you think?
It would be nice if more people joined the new VCF/VCA hack project. A new trend could start.
- We haven´t had a Moog poly with a Moog filter per voice since the Memory (the SL-8 was a prototype).
- People keep preferring the Korg Polysix to the Juno because of its SSM filters. The early Prophets vs. CEM ones too. So you could fit SSMs to your Juno and still have them controlled by MIDI.
- Imagine a true polysynth with Steiner filters: A small DIP switch in every board and you could change their state at will. You could even set an LP for one voice, an HP for another, etc and play them in unison for some unique mono-synth noises. Leaving just the three screws at the bottom of the end-cheeks to open the lead and the change could be made in seconds, in time for the next song.
- You could use the new boards and the Roland ones at will too, just by adding IC sockets to the mainboard. Plug & Play.
Sorry, I digress
Space inside is an issue as well as the technical challenges. Because of that, SSM2044 and SSM2018 (trimless VCA) seems the most viable choice. The 2044 sounds great, the 2018 requires few adjacent components, no calibration (I think) and is still manufactured. How well would these two match? |
|
|
Back to top
|
|
 |
mono-poly

Joined: Jul 07, 2004 Posts: 937 Location: Rotterdam, Netherlands
Audio files: 2
|
Posted: Thu May 10, 2007 4:38 pm Post subject:
|
 |
|
Someone should do a vcf upgrade for the Jupiter 6.
Then it would be more a killer like the 4 and 8  |
|
|
Back to top
|
|
 |
Mooger5
Joined: May 02, 2007 Posts: 199 Location: Portugal
Audio files: 8
|
Posted: Fri May 11, 2007 3:08 pm Post subject:
|
 |
|
I finally managed to put the 3080 to work properly.
- Shunted the mainboard pins 1 and 3 (no VCF yet);
- From pin 9 to inverting input of 3080 as well as a 220R to ground;
- Another 220R to ground from non-inverting 3080 input;
- 3080 output direct to mainboard pin 10;
- Mainboard pin 11 to 3080 pin 5;
- Power rails...
- Calibrate...
That´s it! VCA done for now. Output is slightly hot. Don´t know how full six voices will behave. Hopefully the filters will tame it a little.
Here´s an MP3 file. It´s just me looking for the non-filtered voice and testing VCA response. Last note with envelope at full release time. Smooth.
http://www.speedyshare.com/231814298.html |
|
|
Back to top
|
|
 |
Mooger5
Joined: May 02, 2007 Posts: 199 Location: Portugal
Audio files: 8
|
|
|
Back to top
|
|
 |
Mooger5
Joined: May 02, 2007 Posts: 199 Location: Portugal
Audio files: 8
|
Posted: Wed May 23, 2007 12:33 pm Post subject:
|
 |
|
The chips finally arrived from HKSS and breadbording already began. It was all very straightforward. The only thing that didn´t work right from the start was Q control. Bypassing the PNP transistor Tr18 with a wire (one for each voice) will be the only modifications to the mainboard.
A preamp stage (TL071) was required between the SSM and the 3080. Thanks to BlueHell for the advice posted in the Simple VCA thread.
I think it sounds nice. A bit crude compared to the Roland filter, but very expressive. Perhaps another preamp stage before the SSM will refine it.
A TL072 will provide the second channel, still occupying the same footprint.
| Description: |
|
| Filesize: |
340.45 KB |
| Viewed: |
61643 Time(s) |

|
| Description: |
|
 Download (listen) |
| Filename: |
SSMJUNO-2.mp3 |
| Filesize: |
448.21 KB |
| Downloaded: |
1496 Time(s) |
| Description: |
| This time without the chorus effect |
|
 Download (listen) |
| Filename: |
SSMJUNO-1.mp3 |
| Filesize: |
444.53 KB |
| Downloaded: |
1519 Time(s) |
|
|
|
Back to top
|
|
 |
Mooger5
Joined: May 02, 2007 Posts: 199 Location: Portugal
Audio files: 8
|
|
|
Back to top
|
|
 |
urbanscallywag

Joined: Nov 30, 2007 Posts: 317 Location: sometimes
|
Posted: Mon Jun 30, 2008 8:40 am Post subject:
|
 |
|
| I'd be interested in hearing if anyone still has the samples! |
|
|
Back to top
|
|
 |
crashlander42

Joined: Oct 21, 2006 Posts: 292 Location: Orlando, FL (US)
|
Posted: Mon Jun 30, 2008 5:41 pm Post subject:
|
 |
|
I am fascinated by this as well. I have a Juno with 2 dead chips in it but don't really treasure the idea of dumping the 40euro plus shipping for the clone chips. Especially with the worthless crap a is worth compared to the euro now right now.
Would be nice if the pics and samples worked. _________________ When they plug me in the lights go down in Hong Kong.
http://www.myspace.com/isaciongun
http://www.youtube.com/user/Crashlander42
My DIY stuff Flickr |
|
|
Back to top
|
|
 |
neandrewthal

Joined: May 11, 2007 Posts: 672 Location: Canada
|
Posted: Mon Jun 30, 2008 9:35 pm Post subject:
|
 |
|
No shit, eh? Roland's Canadian service center doesn't even endorse CEM3340 because they no longer have any in stock! They refused to replace one for my Jupiter 6's previous owner even though he had the chip. _________________ " I went through quite a few trannies til I found one I liked" - Wild Zebra |
|
|
Back to top
|
|
 |
crashlander42

Joined: Oct 21, 2006 Posts: 292 Location: Orlando, FL (US)
|
|
|
Back to top
|
|
 |
CJ Miller

Joined: Jan 07, 2007 Posts: 368 Location: 127.0.0.1
|
Posted: Tue Jul 01, 2008 4:51 am Post subject:
|
 |
|
I have often thought about doing some mods to my 106. It was given to me by a friend, so I treasure it, but the synth is not really to my style. If I was going to replace the filters? I'd try something a bit edgier, like an MS50 or Polivoks.
As it is though, I have thought about instead building waveshape circuits to go between the DCOs and VCFs. The project has dropped pretty far back on my list of things to do for now.
Another possibility is firmware mods... I have asked around over years whether or not anybody in the synth DIY community has any experience with those funky Japanese microcontrollers and never gotten a reply. They are hard to even find much information on. |
|
|
Back to top
|
|
 |
Mooger5
Joined: May 02, 2007 Posts: 199 Location: Portugal
Audio files: 8
|
Posted: Mon Jul 07, 2008 6:23 pm Post subject:
|
 |
|
| urbanscallywag wrote: | | I'd be interested in hearing if anyone still has the samples! |
I should have preserved the samples myself since I´m the original poster but I don´t have them anymore. Sorry. Anyway, the SSM2044 sounds warmer than the 80017a, but less clean. Plus the resonance slope seems narrower. With the 80017a the frequencies seem to rise earlier in the low-pass band, which I believe is due to a small portion of the signal going to the VCA that controls the resonance amount, certainly to compensate for the otherwise low frequency loss. In the end it´s just a small trade-off I can live with.
To all: Sorry for the late reply but I have been away on holidays. Since this thread died a few progresses were made but I didn´t post further due to the apparent lack of interest. Still, before breadboarding it needs a bit more tweaking.
The SSM2044 is really the best option here since pretty much every part needed is already on-chip and the necessary adjustments are made with the on-board components. The SSM2044 has also a PNP transistor that converts voltage to current for the OTA that controls the resonance amount. There´s a similar one in the board too since it´s absent in the 80017a. So this one is redundant and has to be bypassed with a bit of wire or the resonance control won´t work at all. This is AFAIK the only modification to the board that´s needed.
Perhaps a grounding resistance would work? So we would have a control voltage converted to current by the on-board PNP transistor, then in the new filter board there would be a resistor to ground for converting the current back to a voltage which in turn would reach the on-chip PNP transistor that converts the voltage to current needed for the Q VCA to work. This would prevent any modification to the mainboard... How about it? It´s here that any expert´s help would be apreciated.
Something I was struggling with back then was the cut-off ranging from fully closed at 3 and fully open at 8. It works as it is of course, but it´s not very practical for fine-tuning the frequency. Perhaps a little resistance to tame the control voltage will fix it, or better yet, lower capacitance values.
So, you can download the SSM2044 datasheet and start from there.
For the VCA anything goes, but instead of a CA3080 plus buffer opamp today I´d choose a BA6110 . Easy to get from Hong Kong Super Seller at Ebay.
Thanks for your interest and let me know what you think. |
|
|
Back to top
|
|
 |
Mooger5
Joined: May 02, 2007 Posts: 199 Location: Portugal
Audio files: 8
|
Posted: Mon Jul 07, 2008 7:08 pm Post subject:
|
 |
|
| neandrewthal wrote: |
No shit, eh? Roland's Canadian service center doesn't even endorse CEM3340 because they no longer have any in stock! They refused to replace one for my Jupiter 6's previous owner even though he had the chip. |
Yep, as they say in the front page:
"These equivalents (now called the SR4217A) are now an offically endorsed by Delatronics.co.uk, who are Roland UK's official service & repair centre."
Didn´t search thoroughly but so far no sign of such "an offically endorsement" in Delatronic´s page.
Guess their spelling says it all  |
|
|
Back to top
|
|
 |
crashlander42

Joined: Oct 21, 2006 Posts: 292 Location: Orlando, FL (US)
|
|
|
Back to top
|
|
 |
Mooger5
Joined: May 02, 2007 Posts: 199 Location: Portugal
Audio files: 8
|
Posted: Tue Jul 22, 2008 3:32 am Post subject:
|
 |
|
How´s it going? I´m ordering BA6110s right now and possibly during the weekend I´ll get back to this project.
A quick repair to something I posted:
| Mooger5 wrote: | Something I was struggling with back then was the cut-off ranging from fully closed at 3 and fully open at 8. It works as it is of course, but it´s not very practical for fine-tuning the frequency.
|
Well, after playing with the Juno I found the above happens only when ENV and KYBD are set at zero. That´s how I was testing the SSM2044 filter, using just the FREQ slider so that none of the other controls would interfere. So the quoted situation is normal and the SSM2044 behaves exactly like the 80017a! |
|
|
Back to top
|
|
 |
crashlander42

Joined: Oct 21, 2006 Posts: 292 Location: Orlando, FL (US)
|
Posted: Tue Jul 22, 2008 4:54 pm Post subject:
|
 |
|
I'm going to open my juno up tonight and desolder my bad 80017's. It occurs to me that if I get this working on one voice I may be able to finance the necessary parts to replace the other 5 by selling off my 3 remaining good 80017's.
I mean it only makes sense to replace them all right? so I don't have 3 filters that sound slightly different.
I'd like to breadboard it and make a simple pcb that I can use for the others. _________________ When they plug me in the lights go down in Hong Kong.
http://www.myspace.com/isaciongun
http://www.youtube.com/user/Crashlander42
My DIY stuff Flickr |
|
|
Back to top
|
|
 |
Mooger5
Joined: May 02, 2007 Posts: 199 Location: Portugal
Audio files: 8
|
Posted: Wed Jul 23, 2008 12:56 pm Post subject:
|
 |
|
| crashlander42 wrote: | I'm going to open my juno up tonight and desolder my bad 80017's. It occurs to me that if I get this working on one voice I may be able to finance the necessary parts to replace the other 5 by selling off my 3 remaining good 80017's.
I mean it only makes sense to replace them all right? so I don't have 3 filters that sound slightly different. |
That´s right. As the SSM2044 does not sound exactly like the 80017a nor does it pretend to be, it´s been my intention from the beginning to make all six filter/vca boards.
It´s also convenient to mount IC sockets like the one in the picture. It´s 11 pins but as there´s a gap in the voiceboard between pin 1 and pin 2, I cut each socket to measure 12 pins and brake the second pin with plyers so the sockets fit perfectly. Then I seal the unused hole with solder to prevent wiring mistakes.
| Quote: | | I'd like to breadboard it and make a simple pcb that I can use for the others. | Good idea. I´ll stick to good old breadboard but proper pcbs will look neat and professional. Last edited by Mooger5 on Tue Aug 05, 2008 3:19 pm; edited 1 time in total |
|
|
Back to top
|
|
 |
crashlander42

Joined: Oct 21, 2006 Posts: 292 Location: Orlando, FL (US)
|
Posted: Wed Jul 23, 2008 4:48 pm Post subject:
|
 |
|
| Mooger5 wrote: |
It´s also convenient to mount IC sockets like the one in the picture. It´s 11 pins but as there´s a gap in the voiceboard between pin 1 and pin 2, I cut each socket to measure 12 pins and cut the second pin with plyers so the sockets fit perfectly. Then I seal the unused hole with solder to prevent wiring mistakes. |
Definitely.
I got my dead 80017's out last night but stopped because I couldn't find the headers & sockets I thought I had. I'm just going to wait until they get here to go any further. _________________ When they plug me in the lights go down in Hong Kong.
http://www.myspace.com/isaciongun
http://www.youtube.com/user/Crashlander42
My DIY stuff Flickr |
|
|
Back to top
|
|
 |
Mooger5
Joined: May 02, 2007 Posts: 199 Location: Portugal
Audio files: 8
|
Posted: Tue Aug 05, 2008 2:23 pm Post subject:
|
 |
|
Sorry for the late reply.
The BA6110s arrived only yesterday from the well-known HK store. I got 25 chips for 15 euros or something. They look brand new. I tested two so far, and they´re all good.
I chose the BA6110 because it seems to share the same characteristics of the BA662 (plus a bit better snr) so it´ll make life easier.
So the VCA part is done. The needed components are just three resistors. I re-attach the schematics plus the 6110 pinout.
| Description: |
|
| Filesize: |
35.62 KB |
| Viewed: |
65063 Time(s) |

|
| Description: |
|
| Filesize: |
123.54 KB |
| Viewed: |
883 Time(s) |
| This image has been reduced to fit the page. Click on it to enlarge. |

|
| Description: |
|
| Filesize: |
80.38 KB |
| Viewed: |
4629 Time(s) |
| This image has been reduced to fit the page. Click on it to enlarge. |

|
|
|
|
Back to top
|
|
 |
Mooger5
Joined: May 02, 2007 Posts: 199 Location: Portugal
Audio files: 8
|
|
|
Back to top
|
|
 |
Mooger5
Joined: May 02, 2007 Posts: 199 Location: Portugal
Audio files: 8
|
Posted: Tue Aug 05, 2008 3:12 pm Post subject:
|
 |
|
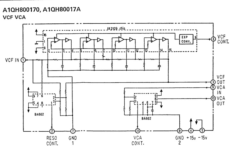
To test the BA6110 on the Juno106 without the filter I did as follows:
Take IC13 in the JUNO VCFVCA.jpg as ref.
Bridged pins 1 and 3 to make a direct connection to the Wave Xout;
From pin 9 (VCA in) ran a wire to BA6110 neg input (pin2) and a 470R to ground.
From BA6110 pos input (pin1) goes a 470R to ground;
From IC13 pin 11 (VCA Cont.) ran a straight connection to BA6110 pin 4;
BA6110 pins 6 and 7 are shunted and from there goes the 47K to ground;
BA6110 pin 8 (buffer out) goes straight to IC13 pin 10 (VCA out). I forgot to search for DC at the output, sorry. One might need a blocking cap there...
IC13 pin 4 (+15V) to BA pin 9;
IC13 pin 5 (-15V) to BA pin 5;
IC13 pin 7/8 is ground.
I left BA6110 pin 3 (input bias) unconnected... required resistor seems to be 150K but I do not have any at the moment. Didn´t experience any trouble without it, just the usual but barely noticeable bleedthrough... If someone recommends to use it please say something. Thanks.
For now, that´s it. The VCA sounds clean and dynamic. I´ll post an audio example if anyone´s interested.
Best of it, it doesn´t thump. In fact, the onboard trimmers don´t even change the sound much, so it will be easy to calibrate. |
|
|
Back to top
|
|
 |
Uncle Krunkus
Moderator

Joined: Jul 11, 2005 Posts: 4761 Location: Sydney, Australia
Audio files: 52
G2 patch files: 1
|
Posted: Tue Aug 05, 2008 4:36 pm Post subject:
|
 |
|
| Mooger5 wrote: | | It´s also convenient to mount IC sockets like the one in the picture. |
You said there was a gap in it somewhere, where you cut off the pin and filled the hole.
A tip I learned is that you can pop individual pins out of that strip.
Just put a slight 3mm hole in a piece of wood,
now turn the strip upside down with the pin you don't want over the hole,
grip the bottom of the pin with needle nosed pliers,
and tap the pliers with a larger set of pliers or small hammer.
The pin will just pop out.
This is also a handy thing when you want to attach a pin to a piece of wire for "air socketing". Don't forget to put a bit of heatshrink over the join for insulation, and good mechanical strength.  _________________ What makes a space ours, is what we put there, and what we do there. |
|
|
Back to top
|
|
 |
blue hell
Site Admin

Joined: Apr 03, 2004 Posts: 24606 Location: The Netherlands, Enschede
Audio files: 310
G2 patch files: 320
|
Posted: Tue Aug 05, 2008 4:43 pm Post subject:
|
 |
|
| Uncle Krunkus wrote: | | and tap the pliers with a larger set of pliers or small hammer. The pin will just pop out. |
And when you're lazy you can just push them out with a hot iron  _________________ Jan
also .. could someone please turn down the thermostat a bit.
 |
|
|
Back to top
|
|
 |
|