| Author |
Message |
bugbrand

Joined: Nov 27, 2005 Posts: 846 Location: Bristol, UK
Audio files: 1
G2 patch files: 1
|
Posted: Thu May 17, 2007 3:35 am Post subject:
Seq-y pattern generator project Subject description: Squelch&wobble technoid. |
 |
|
Here's a new plan for a really simple type of wierdy seq/preset... I began this as a core module to be driven by AVR micro but then I lost momentum on learning AVRs so decided I'd mod it to be a nice standalone unit that'd fit into my scheme of things ---- ie. I take a main clock signal, divide it in many ways (2,3,4,5,7,9,15,27,etc) - re-combine these and you end up with a beat but which has cross-rhythms and ever-shifting morph.
The 4052 that is the core is really easy to use - its a dual 4way multiplexer --- just input gate signals to the A and B ports and you can select which input is joined up... Think binary
:::
Bit1 Bit0 => Step
0 0 A
0 1 B
1 0 C
1 1 D
The first half is tied to four pots (0 to +5v range) and the 2nd half provides LED step indicators.
The Bit Inputs each have two Or'd inputs (thanks for the recent thread about such things - reminded me how simple this technique is)
I decided to build it as a dual rack --- the two circuits both run off the same Gate Bit inputs (didn't have the panel space to effectively have independent bit selection + associated LEDs)
Anything more I'm forgetting???
Here's Pic / Schematic / YouTube demo
(((I'm not a techno person, but these things really do spew out the wonky dance beats!)))
Yes, I did get the engraving a bit wrong....!....
This is on the BugBrand Electronics Page
YouTube Demo Video
By the way - the demo shows it being driven by various clock divisions. The two outputs are then used to control pitch / waveshape (on two XR2206 VCOs) and filter cutoff. Couple of Envs in there two... Squelch! _________________ http://www.bugbrand.co.uk
http://www.bugbrand.blogspot.com |
|
|
Back to top
|
|
 |
shawn
Joined: Dec 13, 2005 Posts: 209 Location: savannah
|
Posted: Thu May 17, 2007 8:40 am Post subject:
|
 |
|
I take it the engraving is done with the router? What did you use to fill in engraved areas with? White paint? Fingernail polish? Still looks great though!
Downloading the video now!
I'm still waiting for a free moment to start playing with the router again. So glad college is done! |
|
|
Back to top
|
|
 |
para
Joined: Oct 16, 2006 Posts: 276
|
Posted: Thu May 17, 2007 8:47 am Post subject:
|
 |
|
wow Bugs very nice results. i've got some multiplexers on their way here i was about to start messing with. i'll have to put one of these together. very simple but very cool. maybe this will help me figure them out better.
steven |
|
|
Back to top
|
|
 |
Scott Stites
Janitor


Joined: Dec 23, 2005 Posts: 4127 Location: Mount Hope, KS USA
Audio files: 96
|
Posted: Thu May 17, 2007 9:10 am Post subject:
|
 |
|
I don't have the technology for UTube, but I bet it sounds wild.
Nice to see the musical exploitation of CMOS is alive and well in the UK!
Cheers,
Scott |
|
|
Back to top
|
|
 |
shawn
Joined: Dec 13, 2005 Posts: 209 Location: savannah
|
Posted: Thu May 17, 2007 9:19 am Post subject:
|
 |
|
| Scott, I assume you are using dialup? There's a plugin within firefox called videodownloader that will allow you to download embedded video files. All you would need is that program as well as flvplayer and you are set. That way you can download the video and play it on your workstation anytime. |
|
|
Back to top
|
|
 |
fluxmonkey
Joined: Jun 24, 2005 Posts: 708 Location: cleve
|
Posted: Thu May 17, 2007 9:21 am Post subject:
|
 |
|
nice... but where are the vactrols??? (heh)
i'm thinking, an evil co-mingle of this and a circuit that showed up via matrixsynth the other day: here, and here...
oh boy, one more project on the to-do list...
bbob
www.fluxmonkey.com |
|
|
Back to top
|
|
 |
Scott Stites
Janitor


Joined: Dec 23, 2005 Posts: 4127 Location: Mount Hope, KS USA
Audio files: 96
|
Posted: Thu May 17, 2007 9:25 am Post subject:
|
 |
|
Hey Shawn - thanks for the tip! I'll give that a try.
Yep - dial-up. I'm hoping to get that changed very soon. A new technology has finally cast its shadow on Mount Hope. |
|
|
Back to top
|
|
 |
vtl5c3
Joined: Sep 08, 2006 Posts: 425 Location: PDX
Audio files: 13
|
Posted: Thu May 17, 2007 9:31 am Post subject:
|
 |
|
I like it. In a weird way it reminds me of the Klee sequencer. PicoKlee?  |
|
|
Back to top
|
|
 |
blue hell
Site Admin

Joined: Apr 03, 2004 Posts: 24556 Location: The Netherlands, Enschede
Audio files: 303
G2 patch files: 320
|
Posted: Thu May 17, 2007 10:11 am Post subject:
|
 |
|
| Scott Stites wrote: | | Hey Shawn - thanks for the tip! I'll give that a try. |
Look here : https://addons.mozilla.org/en-US/firefox/addon/3590
I just downloaded it a few days ago, it seems to work well. BTW VLC can play svf files (in case you already have that). _________________ Jan
also .. could someone please turn down the thermostat a bit.
 |
|
|
Back to top
|
|
 |
v-un-v
Janitor


Joined: May 16, 2005 Posts: 8932 Location: Birmingham, England, UK
Audio files: 11
G2 patch files: 1
|
|
|
Back to top
|
|
 |
bugbrand

Joined: Nov 27, 2005 Posts: 846 Location: Bristol, UK
Audio files: 1
G2 patch files: 1
|
Posted: Thu May 17, 2007 2:27 pm Post subject:
|
 |
|
Cheers
I just remembered that I'd meant to test it stepping at audio rates --> should be able to make some really strange waveforms 'cos I think its very possible to run the whole thing at audio speeds..
..and it wouldn't be too hard to mod it into a vactrol machine!
The routing --> no in-fills or anysuch - I use Paia Fracraks panels (that come in black) and just engrave straight into this -- so its just raw metal you see. Simple & effective.
I'm a bit ashamed to say, but I've not allowed myself to really check all the wonders that the Klee design no doubt offers - I know I'd get too pulled in by it! Ah, maybe I should have a peek through it after all! _________________ http://www.bugbrand.co.uk
http://www.bugbrand.blogspot.com |
|
|
Back to top
|
|
 |
Scott Stites
Janitor


Joined: Dec 23, 2005 Posts: 4127 Location: Mount Hope, KS USA
Audio files: 96
|
Posted: Thu May 17, 2007 8:15 pm Post subject:
|
 |
|
 |
|
|
Back to top
|
|
 |
fonik

Joined: Jun 07, 2006 Posts: 3950 Location: Germany
Audio files: 23
|
Posted: Fri May 18, 2007 4:15 am Post subject:
|
 |
|
nice design. i thought of such a pattern generator/sequencer before when i was building a 4way-switch module.
so what about adding a comparator/trigger generator to each input? (such as ken stones gate2trigger generator? would need only 2 ICs more) you could feed almost any LFO waveform to all the four bit inputs... _________________
cheers,
matthias
____________
Big Boss at fonitronik
Tech Buddy at Random*Source |
|
|
Back to top
|
|
 |
bugbrand

Joined: Nov 27, 2005 Posts: 846 Location: Bristol, UK
Audio files: 1
G2 patch files: 1
|
|
|
Back to top
|
|
 |
vtl5c3
Joined: Sep 08, 2006 Posts: 425 Location: PDX
Audio files: 13
|
Posted: Mon Aug 20, 2007 3:09 pm Post subject:
|
 |
|
I have a question about this pattern generator: Since the pots are all tied to the 5V regulator, won't there be problems if all pots are turned fully towards ground? Seems like it would short the supply to ground, which wouldn't be good.
R. |
|
|
Back to top
|
|
 |
mono-poly

Joined: Jul 07, 2004 Posts: 937 Location: Rotterdam, Netherlands
Audio files: 2
|
Posted: Mon Aug 20, 2007 5:27 pm Post subject:
|
 |
|
| I like it! |
|
|
Back to top
|
|
 |
bugbrand

Joined: Nov 27, 2005 Posts: 846 Location: Bristol, UK
Audio files: 1
G2 patch files: 1
|
Posted: Mon Aug 20, 2007 5:37 pm Post subject:
|
 |
|
| vtl5c3 wrote: | I have a question about this pattern generator: Since the pots are all tied to the 5V regulator, won't there be problems if all pots are turned fully towards ground? Seems like it would short the supply to ground, which wouldn't be good.
R. |
Nah?! You'd still have the full 10k per pot between 5v and gnd.., surely?!
By the way - I did end up adding on standard comparator based gate/trigger inputs for full versatility. _________________ http://www.bugbrand.co.uk
http://www.bugbrand.blogspot.com |
|
|
Back to top
|
|
 |
vtl5c3
Joined: Sep 08, 2006 Posts: 425 Location: PDX
Audio files: 13
|
Posted: Mon Aug 20, 2007 7:57 pm Post subject:
|
 |
|
hmm... you know. I think you're right. I'm not as good at mentally working this kind of stuff as I could be.
The layout I did adds two of the comparator sections that Ken Stone used for his Gated Comparator module. Makes good sense to me to be able to trigger from any input signal, not just square waves. several of my old analog sequencers work that way. Using a s&h'd noise signal on the input makes for some interesting jazz-like improvisations.
Now to drill some holes!
R. |
|
|
Back to top
|
|
 |
Rykhaard
Joined: Sep 02, 2007 Posts: 1290 Location: Canada
|
Posted: Sat Sep 08, 2007 11:03 am Post subject:
|
 |
|
OMFG!! What a great little beat mangler!! I'm JUST in the middle of working out designs for a new sequencer for my modular and by golly, I'm building one of yours first thing!!
If I do any further modifications to it I'll let you know as well as request permissions from you, before posting the a report / schematic of it, to the Design section at my website.
To heck with my own current designs for the moment. I'm laying out the circuit for one of yours right NOW! Haha. The video of it is phenominal! I can't wait to finally have something of the such in my machine again.
(My hopes are eventually to be able to have my modular play itself. Now that I've got 3 VCOs up and running, my next step is to get my first sequencer done.) |
|
|
Back to top
|
|
 |
Rykhaard
Joined: Sep 02, 2007 Posts: 1290 Location: Canada
|
Posted: Sun Sep 09, 2007 8:53 am Post subject:
My first modification idea |
 |
|
After a few hours of thought on modifications for the pattern generator of yours, I just came up with this idea:
Seeing that you've built a wonderful dual unit, with both of them controlled by the same 2 logic inputs, I'm going to build a dual unit as well, with this change though:
Patt.Gen. #1's 4 outputs will be controlled by the 2 NOR inputs:
1 = 0 _ 2 = 0 _ Out = 0 (Output the 1st input)
1 = 0 _ 2 = 1 _ Out = 1 (Output the 2nd input)
1 = 1 _ 2 = 0 _ Out = 1 (Output the 3rd input)
1 = 1 _ 2 = 1 _ Out = 1 (Output the 4th input)
Patt.Gen #2's 4 output will be controlled by the 2 NAND inputs:
1 = 0 _ 2 = 0 _ Out = 1 (Output the 4th input)
1 = 0 _ 2 = 1 _ Out = 0 (Output the 3rd input)
1 = 1 _ 2 = 0 _ Out = 0 (Output the 2nd input)
1 = 1 _ 2 = 1 _ Out = 0 (Output the 1st input)
Having the 2 Patt.Gen.'s opposing each other, in which output is selected would allow you to:
- send different CVs to VCAs for stereo control of audio
- send different CVs to VCAs for ampitude control of audio to change a sound depending on which inputs are HIGH
- many other possibilities
Taking this a step further - go with a CD4051 giving you 3 bits of control, over which of 8 inputs for each of 2 x CD4051's are sent to their respective outputs.
Time to start laying out a circuit for this on copper. (Of course, I'll be adding the other's recommendations of input buffering for the control bits.)
Again - a wonderful module idea from you, Bug!
(edit) P.S. Oh yeah! I just remembered another addition to it: Portamento for each of the outputs.  Last edited by Rykhaard on Sun Sep 09, 2007 8:44 pm; edited 1 time in total |
|
|
Back to top
|
|
 |
vtl5c3
Joined: Sep 08, 2006 Posts: 425 Location: PDX
Audio files: 13
|
Posted: Sun Sep 09, 2007 7:37 pm Post subject:
|
 |
|
Finished my first iteration of this dual pattern generator. I replaced the simple diode inputs with the input comparator (X4) that Ken Stone designed for his Gated Comparator, since it's nice and flexible. This way I can clock each pattern generator off any input signal, not limited to pulses. The comparator has additional offset inputs, so you can create quite complex timing variations if you voltages going into all eight inputs.
It's an interesting enough module, very mesmerizing when you get both sides going and use them to control different things, fading between them. Things that I think that would greatly enhance this module:
1) CV Processor - A circuit that would allow mixing of both of a dual unit's outputs, including inversion and lag. Matthias Hermann's found on http://www.modular.fonik.de/Page15.html is good candidate for this.
2) One unit's timing input could control the other. Switching jacks would make this easy. You could have both units in sync this way, but use offset voltages to provide variations (if you're using the CGS comparator).
3) Boolean logic for processing the pulses. Ryk's suggestion was definitely right on track. I think this would be a very useful mod for a dual unit... I'm thinking if they both use the same input clock signals, but one side XORs the pulses, and the other ANDs them (for example) would create some interesting timing relationships. Obviously, there are many possibilities here.
All in all, I'm glad I built this unit. It's a great alternative source for CV patterns. Thank you Mr. Bugbrand!
[Edit]
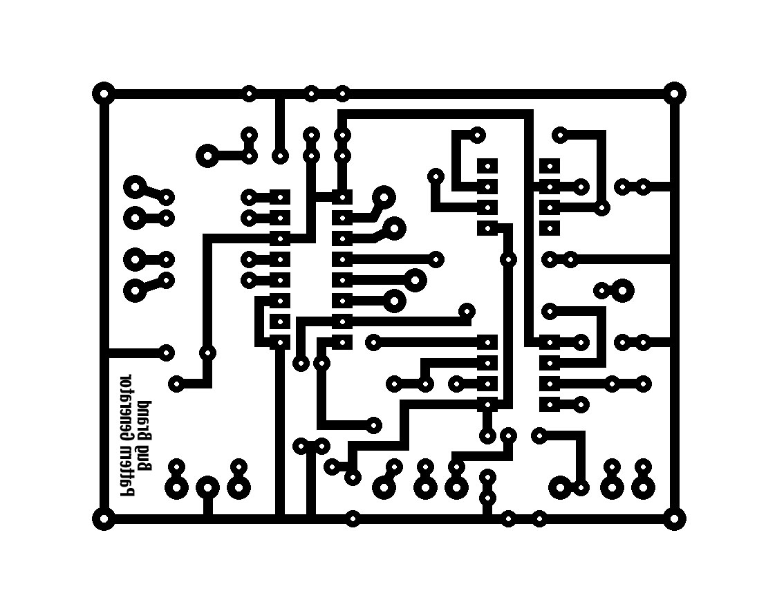
Am adding my PCB layout. This has been tested. Includes the comparator (x2) as found here: http://www.cgs.synth.net/modules/cgs13_gated_comparator.html In the schematic, it's the circuit at the top left that connects to pin 7 of the CD4015
| Description: |
| Bug brand pattern Gen PCG (tested - Works!) |
|
| Filesize: |
160.45 KB |
| Viewed: |
329 Time(s) |
| This image has been reduced to fit the page. Click on it to enlarge. |

|
| Description: |
| Parts placement for above PCB |
|
| Filesize: |
231.27 KB |
| Viewed: |
312 Time(s) |
| This image has been reduced to fit the page. Click on it to enlarge. |

|
Last edited by vtl5c3 on Sun Sep 09, 2007 9:14 pm; edited 3 times in total |
|
|
Back to top
|
|
 |
Rykhaard
Joined: Sep 02, 2007 Posts: 1290 Location: Canada
|
Posted: Sun Sep 09, 2007 8:43 pm Post subject:
|
 |
|
| vtl5c3 wrote: |
3) Boolean logic for processing the pulses. Ryk's suggestion was definitely right on track. I think this would be a very useful mod for a dual unit... I'm thinking if they both use the same input clock signals, but one side XORs the pulses, and the other ANDs them (for example) would create some interesting timing relationships. Obviously, there are many possibilities here.
All in all, I'm glad I built this unit. It's a great alternative source for CV patterns. Thank you Mr. Bugbrand!  |
I sat down this evening, searching through my paper archives for past projects / including failed panels from my modular that I've ripped out and have settled on a plan that I'm happy with - which will follow somewhat along the lines of what you've mentioned above.
My next 3U (5 1/4" high x 19" standard rack height) Utility panel will include:
- BugBrand Pattern Generator unit with NOR Gates
- BugBrand Pattern Generator unit with NAND Gates
- 2 modified CGS (copied) Divide by 7 counters (external Clock only for each)
- 2 x CGS (copied) dual input NAND Gates
- 3 x CD40106 Schmidt Trigger Clocks w/ dual outputs (each driving 1 colour of a tri-colour LED)
- 3 Input DC Summer with Integrator (for smoothing out the mixture of the 3 Clock inputs. Or up to 3 of anything inputs)
- 2 x Portamento units
- At least 2 x 3 way multiples
So far, looking at 39 jacks, 25 LEDs and 13 pots, just for this panel. I can't WAIT to get it running. It'll be an acid-trip to just watch all 7 of the LED colours (including a tri-colour LED) cycling away.
I too, love the idea of having 2 different sets of logic functions from Bug's Pattern Generator. With 2 of Ken's (modified slightly) CGS /7 counters; extra NAND gates and 3 clocks - this will be one of my most capable Utility panels yet for generating changes over time in an audio piece.
Thanks to your mention, I'll go to check on Ken's input modification that you've done, for adding as well.
If all goes well - I'll have the PCB drawn out tomorrow before work and the entire module finished hopefully, by the end of this week - so that I may shoot video of it, in action.  |
|
|
Back to top
|
|
 |
23isgood

Joined: Nov 18, 2006 Posts: 236 Location: San Francisco, CA bay area
Audio files: 13
|
Posted: Mon Sep 10, 2007 11:37 am Post subject:
|
 |
|
Hi Rykhaard. I'm really looking forward to see how your project turns out, especially some videos.
pete _________________ Check out my music |
|
|
Back to top
|
|
 |
Rykhaard
Joined: Sep 02, 2007 Posts: 1290 Location: Canada
|
Posted: Mon Sep 10, 2007 8:42 pm Post subject:
|
 |
|
| 23isgood wrote: | Hi Rykhaard. I'm really looking forward to see how your project turns out, especially some videos.
pete |
Hey 23! (Love that #. )
PCB layout is taking a little longer than I thought. Both Patt.Gen.'s with the above mod. have been drawn to copper and 1 of the /7 counter's has been. Possibly tomorrow, I'll have the rest done.
I realized at work tonight as well - to do the NOR and NAND versions, I'll have to slip each of the logic Gates inbetween the Comparator and the Patt.Gen. Just looking at the PCB layout above, it shouldn't be any trouble. The Logic Gates can slip in the Comp. to Diode to Pat.Gen. area. Thank golly.
I was wondering at work (not having the schematic with me) if I could add External Input Jacks to the CD4052's as well. Realized though, that I'd have to sum the Pot and Input for each of the 4 channels. Will keep that in mind though, before I cook the PCB, just in case I can do that extra modification as well.
I'm also going to be adding to the entire panel at least 2 x Attack Decay EGs, with Decay and Amount controls along with momentary buttons and possibly 1 or 2 Attack Release EGs with A, R and Amount controls as well as switches or momentaries. Shall have to see how my panel real estate turns out for availability. If the PCB doesn't get too big, I may move up to a 4U panel, to give me 7" of panel height.
As soon as the first portions of modules are up and running, I'll be shooting and posting audio/video of it.
(edit) I just had a look at the PCB layout above again: for the 4 channels, there's the direct hookup to the CD4052. So I possibly COULD add a quad opamp for each of them, to sum the pot and external inputs for each channel. Though - I'd have to limit them to +V only. I'll keep it in mind.  |
|
|
Back to top
|
|
 |
bugbrand

Joined: Nov 27, 2005 Posts: 846 Location: Bristol, UK
Audio files: 1
G2 patch files: 1
|
Posted: Tue Sep 11, 2007 1:56 am Post subject:
|
 |
|
Hey, sorry I didn't get a chance to chip in before but I'm damn excited to hear about how people run with these ideas. And nice nice work VTL for posting the pcb! Hooray!
I gotta say that some of my design came down to thinking about how big I wanted the module to be and, therefore, how many panel controls I could use... hehe! And I tried to make it all quickly rather than thinking about all the possibilites. Designers, eh?! Some of the ideas used on the Klee may actually be quite interesting too...
Ah well.... looking forward to hearing and seeing your developments.
Good luck! _________________ http://www.bugbrand.co.uk
http://www.bugbrand.blogspot.com |
|
|
Back to top
|
|
 |
|