| Author |
Message |
widdly
Joined: Jun 25, 2007 Posts: 268 Location: singapore
G2 patch files: 2
|
Posted: Mon Apr 07, 2008 10:59 pm Post subject:
|
 |
|
Actually you could vary the clock signals duty cycle to get a "swing" parameter. Last edited by widdly on Thu Aug 05, 2010 10:15 pm; edited 1 time in total |
|
|
Back to top
|
|
 |
richardc64

Joined: Jun 01, 2006 Posts: 679 Location: NYC
Audio files: 26
|
Posted: Tue Apr 08, 2008 6:08 am Post subject:
|
 |
|
| widdly wrote: | What about 20 steps from a single 4017?
I think it would work. Needs a dual-gang pot though and the clock needs to be 50% duty cycle.
|
The one-shots (the two inverters-cap-pot circuits) are in the wrong location. They have to be between the clock and the AND gate(s), otherwise for any two or more consecutive steps with closed switches there's no gap between them, and only one pulse occurs, at the first of those two or more steps -- that is, the steps are merged again, but instead of one long gate out you'd get only one short one at the start of the first of those consecutive steps.
What you have there is something approaching your second idea, for "swing" gates, since one one-shot triggers at the start of a step (the rising edge of the clock,) and the other sometime after, at the falling edge. You could use a ganged pot but separate pots would be more versatile. Let me think about this some more, but...
The Baby-10 seems fine, for what it is, but there's only so much you can do with one 4017. When you start piling more logic it, you might as well go for one of the many, only slightly more complex designs floating around. _________________ Revenge is a dish best served with a fork... to the eye |
|
|
Back to top
|
|
 |
widdly
Joined: Jun 25, 2007 Posts: 268 Location: singapore
G2 patch files: 2
|
Posted: Tue Apr 08, 2008 7:48 am Post subject:
|
 |
|
The clock is inverted before the 2nd AND gate so only one AND gate can be open at any time. As long as the one-shots are shorter than the clock duty cycle it will be fine as it is.
Seperate pots instead of the dual-ganged would work to.
Once you chain two 4017's you need to add more logic for the reset and carry anyway. Last edited by widdly on Thu Aug 05, 2010 10:15 pm; edited 1 time in total |
|
|
Back to top
|
|
 |
loss1234

Joined: Jul 24, 2007 Posts: 1536 Location: nyc
Audio files: 41
|
|
|
Back to top
|
|
 |
richardc64

Joined: Jun 01, 2006 Posts: 679 Location: NYC
Audio files: 26
|
Posted: Tue Apr 08, 2008 8:06 am Post subject:
|
 |
|
| widdly wrote: | ...only one AND gate can be open at any time. As long as the one-shots are shorter than the clock duty cycle it will be fine as it is.
|
Wrong. The way you've drawn it there can be steps with no gap between them. The one-shot(s) will fire only at the start of the first of any gap-less steps, recreating the problem loss originally pointed out. Read the earlier posts. _________________ Revenge is a dish best served with a fork... to the eye |
|
|
Back to top
|
|
 |
loss1234

Joined: Jul 24, 2007 Posts: 1536 Location: nyc
Audio files: 41
|
Posted: Tue Apr 08, 2008 9:30 am Post subject:
|
 |
|
OK
are the diodes on each gate out (post switch) important? in other words, on foniks schematic, the diodes come after each switch. the way i wired it, i took a diode out of each step, into the switch, then i chained all the switches together and put that into one half of a diode AND> with the other half of the diode AND being the cd40106 inverter being fed from the trigger clock to change the gate length...also, is the cd40106 the right kind of inverter to use for the gate length changer??
thanks _________________ -------------------------------------------- check out various dan music at: http://www.myspace.com/lossnyc
http://www.myspace.com/snazelle
http://www.soundclick.com/lossnyc.htm http://www.indie911.com/dan-snazelle |
|
|
Back to top
|
|
 |
richardc64

Joined: Jun 01, 2006 Posts: 679 Location: NYC
Audio files: 26
|
Posted: Tue Apr 08, 2008 11:00 am Post subject:
|
 |
|
| loss1234 wrote: | the way i wired it, i took a diode out of each step, into the switch, then i chained all the switches together and put that into one half of a diode AND> with the other half of the diode AND being the cd40106 inverter being fed from the trigger clock to change the gate length...also, is the cd40106 the right kind of inverter to use for the gate length changer??
thanks |
It doesn't matter (much) if the diodes are before or after the switches, but the diodes from the 4017 outs are an OR function. You can't follow that with a diode AND. It won't work. It has to be a real AND (or a NAND followed by and inverter).
Anything that inverts will work for the one-shot: could be NANDs or NORs with both inputs tied together. A Schmitt would be nice and snappy, though. _________________ Revenge is a dish best served with a fork... to the eye |
|
|
Back to top
|
|
 |
loss1234

Joined: Jul 24, 2007 Posts: 1536 Location: nyc
Audio files: 41
|
|
|
Back to top
|
|
 |
widdly
Joined: Jun 25, 2007 Posts: 268 Location: singapore
G2 patch files: 2
|
Posted: Tue Apr 08, 2008 6:40 pm Post subject:
|
 |
|
| richardc64 wrote: | | widdly wrote: | ...only one AND gate can be open at any time. As long as the one-shots are shorter than the clock duty cycle it will be fine as it is.
|
Wrong. The way you've drawn it there can be steps with no gap between them. The one-shot(s) will fire only at the start of the first of any gap-less steps, recreating the problem loss originally pointed out. Read the earlier posts. |
Actually there is a gap between each step.
Imagine switches 1,2 and 3 are ON.
1.) Clock goes HIGH. Switches 1 and 2 now output HIGH
2.) - The top AND gate has the Clock HIGH and 4017 output HIGH. Output of AND gate is HIGH. Top one-shot fires.
- The bottom AND gates has the INVERTED Clock so it's LOW and 4017 output HIGH. Output of AND gate is LOW. Therefore bottom one-shot has a gap.
3.) Clock goes LOW. Switches 1 and 2 still output HIGH
4.) - The top AND gate has the Clock LOW and 4017 step 1 output HIGH. Therefore top AND gate output is LOW and Top one-shot has a gap
- The bottom AND gates has the INVERTED Clock so it's HIGH and 4017 output HIGH . therefore bottom one-shot fires.
5.) Clock goes HIGH, Switch 3 output HIGH
6.) - The top AND gate has the Clock HIGH and 4017 output HIGH. Output of AND gate is HIGH. Top one-shot fires.
- The bottom AND gates has the INVERTED Clock so it's LOW and 4017 output HIGH. Output of AND gate is LOW. Therefore bottom one-shot has a gap. Last edited by widdly on Thu Aug 05, 2010 10:15 pm; edited 1 time in total |
|
|
Back to top
|
|
 |
richardc64

Joined: Jun 01, 2006 Posts: 679 Location: NYC
Audio files: 26
|
Posted: Wed Apr 09, 2008 3:02 pm Post subject:
|
 |
|
| I wrote: | | Anything that inverts will work for the one-shot... |
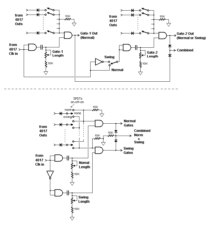
Actually, on reconsidering, all those inverters aren't necessary. One input of the AND with diode-ORed 4017 Outs could be part of the one-shot if the timing resistor is pulled down instead of up and another AND buffers the clock. Build two of these with one quad AND and you'd need an inverter only if you want the "Swing" option.
This would be good for a Baby-10 like fonik's, with two banks of CVs and Gates. You could have two melodies going, with steps of different durations, with one of them optionally syncopated.
The 2nd circuit below uses center-off switches to allow any step to be Normal or Swing. Patch the separate Gates to two Envelopes and two VCAs and the melody will pan. Or use the Combined Gate out. Note, however, in both circuits, that if a Swing step with a long duration is followed by a Normal step, the Combined Out gates will merge into one long one, giving only one Attack.
| Description: |
|
| Filesize: |
9.39 KB |
| Viewed: |
407 Time(s) |
| This image has been reduced to fit the page. Click on it to enlarge. |

|
_________________ Revenge is a dish best served with a fork... to the eye |
|
|
Back to top
|
|
 |
loss1234

Joined: Jul 24, 2007 Posts: 1536 Location: nyc
Audio files: 41
|
Posted: Wed Apr 09, 2008 3:36 pm Post subject:
|
 |
|
richard64-
i was going to ask, i had some problems with the inverters. after removing the offensive diode AND circuit (which was messing up my gates btw) I tried your FIRST schematic and it didnt work. maybe it was too large a pot or cap value ( i tried a 103 cap between the first inverter and second, and a 100k pot 10 1k to volts) no luck. it works better with just the gate outs straight from the diodes of each step...
so i want to try the new verison BUT should i try a different cap value? (i was anding with a 4081 btw)
thanks _________________ -------------------------------------------- check out various dan music at: http://www.myspace.com/lossnyc
http://www.myspace.com/snazelle
http://www.soundclick.com/lossnyc.htm http://www.indie911.com/dan-snazelle |
|
|
Back to top
|
|
 |
richardc64

Joined: Jun 01, 2006 Posts: 679 Location: NYC
Audio files: 26
|
Posted: Wed Apr 09, 2008 6:10 pm Post subject:
|
 |
|
| loss1234 wrote: | richard64-
I tried your FIRST schematic and it didnt work. maybe it was too large a pot or cap value ( i tried a 103 cap between the first inverter and second, and a 100k pot 10 1k to volts) no luck. it works better with just the gate outs straight from the diodes of each step...
so i want to try the new verison BUT should i try a different cap value? (i was anding with a 4081 btw)
|
So, it worked without the one-shot, just letting the clock shorten each step? That's encouraging. Still, it should've worked, especially with 40106's. It could be that the cap was too small, causing the pulse to be too brief. Try .1uF or even 1uF or more and/or a higher value pot, or higher resistor in series with the pot. _________________ Revenge is a dish best served with a fork... to the eye |
|
|
Back to top
|
|
 |
widdly
Joined: Jun 25, 2007 Posts: 268 Location: singapore
G2 patch files: 2
|
Posted: Wed Apr 09, 2008 7:16 pm Post subject:
|
 |
|
| loss1234 wrote: | | how would you change the duty cycle to get swing?? |
By changing the pulse-width of the clock signal. If you used something like the CGS Utility LFO, there is a pulse wave output that allows you to vary the how wide the pulse is using the shape knob. Last edited by widdly on Thu Aug 05, 2010 10:15 pm; edited 1 time in total |
|
|
Back to top
|
|
 |
loss1234

Joined: Jul 24, 2007 Posts: 1536 Location: nyc
Audio files: 41
|
|
|
Back to top
|
|
 |
widdly
Joined: Jun 25, 2007 Posts: 268 Location: singapore
G2 patch files: 2
|
Posted: Wed Apr 09, 2008 8:27 pm Post subject:
|
 |
|
How about adding swing to the CV outputs too. Here's an idea...
You could use two of Rene Shmitz Minimum circuits ( or some other Buchla trough type circuit). http://www.uni-bonn.de/~uzs159/minmax.html
I guess you might need a comparator on the clock signal to ensure it has the same swing as the 4017 outputs. It would be nice to include a one shot one the clock signal for these circuits so that there is an integrated swing control regardless of the clock duty cycle.
I'm not sure about the outputs, it might be an idea to use an op-amp summer.
Oh, and if you built something like Fonik's babyseq, you could add a switch for this too so it does either 2 x 8 or 1x16 with swing.
 Last edited by widdly on Thu Aug 05, 2010 10:15 pm; edited 1 time in total |
|
|
Back to top
|
|
 |
Funky40
Joined: Sep 24, 2005 Posts: 875 Location: Swiss
Audio files: 1
G2 patch files: 5
|
Posted: Fri May 30, 2008 1:22 pm Post subject:
|
 |
|
| richardc64 wrote: | Try this. The "gate" will be the same length as the high portion of the clock -- half a step if the clock is a square-wave. If you want more control, add the - - - - circuit - - - - .
|
the --------circuit----------- :
what IC do i need for that ?
And what value for the Cap is required ? |
|
|
Back to top
|
|
 |
richardc64

Joined: Jun 01, 2006 Posts: 679 Location: NYC
Audio files: 26
|
|
|
Back to top
|
|
 |
Funky40
Joined: Sep 24, 2005 Posts: 875 Location: Swiss
Audio files: 1
G2 patch files: 5
|
Posted: Fri May 30, 2008 5:45 pm Post subject:
|
 |
|
Thank you very much Richard.
It is not specific for the 4017 .
More important for now is to DIY something like the Q961 from dotcom for my Q960.
http://www.synthesizers.com/q961.html
But i have also a 4017 in work (hmmm, since quite a while... ) |
|
|
Back to top
|
|
 |
whomper

Joined: Dec 15, 2007 Posts: 201 Location: Israel
Audio files: 2
|
|
|
Back to top
|
|
 |
fonik

Joined: Jun 07, 2006 Posts: 3950 Location: Germany
Audio files: 23
|
Posted: Fri Feb 12, 2010 3:38 am Post subject:
|
 |
|
i don't think it will work. as i understand it the idea is to have the current flowing from +V thru the diode(s). as soon as there is a HI at A & B the current would have to flow to Z. but how could current flow from +V thru the diode(s) when there is no sink at the other side?
am i right? _________________
cheers,
matthias
____________
Big Boss at fonitronik
Tech Buddy at Random*Source |
|
|
Back to top
|
|
 |
RF

Joined: Mar 23, 2007 Posts: 1502 Location: Northern Minnesota, USA
Audio files: 28
|
Posted: Fri Feb 12, 2010 7:36 am Post subject:
|
 |
|
Here's a not-quite perfect, quick, dirty, cheap hack to get sequential-step triggers from a Baby 10 type sequencer.
(Have I under-sold it enough yet?)
Chain the Gate Switch Diodes from the Even steps together, Chain the Diodes from the Odd steps together, run them each to a Gate to Trigger converter. Sum the outputs of the two Gate to Trigger converters.
It'll work fine unless you set the sequencer to an odd number of steps - then the last step will become a long gate if step one and the last step's gate switch are both on.
Did I mention it's not very elegant?
bruce _________________ www.sdiy.org/rfeng
"I want to make these sounds that go wooo-wooo-ah-woo-woo.”
(Herb Deutsch to Bob Moog ~1963) |
|
|
Back to top
|
|
 |
fonik

Joined: Jun 07, 2006 Posts: 3950 Location: Germany
Audio files: 23
|
Posted: Fri Feb 12, 2010 8:04 am Post subject:
|
 |
|
for a CMOS solution refer to my VCPS8. _________________
cheers,
matthias
____________
Big Boss at fonitronik
Tech Buddy at Random*Source |
|
|
Back to top
|
|
 |
|