| Author |
Message |
loss1234

Joined: Jul 24, 2007 Posts: 1536 Location: nyc
Audio files: 41
|
Posted: Mon Sep 29, 2008 10:01 am Post subject:
4089 rate multiplier experiment!!! |
 |
|
i read a a tip in ELECTRONOTES which said that putting a rapidly changing DIGIT(abcd) into the 4089 (via the output of a counter) would cause ring modulation TYPE of sounds to come out of the 4089
or even bell or trumpet sounds! (though they show a far more complex setup for that)
so
here is a test i did (sorry no samples..but i was very impressed)
4089 weirdness
ok...by taking a 4024, which is fed with a sawtooth wave from a VCLFO
or a VCO (which is itself being swept or modulated by an lfo or a
WOGGLEBUG or something which causes the fast change of digits into the
ABCD inputs of the 4089....so pick 4 outs from the 4024 and plug them in to ABCD on the 4089...you can try changing them during the experiment for different patterns
the 4089 is also being fed (into its clock in) by a pretty high sawwave (from
another vco..but it is fixed) and then the output of the 4089 is then fed into a
multiple so that one half of it can be fed into a MIXER (to hear) and also then into a
quantizer...the quantizer is set for regular divisions, with the
initial voltage at about 50% (middle of the pots turn)...the output of
this is then fed into the final vco's 1v/oct input.
some very odd stuff can be acheived. everything from ring mod stuff (from the audio half) to
weird sample and hold-ish sounds. it takes some real fine tuning of the pitch to the 4024 (and of the pitch to the 4089) to get the quantizer actually doing anything. becuase keep in mind, the quantizer only starts making notes with the right input. which is why i split the output in 2, so even when the quantizer is not doing anything, i can stil hear something, and as time went on, i could start figuring out what i needed to do to get the notes spitting out.
successful for sure. it just takes a lot of parts
1 lfo or 1 wogglebug (woggle works better..or smoothed sample and hold)
2 vcos (one for the input of each chip 4089/4024)
the inputs of the 4089 a/b/c/d come from the outs of the 4024
1 mixer
1 quantizer
1 4089
1 4024
and most likely a filter and a vca and an ADSR
lots of fun
thanks _________________ -------------------------------------------- check out various dan music at: http://www.myspace.com/lossnyc
http://www.myspace.com/snazelle
http://www.soundclick.com/lossnyc.htm http://www.indie911.com/dan-snazelle |
|
|
Back to top
|
|
 |
robthefiddler

Joined: Nov 10, 2006 Posts: 17 Location: Dallas, Tx
|
Posted: Sun Nov 16, 2008 1:12 am Post subject:
My experiments with the 4089 |
 |
|
Here are my samples for the 4089. Its an interesting chip. Would be a good addition to a lunetta. I made a stab at what my lunetta circuit would look like, but its low on my priorities to implement. _________________ https://github.com/robstave
www.robthefiddler.net if it works maybe? |
|
|
Back to top
|
|
 |
richardc64

Joined: Jun 01, 2006 Posts: 679 Location: NYC
Audio files: 26
|
Posted: Sun Nov 16, 2008 10:39 am Post subject:
|
 |
|
I don't hear anything. I tried in IE, Opera and Firefox.
Is a simple mp3 link too much to ask for? _________________ Revenge is a dish best served with a fork... to the eye |
|
|
Back to top
|
|
 |
fluxmonkey
Joined: Jun 24, 2005 Posts: 708 Location: cleve
|
Posted: Sun Nov 16, 2008 4:46 pm Post subject:
|
 |
|
| richardc64 wrote: | I don't hear anything. I tried in IE, Opera and Firefox.
Is a simple mp3 link too much to ask for? |
worked for me, thanks rob. money back if not satisfied, richard. |
|
|
Back to top
|
|
 |
bingmachine
Joined: Jan 23, 2009 Posts: 19 Location: Sweden
|
Posted: Sat Feb 14, 2009 10:38 am Post subject:
|
 |
|
Hi!
Does anyone know how you would go about to use this chip as an ADC, as the datasheet suggests?
/Erik Forsling |
|
|
Back to top
|
|
 |
cthulu

Joined: Feb 07, 2009 Posts: 56 Location: Göteborg, Sweden
|
Posted: Sat Feb 14, 2009 11:55 am Post subject:
|
 |
|
Tjena!
D/A conversion is simply feeding the outputs to an R/C filter (one resistor each) and A/D conversion starts with D/A conversion and a comparator.
This circuit is hardly meant for advanced or fast conversion but more to use for simple and cheap potentiometer reading. |
|
|
Back to top
|
|
 |
robthefiddler

Joined: Nov 10, 2006 Posts: 17 Location: Dallas, Tx
|
Posted: Sun Feb 15, 2009 6:47 pm Post subject:
Old Chip |
 |
|
From the spec, I read:
This device may be used in conjunction with an up/down counter and control logic used to perform arithmetic operations (adds, subtract, divide, raise to a power), solve algebraic and differential equations, generate natural logarithms and trigometric functions, A/D and D/A conversions, and frequency division.
Its a pretty old school chip (70s?) and the intent that I got was that it can be used to pretty much do math in place of a CPU. Assuming that you only need to do one or two equations, it might be simpler (and faster) to just hardwire the circuit rather than deal with a CPU (which were not all that fast)
Here is a link to a patent that uses it in conjunction with A/D and D/A
http://www.patentgenius.com/patent/4595910.html
It uses the 4089 to create effectively a Digital to Duty Cycle converter. From there, you use the R/C circuit to get it back to Analog as cthulu explained.
Ha det so Bra! _________________ https://github.com/robstave
www.robthefiddler.net if it works maybe? |
|
|
Back to top
|
|
 |
bingmachine
Joined: Jan 23, 2009 Posts: 19 Location: Sweden
|
Posted: Mon Feb 16, 2009 4:51 am Post subject:
|
 |
|
Ha-ha! Someone has been practicing his swedish, I think! Cool.
Anyway, thanks for all the input, guys. I've come to the conclusion that I won't be including the 4089 in my own Lunetta design. Might include an extra counter though, together with a couple of (analog) comparators. Would be nice to do be able to do some sampling/bit-crunch stuff.
/Erik |
|
|
Back to top
|
|
 |
amplex

Joined: May 26, 2008 Posts: 64 Location: sacramento, ca
Audio files: 6
|
Posted: Thu Jun 04, 2009 11:09 am Post subject:
|
 |
|
how could you not want to add this to a lunetta setup? besides the fact that it is basically another rate divider based on the input 4bit word, but i think sending some quick rhythmic words could get some interesting results in a complex patch, so basically this chip is functioning as a frequency remover .. how is that not useful? _________________ http://www.soundclick.com/amplex |
|
|
Back to top
|
|
 |
Rykhaard
Joined: Sep 02, 2007 Posts: 1290 Location: Canada
|
Posted: Thu Jun 04, 2009 7:01 pm Post subject:
|
 |
|
If I could get one of them locally, I'd pick one up and play with it. Shall have to wait until I put in an order from Digikey. (Not soon enough. ) |
|
|
Back to top
|
|
 |
droffset

Joined: Feb 02, 2009 Posts: 515 Location: London area
Audio files: 2
|
Posted: Fri Jun 05, 2009 1:23 am Post subject:
|
 |
|
| I can't seem to find it locally, kinda strange |
|
|
Back to top
|
|
 |
sizone

Joined: Jun 09, 2009 Posts: 132 Location: Honolulu HI
Audio files: 48
|
|
|
Back to top
|
|
 |
RF

Joined: Mar 23, 2007 Posts: 1502 Location: Northern Minnesota, USA
Audio files: 28
|
Posted: Tue Jun 30, 2009 5:27 am Post subject:
|
 |
|
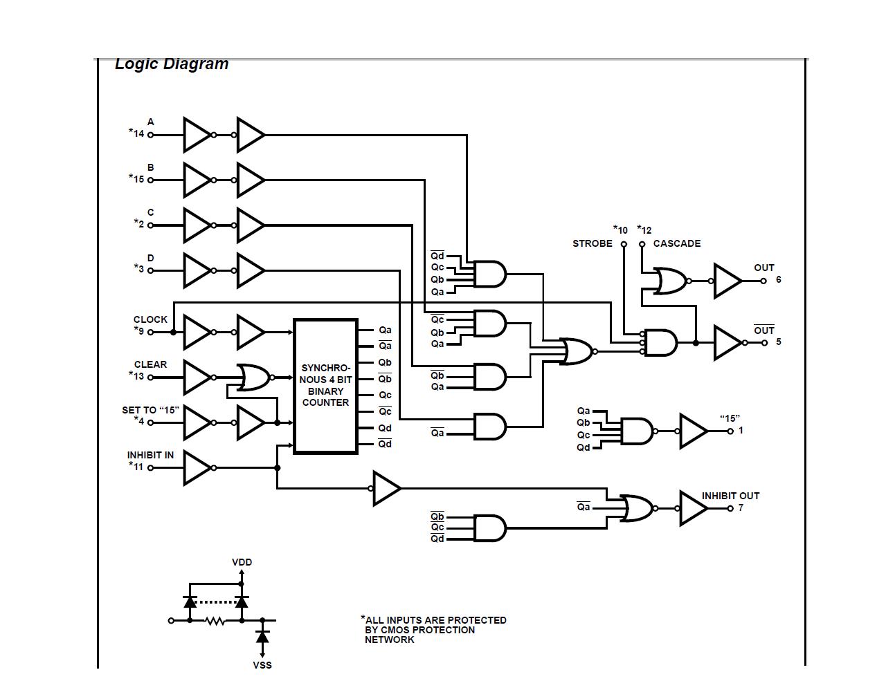
| sizone wrote: | What's the deal with the bar over some of the variable names? Inversion?
|
I believe Qa with a bar over it is "Not Qa"
bruce _________________ www.sdiy.org/rfeng
"I want to make these sounds that go wooo-wooo-ah-woo-woo.”
(Herb Deutsch to Bob Moog ~1963) |
|
|
Back to top
|
|
 |
|