| Author |
Message |
loss1234

Joined: Jul 24, 2007 Posts: 1536 Location: nyc
Audio files: 41
|
|
|
Back to top
|
|
 |
fluxmonkey
Joined: Jun 24, 2005 Posts: 708 Location: cleve
|
Posted: Fri Apr 10, 2009 3:27 pm Post subject:
|
 |
|
| v-un-v wrote: | | Who thinks this thread should be moved? Is it getting a bit big for its Lunetta boots? I rather like that this thread is within this section, as it is CMOS based, therefore it's pretty nuts, but then again, were getting a bit too confused between something simple and something complex- especially with all these vactrols now being mentioned. |
it's fine where it is.
i don't think discussions should be limited to the original designs of Stanley Lunetta, that would cut off most of the thread here. i prefer that we take the general parameters and grow them in the same spirit. CMOS as a core technology, DIY, playfulness, and letting-the-machine-be-itself seem to me the operative principals, and this still seems w/in that general area. but simple vs. complex is a little too much of a grey to start imposing hard distinctions, imo.
b _________________ www.fluxmonkey.com |
|
|
Back to top
|
|
 |
loss1234

Joined: Jul 24, 2007 Posts: 1536 Location: nyc
Audio files: 41
|
|
|
Back to top
|
|
 |
v-un-v
Janitor


Joined: May 16, 2005 Posts: 8932 Location: Birmingham, England, UK
Audio files: 11
G2 patch files: 1
|
Posted: Fri Apr 10, 2009 4:46 pm Post subject:
|
 |
|
Good. That was exactly my opinion too (I had a PM from another member- who asked me to move it, then they changed their mind. So as we are a democratic community, I thought I'd ask you folks first )
Tom
PS great thread btw! _________________ ACHTUNG!
ALLES TURISTEN UND NONTEKNISCHEN LOOKENPEEPERS!
DAS KOMPUTERMASCHINE IST NICHT FÜR DER GEFINGERPOKEN UND MITTENGRABEN! ODERWISE IST EASY TO SCHNAPPEN DER SPRINGENWERK, BLOWENFUSEN UND POPPENCORKEN MIT SPITZENSPARKSEN.
IST NICHT FÜR GEWERKEN BEI DUMMKOPFEN. DER RUBBERNECKEN SIGHTSEEREN KEEPEN DAS COTTONPICKEN HÄNDER IN DAS POCKETS MUSS.
ZO RELAXEN UND WATSCHEN DER BLINKENLICHTEN. |
|
|
Back to top
|
|
 |
Rykhaard
Joined: Sep 02, 2007 Posts: 1290 Location: Canada
|
Posted: Fri Apr 10, 2009 4:53 pm Post subject:
|
 |
|
| bbob wrote: |
it's fine where it is.
i don't think discussions should be limited to the original designs of Stanley Lunetta, that would cut off most of the thread here. i prefer that we take the general parameters and grow them in the same spirit. CMOS as a core technology, DIY, playfulness, and letting-the-machine-be-itself seem to me the operative principals, and this still seems w/in that general area. but simple vs. complex is a little too much of a grey to start imposing hard distinctions, imo.
b |
The portion of your above quote that I've changed to the colour purple, is exactly my mindset, with my machine.
I've kept it simple, though I'm not limiting it only, to CMOS. Origins within the Lunetta spirit, but expanding outwards mildly, to enhance the fun I have with the machine.  |
|
|
Back to top
|
|
 |
synthmonger
Joined: Nov 16, 2006 Posts: 578 Location: flada
Audio files: 3
|
|
|
Back to top
|
|
 |
loss1234

Joined: Jul 24, 2007 Posts: 1536 Location: nyc
Audio files: 41
|
|
|
Back to top
|
|
 |
synthmonger
Joined: Nov 16, 2006 Posts: 578 Location: flada
Audio files: 3
|
Posted: Fri Apr 10, 2009 6:10 pm Post subject:
|
 |
|
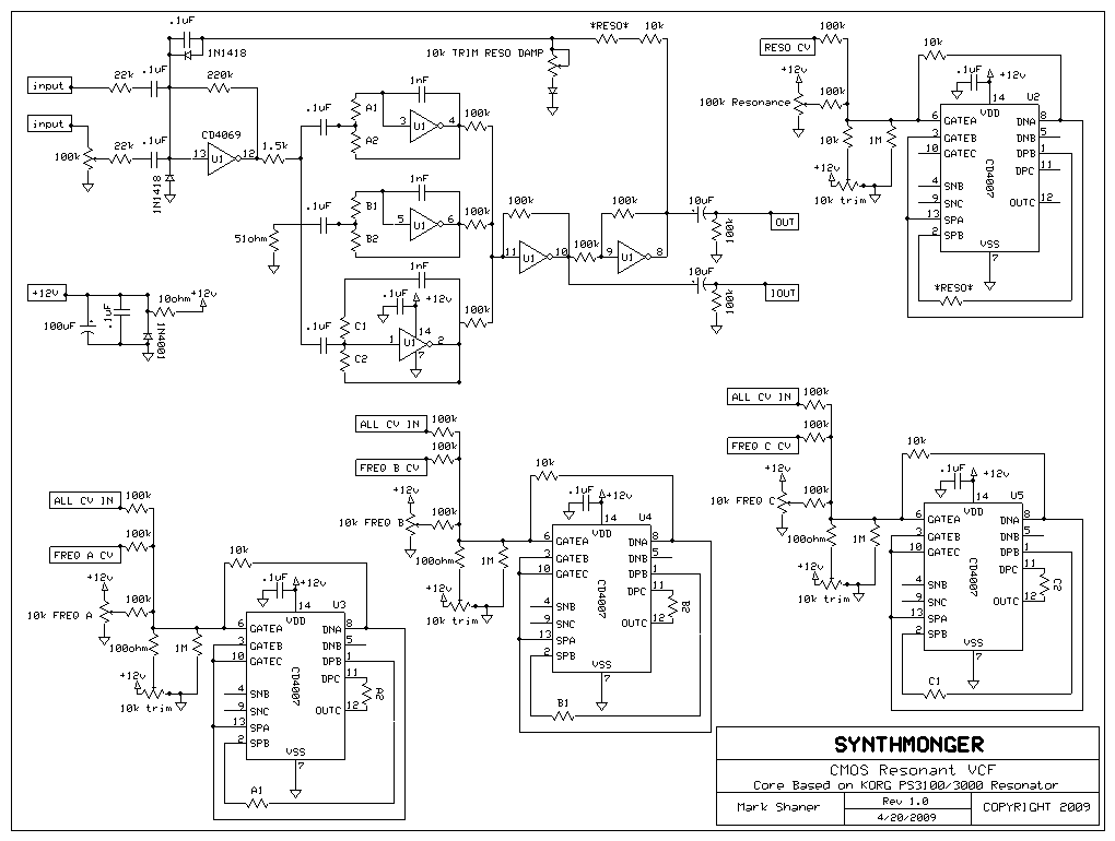
| loss1234 wrote: | so where are you getting your boards made? is this layout for PRESS N PEEL or for manufacture?
did you redraw the schematic '
looks good |
The first batch of 10-20 I'm going to make myself using PnP. I'm pretty well experienced in etching and drilling boards; I've done close to probably 60 something. Then I'll redo the PCB as a dual layer and order them through Express PCB.
I haven't redrawn the schematic. After the pcb I'm going to do the schematic in express PCB. I'd wait until the new schematic is finished, there were a couple changes. |
|
|
Back to top
|
|
 |
synthmonger
Joined: Nov 16, 2006 Posts: 578 Location: flada
Audio files: 3
|
Posted: Tue Apr 14, 2009 11:14 am Post subject:
|
 |
|
I finished the boards late last night...er this morning around 6am. There are 23 jumpers on the single layer board and none on the double layer. I'm going to try and knock down the jumper count a little bit, PnP a board and see how it goes.
It came out a little messier than I'd like and kinda big. Single I think is 4.25 x 4.25 and double is 3.9 x 2.8 inches. |
|
|
Back to top
|
|
 |
DGTom

Joined: Dec 08, 2008 Posts: 211 Location: Adelaide
Audio files: 3
G2 patch files: 1
|
Posted: Tue Apr 14, 2009 3:41 pm Post subject:
|
 |
|
The sounds in this thread are pure Love It! & I don't usually like filters that much (don't actually have one one in my system)
I really like how 'wrong' this sounds, some very pretty tearing sounds! |
|
|
Back to top
|
|
 |
synthmonger
Joined: Nov 16, 2006 Posts: 578 Location: flada
Audio files: 3
|
Posted: Tue Apr 14, 2009 11:57 pm Post subject:
|
 |
|
I have to admit, I'm not a big fan of filters either. The Steiner, Resonators and bi-n-tic are the only ones I've ever liked. My haxx0rd version of the resonators is right up there now. Over driving it with anything makes it sound like a beast with a mean growl!
The sounds in the thread aren't from the finalized version. I added a couple extra things that beefed it up some. More to come! ;0 |
|
|
Back to top
|
|
 |
DGTom

Joined: Dec 08, 2008 Posts: 211 Location: Adelaide
Audio files: 3
G2 patch files: 1
|
Posted: Wed Apr 15, 2009 12:09 am Post subject:
|
 |
|
Sounds like we have similar taste in filters
| synthmonger wrote: | | The sounds in the thread aren't from the finalized version. I added a couple extra things that beefed it up some. More to come! ;0 |
Awesome! |
|
|
Back to top
|
|
 |
vtl5c3
Joined: Sep 08, 2006 Posts: 425 Location: PDX
Audio files: 13
|
Posted: Wed Apr 15, 2009 8:35 am Post subject:
|
 |
|
That filter sounds amazing! So wrong, yet so right!
| synthmonger wrote: | Here's a sync demo of my vco clocking 4066 switches in my wasp like vcf. The filters are almost identical, just different caps but both state variable. Mine will self-oscillate though.
http://www.youtube.com/watch?v=RFMUEMy4KI8 |
|
|
|
Back to top
|
|
 |
synthmonger
Joined: Nov 16, 2006 Posts: 578 Location: flada
Audio files: 3
|
|
|
Back to top
|
|
 |
Rykhaard
Joined: Sep 02, 2007 Posts: 1290 Location: Canada
|
Posted: Wed Apr 15, 2009 10:07 pm Post subject:
|
 |
|
Nice tight layout for someone with so little experience!
Not that I know a helluvalot about it, but this is what I do:
- no 90º angles in traces. ( I was told in the earlier 90's, that 90 degrees can cause reflection in digital signals. Now - this MAY be only for high frequencies, but I don't remember.) I 45º angle everything that I can, on a turn
- data traces 25 thou.
- longer power traces 50 thou.
- shorter power traces 30 thou.
(My traces may be larger than required, but I always like to be sure of current carrying abilities. )
- I try to run my power lines first, all of the time. (As read from Bernie Hutchins in his Electronotes newsletter, many years ago.)
- I try to avoid jumpers (I only do single sided) as much as possible. If I have to route traces off to Vancouver and back, to avoid traces, then so be done!
Outside of that, very good looking!  |
|
|
Back to top
|
|
 |
synthmonger
Joined: Nov 16, 2006 Posts: 578 Location: flada
Audio files: 3
|
Posted: Thu Apr 16, 2009 1:16 am Post subject:
|
 |
|
Thanks for the tips Ryk! I wasn't totally sure about the trace degrees until I looked at other PCB designs that I made which had no problems at all. Next time I'll round them off though.
I hate jumpers too. They're always a pain and I tend to always leave one or two out in a circuit before realizing the reason why it's not working is because of the absent jumper.
Yeah I do power lines first. It's easier to start placing components off of them too. I like to keep the chips and things in line on top of the power rails. |
|
|
Back to top
|
|
 |
synthmonger
Joined: Nov 16, 2006 Posts: 578 Location: flada
Audio files: 3
|
Posted: Fri Apr 17, 2009 4:01 am Post subject:
|
 |
|
First board etched with only a couple bad joints. The small text came out okay, but needs to be slightly larger on the design. It didn't work right off the bat. It took a good 5 hours figuring out that I had pin 5 switched with 6 and a couple other silly things. This was the first time I got to test it on my modular PSU of 12v. I normally use my micro bipolar 9v to test things. The extra 3 volts gives it a bit more headroom and the resonance is easier to control. I gotta say, this thing sounds freaking awesome.
More audio and video samples soon!
Edited for clarity. I shouldn't post post 24 hours of no sleep  _________________ Youtube!
modular demos!
Whacky tunes! Last edited by synthmonger on Fri Apr 17, 2009 10:49 am; edited 1 time in total |
|
|
Back to top
|
|
 |
Rykhaard
Joined: Sep 02, 2007 Posts: 1290 Location: Canada
|
Posted: Fri Apr 17, 2009 10:24 am Post subject:
|
 |
|
| synthmonger wrote: | First board etched with very only a couple bad joints. The small text came out okay, but I'm going to up it on the final batch. It didn't work off the bat. It took a good 5 hours figuring out that I had pin 5 switched with 6 and a couple other silly things. This was the first time I got to test it on my modular PSU of 12v. I use my micro bipolar 9v to test things. The extra 3 volts gives it a bit more headroom and the resonance is easier to control. I gotta say, this thing sounds freaking awesome.
More audio and video samples soon! |
Looking forward to! If all sounds good, I'll be building one.
Once you get a few more PCBs under your belt, you'll start to recognize the errors right away. I rarely have one now. As an example there - my 6 x single transistor VCA / AR EG combo. worked perfectly yesterday. Patience / checking, is key.  |
|
|
Back to top
|
|
 |
synthmonger
Joined: Nov 16, 2006 Posts: 578 Location: flada
Audio files: 3
|
Posted: Fri Apr 17, 2009 10:41 am Post subject:
|
 |
|
That vca/eg combo sounds cool. Looking forward to that.
Yeah I'm excited to start making pcbs regularly. The next few should be very soon as their design is about half the size of this filter.
I had a long break of not making modules because I hate making things on veroboard with too many wires. Now that I can sucessfully make pcbs I made it super easy for me to assemble them so I have no excuse to be lazy!
I think the next ones on the list are a 3 channel Pulse Width Modulator and 4007 logic. _________________ Youtube!
modular demos!
Whacky tunes! |
|
|
Back to top
|
|
 |
synthmonger
Joined: Nov 16, 2006 Posts: 578 Location: flada
Audio files: 3
|
|
|
Back to top
|
|
 |
vtl5c3
Joined: Sep 08, 2006 Posts: 425 Location: PDX
Audio files: 13
|
Posted: Mon Apr 27, 2009 8:43 am Post subject:
|
 |
|
Can the CV inputs handle negative voltages? I guess a better question would be: What voltage range can the CV inputs handle?
R. |
|
|
Back to top
|
|
 |
synthmonger
Joined: Nov 16, 2006 Posts: 578 Location: flada
Audio files: 3
|
|
|
Back to top
|
|
 |
|