| Author |
Message |
RF

Joined: Mar 23, 2007 Posts: 1502 Location: Northern Minnesota, USA
Audio files: 28
|
Posted: Wed Apr 29, 2009 6:10 am Post subject:
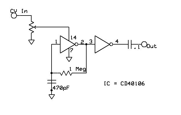
Yet Another VCO Subject description: 40106, two caps, 1 resistor, 1 Var resistor. |
 |
|
Control voltage serves as the supply voltage, and it starts oscillating at about 1.5 volts - which really works well with the output from my Lunetta's R/2R.
Linear? Expo? Bah - It is what it is - a simple VCO.
I don't recall where I saw this idea - but I breadboarded it, played with the values, and it works pretty well.
bruce
| Description: |
|
| Filesize: |
15.84 KB |
| Viewed: |
903 Time(s) |
| This image has been reduced to fit the page. Click on it to enlarge. |

|
| Description: |
|
 Download (listen) |
| Filename: |
YAVCO.mp3 |
| Filesize: |
361.22 KB |
| Downloaded: |
1818 Time(s) |
_________________ www.sdiy.org/rfeng
"I want to make these sounds that go wooo-wooo-ah-woo-woo.”
(Herb Deutsch to Bob Moog ~1963) |
|
|
Back to top
|
|
 |
jnuaury
Joined: Feb 28, 2008 Posts: 161 Location: chicago
Audio files: 9
|
Posted: Wed Apr 29, 2009 8:09 am Post subject:
|
 |
|
perhaps it was the first post in the lunetta sound samples thread
i also posted this lonely thread over a year back
http://electro-music.com/forum/topic-24474.html
wow we sure have been lunetta-ing for quite some time now!
ill be making a post on more or less an identical vco on my blog thing later this week http://microhacking.blogspot.com/ i just want to make some new sound samples first... i have a few simple goofy extensions of the vco that you might think are fun
thanks for posting! |
|
|
Back to top
|
|
 |
RF

Joined: Mar 23, 2007 Posts: 1502 Location: Northern Minnesota, USA
Audio files: 28
|
Posted: Wed Apr 29, 2009 8:38 am Post subject:
|
 |
|
Jeeese - those posts were a while ago lol - lots of CMOS has passed under the bridge since then.
I did some starving of chips early on (based on information in your post) and got some really interesting sounds - I posted one starvation experiment down the first page of the sounds thread.
In the first Lunetta I made I built starve pots built into the oscillators, and also had the ability to run a CV right into the power inputs - but I never got this same sort of result.
I think the second inverter 'buffer' makes it act much more like a tamed VCO compared to my early results with starvation... which were generally interesting but unpredictable.
bruce _________________ www.sdiy.org/rfeng
"I want to make these sounds that go wooo-wooo-ah-woo-woo.”
(Herb Deutsch to Bob Moog ~1963) |
|
|
Back to top
|
|
 |
jnuaury
Joined: Feb 28, 2008 Posts: 161 Location: chicago
Audio files: 9
|
Posted: Wed Apr 29, 2009 9:05 am Post subject:
|
 |
|
| RF wrote: | which were generally interesting but unpredictable.
|
yep! the unpredictably is what i enjoy most about these circuits
one thing ive tried has oscillators made out of most of the inverters on the chip and then using a CV as the supply voltage
it generates some super dense washes of sound
you (or someone else playing with this circuit) may want to add a switch that lifts the lug on the pot going to ground. this way you have the option to starve the current going to the chip. this usually works best when you make use of several inverters though |
|
|
Back to top
|
|
 |
Rykhaard
Joined: Sep 02, 2007 Posts: 1290 Location: Canada
|
Posted: Wed Apr 29, 2009 9:21 am Post subject:
|
 |
|
| jnuaury wrote: |
one thing ive tried has oscillators made out of most of the inverters on the chip and then using a CV as the supply voltage
it generates some super dense washes of sound
you (or someone else playing with this circuit) may want to add a switch that lifts the lug on the pot going to ground. this way you have the option to starve the current going to the chip. this usually works best when you make use of several inverters though |
I'll keep the pot leg lifting in mind when I bread board my own test version of this YAVCO.
I'd mentioned on my BB after Bruce had posted the schematic yesterday, of setting up 3 x buffered 'oscillators' all controlled by the same tuning control. As long as the caps and resistors are as close to each other as possible, this could provide a wonderful thick sound over a hopefully decent tuning range.
Shall see, once I bread board it.  |
|
|
Back to top
|
|
 |
slacker
Joined: Nov 18, 2007 Posts: 301 Location: England
Audio files: 11
G2 patch files: 1
|
Posted: Wed Apr 29, 2009 10:05 am Post subject:
|
 |
|
| Looks and sounds pretty cool. I'll definitely give it a try. |
|
|
Back to top
|
|
 |
richardc64

Joined: Jun 01, 2006 Posts: 679 Location: NYC
Audio files: 26
|
Posted: Wed Apr 29, 2009 10:36 am Post subject:
|
 |
|
It might be interesting to see/hear if there's any difference in starving via Vcc or Vss (Gnd). _________________ Revenge is a dish best served with a fork... to the eye |
|
|
Back to top
|
|
 |
synthmonger
Joined: Nov 16, 2006 Posts: 578 Location: flada
Audio files: 3
|
|
|
Back to top
|
|
 |
|