| Author |
Message |
dondo
Joined: Jul 06, 2011 Posts: 7 Location: roma
|
Posted: Wed Jul 13, 2011 4:17 am Post subject:
LM13700 based state variable filter Subject description: a design inspired by the WASP and OSCAR vcfs |
 |
|
I need a little help with a state variable filter I'm trying to design.
I'm trying to design a SVF with those features:
- 4 selectable outs: LP, BP, HP, NOTCH
- CV inputs for frequency and resonance (both 1V/oct)
- 2 different modes: MONO 24db, STEREO 12db (both channels under the same controls.)
Schematics:
Supply -15V/0V/+15V
OpAmps are TL072
All NPN are BC550C (Matched pair on the frequency expo converter can be LM394 or similar)
All PNP are BC560C
OTA's are LM13600N or LM13700N
Tempco is 1K / 3500ppm
Layout:
Wiring:
I Attached here my LTspice IV files:
http://dl.dropbox.com/u/7222358/VCF-4P.zip
I did half the circuit (just 12db/oct) on breadboard replacing the resonance control with a 22k pot. It was working pretty good!
But I have just one very old and small breadboard.
I'm not so expert. So if somebody better than me can take a look to this circuit before I will etch a board, just to trash it!
I don't know if everything is OK on the schematics....
Is it going to be tuned enough to be used as sine oscillator?
Some body (with a better breadboard than me) interested to build it or test it? |
|
|
Back to top
|
|
 |
PeLLe
Joined: Dec 05, 2011 Posts: 5 Location: Brescia
|
Posted: Mon Dec 05, 2011 1:35 am Post subject:
|
 |
|
| Hi! I'm interested to your circuit. Are u italian? |
|
|
Back to top
|
|
 |
dondo
Joined: Jul 06, 2011 Posts: 7 Location: roma
|
Posted: Thu Dec 08, 2011 7:08 pm Post subject:
I'm really excited! Somebody answer me! Subject description: I'm Italian but I'm moving to Panama for a while! |
 |
|
Hi Pelle!
I'm glad you are interested to my project.
This project is a dream I have from many years!
I think this project is a kind of filter anybody can dream about it!
I bought an original Oscar few years ago! I love how it sounds (It's my favourites filter) but it is really nasty to use and has some missing feature!
I nether like the compromises they made to makes it cheaper!
I'm a speakers builder, but I have some experience building gears.
I built recently a midibox stereo sid 6581 based, an 8 channels midi-CV, a high quality alpha 20 based preamplifier (from www.amb.org that I suggest to anybody), and some other machines and modular synth modules!
I designed and built a full analogue drum machine using just recycled materials that works actually very good! (but I lost part of the schematics so I have to do reverse engineering to makes it public!)
This filter project could be made in a standard 1U rack. But I would like to make it in a 2U rack box (to have room to be controlled by midi cc in a future! that is not going to be so difficult for us).
My mission is to do a kind of ultimate full featured lm13700 based filter with all the function you can need! so any help and suggestion will be appreciated from this forum!
You should download the zip file that is attached to my previous post, that should be errors free! (there are some errors on the schematics I posted on that thread!)
However the layout should work well I think! I tried part of a filter on my small breadboard and was working great!
If you build this on a PCB with good components it should works better than the original one with a good power supply!
I'm here for any question! I will answer your questions ASAP!
I would like if somebody can try the whole project on a good big breadboard before to etch it because I never did it.
The expo converters can be made in different ways actually. I would like to find the best way to do that.
I can help you matching transistors properly, and choosing the best component to makes its tracking as a professional synth, also with temperature compensation. we need just few tests on breadboard!
Thanks for your reply!
I'm going to Peruvian jungle the 15th, and I will be in Panama (Where I can actually works on it) January the 5th.
Let's keep in contact!
Sirio.
P.S. If you have some question I can answer you right now till December the 15th! In the Peruvian jungle near Pucallpa, where I'm going, will be very hard to have Internet from the Shipibo tribes! but in Panama it will be easy! |
|
|
Back to top
|
|
 |
Paradigm X
Joined: Feb 15, 2011 Posts: 363 Location: Null and void
Audio files: 2
|
Posted: Fri Dec 09, 2011 3:42 am Post subject:
|
 |
|
Wow, does look very comprehensive, and cool. Bit over my head TBH, but thanks for sharing, will have a look in more detail when i get a chance.
Cheers |
|
|
Back to top
|
|
 |
PeLLe
Joined: Dec 05, 2011 Posts: 5 Location: Brescia
|
Posted: Sun Dec 11, 2011 6:42 am Post subject:
|
 |
|
Hi Dondo.
Sorry for my very bad english, but i'm italian and i''m pretty in english.
I'm interested in LM13700 based filter because i'll realize notch filter with tunable frequency. That band-centered frequency was controllable by output voltage from frequency-to-voltage converter. So i'll realize linear voltage-to-current converter for inject current into "gm control" over 3 decade (20Hz - 20kHz).
Now, can you post here an exactly schematic of your circuit? I will realize it next days at laboratory of engineering university.
I have got another question for you. It's possible to frequency control over 3 decade (20Hz - 20kHz) with that capacitor's value (22nF)?
Have you got any matematical formula (or a function transfer) apply to that circuit for calculate componets value to trimmered frequency and Q-factor?
Thank you so much! |
|
|
Back to top
|
|
 |
dondo
Joined: Jul 06, 2011 Posts: 7 Location: roma
|
Posted: Mon Dec 12, 2011 4:36 am Post subject:
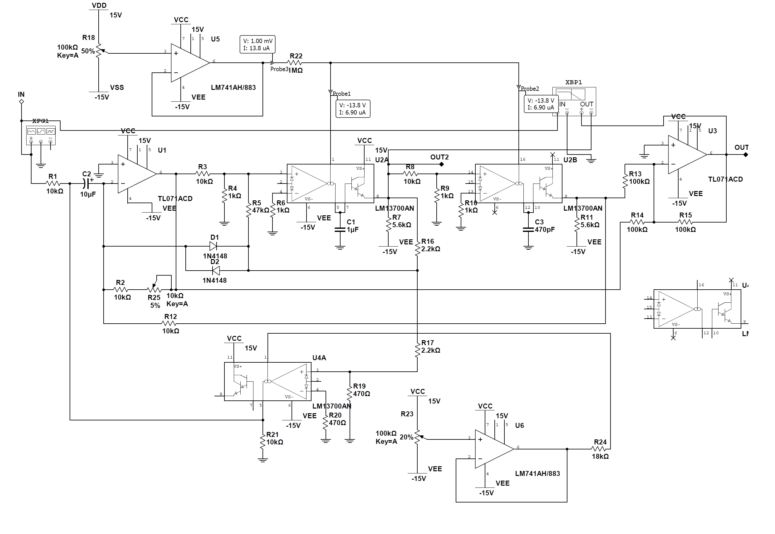
Schematics Subject description: Screenshoot of LTspiceIV |
 |
|
You asked me to post the schematics... so to make the project more comprehensive for everybody I post the schematics straight from the zip file posted before!
To Pelle:
(Mi hai chiesto di postarti le schematiche.... ed eccole qua! E' uno screenshoot preso dalle schematiche contenute nel file zip da me postato in precedenza. Con i files contenuti nel file zip puoi simulare con facilita' l'andamento del filtro al variare della tensione di controllo (CV).
con i condensatori da 22nF il filtro dovrebbe chiudere ad una frequenza minore di 20Hz (0V) e si arriva ad aprire ad una frequenza maggiore di 20000Hz (10.68V) coprendo l'intera banda udibile. Per cambiare lo spettro di azione si possono cambiare i condensatori in questione, o le resistenze in serie che separano le varie parti del filtro (che sono tutte uguali))
Per simulare il tutto in LTspice hai bisogno di LM13700.mod facilmente reperibile su internet e copiarlo nella stessa cartella del file .asc che contiene la simulazione! Le formule per calcolare la risposta in frequenza ricordo di averle trovate da qualche parte in passato! Cmq Tolti gli EXPO converter il filtro non e' altro che il solito state variable filter basato su LM13700 o LM13600, quindi penso che non sia possibile trovare le formule in rete![/img] |
|
|
Back to top
|
|
 |
PeLLe
Joined: Dec 05, 2011 Posts: 5 Location: Brescia
|
Posted: Mon Dec 12, 2011 5:14 am Post subject:
|
 |
|
Thank you so much!!!!!!!!
I've got another question. CV is linear voltage or exp voltage? Because in my project i must control frequency with linear voltage.
For example, for f0=20Hz i must apply 100mV; for f0=200Hz i must apply 1V; for f0=2000Hz i must apply 10V ... Do you understand?
I think i can realize one V-I converter with one op amp with buffer configuration and one resistor from output pin of that to gm pin of LM13700. If gm pin of LM13700 has -13.5V fixed, resistor trasduce voltage dropout in fixed current, isn't it? |
|
|
Back to top
|
|
 |
dondo
Joined: Jul 06, 2011 Posts: 7 Location: roma
|
Posted: Mon Dec 12, 2011 6:33 am Post subject:
expo converter Subject description: 1V/oct |
 |
|
You are welcome!
The control is a standard CV 1V/oct. That means that if f(0V)=20Hz for example, f(1V)=40Hz, f(2V)=80Hz, f(3V)=160Hz, f(4V)=320Hz, ....f(10V)=20480. So every time you add 1Volt to the frequency CV the frequency should be the double! According to other schematics, using linear opamps, quality silver-mica capacitors, matched transistors (and a tempco resistor glued to them) you should get a very precise tracking over frequencies! (something close to 7-8 octaves with less than 1% tracking error). This allow to this filter to be used as a sine oscillator at full resonance!
Also the resonance is 1V/oct and should be controllable quite well.
I mean that this is not the case where resonance get very high just at the end of the potentiometer.... at 5V you should have almost half of the resonance!
I'm interested to your turntable project! Can you explain it better to me? Or do you have some link to send me? Do you also need a voltage controlled resonance to do this? |
|
|
Back to top
|
|
 |
dondo
Joined: Jul 06, 2011 Posts: 7 Location: roma
|
Posted: Mon Dec 12, 2011 6:48 am Post subject:
Post Scriptum Subject description: 1V/oct |
 |
|
P.S. U12 cermet trimmer on the schematics is used to shift the operating spectrum of the filter (You need it to tune the filter)!
U11 does the same thing on the resonance! |
|
|
Back to top
|
|
 |
PeLLe
Joined: Dec 05, 2011 Posts: 5 Location: Brescia
|
Posted: Mon Dec 12, 2011 12:19 pm Post subject:
|
 |
|
Ok, i'll try to explain my project.
My project was very very very very very VERY ideal (absolute ideal) anti-larsen filter. My teacher give me more features about that.
-I have got an ipotetical music signal [20Hz - 20kHz] with max amplitude 2V peak-to-peak.
-I have got an ipotetical sine noise [20Hz - 20kHz] with unknow frequency. That noise was sum over music signal.
I must realize that project:
-When composite signal (music + noise) go over 2V peak-to-peak, a comparator LM311 with 2V threshold was attach and square signal with duty-cycle not 50% was get out of LM311.
-Flip-flop can trasform that signal in a square 50% duty-cycle with f/2.
-Frequency-to-Voltage converter get voltage signal that depends on frequency (For example if f=20Hz, Vout=2V; if f=40Hz, Vout=4V, ...).
-After that another circuit was provide a double voltage (now linearity from frequency to voltage is exactly).
-I must control f0 of notch filter with that voltage signal. So, that control signal was linear.
Do you understand why i must project a linear control of f0?
If it possible i would turnable Q and f0 with only potentiometers (no change capacitors or resistors on circuit).
Have you got an idea? |
|
|
Back to top
|
|
 |
dondo
Joined: Jul 06, 2011 Posts: 7 Location: roma
|
Posted: Mon Dec 12, 2011 6:12 pm Post subject:
cool! |
 |
|
So this project will automatically remove a sine wave from your signal!
But at this point what you need a control on the frequency with a pot?
Makes sense just to do a fine adjustment with it...
Or if you bypass the control to makes it manually!
However this circuit is going to be what you need to do that!
You can save the Q expo converter so the signal will not pass trough any potentiometer.
You should use the 24db output to have a more selective filter (but on mono signals only)
you could use at least an lm317 lm337 configuration to regulate the power supply! (2 x lt1085 is better if you have some money to spend on the project!)
Let me know how you project will go on! Try the filter on a breadboard just to be sure everything is OK before to etch your board!
Best regards! |
|
|
Back to top
|
|
 |
PeLLe
Joined: Dec 05, 2011 Posts: 5 Location: Brescia
|
|
|
Back to top
|
|
 |
dondo
Joined: Jul 06, 2011 Posts: 7 Location: roma
|
Posted: Thu Dec 29, 2011 10:33 am Post subject:
capacitors |
 |
|
I think you can't change capacitors like that!
They have to be the same capacitance.
This is a must for SVFs!
To increase Q factor you should work on the feedback LM13700!
If I remember well......
Less the feedback is amplified, higher is the resonance!
So if you want more resonance you should try to make the feedback signal lower! (The feedback signal is the one that pass trough U4A!)
You can also try to remove the diodes D1 and D2 to avoid any clipping.
Good luck! |
|
|
Back to top
|
|
 |
|