| Author |
Message |
tokyomatik

Joined: Jan 20, 2011 Posts: 171 Location: berlin
Audio files: 6
|
|
|
Back to top
|
|
 |
tokyomatik

Joined: Jan 20, 2011 Posts: 171 Location: berlin
Audio files: 6
|
|
|
Back to top
|
|
 |
tokyomatik

Joined: Jan 20, 2011 Posts: 171 Location: berlin
Audio files: 6
|
|
|
Back to top
|
|
 |
kaputtpanzer

Joined: Nov 02, 2009 Posts: 139 Location: Cologne
Audio files: 15
|
Posted: Tue Jan 24, 2012 4:00 am Post subject:
|
 |
|
| Ahh yes, I saw this thing a few times here. Looks very simple and interesting. I am curious how it sounds. Can someone please post an audio sample? Thanx |
|
|
Back to top
|
|
 |
vladosh

Joined: Aug 02, 2010 Posts: 679 Location: macedonia
Audio files: 51
|
Posted: Tue Jan 24, 2012 8:10 am Post subject:
|
 |
|
As this is so small parts count it'd be great to make 3 or 4 and wire them in parallel .. if i only knew how to change the range ,so one can act like bpf .. it's great for that purpose i think ,some samples would be great  |
|
|
Back to top
|
|
 |
tokyomatik

Joined: Jan 20, 2011 Posts: 171 Location: berlin
Audio files: 6
|
Posted: Tue Jan 24, 2012 6:30 pm Post subject:
|
 |
|
i also was thinking about some possible mods
but im a complete beginner, so i dont know if what im thinking could really work or not
for exmple trying to split the 100k stereo log pot of the frequency with 2 mono
maybe also different values..... ???
and another idea was to add some kind of slew with a vactrol somewhere in the path, like scott stites did with Ray Wilson's filter.....
somebody waana try??
in the while i'll make some samples
to give an idea of the character of this filter |
|
|
Back to top
|
|
 |
tokyomatik

Joined: Jan 20, 2011 Posts: 171 Location: berlin
Audio files: 6
|
Posted: Wed Jan 25, 2012 12:54 am Post subject:
|
 |
|
here some samples of a squarewave(sn voice) with different settings of resonance
| Description: |
|
 Download (listen) |
| Filename: |
squarewave-filter seep-no r.mp3 |
| Filesize: |
1.2 MB |
| Downloaded: |
2688 Time(s) |
| Description: |
|
 Download (listen) |
| Filename: |
squarewave-filter seep-25% .mp3 |
| Filesize: |
1.2 MB |
| Downloaded: |
2285 Time(s) |
| Description: |
|
 Download (listen) |
| Filename: |
squarewave-filter seep-50% .mp3 |
| Filesize: |
1.2 MB |
| Downloaded: |
2475 Time(s) |
| Description: |
|
 Download (listen) |
| Filename: |
squarewave-filter seep-100%.mp3 |
| Filesize: |
1.2 MB |
| Downloaded: |
2635 Time(s) |
|
|
|
Back to top
|
|
 |
Dego

Joined: Apr 22, 2008 Posts: 139 Location: Sweden
|
Posted: Wed Jan 25, 2012 9:34 am Post subject:
|
 |
|
| Easy to build. Might try it on veroboard. I have built my sn voice but never panelled it. Might be an easy addition to it. |
|
|
Back to top
|
|
 |
kaputtpanzer

Joined: Nov 02, 2009 Posts: 139 Location: Cologne
Audio files: 15
|
Posted: Fri Jan 27, 2012 4:33 pm Post subject:
|
 |
|
| Thanks for the audiosamples! Sounds very interesting, I will breadboard it later. |
|
|
Back to top
|
|
 |
BloodMaster
Joined: Jan 28, 2012 Posts: 3 Location: germany
|
Posted: Sat Jan 28, 2012 12:33 pm Post subject:
|
 |
|
| That sounds really good. Would be interested how it sounds with a more "musical phrase" and some cutoff and reso screwing. |
|
|
Back to top
|
|
 |
predok

Joined: Sep 04, 2015 Posts: 4 Location: ua
|
Posted: Mon Sep 07, 2015 1:56 am Post subject:
|
 |
|
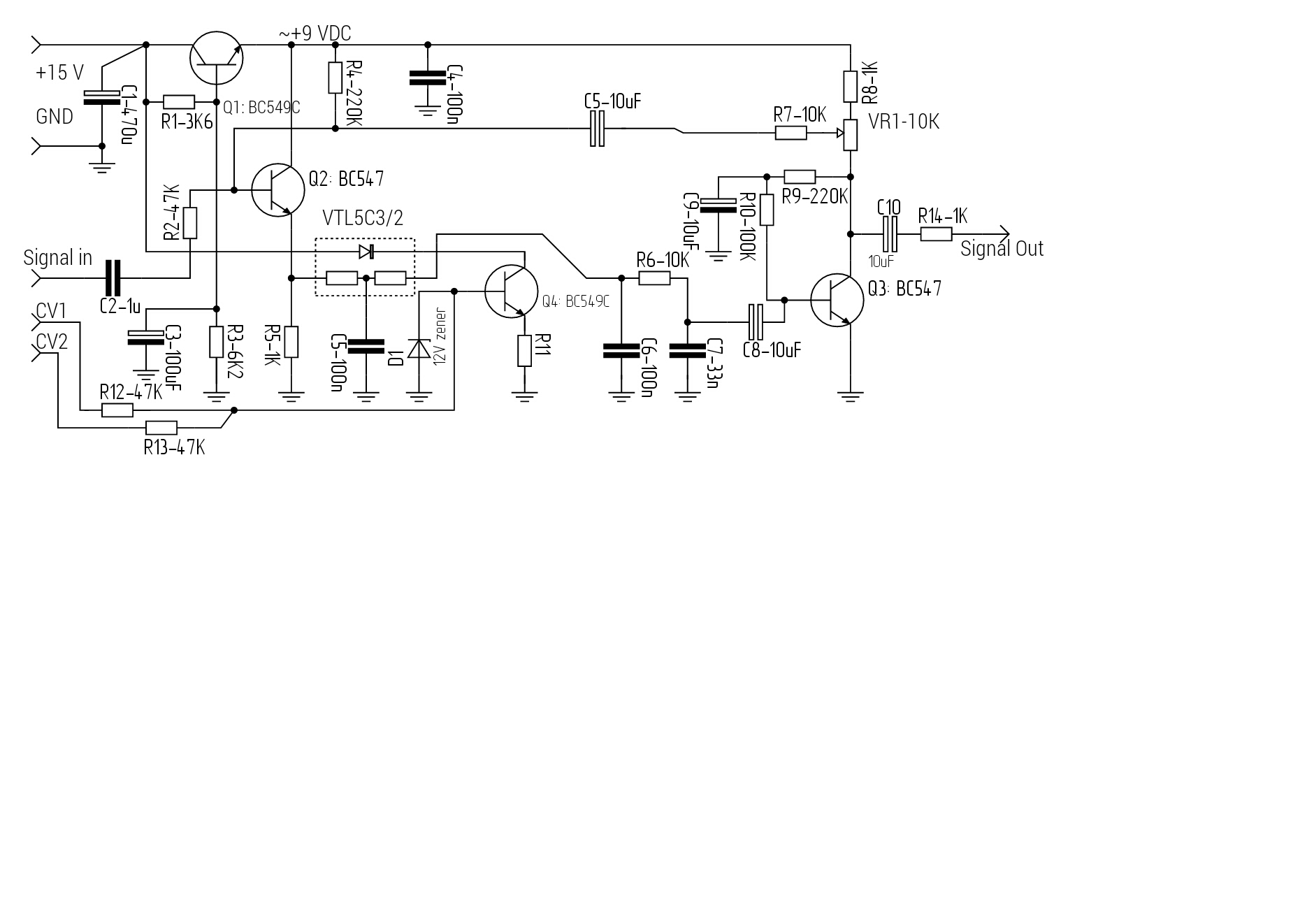
Dual 100K pot - is it a stereo pot? I've assembled this scheme, but it works a bit strange...
Thank you for the scheme, tokyomatik! |
|
|
Back to top
|
|
 |
tokyomatik

Joined: Jan 20, 2011 Posts: 171 Location: berlin
Audio files: 6
|
Posted: Tue Sep 08, 2015 5:38 pm Post subject:
|
 |
|
| yep 100k stereo logar. the resonance interacts a lot with frequency pot,if u like it dirty & screachy i hope u will enjoy this filter. peace |
|
|
Back to top
|
|
 |
predok

Joined: Sep 04, 2015 Posts: 4 Location: ua
|
Posted: Thu Sep 10, 2015 5:15 am Post subject:
|
 |
|
| Yes, it sounds very warm and good for a low bass sound. Filter cuts high frequencies too much but anyway I like it. |
|
|
Back to top
|
|
 |
gasboss775

Joined: Jan 02, 2016 Posts: 217 Location: Scotland
|
Posted: Fri Nov 17, 2017 6:26 am Post subject:
Super simple LPF |
 |
|
The first time I tried this circuit I tried to adapt it to work of +15 V supply, but it was very unstable. Today I built it as is and powered it from +9V and it worked well. There is a lot of variability in the output amplitude, particularly with high resonance, perhaps some sort of post filter soft clipping would be good.
I want to try making a VCF out of this by substituting the dual pot with a dual vactrol. |
|
|
Back to top
|
|
 |
gasboss775

Joined: Jan 02, 2016 Posts: 217 Location: Scotland
|
Posted: Fri Nov 17, 2017 8:18 am Post subject:
|
 |
|
Provisionally I can say it works well with a dual vactrol ( VTL5C3/2) just using a 10K pot and a resistor in series with the vactrol led.
Also the filter definitely sounds better with a lower frequency signal, I was using a 98Hz squarewave.
It is a bit of a screecher particularly at high cut off and high resonance control settings. At lower cut off frequencies is quite fat and warm if the resonance control is kept down. |
|
|
Back to top
|
|
 |
gasboss775

Joined: Jan 02, 2016 Posts: 217 Location: Scotland
|
|
|
Back to top
|
|
 |
gasboss775

Joined: Jan 02, 2016 Posts: 217 Location: Scotland
|
|
|
Back to top
|
|
 |
L´Andratté

Joined: Sep 23, 2012 Posts: 153 Location: Hamburg, Germany
Audio files: 5
|
Posted: Mon Nov 20, 2017 2:53 am Post subject:
|
 |
|
Hi gasboss!
I don´t know if you´re interested in the sound of the whacky transistor configuration *which probably guarantees strange behaviour* or in the simplicity of it...? Because it would be easier with opamps, which I have built several times.
On both outer legs of your double ldr you could put a little series resistance like 2k or 3k3, because the resistance of a vtl5c3 can become very small and the transistor (or opamp) won´t be happy driving a capacitive load to ground (aka instability/squeeling). That´s for the first resistor and the second to keep the resistances of the RCsections equal in value.
With one or two transistors you can build excellent lin or log led drivers: look at Scott Stites Multiphase project! (or René Schmitz´ cmos vco)  |
|
|
Back to top
|
|
 |
gasboss775

Joined: Jan 02, 2016 Posts: 217 Location: Scotland
|
Posted: Mon Nov 20, 2017 8:18 am Post subject:
|
 |
|
| L´Andratté wrote: | Hi gasboss!
I don´t know if you´re interested in the sound of the whacky transistor configuration *which probably guarantees strange behaviour* or in the simplicity of it...? Because it would be easier with opamps, which I have built several times.
On both outer legs of your double ldr you could put a little series resistance like 2k or 3k3, because the resistance of a vtl5c3 can become very small and the transistor (or opamp) won´t be happy driving a capacitive load to ground (aka instability/squeeling). That´s for the first resistor and the second to keep the resistances of the RCsections equal in value.
With one or two transistors you can build excellent lin or log led drivers: look at Scott Stites Multiphase project! (or René Schmitz´ cmos vco)  |
Simplicity is always very seductive, but on closer inspection there are often limitations that are unavoidable without the addition of more complexity.
I had thought about adding series resistors as personally I don't like the misbehaviour of this circuit that occurs with high cut off and high resonance settings.
Do you think there is merit in using an expo converter to drive vactrols, as they are inherently non linear in nature? Last edited by gasboss775 on Sun Dec 10, 2017 4:07 am; edited 1 time in total |
|
|
Back to top
|
|
 |
Yangushii
Joined: Dec 09, 2017 Posts: 3 Location: Leiden NL
|
Posted: Sat Dec 09, 2017 1:42 am Post subject:
|
 |
|
| tokyomatik wrote: | | yep 100k stereo logar. the resonance interacts a lot with frequency pot,if u like it dirty & screachy i hope u will enjoy this filter. peace |
Cutoff doesn’t seem to do anything for me. I suspect I got the dual pot wiring wrong
I connected like this:
Bottom lug 1 to 1k res/bc547 emitter
Top lug 1 to bottom lug 2 to 100nf cap
Top lug 2 to 10k res /100nf cap
Both lug 3 disconnected.
Pretty much like here:
https://1.bp.blogspot.com/-223y4GiQ2-I/WFF8cslxvHI/AAAAAAAALk4/PosVsJ7NhAcI1QWELd8cd1uk8Ud8_6pkgCKgB/s1600/IMG_20161214_164054.jpg
It does seem different on the pcb picture...
Anyone could tell me if I got it correct?
Thanks ! |
|
|
Back to top
|
|
 |
gasboss775

Joined: Jan 02, 2016 Posts: 217 Location: Scotland
|
Posted: Sun Dec 10, 2017 4:02 am Post subject:
|
 |
|
| Yangushii wrote: | | tokyomatik wrote: | | yep 100k stereo logar. the resonance interacts a lot with frequency pot,if u like it dirty & screachy i hope u will enjoy this filter. peace |
Cutoff doesn’t seem to do anything for me. I suspect I got the dual pot wiring wrong
I connected like this:
Bottom lug 1 to 1k res/bc547 emitter
Top lug 1 to bottom lug 2 to 100nf cap
Top lug 2 to 10k res /100nf cap
Both lug 3 disconnected.
Pretty much like here:
https://1.bp.blogspot.com/-223y4GiQ2-I/WFF8cslxvHI/AAAAAAAALk4/PosVsJ7NhAcI1QWELd8cd1uk8Ud8_6pkgCKgB/s1600/IMG_20161214_164054.jpg
It does seem different on the pcb picture...
Anyone could tell me if I got it correct?
Thanks ! |
It should have worked, although the cut off would get lower as the pot is turned clockwise rather than increasing with clockwise rotation which is the usual convention. What value of pot did you use? |
|
|
Back to top
|
|
 |
gasboss775

Joined: Jan 02, 2016 Posts: 217 Location: Scotland
|
Posted: Sun Dec 10, 2017 9:17 am Post subject:
|
 |
|
Yangushii This is quite a quirky circuit and there could be other reasons that it won't work. At first I used bc549C transistors and it didn't work at they had too much current gain and the transistors were biased close to ground. In general biasing a transistor with one resistor as is the case with Q1 isn't a very reliable method of biasing as the operating point is very dependent on the gain ( hFE / Beta ) of the transistor which varies from device to device and with temperature.
I used a 9 volt regulator as I found the circuit too unstable when operated above 9 volts, some people might actually like that quirkiness so that's up to you.[/b] |
|
|
Back to top
|
|
 |
Yangushii
Joined: Dec 09, 2017 Posts: 3 Location: Leiden NL
|
Posted: Sun Dec 10, 2017 10:24 am Post subject:
|
 |
|
Thanks Gasboss.
I used a 100k dual pot.
I did used bc547c but socketed them so I can swap them if needed.
Any suggestion on what I can use? |
|
|
Back to top
|
|
 |
gasboss775

Joined: Jan 02, 2016 Posts: 217 Location: Scotland
|
Posted: Sun Dec 10, 2017 1:23 pm Post subject:
|
 |
|
| Yangushii wrote: | Thanks Gasboss.
I used a 100k dual pot.
I did used bc547c but socketed them so I can swap them if needed.
Any suggestion on what I can use? |
If you can find regular bc547 rather than bc547c, as the c at the end means that the transistors have the highest hFE / Beta. Do you have a meter that let's you measure hFE?
Try to find something around 250 or less, doesn't have to be bc547 as long as its npn and with hFE less than or around 250. |
|
|
Back to top
|
|
 |
Yangushii
Joined: Dec 09, 2017 Posts: 3 Location: Leiden NL
|
Posted: Mon Dec 11, 2017 1:56 am Post subject:
|
 |
|
I tried with a bc547a (should be 220 HEF max)
I do get very faint variation at the end of the cutoff pot. By the way, I used a lin pot, could it be this?
Otherwise, i guess it's my layout... It's the first I made so I might need to have a second look
Thanks for the help! |
|
|
Back to top
|
|
 |
|