electro-music.com   Dedicated to experimental electro-acoustic
and electronic music
 
    Front Page  |  Radio
 |  Media  |  Forum  |  Wiki  |  Links
Forum with support of Syndicator RSS
 FAQFAQ   CalendarCalendar   SearchSearch   MemberlistMemberlist   UsergroupsUsergroups   LinksLinks
 RegisterRegister   ProfileProfile   Log in to check your private messagesLog in to check your private messages   Log inLog in  Chat RoomChat Room 
go to the radio page Live at electro-music.com radio 1 Please visit the chat
poster
 Forum index » DIY Hardware and Software » Lunettas - circuits inspired by Stanley Lunetta
CMOS Wave Shaper
Post new topic   Reply to topic Moderators: mosc
Page 3 of 6 [127 Posts]
View unread posts
View new posts in the last week
Mark the topic unread :: View previous topic :: View next topic
Goto page: Previous 1, 2, 3, 4, 5, 6 Next
Author Message
attdestroyers



Joined: Mar 29, 2012
Posts: 47
Location: Malvern, Ohio

PostPosted: Sun May 13, 2012 4:44 pm    Post subject: Reply with quote  Mark this post and the followings unread

I just finished my module for this. Of course after I put it in the case it didn't work right, but after troubleshooting it all day, it's finally done!

I ended up making a module with 2 of the original circuits minus the clock. I also added a switch so the clock input into the 4040 & 4006 could be the same clock (like in the original) or 2 different clocks.

I'll try to post a picture when I can.


Wave Shaper.gif
 Description:
 Filesize:  28.41 KB
 Viewed:  1307 Time(s)
This image has been reduced to fit the page. Click on it to enlarge.

Wave Shaper.gif


Back to top
View user's profile Send private message
attdestroyers



Joined: Mar 29, 2012
Posts: 47
Location: Malvern, Ohio

PostPosted: Sun May 13, 2012 6:52 pm    Post subject: Reply with quote  Mark this post and the followings unread

Here's pics... sorry they're crappy


wave1.jpg
 Description:
 Filesize:  61.46 KB
 Viewed:  586 Time(s)
This image has been reduced to fit the page. Click on it to enlarge.

wave1.jpg



wave2.jpg
 Description:
 Filesize:  55.08 KB
 Viewed:  592 Time(s)
This image has been reduced to fit the page. Click on it to enlarge.

wave2.jpg


Back to top
View user's profile Send private message
Cynosure
Site Admin


Joined: Dec 11, 2010
Posts: 1026
Location: Toronto, Ontario - Canada
Audio files: 82

PostPosted: Mon May 14, 2012 12:19 am    Post subject: Reply with quote  Mark this post and the followings unread

That is awesome! Please post a sound or video demo once you get it added to your modular.
_________________
JacobWatters.com
Back to top
View user's profile Send private message
Cynosure
Site Admin


Joined: Dec 11, 2010
Posts: 1026
Location: Toronto, Ontario - Canada
Audio files: 82

PostPosted: Mon May 14, 2012 6:35 pm    Post subject: Reply with quote  Mark this post and the followings unread

The weird thing is - I tried to breadboard this again tonight and now I can't get it to work. The only change is I changed the 40106 osc for a 4046 VCO.

I just get the base note and it rises and lowers slightly in volume.

Did anyone else have any issues getting this to work?

_________________
JacobWatters.com
Back to top
View user's profile Send private message
Cynosure
Site Admin


Joined: Dec 11, 2010
Posts: 1026
Location: Toronto, Ontario - Canada
Audio files: 82

PostPosted: Mon May 14, 2012 6:55 pm    Post subject: Reply with quote  Mark this post and the followings unread

i got it. remove the resistor from pin 3 to the output on the 4006 and make sure the clock runs VERY high.
_________________
JacobWatters.com
Back to top
View user's profile Send private message
PHOBoS



Joined: Jan 14, 2010
Posts: 5924
Location: Moon Base
Audio files: 709

PostPosted: Mon May 14, 2012 11:42 pm    Post subject: Reply with quote  Mark this post and the followings unread

Cynosure wrote:
i got it. remove the resistor from pin 3 to the output on the 4006 and make sure the clock runs VERY high.


great, and that makes sense. I allready removed that resistor since it only added the source frequency
(which is high). Add a resistor to the data input of the 4006/output 4040 instead. a 4046 VCO is on
my list of things to try or maybe a simple 555 VCO.

I'm now working out which connections between the 4015, 4040 and oscillators sounds best,
to see how I want to hardwire some switches. But I should finish up another circuit first to get some
more breadboard space.

Modular setup would be most usefull offcourse,. (might draw an idea for that later)

_________________
"My perf, it's full of holes!"
http://phobos.000space.com/
SoundCloud BandCamp MixCloud Stickney Synthyards Captain Collider Twitch YouTube
Back to top
View user's profile Send private message Visit poster's website AIM Address Yahoo Messenger MSN Messenger
PHOBoS



Joined: Jan 14, 2010
Posts: 5924
Location: Moon Base
Audio files: 709

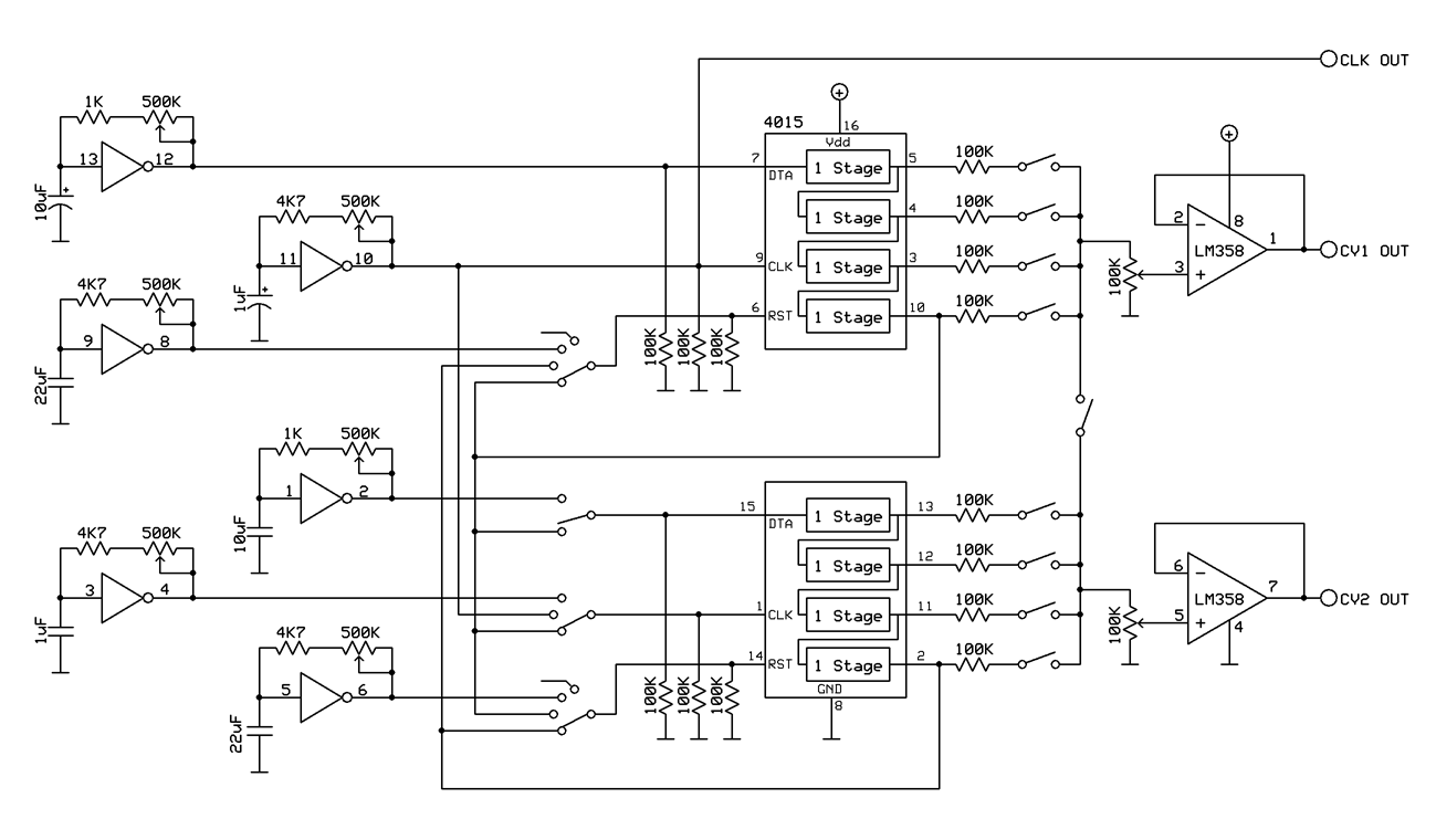
PostPosted: Tue May 15, 2012 9:44 am    Post subject: 4015 Stepped Wave generator Lunetta module Reply with quote  Mark this post and the followings unread

ok here's an idea for a versatile 4015 Stepped Wave generator Lunetta module. It's setup as a dual
4-stage 'wavegenerator' , but I added some switches so it can be used as an 8- stage aswell. (all 3 switches closed).
My first idea was to use the switches to select either a seperate input signal or link the 2 together,
but I decided to add some diodes so you can do some weird modulations aswell.

The opamps are configured as a voltage follower and act as a buffer. And because of the high impedance inputs
I changed the resistors to 100K which reduces the current draw. I'm not sure which opamp would be usefull,
a single power rail to rail makes sense, but not I'm sure, I 'll have to do some tests to see what works.

The 4040 is not included since there are many ways to patch it and it deserves it's own module anyway.
just as the oscillators. I also didn't include the caps for sine and spiked outputs, they can be added
but probably have to be smaller because of the 100K resistors, it also depends on the frequency
you use it for, so experiment! Wink

some extra options:
- wire all the outputs of the 4015 to the panel
- add switches between the ouputs of the 4015 and the resistors
- use pots Cool

btw this is only meant as a LUNETTA module,. not as a synth module (yeah I know a Lunetta is a synth too).
In that case i would add comparators for each input and some extra opamps to get a 10Vpp (or whatever
you like) output signal.


4015 Stepped Wave Generator - Lunetta Module.gif
 Description:
 Filesize:  42.27 KB
 Viewed:  768 Time(s)
This image has been reduced to fit the page. Click on it to enlarge.

4015 Stepped Wave Generator - Lunetta Module.gif



_________________
"My perf, it's full of holes!"
http://phobos.000space.com/
SoundCloud BandCamp MixCloud Stickney Synthyards Captain Collider Twitch YouTube
Back to top
View user's profile Send private message Visit poster's website AIM Address Yahoo Messenger MSN Messenger
PHOBoS



Joined: Jan 14, 2010
Posts: 5924
Location: Moon Base
Audio files: 709

PostPosted: Tue May 15, 2012 2:01 pm    Post subject: 4051 Sawtooth generator Reply with quote  Mark this post and the followings unread

You can also make a sawtooth* wave with it. Cool
You could leave the resistor attached to pin 2 in place (so you can do this with the lunetta module),
the amplitude will just be a bit lower.

hmm, just got another
so there migth be another schematic coming up (if it's possible)

*I thought it was called a ramp and the other way around a saw, but according to wikipedia that's called an inverse saw Neutral


CMOS WaveShaper wave3.gif
 Description:
Stepped Sawtooth wave with a 4015
 Filesize:  25.71 KB
 Viewed:  668 Time(s)
This image has been reduced to fit the page. Click on it to enlarge.

CMOS WaveShaper wave3.gif



_________________
"My perf, it's full of holes!"
http://phobos.000space.com/
SoundCloud BandCamp MixCloud Stickney Synthyards Captain Collider Twitch YouTube
Back to top
View user's profile Send private message Visit poster's website AIM Address Yahoo Messenger MSN Messenger
RingMad



Joined: Jan 15, 2011
Posts: 430
Location: Montreal, Canada
Audio files: 4

PostPosted: Tue May 15, 2012 4:11 pm    Post subject: Reply with quote  Mark this post and the followings unread

You're on fire, PHOBoS! I still have yet to write here about some observations. A more pressing project required attention. Thanks for sharing your schematics.

James.
Back to top
View user's profile Send private message Visit poster's website
Cynosure
Site Admin


Joined: Dec 11, 2010
Posts: 1026
Location: Toronto, Ontario - Canada
Audio files: 82

PostPosted: Tue May 15, 2012 4:49 pm    Post subject: Reply with quote  Mark this post and the followings unread

Great work Phobos! I can't wait to see what your next idea is.
_________________
JacobWatters.com
Back to top
View user's profile Send private message
Nardu



Joined: Feb 28, 2011
Posts: 62
Location: Braila, Romania

PostPosted: Wed May 16, 2012 1:13 am    Post subject: Reply with quote  Mark this post and the followings unread





Back to top
View user's profile Send private message Send e-mail Visit poster's website
PHOBoS



Joined: Jan 14, 2010
Posts: 5924
Location: Moon Base
Audio files: 709

PostPosted: Wed May 16, 2012 3:33 am    Post subject: Reply with quote  Mark this post and the followings unread

nice vids,

funny that you used the inverter to make the triangle/sine without the 4040. When I was figuring out
how to make the saw I had the idea that it should be possible to make a triangle like that
didn't get to testing, so great to see that it works Very Happy

_________________
"My perf, it's full of holes!"
http://phobos.000space.com/
SoundCloud BandCamp MixCloud Stickney Synthyards Captain Collider Twitch YouTube
Back to top
View user's profile Send private message Visit poster's website AIM Address Yahoo Messenger MSN Messenger
Nardu



Joined: Feb 28, 2011
Posts: 62
Location: Braila, Romania

PostPosted: Wed May 16, 2012 4:58 am    Post subject:
Subject description: image
Reply with quote  Mark this post and the followings unread

image


5-16-2012 2-49-45 PM.jpg
 Description:
 Filesize:  234.11 KB
 Viewed:  788 Time(s)
This image has been reduced to fit the page. Click on it to enlarge.

5-16-2012 2-49-45 PM.jpg



5-16-2012 2-50-35 PM.jpg
 Description:
 Filesize:  244.54 KB
 Viewed:  739 Time(s)
This image has been reduced to fit the page. Click on it to enlarge.

5-16-2012 2-50-35 PM.jpg



5-16-2012 2-48-53 PM.jpg
 Description:
 Filesize:  246.02 KB
 Viewed:  765 Time(s)
This image has been reduced to fit the page. Click on it to enlarge.

5-16-2012 2-48-53 PM.jpg



5-16-2012 3-07-31 PM.jpg
 Description:
 Filesize:  238.71 KB
 Viewed:  721 Time(s)
This image has been reduced to fit the page. Click on it to enlarge.

5-16-2012 3-07-31 PM.jpg


Back to top
View user's profile Send private message Send e-mail Visit poster's website
PHOBoS



Joined: Jan 14, 2010
Posts: 5924
Location: Moon Base
Audio files: 709

PostPosted: Wed May 16, 2012 5:49 am    Post subject: Reply with quote  Mark this post and the followings unread

hmm, so the inverter setup can also be used for the saw. Great so you could very easily add a switch
to choose between triangle or saw. I was thinking about that after seeing your triangle without 4040,
this makes it even easier Smile

_________________
"My perf, it's full of holes!"
http://phobos.000space.com/
SoundCloud BandCamp MixCloud Stickney Synthyards Captain Collider Twitch YouTube
Back to top
View user's profile Send private message Visit poster's website AIM Address Yahoo Messenger MSN Messenger
Cynosure
Site Admin


Joined: Dec 11, 2010
Posts: 1026
Location: Toronto, Ontario - Canada
Audio files: 82

PostPosted: Wed May 16, 2012 6:52 am    Post subject: Reply with quote  Mark this post and the followings unread

Very cool. What is the app you use for those tests?
_________________
JacobWatters.com
Back to top
View user's profile Send private message
Cynosure
Site Admin


Joined: Dec 11, 2010
Posts: 1026
Location: Toronto, Ontario - Canada
Audio files: 82

PostPosted: Wed May 16, 2012 7:33 am    Post subject: Reply with quote  Mark this post and the followings unread

Psyingo just pointed me to this:

http://www.wiseguysynth.com/larry/schematics/walsh/walsh.pdf

I knew someone else must have already done it Smile


Edit: and this http://www.robthefiddler.com/electronics-audio-diy/circuit-experiments/big-johnson-signal-generator/

_________________
JacobWatters.com
Back to top
View user's profile Send private message
Nardu



Joined: Feb 28, 2011
Posts: 62
Location: Braila, Romania

PostPosted: Wed May 16, 2012 9:07 am    Post subject: Reply with quote  Mark this post and the followings unread

Links :

Walsh-Funktions generator (in german, OCR document ! )
http://www.4shared.com/office/SiPI9jck/Oscilatoare_Tim_Orr.html

http://homepage.internet.lu/animations/portland/electronic/stair/stair.htm

@Cynosure
http://www.4shared.com/rar/AAwQsuLV/Circuit_Wizard_115.html

Files - Cmos_wave_shaper :
http://www.4shared.com/rar/I18r4894/Cmos_wave_shapers.html

http://www.4shared.com/rar/5CEOVMJw/PCB_Wizard_y_Livewire.html
http://www.4shared.com/rar/HaqmfNmC/abacom_1_.html
http://www.4shared.com/rar/NnqkzdmH/Square16.html
Back to top
View user's profile Send private message Send e-mail Visit poster's website
Nardu



Joined: Feb 28, 2011
Posts: 62
Location: Braila, Romania

PostPosted: Wed May 16, 2012 10:00 am    Post subject: Reply with quote  Mark this post and the followings unread

Walsh-Functions




5-16-2012 7-49-44 PM.jpg
 Description:
 Filesize:  277.97 KB
 Viewed:  672 Time(s)
This image has been reduced to fit the page. Click on it to enlarge.

5-16-2012 7-49-44 PM.jpg


Back to top
View user's profile Send private message Send e-mail Visit poster's website
PHOBoS



Joined: Jan 14, 2010
Posts: 5924
Location: Moon Base
Audio files: 709

PostPosted: Wed May 16, 2012 5:27 pm    Post subject: Saw with stepswitch
Subject description: 1,2,5 step
Reply with quote  Mark this post and the followings unread

ok here's kinda what I was thinking about yesterday, which is using a switch to control the number of steps.
My initial idea was to switch the reset to different outputs, but offcourse this changes the frequency and
with all the resistors in place the amplitude. It is possible to keep the amplitude the same but that
involved a 7x7 switch (or something like that). Allthough there are probably ways to do it, maybe
with opamps or more logic.

I did manage to do it but only with 3 settings: 1-step (square), 2-step and 5-step. all with the same
frequency and amplitude. So here's a schematic of that in case anyone is interested.

For a standalone device I'm just gonna add switches between all the resistors which gives more options.
And probably a 4520 instead of a 4040, which is a dual 4 bit counter but you can use it as an 8 bit aswell.

I also did a quick test with an inverter as shown by Nardu, with a switch to select triangle or saw. If you
use a DPDT switch and add a 4040 or 4520 or flipflop or anything else that divides by 2, you can keep
the same frequency. (I can draw a schematic for this if it's not clear how to do it)


CMOS WaveShaper SawSW.gif
 Description:
 Filesize:  20.34 KB
 Viewed:  620 Time(s)
This image has been reduced to fit the page. Click on it to enlarge.

CMOS WaveShaper SawSW.gif



_________________
"My perf, it's full of holes!"
http://phobos.000space.com/
SoundCloud BandCamp MixCloud Stickney Synthyards Captain Collider Twitch YouTube
Back to top
View user's profile Send private message Visit poster's website AIM Address Yahoo Messenger MSN Messenger
Cynosure
Site Admin


Joined: Dec 11, 2010
Posts: 1026
Location: Toronto, Ontario - Canada
Audio files: 82

PostPosted: Wed May 16, 2012 6:58 pm    Post subject: Reply with quote  Mark this post and the followings unread

2 x 4066 = 8x8 switch

and nice work Smile

_________________
JacobWatters.com
Back to top
View user's profile Send private message
PHOBoS



Joined: Jan 14, 2010
Posts: 5924
Location: Moon Base
Audio files: 709

PostPosted: Thu May 17, 2012 3:14 am    Post subject: Reply with quote  Mark this post and the followings unread

Cynosure wrote:
2 x 4066 = 8x8 switch

and nice work Smile


you need a little more then that. With 7x7 I mean like a rotary switch with 7 switches with 7 poitions each.
something like this
Posted Image, might have been reduced in size. Click Image to view fullscreen.
but with 7 'decks' Shocked

. with the 4066 you do have control over every switch so you can wire it in a different way than with a
mechanical switch, and can probably get away with 4 or maybe only 3 chips Rolling Eyes

but this would only change the amplitude problem, the frequency still changes, unless you take a
totally different approach.

_________________
"My perf, it's full of holes!"
http://phobos.000space.com/
SoundCloud BandCamp MixCloud Stickney Synthyards Captain Collider Twitch YouTube
Back to top
View user's profile Send private message Visit poster's website AIM Address Yahoo Messenger MSN Messenger
RingMad



Joined: Jan 15, 2011
Posts: 430
Location: Montreal, Canada
Audio files: 4

PostPosted: Thu May 17, 2012 4:20 am    Post subject: Reply with quote  Mark this post and the followings unread

Nardu, that's interesting stuff about the Walsh functions. I notice something strange with the schematics / simulations you posted... IC1 seems to be
labelled a 4016, which is a bilateral switch. Shouldn't this be a 4015 shift register, which is what it looks and behaves like?

James.
Back to top
View user's profile Send private message Visit poster's website
Nardu



Joined: Feb 28, 2011
Posts: 62
Location: Braila, Romania

PostPosted: Thu May 17, 2012 5:40 am    Post subject: Reply with quote  Mark this post and the followings unread

@RingMad it's 4015 , see new image :


5-17-2012 3-25-51 PM.jpg
 Description:
 Filesize:  85.59 KB
 Viewed:  602 Time(s)
This image has been reduced to fit the page. Click on it to enlarge.

5-17-2012 3-25-51 PM.jpg



5-17-2012 3-13-02 PM.jpg
 Description:
 Filesize:  84.1 KB
 Viewed:  637 Time(s)
This image has been reduced to fit the page. Click on it to enlarge.

5-17-2012 3-13-02 PM.jpg



5-17-2012 3-09-03 PM.jpg
 Description:
 Filesize:  86.26 KB
 Viewed:  603 Time(s)
This image has been reduced to fit the page. Click on it to enlarge.

5-17-2012 3-09-03 PM.jpg



5-17-2012 3-40-42 PM.jpg
 Description:
 Filesize:  140.03 KB
 Viewed:  661 Time(s)
This image has been reduced to fit the page. Click on it to enlarge.

5-17-2012 3-40-42 PM.jpg



5-17-2012 3-20-47 PM.jpg
 Description:
 Filesize:  82.76 KB
 Viewed:  612 Time(s)
This image has been reduced to fit the page. Click on it to enlarge.

5-17-2012 3-20-47 PM.jpg


Back to top
View user's profile Send private message Send e-mail Visit poster's website
PHOBoS



Joined: Jan 14, 2010
Posts: 5924
Location: Moon Base
Audio files: 709

PostPosted: Thu May 17, 2012 7:09 pm    Post subject: LFO test Reply with quote  Mark this post and the followings unread

I made a little testboard to save some breadboard space and I added a dipswitch so I don't have to keep
pulling out/adding resistors. (and no more dodgy connections). For the opamps I tested a TL082, uA741, and
LM358 (= 1/2 LM324). That last one worked ok so I didn't test any other ones. I did need to add an extra
pulldown resistor else the signal clipped. 100K for each set of 4 works nice, but instead of just a resistor
I added a pot. (one side to the resistors, other side to GND, wiper to opamp) which makes it possible to
adjust the amplitude of the wave. Smile

This allready proved to be very usefull when doing some tests with it used as an LFO to control 2 VCO's. Because
I can adjust the amplitude I can also control the voltage of the steps, so I tuned it untill I had a nice sequence.

I did record somes sounds but have to edit the file first, So I'll post some later.

Here's a schematic of how I used it as an LFO, I did change it a bit while I was playing with it so i added some
switches to show what I think are the different connections I made.

and a picture of the testboard Mr. Green


CMOS WaveShaper LFO test.gif
 Description:
waveshaper setup for LFO test
 Filesize:  53.74 KB
 Viewed:  852 Time(s)
This image has been reduced to fit the page. Click on it to enlarge.

CMOS WaveShaper LFO test.gif



CMOS waveshaper testboard_S.jpg
 Description:
4015 waveshaper testboard =)
 Filesize:  88.95 KB
 Viewed:  586 Time(s)
This image has been reduced to fit the page. Click on it to enlarge.

CMOS waveshaper testboard_S.jpg



_________________
"My perf, it's full of holes!"
http://phobos.000space.com/
SoundCloud BandCamp MixCloud Stickney Synthyards Captain Collider Twitch YouTube
Back to top
View user's profile Send private message Visit poster's website AIM Address Yahoo Messenger MSN Messenger
JingleJoe



Joined: Nov 10, 2011
Posts: 878
Location: Lancashire, England
Audio files: 14

PostPosted: Fri May 18, 2012 1:36 am    Post subject: Reply with quote  Mark this post and the followings unread

That looks very neat and tidy Smile I look forwards to hearing the sounds!
_________________
As a mad scientist I am ruled by the dictum of science: "I could be wrong about this but lets find out"


Green Dungeon Alchemist Laboratories
Back to top
View user's profile Send private message
Display posts from previous:   
Post new topic   Reply to topic Moderators: mosc
Page 3 of 6 [127 Posts]
View unread posts
View new posts in the last week
Goto page: Previous 1, 2, 3, 4, 5, 6 Next
Mark the topic unread :: View previous topic :: View next topic
 Forum index » DIY Hardware and Software » Lunettas - circuits inspired by Stanley Lunetta
Jump to:  

You cannot post new topics in this forum
You cannot reply to topics in this forum
You cannot edit your posts in this forum
You cannot delete your posts in this forum
You cannot vote in polls in this forum
You cannot attach files in this forum
You can download files in this forum


Forum with support of Syndicator RSS
Powered by phpBB © 2001, 2005 phpBB Group
Copyright © 2003 through 2009 by electro-music.com - Conditions Of Use