| Author |
Message |
Sebo

Joined: Apr 27, 2007 Posts: 564 Location: Argentina
|
Posted: Sat Sep 08, 2012 4:05 pm Post subject:
Electronotes 129 Thru Zero VCO MOD Subject description: Pitch independent Thru Zero control |
 |
|
Hi:
I recently finished building the Electronotes 129 TZ VCO based on the PCB posted at this thread:
http://electro-music.com/forum/viewtopic.php?highlight=electronotes+129+tzvco&t=40616
Thank you Forbin for the PCB layout!!!
Reading the original article by Bernie Hutchins (thanks to him for the design):
http://electronotes.netfirms.com/EN129.pdf
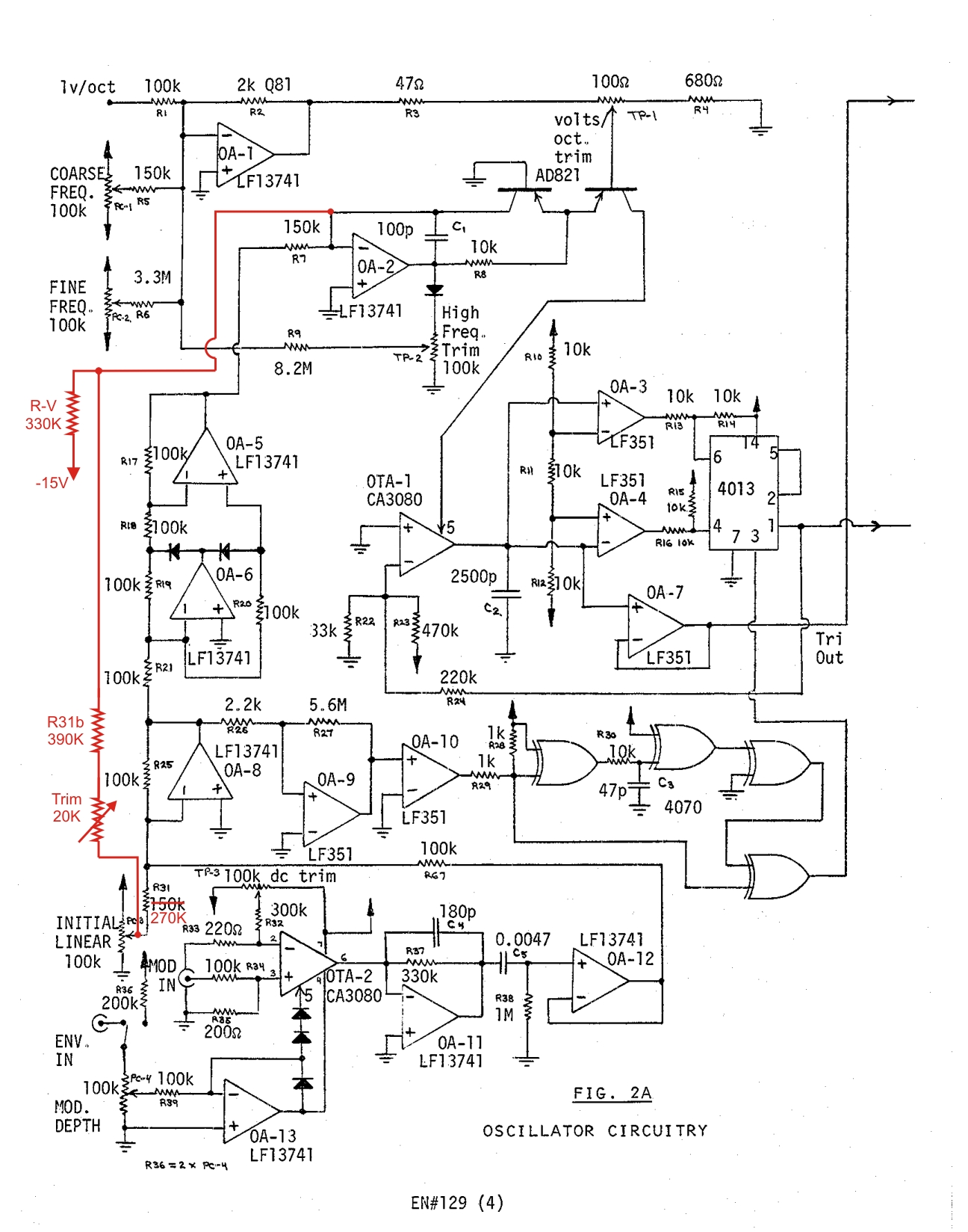
I realized that if I want to modify the Thru Zero depth (using the initial linear knob) It also modifies the frequency of the VCO, as Mr. Hutchins explains at the end of the article. He also proposes a complicated way to avoid that (using a second exponential converter).
After thinking about it I came with a simple solution: to substract the voltage at the Initial Linear pot to the voltage that sets the VCO's reference current).
The MOD worked perfectly at first time.
The only trimming needed is to adjust the 20K trimm to null any pitch variation when moving the Initial Linear pot.
Also I'm posting a picture of the module (there are some errors in the labeling, as I did the panel before building the circuit).
I will try to post a video demostrating the MOD soon.
| Description: |
|
| Filesize: |
232.44 KB |
| Viewed: |
744 Time(s) |
| This image has been reduced to fit the page. Click on it to enlarge. |

|
| Description: |
|
| Filesize: |
290.97 KB |
| Viewed: |
738 Time(s) |
| This image has been reduced to fit the page. Click on it to enlarge. |

|
| Description: |
|
| Filesize: |
499.52 KB |
| Viewed: |
1097 Time(s) |
| This image has been reduced to fit the page. Click on it to enlarge. |

|
_________________ Sebo
---------------------------------------
My Music:
https://www.facebook.com/cosaquitos/ |
|
|
Back to top
|
|
 |
Luka

Joined: Jun 29, 2007 Posts: 1003 Location: Melb.
|
|
|
Back to top
|
|
 |
forbin
Joined: Jan 29, 2009 Posts: 120 Location: Fremantle, Australia
|
Posted: Sun Sep 09, 2012 9:26 pm Post subject:
|
 |
|
Hey that's very cool! It also really nice to see the board made up. I have had a few PM's from people that have made the board successfully. I must drag mine out again as I had some tweaks that did a sort of sync thing as per what Ian Fritz was talking about... have been so busy over the last year or so Synth stuff has taken a bit of a back seat to life etc. Hopefully when we move into our new house in a month or so I will be able to get it all setup again... |
|
|
Back to top
|
|
 |
Sebo

Joined: Apr 27, 2007 Posts: 564 Location: Argentina
|
Posted: Mon Sep 10, 2012 6:58 am Post subject:
|
 |
|
Hi Forbin, thanks again for the layout
The VCO works great, I'm just starting to explore it, but is great!!! _________________ Sebo
---------------------------------------
My Music:
https://www.facebook.com/cosaquitos/ |
|
|
Back to top
|
|
 |
Sebo

Joined: Apr 27, 2007 Posts: 564 Location: Argentina
|
|
|
Back to top
|
|
 |
ryktnk

Joined: Apr 24, 2008 Posts: 285 Location: london
Audio files: 1
|
Posted: Sun Sep 16, 2012 2:40 pm Post subject:
|
 |
|
Hello
I hope somebody can help.
I get some weiredness wiht this VCO when I
use a Linear FM freq obout 1khz and above.
When the VCO freq is lower.
Seems to get really unstable and produces some
unpleasant and unpredictable sound.
With FM freq below 1khz it is great.
Anybody else had this experience ?
Cheers
-ryk |
|
|
Back to top
|
|
 |
Sebo

Joined: Apr 27, 2007 Posts: 564 Location: Argentina
|
Posted: Sun Sep 16, 2012 3:36 pm Post subject:
|
 |
|
Hi, in the video the frequency of the VCO is always 2, 3 or 4 octaves above the modulator frequency. I use it that way because when they are at the same frequency the timbres I get are less interesting, and when the frecuency of the VCO is lower than the frequency of the modulator I get the modulator wave at the output.
But I didn't experiment any unstability at any frequency combination. _________________ Sebo
---------------------------------------
My Music:
https://www.facebook.com/cosaquitos/ |
|
|
Back to top
|
|
 |
CJ Miller

Joined: Jan 07, 2007 Posts: 368 Location: 127.0.0.1
|
Posted: Mon Sep 17, 2012 10:05 am Post subject:
|
 |
|
| Nice work! I was just thinking about this VCO today, might need to try etching a few. |
|
|
Back to top
|
|
 |
ryktnk

Joined: Apr 24, 2008 Posts: 285 Location: london
Audio files: 1
|
Posted: Tue Sep 18, 2012 3:40 pm Post subject:
|
 |
|
| Sebo wrote: | Hi, in the video the frequency of the VCO is always 2, 3 or 4 octaves above the modulator frequency. I use it that way because when they are at the same frequency the timbres I get are less interesting, and when the frecuency of the VCO is lower than the frequency of the modulator I get the modulator wave at the output.
But I didn't experiment any unstability at any frequency combination. |
Hello
Thanks for the reply.
Not sure you should get the modulator wave at the output tho.
Cheers
-ryk |
|
|
Back to top
|
|
 |
Stavros
Joined: Oct 30, 2007 Posts: 36 Location: Athens-Greece
|
Posted: Tue Jul 18, 2017 8:07 am Post subject:
EN129 thru Zero VCO MOD |
 |
|
Hello Sebo,
it has been quite some time since your MOD has been posted, but I only recently became aware of the whole subject.
Anyway thank you for posting it and your very stimulating demo.
I am currently trying to build this TZVCO incorporating also your MOD, and I would appreciate very much your help to my following questions. Please excuse if any or all are nonsense. I am a DIY Modular Analog Synthesizer hobbyist but have no Academic Degree in Electronics.
1. In the schema of your mod the 20K trimmer connects on one side to the Initial Linear pot wiper and on the other via a 390K (R31b) resistor,
a. to – in of OA-2 and one side of R7, 150K resistor and
b. to -15V via an additional 330K resistor.
The above is quite straight forward and clear.
What confuses me is that on your published, finished, PCB one side of the trimmer seems connected, via the red cable, directly to the -15V connected on the Fine tuning Pot, while the other, via the purple cable, I assume is connected to the Int. Lin. Pot wiper.
Q1. Do you use only the trimmer or the rest of the components are hidden under the PCB?
2. In your solution as shown on the back of your panel and demonstrated in your very nice video, you have replaced the coarse pot with a multi-position switch, plus an ic and a trimmer and…, which facilitates the octave stepping.
Q2. Has this any relation with my first question? Could you please post the schema of your final mods?
Many thanks for your attention
Best Regards from Athens Greece
Stavros Grigoriou |
|
|
Back to top
|
|
 |
Sebo

Joined: Apr 27, 2007 Posts: 564 Location: Argentina
|
Posted: Thu Aug 03, 2017 4:03 pm Post subject:
|
 |
|
Hi Stavros:
Let me answer your questions:
Q1 - The resistors are under the PCB. I drilled extra holes for the trimpot and wires, and soldered the resistors to the trimpot, and then the wires to the resistors.
Q2 - I replaced the coarse tune pot with an octave selector as I did in all my VCOs. This mod is not related to the previous mod. I didn't mention this mod as it is a very common mod. Just a simply voltaje divider made with selected 10K resistors conected to a rotary switch, a trimpot for fine-tune and a buffer. There are a lot of octave selector circuits around, but if you like a could post mine...
Hope I make it clear
Cheers. _________________ Sebo
---------------------------------------
My Music:
https://www.facebook.com/cosaquitos/ |
|
|
Back to top
|
|
 |
Stavros
Joined: Oct 30, 2007 Posts: 36 Location: Athens-Greece
|
Posted: Fri Aug 04, 2017 2:19 am Post subject:
Electronotes 129 Thru Zero VCO MOD |
 |
|
Thank you very much Sebo.
Yes please, I will appreciate it posting your octave circuit.
Many thanks again and Best regards
Stavros |
|
|
Back to top
|
|
 |
Gingoism
Joined: Feb 01, 2017 Posts: 23 Location: Singapore
|
Posted: Wed Dec 09, 2020 12:09 am Post subject:
|
 |
|
What changes would be needed to make it work for +/-12V.
I have yet to simulate or breadboard the circuit but am curious if someone has already made a well defined version on +/- 12V |
|
|
Back to top
|
|
 |
|