| Author |
Message |
PHOBoS

Joined: Jan 14, 2010 Posts: 5881 Location: Moon Base
Audio files: 709
|
Posted: Sun Oct 21, 2012 1:06 pm Post subject:
PHOBoS' Modular Lunetta Subject description: a(nother) work in progress |
 |
|
copied from other thread
| PHOBoS wrote: | Last week I finally started on a modular lunetta system. I really like banana's (jacks and fruit )
but they are a bit too pricey and you need a lot! And the PCB connectors are a bit to flimsy for my liking.
So I decided to use the bolts and crocks method after having some experience with this (and being
quite pleased with it), when I was working on some synth stuff.
but what really got me started is when I realised that I could use perfboard to make the front panels.
It's very easy to cut to the right size, you can solder components on it directly (great for mounting LED's)
and you don't need to measure anything when drilling holes for bolts/switches/jacks and whatnuts.
just count the holes for the right spacing.
I used PCB connectors to mount the boards that hold the chips and other components. and on some modules
I also used them as an actual connector at the same time. I'm not completely sure yet about what I'm
gonna use for the power distribution, but I think I'll use cinch connectors like attdestroyers (but with + & - combined)
And I just found out that the space between the mounting holes and the edges of the fronts is just
right to mount them on a rail spacing between top and bottom isn't a standard rack size so I have to
make something custom, but this will make mounting the modules very easy.
here are some photo's I'll post more info about them at some later time, but feel free to ask,.. |
and
| Quote: | I just finished the case, made from a crappy rack case I got a while back. I turned it around facing front down,
flipped the sides so those mounting 'ears' are facing inwards, moved the existing rails and added 2 extra.
It's not what I originally had in mind, which was 3 modules high, not as wide and made of wood,
but I'm happy with it  |
So I will post more info about the modules and any progress I make here. incl schematics and demo sounds.
| Description: |
| PHOBoS' Modular lunetta (okt 20, 2012) |
|
| Filesize: |
63.74 KB |
| Viewed: |
1615 Time(s) |
| This image has been reduced to fit the page. Click on it to enlarge. |

|
_________________ "My perf, it's full of holes!"
http://phobos.000space.com/
SoundCloud BandCamp MixCloud Stickney Synthyards Captain Collider Twitch YouTube |
|
|
Back to top
|
|
 |
PHOBoS

Joined: Jan 14, 2010 Posts: 5881 Location: Moon Base
Audio files: 709
|
Posted: Sun Oct 21, 2012 1:07 pm Post subject:
PHOBoS' Modular Lunetta Subject description: [Power] module |
 |
|
The power module
There's not a whole lot to say about this module: a DC input connector, protection diode, on/off switch
with indicator LED, a big 4700uF capacitor and a couple of 'outputs' incl 2 banana connectors.
I choose a nice fat diode [1N5408] rated for 3 amps. An 1N400x diode would probably be sufficient,
but with the 4700uF cap and all the decoupling caps on the modules the inrush current might just be too much,
and I had one laying around anyway.
The reason I wired the switch they way I did (shorted on one side) is only because it was more practical to
solder it this way. I had thought about putting the 4700uF capacitor before the switch, but it was much easier
to place it parallel to the outputs, and as a bonus I get a powerstarve effect when I turn it off.
There's no voltage regulator, so the system just runs on whatever I supply it with.
| Description: |
|
| Filesize: |
6.21 KB |
| Viewed: |
90139 Time(s) |

|
_________________ "My perf, it's full of holes!"
http://phobos.000space.com/
SoundCloud BandCamp MixCloud Stickney Synthyards Captain Collider Twitch YouTube Last edited by PHOBoS on Sun Oct 21, 2012 1:30 pm; edited 2 times in total |
|
|
Back to top
|
|
 |
PHOBoS

Joined: Jan 14, 2010 Posts: 5881 Location: Moon Base
Audio files: 709
|
|
|
Back to top
|
|
 |
PHOBoS

Joined: Jan 14, 2010 Posts: 5881 Location: Moon Base
Audio files: 709
|
Posted: Sun Oct 21, 2012 1:08 pm Post subject:
PHOBoS' Modular Lunetta Subject description: [Flame-LED Oscillators] module |
 |
|
Flame-LED Oscillators
something you probably won't see in most lunetta's, at least up untill now
tea-candle LED"s are curious things, once you listen to them that is . Some sound like a series of beeps
available in a range of frequencies, and others play actual melodies. I think those are mostly the older ones,
when it was easier/cheaper to take an existing chip, and I guess they where probably made with a seperate PCB at first.
The sounds they make are actually just a series of bits (PWM ?), which is offcourse perfect for use in a lunetta.
You only need to make it usefull somehow which is quite easy.
just connect a schmitt trigger gate to the point between the LED and series resistor and you get a nice bitstream.
And with the addition of an extra transistor it can also be turned on remotely.
the resistors/diode/LED on the ouputs are the same as the 4040 divider and I plan to do this for all the outputs on
modules.
I selected 4 LED's, by listening to them, ranging in frequency. 2 are in the same range, but higher then the other pair
which are also in the same range. No 'real' melodies used in this one.
I soldered the LED's to the back of the front facing outwards, so they shine through the perfboard.
yes, I have a digital fireplace in my lunetta.
edit: added some demo sounds:
- first demo is just the seperate outputs, from low to high
- second demo is the result of chaining them output to gate in from low to high. sound from the last LED.
edit: uploaded video to the forum since it is no longer available on youtube.
| Description: |
|
| Filesize: |
28.06 KB |
| Viewed: |
2155 Time(s) |
| This image has been reduced to fit the page. Click on it to enlarge. |

|
| Description: |
| seperate outputs, one by one |
|
 Download (listen) |
| Filename: |
PHOBoS - Flame-LED Oscillators demo (Okt 21, 2012).mp3 |
| Filesize: |
1.41 MB |
| Downloaded: |
2391 Time(s) |
| Description: |
|
 Download (listen) |
| Filename: |
PHOBoS - Flame-LED Oscillators demo2 (Okt 21, 2012).mp3 |
| Filesize: |
926.13 KB |
| Downloaded: |
2071 Time(s) |
| Description: |
|
 Download (listen) |
| Filename: |
lunetta fireplace.wmv |
| Filesize: |
10.31 MB |
| Downloaded: |
932 Time(s) |
_________________ "My perf, it's full of holes!"
http://phobos.000space.com/
SoundCloud BandCamp MixCloud Stickney Synthyards Captain Collider Twitch YouTube Last edited by PHOBoS on Fri Dec 21, 2018 11:36 am; edited 9 times in total |
|
|
Back to top
|
|
 |
PHOBoS

Joined: Jan 14, 2010 Posts: 5881 Location: Moon Base
Audio files: 709
|
Posted: Sun Oct 21, 2012 1:08 pm Post subject:
PHOBoS' Modular Lunetta Subject description: [Triple R/2R Network] module |
 |
|
Triple R/2R Network
There's a little bit more to this one then just a bunch of resistors, but not a whole lot. Because I choose to put diodes
on all the outputs I can't just connect them directly to an R/2R. So I added some non-inverting buffers in the form
of a CD4050, which as it just turned out, will solve another problem too. With 6 buffers for every chip I could make 3
4-bit R2R's with 2 chips, which was also just right for the available panel space.
the output is buffered with an opamp wired as a voltage follower, but as I allready suspected, it clips when
all 4 inputs are high.I came up with 2 ways of solving this (or actually 3):
Adding a voltage divider between the R/2R and the opamp, but I'm not exactly sure how that will
effect it's behaviour, or power the opamp from a higher voltage/cmos from a lower voltage.
It is possible to increase the supply voltage for the opamp with a small circuit, but it's much easier to power
the CMOS chip from a lower voltage. but you have to be carefull there,. you can't just attach the input
of a 5V powered chip to the output of a 9V powered chip, so that would require a voltage divider on the input.
one extra resistor would be enough since there is allready the pulldown resistor. but I remembered reading
something in the datasheet about using the 4049/4050 for level conversion between CMOS and TTL.
I just looked it up and, I quote:
| Quote: | | The input-signal high level (VIH) can exceed the VCC supply voltage when these devices are used for logic-level conversions. |
there's also a nice example in the datasheet, of the chip being powered by 5V with a 10V input signal.
So I'm gonna add a voltage regulator (78L05 should do I think) to power the 2 CD4050's and then the clipping
should be gone. It will also add some extra stability.
I choose mini jacks for the outputs to have a clear distinction between digital and analogue signals.
I did make one mistake when wiring up the R/2R. I assumed the bottom resistor was also an R instead of 2R
but since I had these mounted standing up I could easily cut the connection when I realized this.
note: The CD4049 and CD4050 have an unusual pinsetting. it's a 16 pin chip with 2 unused pins. Vcc on pin1 and Vss on pin8.
updated schematic below _________________ "My perf, it's full of holes!"
http://phobos.000space.com/
SoundCloud BandCamp MixCloud Stickney Synthyards Captain Collider Twitch YouTube Last edited by PHOBoS on Tue Oct 23, 2012 4:07 pm; edited 2 times in total |
|
|
Back to top
|
|
 |
PHOBoS

Joined: Jan 14, 2010 Posts: 5881 Location: Moon Base
Audio files: 709
|
Posted: Sun Oct 21, 2012 4:56 pm Post subject:
|
 |
|
one thing I want to mention about the previous modules, I'm currently low on 100K resistors so I used 47k instead but
of course you can use whatever you're used to. I had just ordered 50x 100K resistors (which i think are 0.1%, not the 1% I ordered )
but I allready used 36 of those in the triple R2R
what's next:
I have a couple of ideas in my head, so might as well write them down here and see what else I come up
with on the spot
ok let's see:
oscillators! i gotta have those, probably some gated 4093 based ones with a range switch. maybe two outputs:
one inverted. I could make 2 of those with 1 CD4093, which would probably fit nicely on 1 panel if i use alpha pots.
or maybe I can make a slightly larger panel with 4 oscillators. I have to make some different sized panels anyway
to fill the whole front.
finished 2 oscillators
Maybe some simple non gated 40106 oscillators,. with remote power control and a starve function.
A starve function is something I have thought about making into a seperate module, but I'm not
sure there are many chips that actually benefit from this, so it might be better to incoroprate it with the oscillators.
Logic gates (AND/NAND/NOR/XOR): I will probably make a dedicated panel for some XOR's, but something
else I have in mind is an X-gate panel (not to be confused with the any-gate ). This will be a panel with
a 14 pin socket on the front panel, so I can put in different chips which have the same pin layout.
finished X-Gate module
A variation on this is an X-chip panel, which will just have all pins wired to the front, with pulldown resitors
on all pins (maybe larger then usual) and the socket mounted on the front aswell. Maybe I can come up with
a way to incorporate LED's too.
a CD4017 counter module, for non binary divisions among other things
finished
hmm now that I say counter, a module with a LED display would look great. Doesn't even
have to be hooked up to display numbers, so I have to think about what module I'm gonna attach that too.
[I also want to make a visualizer module with a matrix LED display someday, probably incl a PIC for different
modes. But I don't think that will end up in this lunetta. we'll see ]
another thing I have to add with a CD4017 is the 4017/4051 melody generator.
I experimented with this little ciruit before, with some very nice results.
For those tests I made a small PCB so I only have to make a front and wire it up.
another one of those circuits I did a bunch of experiments with is Cynosure's CMOS waveshaper.
I also have the 4015 version of that one allready soldered up,. so I might use it for a module aswell:
however, after those experiments I came up with an extended version which has a bunch of switches.
and a lot of extra options. It would be great to make that one, afterall I did design it for a modular lunetta system.
But I have to see how much panel space it would take up first.
put LED display(s) on that one (which I mentioned somewhere in that thread too i think)
back after the break,.. _________________ "My perf, it's full of holes!"
http://phobos.000space.com/
SoundCloud BandCamp MixCloud Stickney Synthyards Captain Collider Twitch YouTube Last edited by PHOBoS on Sat Dec 08, 2012 6:49 pm; edited 4 times in total |
|
|
Back to top
|
|
 |
PHOBoS

Joined: Jan 14, 2010 Posts: 5881 Location: Moon Base
Audio files: 709
|
Posted: Sun Oct 21, 2012 5:43 pm Post subject:
|
 |
|
VCO's, at least 2
I did some experiments with a simple 4046 VCO which sounds promising.
posted below is a short demo using it with the 4040 divider and R/2R. (in which you can also hear the clipping;
it can't reach the highest note). I will have to add the voltage regulator first before i do more experiments.
It's probably gonna have a glide pot, I like the sound it makes at short settings , and several in/outputs
so I can make more use of the chip.
finished 2 VCO's
an (output)mixer. It's nice that it can make sounds but even nicer if you can actually hear them,
and have some control over the levels. because I put diodes on the outputs I can allready mix outputs together
that way. But I also want a mixer with some pots for both analog and digital signals. Not sure how many channels,
can't make it too big. I saw tjookum used some small slidepots that might be nice. I'm probably gonna use two cinch
connectors for the outputs. I'm not sure if I'm gonna add some sort of CMOS filter, I think I'd rather use the space
in this case for some more digital logic.
finished a dual output mixer
An interface for external signals: Comparators with protection diodes for the inputs, and maybe some
attenuators for the ouputs. I could make a panel with a Sub-D connector on it, and a seperate box with some jacks
and the actuall circuitry. This could also be used for an interface with a joystick, some switches, maybe something
with LDR's,..
made a 16 I/O interface module.
Shift register I have to look into what chip I'll use for this. Probably a CD4015.
finished a 4015 shiftregister module (2x4/1x8)
CD4520 dual 4-bit binary counter instead of another 4040 divider panel, and it can be linked for 8 bit
made a CD4029 counter module instead.
I also have a couple of CMOS chips I ordered a while back, types I haven't used before, I think the 4089
was one of them, but I'm not sure what the rest is, so will look up what I have.
I have some more ideas but I think that's it for now
recommendations are welcome!
| Description: |
|
 Download (listen) |
| Filename: |
PHOBoS - R2R VCO demo (Okt 21, 2012).mp3 |
| Filesize: |
614.13 KB |
| Downloaded: |
2115 Time(s) |
_________________ "My perf, it's full of holes!"
http://phobos.000space.com/
SoundCloud BandCamp MixCloud Stickney Synthyards Captain Collider Twitch YouTube Last edited by PHOBoS on Wed Jul 23, 2014 1:53 pm; edited 5 times in total |
|
|
Back to top
|
|
 |
tjookum

Joined: May 25, 2010 Posts: 360 Location: Netherlands
Audio files: 26
|
Posted: Mon Oct 22, 2012 2:19 am Post subject:
|
 |
|
perf porn! _________________ There he goes. One of God's own prototypes. A high-powered mutant of some kind never even considered for mass production. Too weird to live, and too rare to die.
Hunter S. Thompson
movies
noise |
|
|
Back to top
|
|
 |
bubzy

Joined: Oct 27, 2010 Posts: 594 Location: United Kingdom
Audio files: 64
|
Posted: Mon Oct 22, 2012 2:20 am Post subject:
|
 |
|
love that fireplace!!!  _________________ _Richard_  |
|
|
Back to top
|
|
 |
PHOBoS

Joined: Jan 14, 2010 Posts: 5881 Location: Moon Base
Audio files: 709
|
|
|
Back to top
|
|
 |
RingMad

Joined: Jan 15, 2011 Posts: 429 Location: Montreal, Canada
Audio files: 4
|
Posted: Mon Oct 22, 2012 2:12 pm Post subject:
|
 |
|
Thanks for sharing this treasure trove of information, PHoBoS! Following your build is inspiring and the results will no doubt be yet another thing of beauty. With fireplace.
I have some older tea-candles LEDs and they have the black blob. Newer ones don't... it's just magic. But I never thought of listening to them (except via photo-resistors going into my non-Lunetta Triowaverator box).
James. |
|
|
Back to top
|
|
 |
PHOBoS

Joined: Jan 14, 2010 Posts: 5881 Location: Moon Base
Audio files: 709
|
Posted: Tue Oct 23, 2012 2:04 pm Post subject:
|
 |
|
| RingMad wrote: | | Thanks for sharing this treasure trove of information, PHoBoS! Following your build is inspiring and the results will no doubt be yet another thing of beauty. With fireplace. |
Inspiring people is my main reason for posting this information. I get so much from the forum myself,
that it's great if I can inspire people in return. If it wasn't for this place I wouldn't even have made most
of the stuff I've build in the last few years.
 _________________ "My perf, it's full of holes!"
http://phobos.000space.com/
SoundCloud BandCamp MixCloud Stickney Synthyards Captain Collider Twitch YouTube |
|
|
Back to top
|
|
 |
PHOBoS

Joined: Jan 14, 2010 Posts: 5881 Location: Moon Base
Audio files: 709
|
Posted: Tue Oct 23, 2012 3:57 pm Post subject:
PHOBoS' Modular Lunetta Subject description: [Triple R/2R Network] module revisited |
 |
|
I said I was going to add a 78L05 to the triple R2R module to power the CD4050's and so I did.
As expected, no more clipping at the top level, and at first everything looked to be working perfect.
you can skip this part if you like, it's the experimentation which led to choosing a different opamp in the R2R
So I continued experimenting with the 4046 VCO, and I noticed that the lowest levels didn't have any effect on
the pitch. I presumed that the CD4046 probably needs a minimum input voltage, so instead of the R2R, I
hooked up a pot as voltage divider and this confirmed what I was thinking, somewhere from 0.8/0.9 V the
voltage started to effect the pitch.
All that was needed to do now was add an offset voltage to the input. My first thought was opamps, but didn't want
to go that route right away, especially with a single supply. So I tried adding pullup resistors and some transistor
configurations, but eventually did grab an opamp.
So that should be pretty easy, right ?, I breadboarded a basic inverting summing amp (47K resistors) with
an extra offset pot, with it's ouput connected to another inverting opamp. (else the pitch would go down
when the voltage goes up). Both opamps connected to a virtual GND point. (opamp used: LM324).
I was still using the potentiometer instead of the R2R and sofar this was working fine, by adding the offset
voltage it now worked from 0V up.
I connected it to the R2R and no matter what offset voltage I supplied there was no different in pitch
in the lowest voltage levels. (R2R inputs: 0000/0001/0010/0011 all sounded the same)
hmm, I hooked up my scope to the ouput of the R2R, and that's when I saw that it wasn't just the VCO
not responding, the output from my R2R wasn't changing either.
Since the levels straight from the R2R before the buffer seem to be fine it got me thinking that maybe the input voltage
for the opamp was too low (allthough I seem to recall an LM324 pretty much working from 0V up on a single supply).
The last thing I tried before going to bed last night was a 1M pullup to the input of the buffers and this seem to solve it.
allthough a resistor seem to solve it I wasn't done experimenting yet.
Next thing I tried was using a TL074 opamp as a buffer to see what the effect was, but this only made it worse.
With no inputs I got an output of a few volts, then it would go down in steps and then back up.
I noticed that on my breadboard (where I attached the R2R output to the inverting summing amp) some resistors
might have been touching causing this effect, I took that part off so it was just the scope directly attached to the
output of the R2R, but still the same down/up effect. I didn't really expected the TL074 to do better on a
single supply anyway so back in with the LM324.
powered it back up and
it suddenly worked perfect !
wait a minute! , could it be,.. nah really ?!
I hooked it back up to the summing opamp and yep,. no pitch change on the first bits, so somehow attaching the ouput
to the opamp caused it. I changed that opamp too just to be sure but that wasn't it.
As it turns out, the LM324 can hardly sink at low ouput levels, from the datasheet I got 50uA at 0.2V out with
a 15V supply voltage (I'm using only 9V). Since the non inverting input of the summing amp is attached at 1/2Vcc
the inverting input is at the same level, and the LM324 just doesn't have enough juice to pull it down . Using very
large resistors in the Mohm range instead of the 47k might work. but then I still have the same problem if I would
attach it to something else. Solution: a different buffer opamp.
I just happened to have 1 TS274CN (no idea why I have it). And that one seems to work perfect
some info from the datasheet for what it's worth:
| Quote: | The TS274 devices are low cost, quad operational
amplifiers designed to operate with single or dual
supplies. These operational amplifiers use the ST
silicon gate CMOS process allowing an excellent
consumption-speed ration. These series are ideal-
ly suited for low consumption applications.
Output voltage can swing to ground.
Output Short Circuit Current Vo = 0V: 60mA
Output Sink Current Vo = Vcc: 45mA
|
I haven't done a lot of more testing with it yet, but sofar it seems to be working.
I did hook it up to the summing amp controlling the VCO, added some offset voltage and recorded a little demo.
Typical phobian sounds drenched in effects.
and of course an updated schematic.
| Description: |
|
| Filesize: |
45.02 KB |
| Viewed: |
1905 Time(s) |
| This image has been reduced to fit the page. Click on it to enlarge. |

|
| Description: |
|
 Download (listen) |
| Filename: |
PHOBoS - R2R VCO demo (Oct 23, 2012).mp3 |
| Filesize: |
5.69 MB |
| Downloaded: |
1780 Time(s) |
_________________ "My perf, it's full of holes!"
http://phobos.000space.com/
SoundCloud BandCamp MixCloud Stickney Synthyards Captain Collider Twitch YouTube |
|
|
Back to top
|
|
 |
bubzy

Joined: Oct 27, 2010 Posts: 594 Location: United Kingdom
Audio files: 64
|
Posted: Wed Oct 24, 2012 5:00 am Post subject:
|
 |
|
and i thought i built fast  _________________ _Richard_  |
|
|
Back to top
|
|
 |
PHOBoS

Joined: Jan 14, 2010 Posts: 5881 Location: Moon Base
Audio files: 709
|
Posted: Fri Oct 26, 2012 8:32 am Post subject:
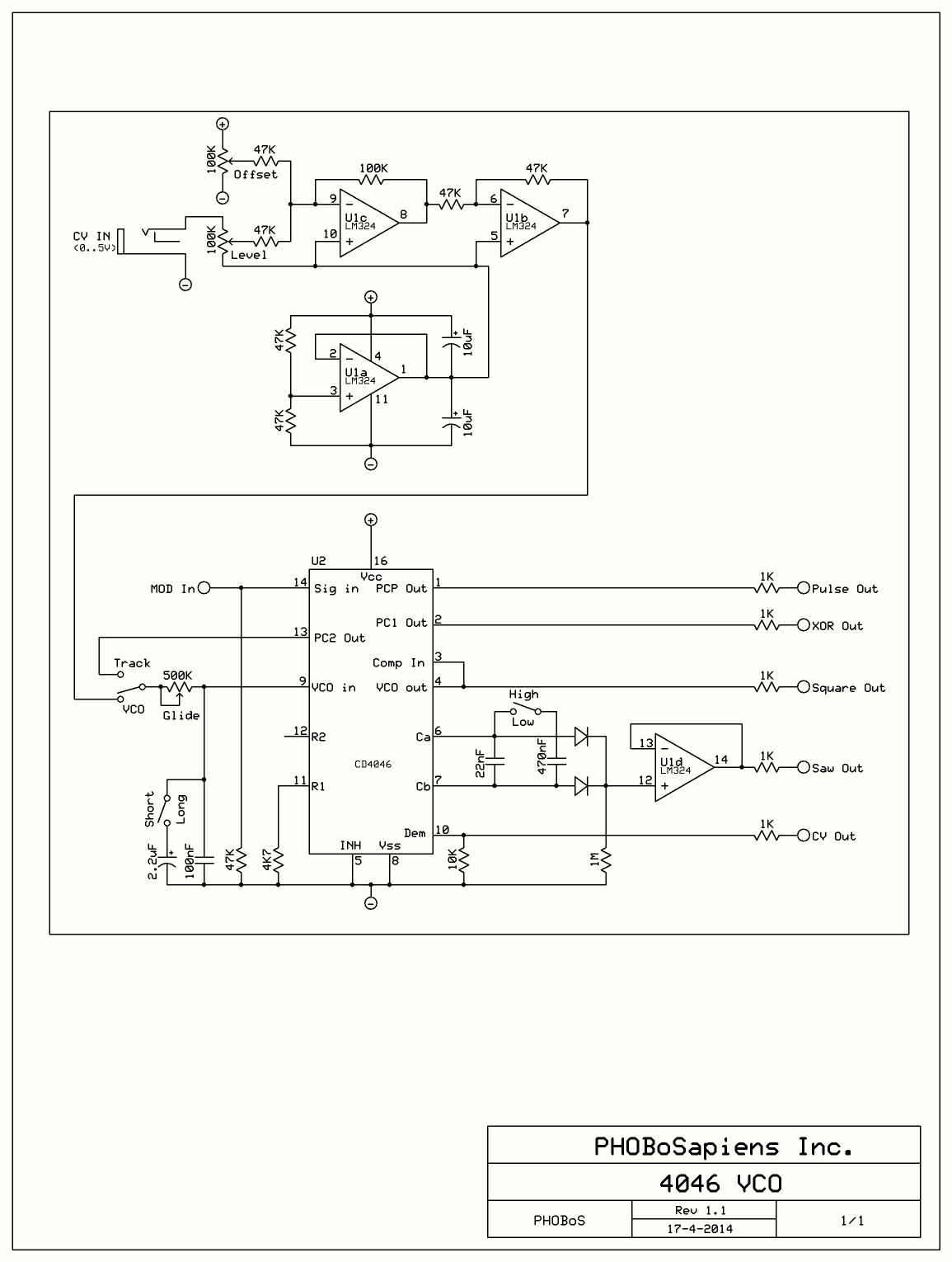
PHOBoS' Modular Lunetta Subject description: [4046 VCO] module |
 |
|
| bubzy wrote: | and i thought i built fast  |
you ARE fast
but these modules are so simple I build the first 4 in a day each (incl circuit/PCB/front design).
Which makes it a lot of fun to do
I just finished the 4046 VCO which took a bit longer to design and test (and I had to wait an extra day for
pots & knobs).
At the top of the schematic is the CV section. One summing amp (inverting) to mix the external CV with
the offset voltage. The offset pot sets the lowest frequency while the level pot adjusts the range. This is
followed by another inverting amp.
The 4046 VCO itself is a very basic setup. In VCO mode the CV is connected to the VCO input.
There's also a pot/capacitor circuit attached to the input for glide control, with a switch for 2 ranges.
There is no frequency pot just a 4K7 resistor. You can get a very wide range with just the CV control and
I didn't have enough space for another pot (unless I made the panel bigger ) But you could add another
pot here.
There is a switch to choose between 2 timing caps, for low and high frequencies. the ranges overlap
but in low mode it goes down to just clicks, while in high mode it can go up to very high frequencies.
I think a 15nF cap might give an even better range then the 22nF, but didn't have one at hand and with
a 10nF it went too high for my liking. Choose whatever you prefer.
Besides the usual (square) VCO output it also has a Saw output. I got this idea from the wogglebug design,
and I used the spare opamp to buffer the signal. It has an XOR and Pulse out for which you have to provide an
external signal to the MOD in. And a CV out which you should be able to use to control another VCO, but I
haven't been able to test that yet, lt looks good on my scope though.
If you put it in track mode it will try to track the signal you provide on the MOD in. With the glide section now
working as a crude lowpass.
Thanks to slacker and Draal for the initial designs
I'll probably provide some demo's later, got nice supermario sounds with the 4040 clocked by the VCO ->
controlling the R2R which in turn controlled the VCO's pitch.
NOTE: I made a small change, instead of connecting the input level pot to (-) I connected it to the vgnd (output U1a).
will update the schematic some time later
edit: later came very late but I just added the modified version.
| Description: |
|
| Filesize: |
34.3 KB |
| Viewed: |
2528 Time(s) |
| This image has been reduced to fit the page. Click on it to enlarge. |

|
| Description: |
|
| Filesize: |
736.23 KB |
| Viewed: |
1106 Time(s) |
| This image has been reduced to fit the page. Click on it to enlarge. |

|
| Description: |
|
| Filesize: |
33.41 KB |
| Viewed: |
641 Time(s) |
| This image has been reduced to fit the page. Click on it to enlarge. |

|
_________________ "My perf, it's full of holes!"
http://phobos.000space.com/
SoundCloud BandCamp MixCloud Stickney Synthyards Captain Collider Twitch YouTube Last edited by PHOBoS on Thu Oct 24, 2019 6:44 am; edited 5 times in total |
|
|
Back to top
|
|
 |
PHOBoS

Joined: Jan 14, 2010 Posts: 5881 Location: Moon Base
Audio files: 709
|
Posted: Fri Oct 26, 2012 10:57 am Post subject:
|
 |
|
some more ideas:
of course a mux or muxes 4051/4052
some flip flops might be fun, 4043/4044
ok let's see which 'odd' chips I have here:
40174 - Hex D-type flip-flop with reset; positive-edge trigger.
maybe I use that instead 4043/4044, have to check the datasheet
and so I did. 6 flip flops with a common clock and reset. Usefull and very easy to make a panel for,
but I want some independent flip flops first. so 4043 is the one
finished 4043 module
4521 - 24-stage frequency divider
hmm could be interesting,. have to look up what that's about.
it has an internal oscillator (RC or crystal) but looks like it can take an external clock aswell.
so it can be used like a 4040 divider but outputs are Q18-Q24. Q24 = divided by 16.777.216 !
4560 - NBCD adder
a math chip,. those are fun . will do some tests but can probably just wire it to the panel completely
finished
4572 - Hex gate : quad NOT, single NAND, single NOR
ah yes,. the weird one, I wonder who came up with that ? the platypus amongst CMOS chips.
(damn you brain,. now I want to build a module with a platypus on it )
4026 - BCD counter with decoded 7-segment output
hmm,. I allready said I wanted a 7 segment display
edit: just looked it up. it's indeed a counter with a display driver but doesn't look very usefull.
It has a clock and reset in, display outputs and a carry out. Maybe usefull in combination with another chip.
4073 - Triple 3-input AND gate
maybe If I have some panel space left.
4078 - 8-input NOR gate
don't think I need that one.
I will have to look up some more information in the datasheets before I decide further. _________________ "My perf, it's full of holes!"
http://phobos.000space.com/
SoundCloud BandCamp MixCloud Stickney Synthyards Captain Collider Twitch YouTube Last edited by PHOBoS on Sat Dec 08, 2012 6:52 pm; edited 1 time in total |
|
|
Back to top
|
|
 |
analog_backlash

Joined: Sep 04, 2012 Posts: 393 Location: Aldershot, UK
Audio files: 21
|
Posted: Fri Oct 26, 2012 3:46 pm Post subject:
|
 |
|
Love the demos PHOBoS, especially the R/2R bits. I too used the 4050 chip on my randomizer circuit R/2R - I thought I was being original there, but it's probably all been done before. I've come to the conclusion that I also want to add an 8-bit R/2R across my sequencer, as it seems too good an opportunity to miss (the trouble is, I never finish anything this way).
Keep up the good work,
Gary
P.S. I had to download the 4572 datasheet, to believe it was true - what were they thinking? The platypuses (platypi?) are so cute though. |
|
|
Back to top
|
|
 |
PHOBoS

Joined: Jan 14, 2010 Posts: 5881 Location: Moon Base
Audio files: 709
|
Posted: Fri Oct 26, 2012 4:01 pm Post subject:
|
 |
|
| analog_backlash wrote: | | Love the demos PHOBoS, especially the R/2R bits. I too used the 4050 chip on my randomizer circuit R/2R - I thought I was being original there, but it's probably all been done before. I've come to the conclusion that I also want to add an 8-bit R/2R across my sequencer, as it seems too good an opportunity to miss (the trouble is, I never finish anything this way). | yeah the R2R is a lot of fun
not sure how usefull an 8-bit would be you need some pretty accurate resistors for that. Somebody wrote
something about that here on the forum which i've come across several times and of course can't find now
that I need it
For a lunetta it might work though, if you don't want it very accurate. Maybe Les' tunable R2R network migth be useful here.
and yeah I know the thing about adding more and more stuff and never finishing it
| Quote: | | P.S. I had to download the 4572 datasheet, to believe it was true - what were they thinking? | heh, it's like they had some gates left and put those in one chip. They did design the pin layout in a way
so you can easily turn it into 6 NOT gates (inverters), but still
| Quote: | | The platypuses (platypi?) are so cute though. | you want to pet them don't you (I know I want to ) _________________ "My perf, it's full of holes!"
http://phobos.000space.com/
SoundCloud BandCamp MixCloud Stickney Synthyards Captain Collider Twitch YouTube |
|
|
Back to top
|
|
 |
analog_backlash

Joined: Sep 04, 2012 Posts: 393 Location: Aldershot, UK
Audio files: 21
|
Posted: Fri Oct 26, 2012 4:28 pm Post subject:
|
 |
|
Just been modding my mixer and it works a lot better now (thanks again for your help on that). I'll try breadboarding an 8-bit R/2R tomorrow (probably) and see how it sounds. It's not too critical in this application as I haven't got a 1V/octave VCO or anything like that. If I want to adapt it for my conventionally tuned synths, that would be different (I'd probably use a DAC chip of some kind). Anyway, the beauty of breadboarding is that if it's lousy, you can adapt it (or give up if it's that bad).
And yes, I do want to pet them, but watch out for the venomous spurs...
ENGAGE BRAIN BEFORE POSTING!
Realised after posting that the R-2R which I was going to add will be 3 or 4-bit one from the outputs of the 4029 in my sequencer. I was thinking 8-bit because it's an 8-step sequencer I just wanted to add the possibility of a staircase waveform, which currently I do not have. |
|
|
Back to top
|
|
 |
Skrog Productions

Joined: Jan 07, 2009 Posts: 1220 Location: Scottish Borders
Audio files: 159
|
Posted: Tue Oct 30, 2012 11:04 am Post subject:
|
 |
|
nice looking modules , that case will fill up quick
Dave. |
|
|
Back to top
|
|
 |
PHOBoS

Joined: Jan 14, 2010 Posts: 5881 Location: Moon Base
Audio files: 709
|
Posted: Wed Oct 31, 2012 8:17 am Post subject:
PHOBoS' Modular Lunetta` Subject description: [4560 NBCD Adder] + [X-Gate] modules |
 |
|
| Skrog Productions wrote: | nice looking modules , that case will fill up quick
Dave. |
thanks Dave,. and yes it's filling up quickly, I added 3 more modules:
- another VCO (CV out works )
- 4560 NBCD Adder, didn't do any testing afterall, just wired it up to the front panel with an extra switch to set the carry bit high.
- X-Gate module, with an IC socket for quad gate chips [4001, 4011, 4070, 4071, 4077, 4081, 4093]
schematics, a recent photo and a demo (using 1 VCO) are included below.
For the demo I used a filter on the miniKP and I'm now starting to think that I might add a filter anyway.
It does sound very nice and I still have one laying around. It's not CMOS based but it is designed for a
single supply
I'll probably make the mixer as an extention anyway, to have more room for pots (and enough space to actually
turn them), so I could add it to that.
| Description: |
| Modular Lunetta - Oct 31, 2012 |
|
| Filesize: |
85.91 KB |
| Viewed: |
1160 Time(s) |
| This image has been reduced to fit the page. Click on it to enlarge. |

|
| Description: |
|
| Filesize: |
23.79 KB |
| Viewed: |
1309 Time(s) |
| This image has been reduced to fit the page. Click on it to enlarge. |

|
| Description: |
|
| Filesize: |
20.98 KB |
| Viewed: |
1438 Time(s) |
| This image has been reduced to fit the page. Click on it to enlarge. |

|
| Description: |
|
 Download (listen) |
| Filename: |
PHOBoS - Modular Lunetta demo (Oct 31, 2012).mp3 |
| Filesize: |
2.55 MB |
| Downloaded: |
1792 Time(s) |
_________________ "My perf, it's full of holes!"
http://phobos.000space.com/
SoundCloud BandCamp MixCloud Stickney Synthyards Captain Collider Twitch YouTube Last edited by PHOBoS on Wed Oct 31, 2012 8:33 am; edited 1 time in total |
|
|
Back to top
|
|
 |
elmegil

Joined: Mar 20, 2012 Posts: 2179 Location: Chicago
Audio files: 16
|
Posted: Wed Oct 31, 2012 8:26 am Post subject:
|
 |
|
Do you do anything but work on this?
I'm burning midnight oil trying to get a single Soundlab built and ready for someone, and you're running rings around with your Lunettas  |
|
|
Back to top
|
|
 |
PHOBoS

Joined: Jan 14, 2010 Posts: 5881 Location: Moon Base
Audio files: 709
|
Posted: Wed Oct 31, 2012 8:30 am Post subject:
|
 |
|
| elmegil wrote: | Do you do anything but work on this?
I'm burning midnight oil trying to get a single Soundlab built and ready for someone, and you're running rings around with your Lunettas  |
I'm actually working on a larger lunetta system aswell, I'll make a thread for that when the time is there.
but like I said, this is so simple to do I can make a module in a day. (If I wouldn't be out of perf ) _________________ "My perf, it's full of holes!"
http://phobos.000space.com/
SoundCloud BandCamp MixCloud Stickney Synthyards Captain Collider Twitch YouTube |
|
|
Back to top
|
|
 |
PHOBoS

Joined: Jan 14, 2010 Posts: 5881 Location: Moon Base
Audio files: 709
|
|
|
Back to top
|
|
 |
PHOBoS

Joined: Jan 14, 2010 Posts: 5881 Location: Moon Base
Audio files: 709
|
Posted: Sat Dec 08, 2012 6:11 pm Post subject:
PHOBoS' Modular Lunetta` Subject description: [4093 GATED OSCILLATORS] Module |
 |
|
I also made 3 new modules, first:
4093 Gated Oscillators
a schmitt trigger NAND gate configured as a gated oscillator with a range switch to use it for audio or an LFO.
Because the output of the oscillator is high when turned off (gate in low) there's also an extra NAND added
to invert the signal.
I might make another one of these but I also want to make a starved oscillator. So it depends how much room I have left.
| Description: |
|
| Filesize: |
25 KB |
| Viewed: |
1591 Time(s) |
| This image has been reduced to fit the page. Click on it to enlarge. |

|
| Description: |
|
| Filesize: |
53.2 KB |
| Viewed: |
1153 Time(s) |
| This image has been reduced to fit the page. Click on it to enlarge. |

|
_________________ "My perf, it's full of holes!"
http://phobos.000space.com/
SoundCloud BandCamp MixCloud Stickney Synthyards Captain Collider Twitch YouTube |
|
|
Back to top
|
|
 |
|