| Author |
Message |
tonewill
Joined: Aug 21, 2009 Posts: 135 Location: England
|
Posted: Tue May 28, 2013 7:11 am Post subject:
External triggers fo analogue drum machine |
 |
|
Hello all,
I have an old Hammond auto-vari from the 1980s, not the original with separate boards for patterns/sounds etc, but with everything on one board.
Using my scope I've found out where the trigger for each sound emanates from the big 450 chip. The triggers are negative going.
I just need a little help on how to connect an external trigger here as I'm far from an electronics expert. I'm sure you can't just connect the external trigger directly to the trigger out from the IC, I think I'll need a resistor or maybe a diode to stop the external signal going to the IC and maybe the IC signal going to the external trigger. Any help or hint appreciated here.
Many thanks. |
|
|
Back to top
|
|
 |
johncronan
Joined: Feb 24, 2013 Posts: 42 Location: Chicago
|
Posted: Wed May 29, 2013 9:11 am Post subject:
|
 |
|
| It's hard to know for sure without a schematic, but the only surefire way would be to cut the trace and take over that signal line entirely. Using both trigger sources at the same time likely involves cutting the trace anyway, although I guess it's possible you could rig up a diode OR gate without doing so. -John |
|
|
Back to top
|
|
 |
tonewill
Joined: Aug 21, 2009 Posts: 135 Location: England
|
Posted: Wed May 29, 2013 11:57 am Post subject:
|
 |
|
Thanks John, I have a schematic coming so I'm hoping that will help. I don't want to remove the internal triggers though.
I found a site where a guy fitted MIDI to a Roland CR-68 using a PIC. He seems to have just used 47K resistors between his trigger outs and the trigger ins on the drum machine.
Another guy on youtube added MIDI to a CR-78, he replaced some resistors with pairs of resistors making up the original value and put his triggers in between them. |
|
|
Back to top
|
|
 |
johncronan
Joined: Feb 24, 2013 Posts: 42 Location: Chicago
|
Posted: Wed May 29, 2013 12:14 pm Post subject:
|
 |
|
| tonewill wrote: |
Another guy on youtube added MIDI to a CR-78, he replaced some resistors with pairs of resistors making up the original value and put his triggers in between them. |
That sounds workable as a hack, although I think if it was me I'd try to work out how to get a diode OR gate to work with the negative voltage. Since it is more "proper" and still doesn't really cost anything. My approach would be to first produce a trigger signal that is able to take over for the original circuit, then once that is working figure out how to mix them. My two cents!  |
|
|
Back to top
|
|
 |
tonewill
Joined: Aug 21, 2009 Posts: 135 Location: England
|
Posted: Fri May 31, 2013 2:13 am Post subject:
|
 |
|
| Quote: | | ...try to work out how to get a diode OR gate to work with the negative voltage |
Is there an obvious or standard way to do this? Shame the pulses aren't positive as using a couple of diodes on the input signals seems the most logical to me too, but I know very little other than what I've been reading on the subject recently.
Thanks for any help. |
|
|
Back to top
|
|
 |
johncronan
Joined: Feb 24, 2013 Posts: 42 Location: Chicago
|
Posted: Fri May 31, 2013 8:50 am Post subject:
|
 |
|
| Well, let's see... the standard diode OR gate has two diodes connected to a resistor to ground. We want the diodes to be forward biased when the signal goes negative, so you would just reverse the direction of the diodes. Each of the two inputs is connected to a cathode and the anodes connect to the resistor. Maybe start with 1k for the resistor (although if that is too low you will see the trigger signal attenuated from the load; make it higher). |
|
|
Back to top
|
|
 |
elmegil

Joined: Mar 20, 2012 Posts: 2179 Location: Chicago
Audio files: 16
|
|
|
Back to top
|
|
 |
tonewill
Joined: Aug 21, 2009 Posts: 135 Location: England
|
Posted: Sun Jun 02, 2013 11:20 am Post subject:
|
 |
|
Thanks chaps, I appreciate that. I watched some youtube videos by 00retrobrad00 that explained diodes for beginners like me, and I see now that reversing them makes sense to let the negative going pulse through.
Interesting link too, thanks a lot, going to read it right after posting this.
I found another guy who connected his trigger pulses directly to the sound board of a rhythm ace drum machine without adding diodes to the original trigger inputs, but maybe there are already diodes in the circuit of that machine so he didn't need to add his own. When the schematics arrive for mine I'll see what's what.
Thanks again. |
|
|
Back to top
|
|
 |
tonewill
Joined: Aug 21, 2009 Posts: 135 Location: England
|
Posted: Mon Jun 03, 2013 6:22 am Post subject:
|
 |
|
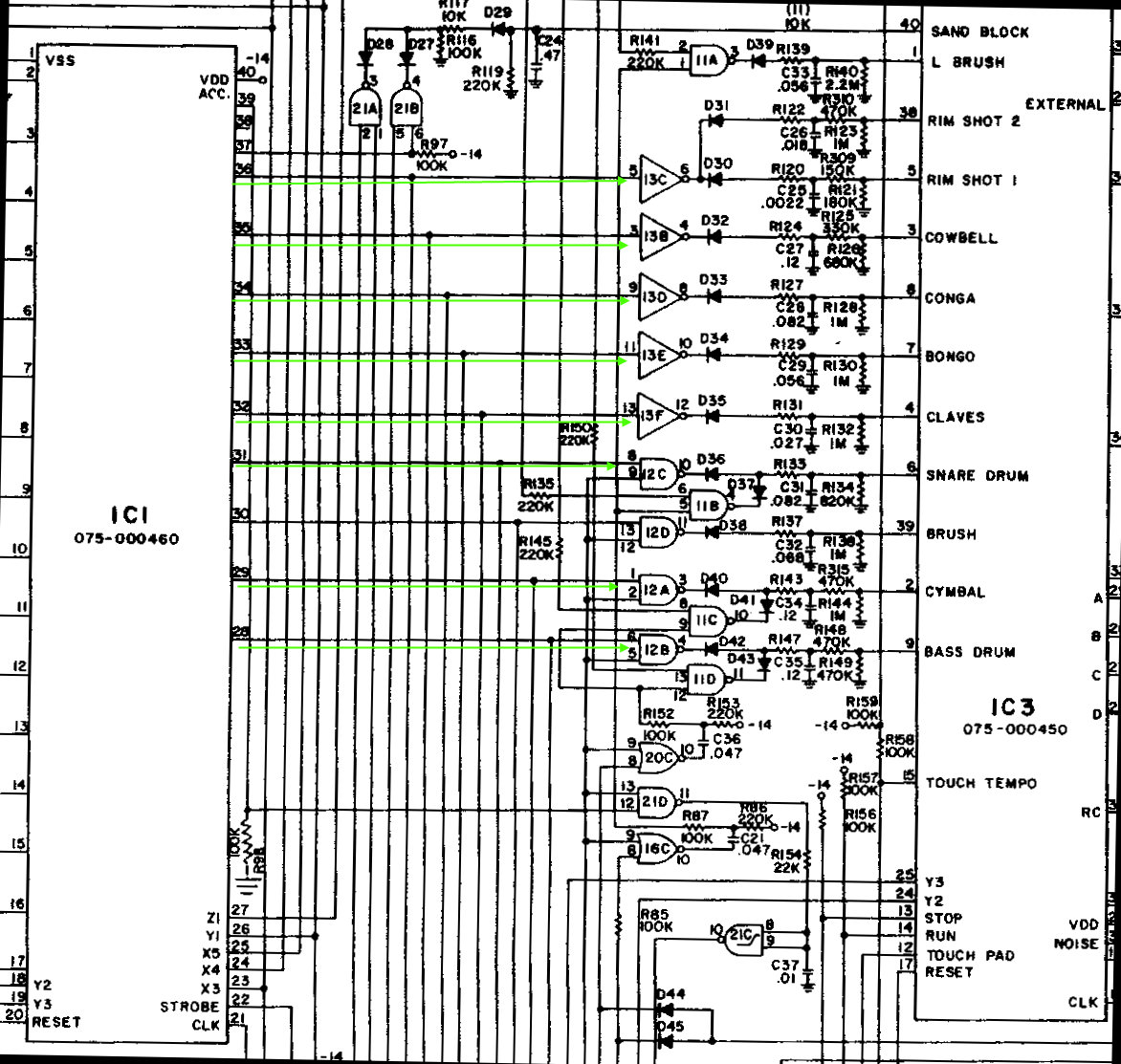
I've got the circuit diagram and service notes now.
There are two ICs that generate the patterns and send out the pulses to the sounds. One is for the main patterns and the other is for the intro/fill patterns. The ICs are connected directly for each sound pulse, or as the manual says:
| Quote: | | The voice output of the 460 (IC1) and 462 (IC2) are internally gated so that their outputs can be tied directly together... |
Logically, doesn't this mean that if I create the same short pulses I can connect directly to one of the ICs without the need for cutting tracks and adding diodes?
Many thanks. |
|
|
Back to top
|
|
 |
johncronan
Joined: Feb 24, 2013 Posts: 42 Location: Chicago
|
Posted: Mon Jun 03, 2013 7:38 am Post subject:
|
 |
|
| tonewill wrote: |
| Quote: | | The voice output of the 460 (IC1) and 462 (IC2) are internally gated so that their outputs can be tied directly together... |
|
It sounds something like open collector. Anything on that connection can pull the output low to indicate a trigger.
| Quote: | Logically, doesn't this mean that if I create the same short pulses I can connect directly to one of the ICs without the need for cutting tracks and adding diodes?
|
I think so, but it also means that the circuitry you add needs to work like an s-trigger, not a v-trig. Connect it to your switch (transistor)... the other end of the switch goes to V- through 10k or something like that. Maybe you can see on the schematic. If this point is grounded through, say, 100k then you would want no more than around 10% of that or 10k. Just as an example. Or it's grounded with 10k and so you choose 1k. You momentary connect it to the negative rail at an impedance low enough that it overcomes the impedance the line is grounded with.
Hope that helps! |
|
|
Back to top
|
|
 |
tonewill
Joined: Aug 21, 2009 Posts: 135 Location: England
|
Posted: Mon Jun 03, 2013 8:03 am Post subject:
|
 |
|
Thanks, yes, it helps me realise that I don't know enough about it. Essentially I have a MIDI to trigger kit that converts note-on to +5V and note off to 0V. I was hoping to convert the range to that required perhaps by modifying Ken Stone's gate-to-trigger circuit or something similar. I'll have to go and read some more I think.
Many thanks. |
|
|
Back to top
|
|
 |
tonewill
Joined: Aug 21, 2009 Posts: 135 Location: England
|
|
|
Back to top
|
|
 |
diablojoy

Joined: Sep 07, 2008 Posts: 809 Location: melbourne australia
Audio files: 11
|
Posted: Tue Jun 04, 2013 3:26 pm Post subject:
|
 |
|
| Quote: | | Would it be a better idea to send inverted triggers and connect them just after the inverters and gates and before the following diode? |
yes I would try breadboarding that
If you tap off each of the invertor and NAND gate outputs and put each of them through another invertor section say a CD40106 this will give you positive triggers that you can use , I think this is what you want ? i would then buffer each of those new outputs with an opamp
So 2 x CD40106 and 3 x TL074 plus some associated resistors and output jacks. not much more needed i think. _________________ In an infinite universe one might very well
ask where the hell am I
oh yeah thats right the land of OZ
as good an answer as any |
|
|
Back to top
|
|
 |
tonewill
Joined: Aug 21, 2009 Posts: 135 Location: England
|
|
|
Back to top
|
|
 |
diablojoy

Joined: Sep 07, 2008 Posts: 809 Location: melbourne australia
Audio files: 11
|
|
|
Back to top
|
|
 |
tonewill
Joined: Aug 21, 2009 Posts: 135 Location: England
|
Posted: Thu Jun 06, 2013 1:58 pm Post subject:
|
 |
|
Thanks a lot diablojoy, I appreciate that very much.
There isn't a +15V supply in this machine, only -14V so that won't work for me unfortunately. I don't want to create a +15V supply in there as it exceeds the threshold of being worth doing, if you see what I mean!
I also don't want to connect the trigger points to any other place than they are now either for the same reason. It works fine manually as described before, so it's just a case of whether there is a relatively simple solution to be able to do what the switch does with a 5V trigger instead, with the voltage available. Sorry, hope you didn't spend too much time on the diagram . |
|
|
Back to top
|
|
 |
diablojoy

Joined: Sep 07, 2008 Posts: 809 Location: melbourne australia
Audio files: 11
|
Posted: Thu Jun 06, 2013 3:37 pm Post subject:
|
 |
|
no problem at all I think i spent all of 10 minutes on it.
I actually needed to do that scheme for myself anyway for a highly liquid MD24. So I had some thoughts on it already, will be trying it on a breadboard soon .
With only a negative supply rail available it may well be in the too hard basket to convert from +5v triggers
beyond my limited ability anyway. _________________ In an infinite universe one might very well
ask where the hell am I
oh yeah thats right the land of OZ
as good an answer as any |
|
|
Back to top
|
|
 |
|