| Author |
Message |
PHOBoS

Joined: Jan 14, 2010 Posts: 5947 Location: Moon Base
Audio files: 709
|
Posted: Sat Sep 07, 2013 11:58 am Post subject:
the Moon Base Xplorer Subject description: yet another synth thingy |
 |
|
I still have to finish up another synth (and that isn't the only thing ), but that's just programming at the moment which I get bored
with rather quick, and my hands started to itch to build something.
One thing I've been wanting to make for a while is a synth dedicated for space/sci-fi sounds: lasers, rayguns, meteors etc.
A basic "space" sound can be created by modulating an oscillator with an LFO and sweeping it up/down, with some delay added. So that was my
starting point.
First I made the main VCO using a 4046. (I love that chip!).
I wanted 4 CV inputs:
- 1 for main frequency/offset control
- 1 for sweeps controlled by an AD/AR
- 1 for LFO modulation
- 1 for a joystick
So I created a DC mixer using 3 opamps, which works a lot better then I expected on a single supply. 1 opamp is used to create a buffered fake
GND and I added a pot + capacitor for a glide effect (great for raygun sounds), buffered by another opamp.
But there was something that I didn't really like. With the lowest CV input the VCO acts as an LFO resulting in a clicking sound. So I started thinking,
"can I just turn the VCO off if the CV input drops below a certain voltage ?" well turning the VCO on/off is simple because it has an inhibit pin, I
just needed to do at it a certain voltage. The best way would probably be to use a comparator or at least use a schmitt trigger, but I didn't want to
add another chip. So instead I just used a single transistor. It does have the effect that right at the switching level the VCO starts to buzz. But that's
just a bonus feature.
I also added an external modulation input (sounds different then CV modulation) and an input for ringmodulation. (for nice metallic sounds).
more to come,..
| Description: |
|
| Filesize: |
63.62 KB |
| Viewed: |
1964 Time(s) |
| This image has been reduced to fit the page. Click on it to enlarge. |

|
_________________ "My perf, it's full of holes!"
http://phobos.000space.com/
SoundCloud BandCamp MixCloud Stickney Synthyards Captain Collider Twitch YouTube Last edited by PHOBoS on Sat Sep 07, 2013 7:33 pm; edited 1 time in total |
|
|
Back to top
|
|
 |
PHOBoS

Joined: Jan 14, 2010 Posts: 5947 Location: Moon Base
Audio files: 709
|
|
|
Back to top
|
|
 |
PHOBoS

Joined: Jan 14, 2010 Posts: 5947 Location: Moon Base
Audio files: 709
|
|
|
Back to top
|
|
 |
PHOBoS

Joined: Jan 14, 2010 Posts: 5947 Location: Moon Base
Audio files: 709
|
|
|
Back to top
|
|
 |
PHOBoS

Joined: Jan 14, 2010 Posts: 5947 Location: Moon Base
Audio files: 709
|
|
|
Back to top
|
|
 |
PHOBoS

Joined: Jan 14, 2010 Posts: 5947 Location: Moon Base
Audio files: 709
|
Posted: Sun Sep 08, 2013 2:27 pm Post subject:
The Moon Base Xplorer Subject description: what's next |
 |
|
Those are te parts/modules I've build sofar.
Currently I have a digital noise generator breadboarded (CD4006 + CD4070 random bit generator). Using 1 bit at high speeds sounds like
those classic 8bit videogame explosions. I also added a 3bit R2R ladder to create random bleeps at low speeds. I thought about a small sequencer,
but they have the tendency to start out small and end up much more complex then planned. So this is a nice alternative.
Another thing I will add is a sub-channel made with a CD4013 that divides the original output from the VCO by 4. together with a 2 channel mixer to
adjust the original and sub levels seperately. I might add a 3rd channel for the ouput of the VCLFO.
I want at least one more (audio) oscillator, maybe I make another VCO or just something simple with a 4093. Or another integrator/comparator
oscillator to create some triangle waves. Allthough squares are more useful in this case. I could do both with that of course.
To give it a nice spacey sound I need a delay for which I'll use a PT2399 digital delay chip. I'll probably make it voltage controlled and I am
thinking of using another joystick for delaytime/feedback control.
I might add a filter, which could be nice to put that in the feedbackloop of the delay.
maybe a VCA. The output from the VCO is just a square so I can do it with a single transistor,. but it would have to be added before the mixer.
The same goes for the subchannel so maybe I can combine it with the mixer and build a simple voltage controlled mixer.
Not sure if I'll add anything else, I think that should cover it. Most of it will be hardwired with some switches but it will have some patch points so I
can always extend that way. _________________ "My perf, it's full of holes!"
http://phobos.000space.com/
SoundCloud BandCamp MixCloud Stickney Synthyards Captain Collider Twitch YouTube |
|
|
Back to top
|
|
 |
analog_backlash

Joined: Sep 04, 2012 Posts: 393 Location: Aldershot, UK
Audio files: 21
|
Posted: Mon Sep 09, 2013 5:43 am Post subject:
Re: the Moon Base Xplorer Subject description: yet another synth thingy |
 |
|
Hi PHOBoS.
Looks like another interesting machine. A couple of questions. What sort of joystick pots are you using? Are they the expensive "proper pots" type, or are the cheaper games controller type, that look like a couple of vertical presets attached to the joystick mechanism. I've got an old games controller that I was thinking of dismantling for these, but I don't know how reliable they would be.
Second question:
| PHOBoS wrote: | I still have to finish up another synth (and that isn't the only thing ), but that's just programming at the moment which I get bored with rather quick, and my hands started to itch to build something. |
I want to try programming PICs, but there is such a bewildering array of programmers/chips available, I don't know where to start. I've been thinking about getting a PICKit 2, but I'm not sure if that's a good one for a novice. I've done quite a bit of computer programming (some in assembly language, but more in various BASICs and C++s) but I've never programmed a chip. Any thoughts?
Thanks,
Gary |
|
|
Back to top
|
|
 |
PHOBoS

Joined: Jan 14, 2010 Posts: 5947 Location: Moon Base
Audio files: 709
|
Posted: Mon Sep 09, 2013 8:00 am Post subject:
|
 |
|
| analog_backlash wrote: | | What sort of joystick pots are you using? |
The joystick (only have one at the moment) I'm currently using is the small gamecontroler type which you control with your thumb. I would
expect they are reliable unless it's a crappy gamecontroller. But it does have a dead spot in the center (at least this one). I have a bunch of
bigger (game)joysticks here, which can be pretty cheap if you don't buy them new , so I want to check if I can use one of those. (a couple of
them just have microswitches, no pots)
| Quote: | I want to try programming PICs,....
Any thoughts? |
I'm probably not the best person to give you advice about programming, but I can tell you how I started. First I build myself a simple programmer,
which you can find here. I found a tutorial for programming PICs using assembly and tried a code to make a LED blink (hello world!). But I never
got that to work and I didn't know if it was a problem with the programmer or the software, or the code, or a faulty PIC. And I didn't
really 'get' assembly either.
So for a couple of years I didn't do anything with it,..
untill I discovered Proton PICBASIC and a dutch site with a tutorial. I tried it because it all looked very simple and it worked .
So at least my programmer was OK. And that's what I've been using since. But I don't use PICs that often, allthough now that
I know how to send/receive midi I'll probably do it a bit more.
But if you have some experience in assembly that might be a better way to go, because it gives you more direct control. And it's probably
better to get a PICKit 2 or something similar instead of building your own, at least then you can be pretty sure your programmer is ok.
(it can program a broader selection of chips too I think). _________________ "My perf, it's full of holes!"
http://phobos.000space.com/
SoundCloud BandCamp MixCloud Stickney Synthyards Captain Collider Twitch YouTube |
|
|
Back to top
|
|
 |
analog_backlash

Joined: Sep 04, 2012 Posts: 393 Location: Aldershot, UK
Audio files: 21
|
Posted: Mon Sep 09, 2013 3:48 pm Post subject:
|
 |
|
Thanks for the advice PHOBoS - looks like I'll be dismantling that game controller then .
I'll give the PIC programming a bit more thought. I can program in assembly language, but I don't enjoy it much! I might get the PICKit 2 as it's quite cheap and just give it a go. If I find myself climbing up the walls, I can give up and use a BASIC compiler and a simple DIY programmer as you have done.
Gary |
|
|
Back to top
|
|
 |
PHOBoS

Joined: Jan 14, 2010 Posts: 5947 Location: Moon Base
Audio files: 709
|
|
|
Back to top
|
|
 |
PHOBoS

Joined: Jan 14, 2010 Posts: 5947 Location: Moon Base
Audio files: 709
|
|
|
Back to top
|
|
 |
The Bad Producer

Joined: Mar 08, 2009 Posts: 282 Location: The Manhole
|
Posted: Mon Sep 16, 2013 4:20 am Post subject:
|
 |
|
That looks great phobos, do you have any sound samples?
I've been looking for something fun to build for a friends daughter, this might be the thing! _________________ http://loudestwarning.tumblr.com/ |
|
|
Back to top
|
|
 |
PHOBoS

Joined: Jan 14, 2010 Posts: 5947 Location: Moon Base
Audio files: 709
|
|
|
Back to top
|
|
 |
PHOBoS

Joined: Jan 14, 2010 Posts: 5947 Location: Moon Base
Audio files: 709
|
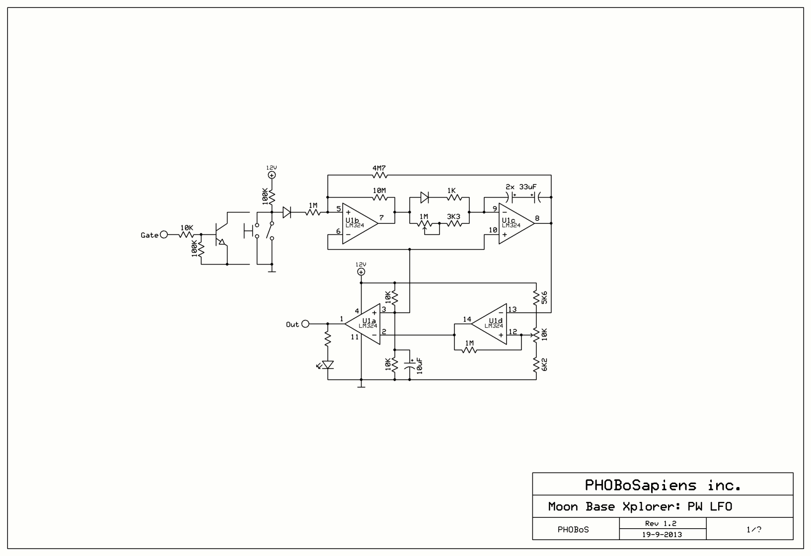
Posted: Thu Sep 19, 2013 10:18 am Post subject:
PWLFO update |
 |
|
an update on the PWLFO. After some experiments I found out that the maximum frequency was just a bit too low to get those nice 'raygun' sounds.
So I decreased the capacitors from 2x47uF to 2x33uF, which gives a much nicer range.
I also noticed a 'problem' with using the output that I had originally intended as the inverted output. When adjusting the pulse width the phase also shifts.
I had designed it so there would be no phase shifting on the normal output, so my initial idea was to just use that output instread. But this resulted in
another problem; when the oscillator is turned off the output stays high . So I used the inverted ouput and solved the phase shifting issue by reversing
the sawwave. Which is done by reversing the diode between U1b and U1c.
Í drew an optional gate input, which I haven't added yet but probably will. And while changing the schematic I noticed a mistake (which I made
before ). The inputs of U1b were swapped, so I fixed that too.
I'm using LED's on almost all outputs (PWLFO, VCLFO, VCO, AD/AR1+2, RND CLK) so I drew one in aswell. No LED drivers just directly connected
to the output with a series resistor. The value depends on the LED that's used so I left that out.
| Description: |
|
| Filesize: |
41.92 KB |
| Viewed: |
1035 Time(s) |
| This image has been reduced to fit the page. Click on it to enlarge. |

|
_________________ "My perf, it's full of holes!"
http://phobos.000space.com/
SoundCloud BandCamp MixCloud Stickney Synthyards Captain Collider Twitch YouTube |
|
|
Back to top
|
|
 |
PHOBoS

Joined: Jan 14, 2010 Posts: 5947 Location: Moon Base
Audio files: 709
|
Posted: Thu Sep 19, 2013 10:32 am Post subject:
VCA ? |
 |
|
I've done a test with a very simple VCA (diode, resistor, capacitor) which seems very promising, and should work nicely when combined with a
summing amp to create a voltage controlled mixer. It's going to be connected directly to the subdivider and I've also added pulse width control
and a ringmod input to it. So I'll post that when I have tested the mixer. _________________ "My perf, it's full of holes!"
http://phobos.000space.com/
SoundCloud BandCamp MixCloud Stickney Synthyards Captain Collider Twitch YouTube |
|
|
Back to top
|
|
 |
PHOBoS

Joined: Jan 14, 2010 Posts: 5947 Location: Moon Base
Audio files: 709
|
Posted: Thu Sep 19, 2013 4:28 pm Post subject:
Re: The Moon Base Xplorer Subject description: RND CLK/NOISE GEN |
 |
|
| PHOBoS wrote: | I just noticed that it doesn't work when I try to clock it with the output of the PWLFO, it works fine with the VCLFO though. And everything else works with
the PWLFO so I'll probably add a transistor buffer to the input. |
I just tried some things to get that fixed, a couple of different combinations of resistors and diodes, but that didn't work. A transistor on the input
(which I didn't want to do because it inverts it) didn't work either .
So I looked in the datasheet what the min. a max levels for the CLK are and according to the one I was reading they aren't really close to Vdd and
GND. So it should work fine but,.. that was a datasheet for a CD4006B from Texas Instruments and I'm using a Philips HEF4006BP. So I checked
the datasheet for that one but it didn't have any information about those levels. It did make me curious if using a chip from another manufacturer
might work. Well besides the Philips one I also had some other ones which seem to be oldies from Solid State Scientific. and guess what,.
it works so that turned out to be an easy fix.
I also added a switch in series with the input, so it can be put on hold without having to unplug anything.
note: I'm using the same circuit for another build and had a problem again with the CLK input. But this time I solved it by changing the 100K pulldown resistor to 10K.
_________________ "My perf, it's full of holes!"
http://phobos.000space.com/
SoundCloud BandCamp MixCloud Stickney Synthyards Captain Collider Twitch YouTube Last edited by PHOBoS on Wed Jan 01, 2014 5:03 pm; edited 2 times in total |
|
|
Back to top
|
|
 |
PHOBoS

Joined: Jan 14, 2010 Posts: 5947 Location: Moon Base
Audio files: 709
|
|
|
Back to top
|
|
 |
PHOBoS

Joined: Jan 14, 2010 Posts: 5947 Location: Moon Base
Audio files: 709
|
Posted: Sun Sep 22, 2013 12:35 pm Post subject:
The Moon Base Xplorer Subject description: NAND OSC |
 |
|
I added another oscillator or actually two. Because I want to add some simple VCA's something that could produce a control voltage would be
nice. So I first tried a triangle wave oscillator, which I could turn into a saw/reverse saw. But I wasn't really happy with it, and I didn't really want
to add a sinewave generator either. So back to squarewaves and then I'll might add a glide control to the VCA's or something.
So I did a couple of experiments using some NAND gates. Trying all kinds of different configurations, some worked, some didn't, but nothing was
really useful. I was allready thinking of adding a pulse delay to trigger the AD/AR's after each other. So I that was my next try and I ended up with
something that has 2 gated oscillators that can be used seperately, But also linked. And one can be used as a delay aswell.
So here's the circuit. At the bottom oscillator A (LFO) made from a single NAND gate (U1b) which is being inverted and buffered by another
NAND gate (U1a). Nothing special there. At the top oscillator B (U1c) which has a switch for 2 frequency ranges. With the gate select switch
in it's center position it works like a standalone oscillator which can be turned on/off with the oscillate switch. With the switch set to oscillate the
gate select switch can be used to gate oscillator B with oscillator A, either with the normal or the inverted output. With the oscillate switch turned off
it becomes a pulse delay which again can be gated by the normal or inverted output from oscillator A.
If you looked at the schematic you might have spotted a zenerdiode, which is there to help it start oscillate quicker when gated. If the oscillator
is in oscillate mode then the following thing happens. If the gate input (pin9) is high it oscillates and if it's low it stops,. but if it stops this means
that the output of U1c will be high and the capacitor get's charged. When it's oscillating it will only get charged to the upper treshold level of the
NAND gate but now it will be charged to almost the supply voltage. And because of this there will be a delay when you turn the oscillator on again
because it takes longer for the voltage to drop below the lower treshold level. Long story short the zenerdiode limits the voltage to which the
capacitor get's charged when the oscillator is turned off, so it will start much quicker.
I could add a zenerdiode to oscillator A, but I actually like the delay effect on this one. I might add another switch though so I can use that one as a
pulse delay aswell.
So with that I think the main synth parts are done, the rest will be audioprocessing: subdivider, ringmod, VCA's + mixer, delay maybe a
filter or a tonecontrol.
| Description: |
| Moon Base Xplorer: NANDOSC |
|
| Filesize: |
44.71 KB |
| Viewed: |
1079 Time(s) |
| This image has been reduced to fit the page. Click on it to enlarge. |

|
_________________ "My perf, it's full of holes!"
http://phobos.000space.com/
SoundCloud BandCamp MixCloud Stickney Synthyards Captain Collider Twitch YouTube |
|
|
Back to top
|
|
 |
PHOBoS

Joined: Jan 14, 2010 Posts: 5947 Location: Moon Base
Audio files: 709
|
Posted: Tue Sep 24, 2013 7:47 am Post subject:
The Moon Base Xplorer Subject description: no joy with this stick |
 |
|
I remembered I had an old joystick somewhere which might be useful but I also knew there was something wrong with it. So I dug it up (it was actually in
the first spot I thought it would be ) and when I opened it up I saw what the problem was. On each pot, which aren't real pots but a PCB with a carbon
trace on it, one solder lug had broken off. I had tried to fix it with aluminium tape before but that didn't work, so I gave it another try. I got one fixed by
using some braided wire and using aluminium tape to secure it. But I can't fix the other one . It's too bad because it would have been perfect, especially
after I managed to remove it from it's housing.
I could still use it with just one lug (it's not the wiper connection), with a slightly different circuit. But the carbon tracks are worn down so it might not
work very well or break down after a while.
| Description: |
|
| Filesize: |
90.2 KB |
| Viewed: |
813 Time(s) |
| This image has been reduced to fit the page. Click on it to enlarge. |

|
| Description: |
|
| Filesize: |
81.64 KB |
| Viewed: |
767 Time(s) |
| This image has been reduced to fit the page. Click on it to enlarge. |

|
| Description: |
|
| Filesize: |
75.48 KB |
| Viewed: |
787 Time(s) |
| This image has been reduced to fit the page. Click on it to enlarge. |

|
_________________ "My perf, it's full of holes!"
http://phobos.000space.com/
SoundCloud BandCamp MixCloud Stickney Synthyards Captain Collider Twitch YouTube |
|
|
Back to top
|
|
 |
PHOBoS

Joined: Jan 14, 2010 Posts: 5947 Location: Moon Base
Audio files: 709
|
Posted: Tue Sep 24, 2013 8:36 am Post subject:
|
 |
|
some design ideas. I was thinking about a nice aluminium frontpanel with alumiunium knobs for a spacey look. But I can't label it or I would have
to use some transparent decals. I've tried decals once before and it peeled of (is there supposed to be glue on it ?). using one of those old
labelwriters could look nice, but I don't have one. I also looked up the price for aluminium knobs and it's about twice of what I'd pay for
plastic knobs. So no shiney aluminium look,..
Another idea would be using a side panel of an old PC case. The color would look good (broken white/greyish) and it has a nice structured
finished. But I'd still have the same labeling problem as with the aluminium and because of the structured finish it would actually be harder
to stick something on it. I think I will settle with white as a color though (it's not a color?!), probably with some black and blue/turquoise labeling.
I actually do a have a nice white steel box that could be the right size, but there are some big holes in the lid, so I'd have to cover that up. The best
thing would be to cut one large hole in it so it doen's interfere with any mounting holes for pots/switches. But I'll probably go for wood and make
something with a sloped panel. I got that steel box a while back. Someone had put an arcade joystick in it (4 switches) and 4 big arcade buttons
connected to a gamepad controller. I am thinking of using those buttons for the gated LFO's and AD/AR's but they are rather large, so i'll have to
see how that works out with the design.
I want to do something special with the LED's of the LFO's. Maybe something like the display I made for the Enneatronic Spectralizer.
One silly idea I had was putting one of those LED spinners behind the panel with half of the globe sticking through:
would look awesome,.. but besides the electronic noise it'll probably cause, it will make audible noise aswell. And it's probably the first thing that would break.
I could do something with counters (like a 4017) attached to the LFO's and I think I have some CMOS chips with a build in counter that can drive 7
segment displays directly, maybe I can use those (wire them up 'incorrect' so it's not displaying numbers but some weird symbols). On the other hand
I'm currently using different color LED's and shiny fittings and they look great too.
And here's a logo/badge that I might put on the case somewhere
| Description: |
|
| Filesize: |
45.49 KB |
| Viewed: |
48160 Time(s) |

|
_________________ "My perf, it's full of holes!"
http://phobos.000space.com/
SoundCloud BandCamp MixCloud Stickney Synthyards Captain Collider Twitch YouTube |
|
|
Back to top
|
|
 |
PHOBoS

Joined: Jan 14, 2010 Posts: 5947 Location: Moon Base
Audio files: 709
|
Posted: Thu Sep 26, 2013 6:13 pm Post subject:
The Moon Base Xplorer Subject description: joystick controller 2 |
 |
|
Fixing the previous joystick wasn't a succes so I checked what else I got. Found a nice one with a couple of buttons but it is rather large compared to
the other one. I could remove the bulky handle with the buttons and maybe the base too but that kinda holds things together. Or I just use it
as it is and don't put it in the case, which is actually a bit more practical. And the buttons are useful to trigger things so that's what I'll do.
Besides 4 buttons it also has a little stick with another 4 buttons. I didn't see any use for this at first and was thinking of replacing it with an LED.
But when I opened it up I saw that the switches are mounted on a PCB with a bunch of diodes, so I retraced it and drew a schematic to see what
that was all about. As it turns out the little stick just controls combinations of the other buttons. So pushing it in a certain direction is the same as
pushing a couple of the other buttons at once. Well, that's actually quite usefull because it would be difficult to push more then one button using
just my thumb. However I didn't like the combinations it produced so I modified it a bit. I could have used some logic to convert it but this was
easier to do.
As for the analog part, this one has three pots: two on the joystick and a third one which is just a knob. They're all 100K but the 2 joystick pots
measure closer to 120K. I was thinking of wiring them up in the same way as the small joystick I'm currently using and maybe put the level pots
inside the joystick aswell. But I could also use them in their original configuration and then I could use other (unmodified) joysticks too.
To do this I need a slightly different circuit. The joystick pots together with another resistor (100k resistor + 50K trimpot) create a voltage divider.
This creates a voltage of ± 6..12V which gets buffered and then it gets amplified, while at the same time an offset voltage is added, to get an
output range of 1...10V. It also inverts it which is ok for the X movement (left = 1V right = 10V), but it's reversed for the Y movement (up = 1V
down = 10V). And since it will be hardwired to a VCO it would make more sense to have it the other way around. I could just use the other outer log
on the pot to fix that , or I 'll invert the signal and then it'll work with any joystick. But I'll probably just rewire it.
The buttons also need to be inverted but I wanted to add some gates to them anyway (so that a high signal is not just provided by a pullup
resistor). And by using some schmitt trigger inverters (40106) together with some capacitors it works as a debounce circuit aswell.
I currently have it breadboarded but when I first tested the joystick I wasn't too happy with how it responded. Only about 60% of movement
result in an actual change in resistance. So you can't just push it from one site to the other but have to keep it somewhere around the center
position. I had removed the springs that keep it there to allow for easier movement so I placed those back and that makes it a lot easier to
control. (and the buttons work nice too)
| Description: |
|
| Filesize: |
57.82 KB |
| Viewed: |
811 Time(s) |
| This image has been reduced to fit the page. Click on it to enlarge. |

|
| Description: |
| Moon Base Xplorer: Joystick Controller 2 |
|
| Filesize: |
99.94 KB |
| Viewed: |
940 Time(s) |
| This image has been reduced to fit the page. Click on it to enlarge. |

|
_________________ "My perf, it's full of holes!"
http://phobos.000space.com/
SoundCloud BandCamp MixCloud Stickney Synthyards Captain Collider Twitch YouTube |
|
|
Back to top
|
|
 |
PHOBoS

Joined: Jan 14, 2010 Posts: 5947 Location: Moon Base
Audio files: 709
|
Posted: Sat Sep 28, 2013 5:12 am Post subject:
|
 |
|
while looking for some inspiration for the panel design I came across this
you can find more info, including a wiring diagram, here
maybe Ill add a headphones output to it, I have an old pair of headphones (with a mic) that looks to be from a cockpit or some sort of control
center. I was also thinking of taking a simple toy (keyboard or something with different sounds) and hook that up to a small numeric keyboard.
I have an old electric typewriter that I could take the buttons/keys from, but I'm not sure if I'll do that. _________________ "My perf, it's full of holes!"
http://phobos.000space.com/
SoundCloud BandCamp MixCloud Stickney Synthyards Captain Collider Twitch YouTube |
|
|
Back to top
|
|
 |
RingMad

Joined: Jan 15, 2011 Posts: 430 Location: Montreal, Canada
Audio files: 4
|
Posted: Sat Sep 28, 2013 5:33 am Post subject:
|
 |
|
Once again, a fascinating and most informative build thread. Thanks PHOBoS! My head is inside a big project (which is now bogging down due to physical problems with the enclosure, not the electronics part), so I'm not fully following everything.
For my Sweet 32 Automator box, I used 7-segment displays (well, 7 plus the dot) turned on their sides as an abstract representation of 8-bit numbers being generated by my circuit. They work quite nicely. I posted a photo of that in the "2013 Build" thread back in May.
The patch looks great. Are you going to make some for putting on jackets and the like?
James. |
|
|
Back to top
|
|
 |
PHOBoS

Joined: Jan 14, 2010 Posts: 5947 Location: Moon Base
Audio files: 709
|
Posted: Sat Sep 28, 2013 7:15 am Post subject:
|
 |
|
heh, it might be a bit much to take it all in at once, especially if you're not building one yourself
I looked up your Sweet 32 Automator box, yeah sideways is an option too . I did some experiments with the chip I have (4026), and it works nice,
but no matter how I hook it up a lot of times it will still show regular numbers on the display. And I only have one CLK source from each LFO
to control it with. However it does look better when I connect some of the LED's together and don't use all the outputs of the chips. And it has a
display enable pin, so besides showing something different at each CLK pulse it can let the whole display flash at CLK rate too.
I'm not too happy with having to make square holes though, unless it's for snap-in stuff like switches. But if I use a plexiglass cover I can cut it
slightly larger and cover any gaps up with the frontpaper. I wonder if I can find some circular pieces of (colored) plexiglass, that would look nice.
Or maybe a bigger display from an old alarm clock and use it for all outputs (with some extra logic added).
I was also thinking about using some analog meters for the AD/AR generators, but I'm not sure how well they can stand it if I'd clock the
AD/AR with a fast running LFO.
| Quote: | The patch looks great. Are you going to make some for putting on jackets and the like?  |
thanks! It would look nice on a jumpsuit (ghostbusters style ), but I expect it would be a bit too expensive to have it made. At least real
embroidered patches, because it's full color and I would only need a few. I might make some stickers if I can find something suitable for my printer. _________________ "My perf, it's full of holes!"
http://phobos.000space.com/
SoundCloud BandCamp MixCloud Stickney Synthyards Captain Collider Twitch YouTube Last edited by PHOBoS on Sat Sep 28, 2013 12:57 pm; edited 2 times in total |
|
|
Back to top
|
|
 |
PHOBoS

Joined: Jan 14, 2010 Posts: 5947 Location: Moon Base
Audio files: 709
|
|
|
Back to top
|
|
 |
|