| Author |
Message |
PHOBoS

Joined: Jan 14, 2010 Posts: 5939 Location: Moon Base
Audio files: 709
|
Posted: Mon Apr 07, 2014 6:30 pm Post subject:
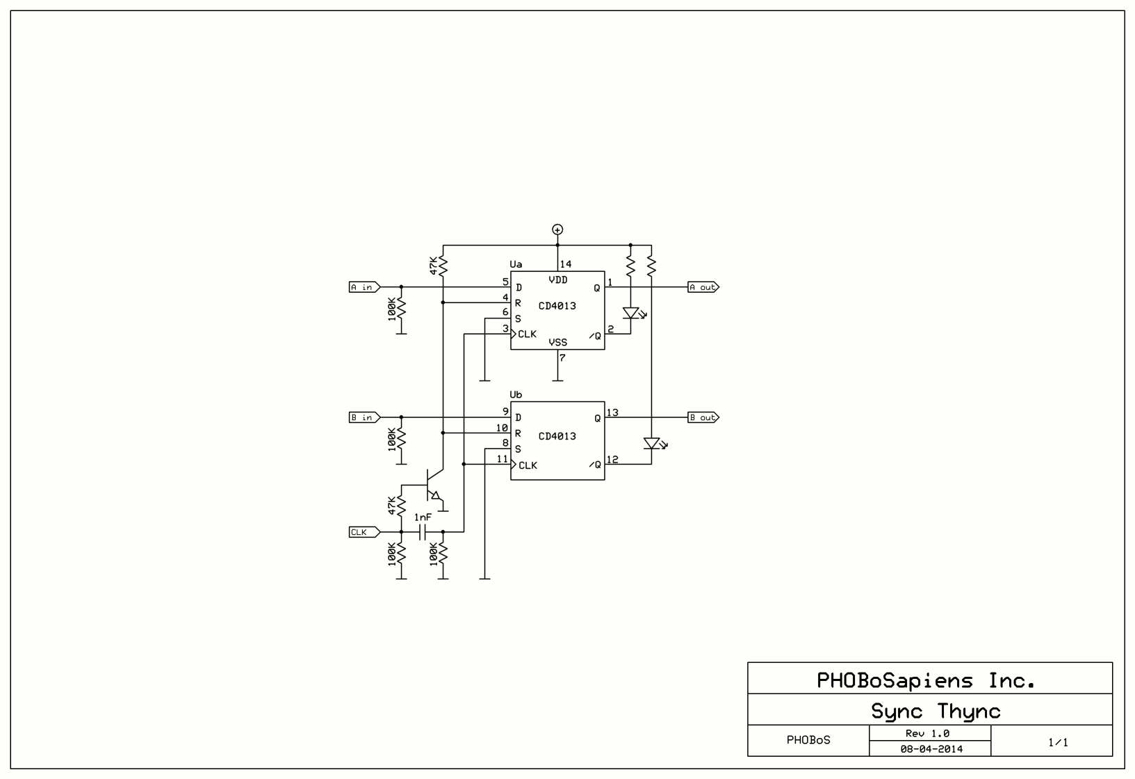
The Sync Thync (now with Stripboard layouts) Subject description: S&H + AND, useful for rhythmic patterns |
 |
|
Something simple that actually came from a bigger circuit I was testing. It's a bit of a cross between an AND gate an a S&H made with 2 flip flops
(but you could easily add more). When the CLK input goes high it samples whatever data is at the A/B inputs and this appears at the A/B outputs as
long as the CLK stays high. When the CLK is low the outputs are low. It's nice for creating rhythmic, somewhat random, patterns by connecting some
oscillators to the A/B inputs and an LFO to the CLK.
The Sync Thync, you know you want (at least) one!
| Description: |
|
| Filesize: |
3.29 KB |
| Viewed: |
28369 Time(s) |

|
| Description: |
|
| Filesize: |
33.57 KB |
| Viewed: |
1246 Time(s) |
| This image has been reduced to fit the page. Click on it to enlarge. |

|
_________________ "My perf, it's full of holes!"
http://phobos.000space.com/
SoundCloud BandCamp MixCloud Stickney Synthyards Captain Collider Twitch YouTube Last edited by PHOBoS on Tue Apr 08, 2014 7:55 pm; edited 4 times in total |
|
|
Back to top
|
|
 |
PHOBoS

Joined: Jan 14, 2010 Posts: 5939 Location: Moon Base
Audio files: 709
|
|
|
Back to top
|
|
 |
DUBmatze

Joined: Feb 18, 2013 Posts: 150 Location: south Germaica (schwabilon)
|
Posted: Tue Apr 08, 2014 8:36 am Post subject:
|
 |
|
when the CLK input is High is the R Pin on the 4013 High or low? (i plan a one channel version of this, so i can use a 4049 or 4050 i think for the Reset)
i think this is a cool thing with one of my lunetta modules. I build a "pattern" generator from a 4017 and a AND with some 4050 Buffers with 4 outputs:
A 1-1-0-0
B 0-0-1-1
C 1-0-1-0
D 0-1-0-1
think this is a cool Source to Trigger/clock this. |
|
|
Back to top
|
|
 |
PHOBoS

Joined: Jan 14, 2010 Posts: 5939 Location: Moon Base
Audio files: 709
|
Posted: Tue Apr 08, 2014 11:37 am Post subject:
|
 |
|
| DUBmatze wrote: | | when the CLK input is High is the R Pin on the 4013 High or low? (i plan a one channel version of this, so i can use a 4049 or 4050 i think for the Reset) |
R(eset) is low when CLK is high and the other way around. It'll probably work with a 4049 but you'll have to test it. When I first experimented with
it I had the clock directly connected (without the capacitor and resistors to create a pulse) but that didn't work, so keep that part in.
| Quote: |
i think this is a cool thing with one of my lunetta modules. I build a "pattern" generator from a 4017 and a AND with some 4050 Buffers with 4 outputs:
A 1-1-0-0
B 0-0-1-1
C 1-0-1-0
D 0-1-0-1
think this is a cool Source to Trigger/clock this. |
I did a test using 2 LFO's on the A/B inputs and it's possible to get repeating patterns but there is usually some drifting which will cause it to change.
It will always be in sync though  _________________ "My perf, it's full of holes!"
http://phobos.000space.com/
SoundCloud BandCamp MixCloud Stickney Synthyards Captain Collider Twitch YouTube |
|
|
Back to top
|
|
 |
PHOBoS

Joined: Jan 14, 2010 Posts: 5939 Location: Moon Base
Audio files: 709
|
Posted: Tue Apr 08, 2014 3:39 pm Post subject:
The Sync Thync Stripboard layouts |
 |
|
I know some of you like stripboard so here are 2 layouts. One with the main circuit, the other is an extension board for 2 more in/outs.
It can be added to the same PCB that's used for the main board if you cut some tracks in between (V+, V-, CLK lnk and RST lnk line up).
And you should be able to add more than one extension board if you like, although I haven't tested this.
note: don't cut the track between pins 7,8 of IC1
| Description: |
| Sync Thync stripboard layout (main) |
|
| Filesize: |
19.24 KB |
| Viewed: |
749 Time(s) |
| This image has been reduced to fit the page. Click on it to enlarge. |

|
| Description: |
| Sync Thync stripboard layout (extension) |
|
| Filesize: |
16.37 KB |
| Viewed: |
785 Time(s) |
| This image has been reduced to fit the page. Click on it to enlarge. |

|
_________________ "My perf, it's full of holes!"
http://phobos.000space.com/
SoundCloud BandCamp MixCloud Stickney Synthyards Captain Collider Twitch YouTube |
|
|
Back to top
|
|
 |
PHOBoS

Joined: Jan 14, 2010 Posts: 5939 Location: Moon Base
Audio files: 709
|
|
|
Back to top
|
|
 |
PHOBoS

Joined: Jan 14, 2010 Posts: 5939 Location: Moon Base
Audio files: 709
|
|
|
Back to top
|
|
 |
PHOBoS

Joined: Jan 14, 2010 Posts: 5939 Location: Moon Base
Audio files: 709
|
Posted: Sun Apr 13, 2014 12:56 pm Post subject:
Sync Thync build pics |
 |
|
I put it in a plastic enclosure and added some switches. The toggle switches turn the input signal on/off and when it's off the output stay low. By adding
them to the inputs, switching will always be in sync with the clock. The pushbuttons force a high signal on the data inputs, so when pressed the
output will be the same as the CLK input (useful for drumrolls/bursts).
| Description: |
|
| Filesize: |
17 KB |
| Viewed: |
28200 Time(s) |

|
| Description: |
| Sync Thync (Extended) with extra switches. |
|
| Filesize: |
28.74 KB |
| Viewed: |
959 Time(s) |
| This image has been reduced to fit the page. Click on it to enlarge. |

|
| Description: |
|
| Filesize: |
94.52 KB |
| Viewed: |
687 Time(s) |
| This image has been reduced to fit the page. Click on it to enlarge. |

|
| Description: |
|
| Filesize: |
86.53 KB |
| Viewed: |
669 Time(s) |
| This image has been reduced to fit the page. Click on it to enlarge. |

|
_________________ "My perf, it's full of holes!"
http://phobos.000space.com/
SoundCloud BandCamp MixCloud Stickney Synthyards Captain Collider Twitch YouTube |
|
|
Back to top
|
|
 |
trav

Joined: Sep 11, 2012 Posts: 108 Location: Auckland
Audio files: 16
|
Posted: Sun Apr 13, 2014 3:02 pm Post subject:
|
 |
|
| Excellent build, as always! |
|
|
Back to top
|
|
 |
PHOBoS

Joined: Jan 14, 2010 Posts: 5939 Location: Moon Base
Audio files: 709
|
|
|
Back to top
|
|
 |
DUBmatze

Joined: Feb 18, 2013 Posts: 150 Location: south Germaica (schwabilon)
|
Posted: Wed Apr 16, 2014 9:16 am Post subject:
|
 |
|
hey phobos, hey lunettaheads
i was thinking a lot about this thing. but i dont have any flipflops at home. so i read a lot about flipflops and breadboardet a bit.
this is the result. The SYNC THYNC LITE:
(sorry for stealing the name Phobos... but a big TY for sharing the sync thync)
|
|
|
Back to top
|
|
 |
PHOBoS

Joined: Jan 14, 2010 Posts: 5939 Location: Moon Base
Audio files: 709
|
Posted: Wed Apr 16, 2014 3:43 pm Post subject:
|
 |
|
That's great !
And I don't mind if you use the name, except that I just did a simulation and it doesn't behave like a Sync Thync, so that might cause some
confusion. But it did made me wonder if it would be possible using NAND gates so I tried some different configurations and got something that
works. However it uses 5 NAND gates (or 4 and 1 inverter) and that only gives you one input/output and clock and you can't use any of the gates if
you want to add another one.
Now since you read about flipflops you might have found that you can also use NOR gates instead of NAND gates which gives you a flip flop that
behaves slightly different. So I tried that and I thought I just had it working using your schematic, but it's still not the same (you can try it by
swapping the chips if you have some NOR's and used sockets). I do have something working with NOR gates but it needs 5 gates again, although in
this circuit 2 are used as inverters.
maybe I can come up with something, it's a nice challenge
o and I'm not sure if you can use those gates in parallel, I know it works for some but I have no idea about the CD4093. It might work but maybe
the chip isn't happy with it. Glad to see it inspired you though  _________________ "My perf, it's full of holes!"
http://phobos.000space.com/
SoundCloud BandCamp MixCloud Stickney Synthyards Captain Collider Twitch YouTube |
|
|
Back to top
|
|
 |
PHOBoS

Joined: Jan 14, 2010 Posts: 5939 Location: Moon Base
Audio files: 709
|
|
|
Back to top
|
|
 |
blue hell
Site Admin

Joined: Apr 03, 2004 Posts: 24632 Location: The Netherlands, Enschede
Audio files: 321
G2 patch files: 320
|
Posted: Wed Apr 16, 2014 4:41 pm Post subject:
|
 |
|
Hmm .. that's strange ... I would have expected more symmetry between the nor and nand versions ... yet the nand one has an extra feedback loop .. prolly means that there are some more possible alternatives so maybe even a better optimized one  _________________ Jan
also .. could someone please turn down the thermostat a bit.
 |
|
|
Back to top
|
|
 |
PHOBoS

Joined: Jan 14, 2010 Posts: 5939 Location: Moon Base
Audio files: 709
|
Posted: Wed Apr 16, 2014 4:46 pm Post subject:
|
 |
|
| Blue Hell wrote: | Hmm .. that's strange ... I would have expected more symmetry between the nor and nand versions ... yet the nand one has an extra feedback loop .. prolly means that there are some more possible alternatives so maybe even a better optimized one  |
yep that's what I was thinking, it kinda surprised me that I didn't need the feedback loop for the NOR. But as long as I haven't really tested it I 'm not
sure if either version will work. _________________ "My perf, it's full of holes!"
http://phobos.000space.com/
SoundCloud BandCamp MixCloud Stickney Synthyards Captain Collider Twitch YouTube |
|
|
Back to top
|
|
 |
blue hell
Site Admin

Joined: Apr 03, 2004 Posts: 24632 Location: The Netherlands, Enschede
Audio files: 321
G2 patch files: 320
|
Posted: Wed Apr 16, 2014 5:02 pm Post subject:
|
 |
|
The thing is that
NOT ( A AND B) = ( NOT A) OR ( NOT B)
De Morgan's laws .. unfortunately the Wiki entry has a bit of a formal notation for it ... but De Morgan is the the thing, its a handy thing for optimizing stuff.
Another thing to look into is Quine McClusky
Anyway .. that NOT ( A AND B) = ( NOT A) OR ( NOT B) thing hints at symmetries to be expected .. basically it states that a positive logic circuit with ANDs is equivalent to a negative logic circuit with all the ANDs replaced with ORs ( so you need inverters on all in and outs to make it the same). _________________ Jan
also .. could someone please turn down the thermostat a bit.
 |
|
|
Back to top
|
|
 |
DUBmatze

Joined: Feb 18, 2013 Posts: 150 Location: south Germaica (schwabilon)
|
Posted: Thu Apr 17, 2014 5:15 am Post subject:
|
 |
|
Hehe,
hardcore logic ...
Building the same flipflops like u uses in the orginal (with clk in) are 4 NANDs and 2 Inverters. so when i try to build a 4 Channel version i need: 4* 4093 and and a 4049. To big for me that day ...
| PHOBoS wrote: | That's great !
And I don't mind if you use the name, except that I just did a simulation and it doesn't behave like a Sync Thync, so that might cause some
confusion | yes its just a ligth version.
oO
| PHOBoS wrote: | | (you can try it by swapping the chips if you have some NOR's and used sockets) | ah grr i soilder them direct to the board..
it looks like that:
| PHOBoS wrote: | o and I'm not sure if you can use those gates in parallel, I know it works for some but I have no idea about the CD4093. It might work but maybe
the chip isn't happy with it. | i do that often, i use 40106, 4049, 4050, 4093 in parallel when i have to drive more than some other gates like a complete chip or so... |
|
|
Back to top
|
|
 |
PHOBoS

Joined: Jan 14, 2010 Posts: 5939 Location: Moon Base
Audio files: 709
|
|
|
Back to top
|
|
 |
blue hell
Site Admin

Joined: Apr 03, 2004 Posts: 24632 Location: The Netherlands, Enschede
Audio files: 321
G2 patch files: 320
|
Posted: Thu Apr 17, 2014 3:21 pm Post subject:
|
 |
|
For the NAND version ... are the two outputs of the flip flop not inverse to each other? if so the output inverter would not be needed.
And something likewise for the NOR version then. _________________ Jan
also .. could someone please turn down the thermostat a bit.
 |
|
|
Back to top
|
|
 |
PHOBoS

Joined: Jan 14, 2010 Posts: 5939 Location: Moon Base
Audio files: 709
|
|
|
Back to top
|
|
 |
|