| Author |
Message |
PHOBoS

Joined: Jan 14, 2010 Posts: 5889 Location: Moon Base
Audio files: 709
|
|
|
Back to top
|
|
 |
PHOBoS

Joined: Jan 14, 2010 Posts: 5889 Location: Moon Base
Audio files: 709
|
|
|
Back to top
|
|
 |
blue hell
Site Admin

Joined: Apr 03, 2004 Posts: 24556 Location: The Netherlands, Enschede
Audio files: 303
G2 patch files: 320
|
Posted: Tue Nov 04, 2014 2:29 pm Post subject:
|
 |
|
:-) nice find! _________________ Jan
also .. could someone please turn down the thermostat a bit.
 |
|
|
Back to top
|
|
 |
PHOBoS

Joined: Jan 14, 2010 Posts: 5889 Location: Moon Base
Audio files: 709
|
Posted: Tue Nov 04, 2014 6:04 pm Post subject:
|
 |
|
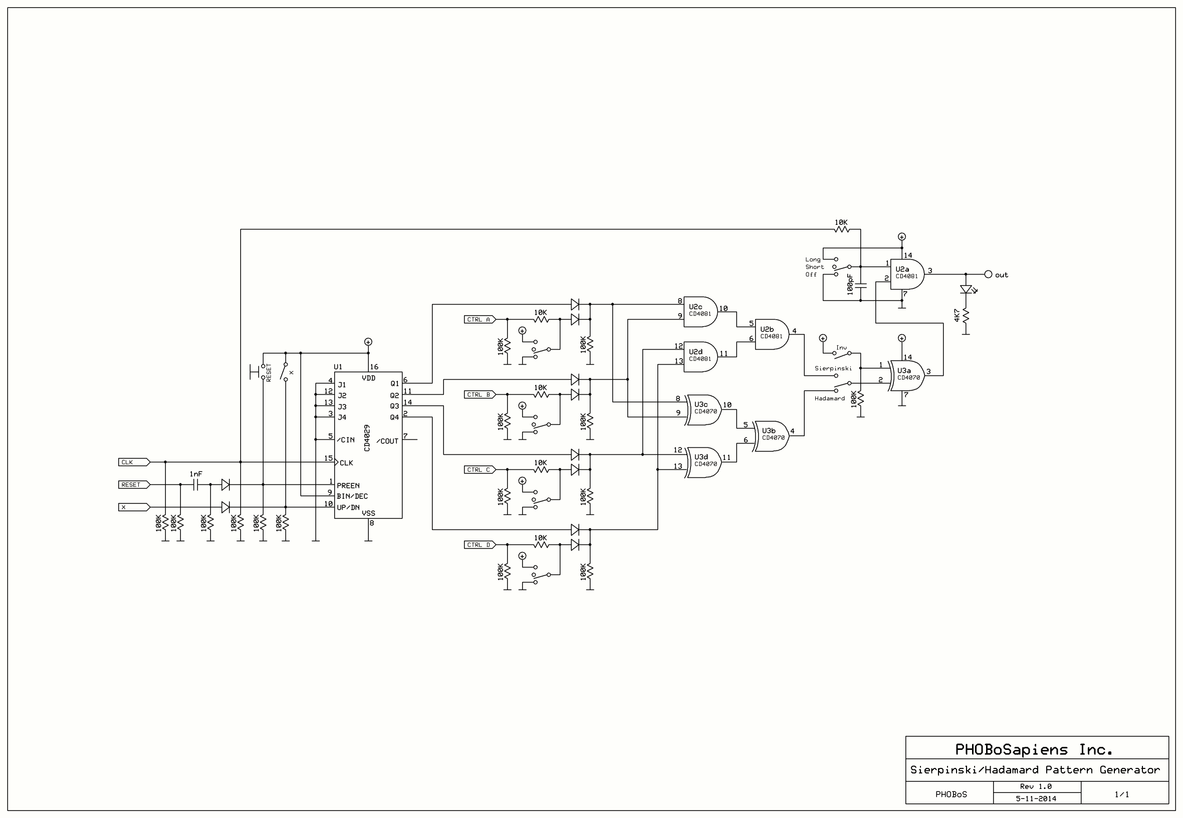
So there are a couple of other possibilities besides AND gates:
OR, XNOR, XOR, NAND, NOR, NXOR, NXNOR
OR, NAND, NOR create Sierpinski triangles like using AND
OR is the inverted version of X=1, Y=1
NAND is the inverted version of x=0, y=1
NOR is the same as X=1, Y=1
so adding an inverter to the output will create all those
More interesting is using a XNOR, XOR, NXOR, NXNOR which creates what's called a Hadamard Matrix.
| Description: |
| Basic Hadamard Matrix pattern generator |
|
| Filesize: |
49.4 KB |
| Viewed: |
807 Time(s) |
| This image has been reduced to fit the page. Click on it to enlarge. |

|
_________________ "My perf, it's full of holes!"
http://phobos.000space.com/
SoundCloud BandCamp MixCloud Stickney Synthyards Captain Collider Twitch YouTube |
|
|
Back to top
|
|
 |
elmegil

Joined: Mar 20, 2012 Posts: 2179 Location: Chicago
Audio files: 16
|
Posted: Tue Nov 04, 2014 8:43 pm Post subject:
|
 |
|
You're being coy. I want to HEAR it  |
|
|
Back to top
|
|
 |
piedwagtail

Joined: Apr 15, 2006 Posts: 297 Location: shoreditch
Audio files: 3
|
Posted: Wed Nov 05, 2014 5:35 am Post subject:
|
 |
|
Ha! Loving these studies.
Just as we hear of robots and expert software gradually replacing the "professions" lawyers,accountants etc...soon the contemporary jazz drummer with all their rhythm variations will be replaced by Phobos's Hadamard Matrix pulse streams
Flash ADCs /shift registers etc on the ABCDs will make this so powerful...it's easy enough to sing the variations but the real power lies in the ability to change those variations without some clunky intervention.
Robert |
|
|
Back to top
|
|
 |
PHOBoS

Joined: Jan 14, 2010 Posts: 5889 Location: Moon Base
Audio files: 709
|
|
|
Back to top
|
|
 |
PHOBoS

Joined: Jan 14, 2010 Posts: 5889 Location: Moon Base
Audio files: 709
|
|
|
Back to top
|
|
 |
PHOBoS

Joined: Jan 14, 2010 Posts: 5889 Location: Moon Base
Audio files: 709
|
|
|
Back to top
|
|
 |
RingMad

Joined: Jan 15, 2011 Posts: 429 Location: Montreal, Canada
Audio files: 4
|
Posted: Wed Nov 05, 2014 12:13 pm Post subject:
|
 |
|
Wow, The Amazing PHOBoS once again pulls a really interesting circuit rabbit out of his electronic hat
Can you do a Koch snowflake or a dragon curve?
What about replacing the gates with JingleJoe's "4051 ANY gate"? Although I barely remember how that worked or if it's even appropriate. Probably not, sorry.
- james |
|
|
Back to top
|
|
 |
PHOBoS

Joined: Jan 14, 2010 Posts: 5889 Location: Moon Base
Audio files: 709
|
Posted: Wed Nov 05, 2014 1:14 pm Post subject:
|
 |
|
oops I accidentally hit the edit button on your reply, hope it's restored as it was
| Quote: | Wow, The Amazing PHOBoS once again pulls a really interesting circuit rabbit out of his electronic hat
Can you do a Koch snowflake or a dragon curve?  |
not yet
I really like the golden dragon though:
| Quote: | | What about replacing the gates with JingleJoe's "4051 ANY gate"? Although I barely remember how that worked or if it's even appropriate. Probably not, sorry. |
I thought about that, hence why I mentioned muxes, but it needs a 4 bit mux and then you don't have the spare gates to create the inversion and short pulses. _________________ "My perf, it's full of holes!"
http://phobos.000space.com/
SoundCloud BandCamp MixCloud Stickney Synthyards Captain Collider Twitch YouTube |
|
|
Back to top
|
|
 |
PHOBoS

Joined: Jan 14, 2010 Posts: 5889 Location: Moon Base
Audio files: 709
|
|
|
Back to top
|
|
 |
|