| Author |
Message |
facon
Joined: Jan 14, 2015 Posts: 22 Location: Michigan, USA
|
|
|
Back to top
|
|
 |
facon
Joined: Jan 14, 2015 Posts: 22 Location: Michigan, USA
|
Posted: Fri Jan 23, 2015 7:16 am Post subject:
|
 |
|
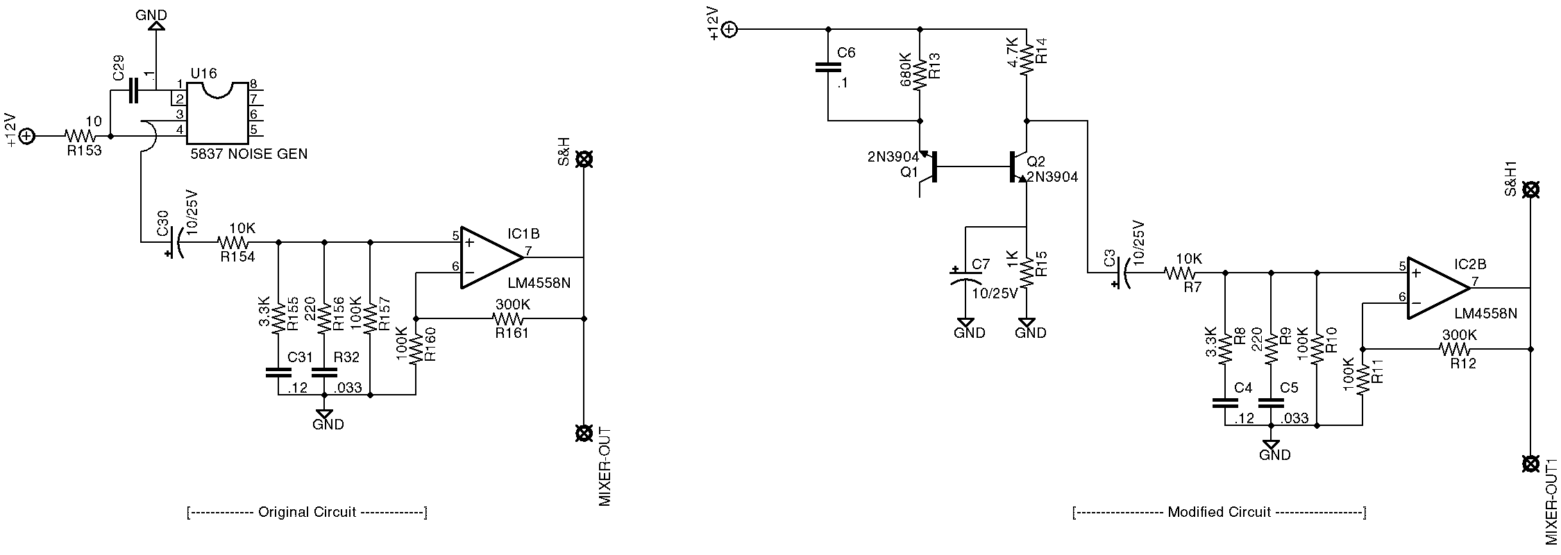
| Well, I'm thinking this won't work as it is. It looks like the gain of the Q2 is only going to get me around 2V peak to peak. According to the MG-1 schematic, the 5837 is giving around 10V peak to peak from +2V to +12V. |
|
|
Back to top
|
|
 |
richardc64

Joined: Jun 01, 2006 Posts: 679 Location: NYC
Audio files: 26
|
|
|
Back to top
|
|
 |
facon
Joined: Jan 14, 2015 Posts: 22 Location: Michigan, USA
|
Posted: Fri Jan 23, 2015 12:47 pm Post subject:
|
 |
|
| Great. I think at first I'll try adjusting R7 to see if I can get it close. |
|
|
Back to top
|
|
 |
varice

Joined: Dec 29, 2004 Posts: 961 Location: Northeastern shore of Toledo Bend
Audio files: 29
G2 patch files: 54
|
Posted: Fri Jan 23, 2015 1:27 pm Post subject:
|
 |
|
| facon wrote: | | Great. I think at first I'll try adjusting R7 to see if I can get it close. |
I wouldn’t do that as it will probably affect the spectrum of pink noise filter circuit.
It would be best to increase the gain of the op-amp instead. _________________ varice |
|
|
Back to top
|
|
 |
facon
Joined: Jan 14, 2015 Posts: 22 Location: Michigan, USA
|
Posted: Fri Jan 23, 2015 8:42 pm Post subject:
|
 |
|
I tried the circuit that I had posted earlier. I hooked up a pot to R160 and found that around 2.7K is what was needed to get to the same volume and to trigger the sample and hold correctly.
I did change R13 to 470K because that's the closest value I had on hand.
I'm just now noticing that when I have noise up, I hear a click along with the LFO. I'm not sure if it did that before, but overall I'm happier with it. I may need to tweak a little more over time.
Thanks for the help! |
|
|
Back to top
|
|
 |
varice

Joined: Dec 29, 2004 Posts: 961 Location: Northeastern shore of Toledo Bend
Audio files: 29
G2 patch files: 54
|
Posted: Sat Jan 24, 2015 12:34 am Post subject:
|
 |
|
| facon wrote: | | ...I'm just now noticing that when I have noise up, I hear a click along with the LFO. I'm not sure if it did that before... |
AAARGH To go to the trouble to get rid of the annoying repetitive cycling of the 5837 only to now pick up interference from the LFO. Not an uncommon problem though. If you are now hearing clicks from the LFO only when you have the noise source in the mix (I don’t hear any LFO clicks with my MG-1), then I would suggest a couple of things to try. First, I would make sure that the common (ground or 0V reference) of your added noise source circuit is connected as close as possible to the point where R160 is connected to common. I would also connect the added noise circuit positive voltage supply directly to the MG-1 positive power supply output. _________________ varice |
|
|
Back to top
|
|
 |
facon
Joined: Jan 14, 2015 Posts: 22 Location: Michigan, USA
|
Posted: Sat Jan 24, 2015 8:50 am Post subject:
|
 |
|
| I removed 5837 and R153. The positive connects to where R153 was connected, ground goes to pin 1 and the output goes to pin 3. I didn't remove C29. Since my re trigger circuit takes up the space above that section of the pcb, I had to place the new noise generator pcb on the other side of the LfO slide pot. The wires do touch the pot. I think I'm going to try installing it on the other side of the PCB with shorter wires. |
|
|
Back to top
|
|
 |
facon
Joined: Jan 14, 2015 Posts: 22 Location: Michigan, USA
|
Posted: Sat Jan 24, 2015 11:21 am Post subject:
|
 |
|
I tried everything and connecting it directly to 12V at C14 on the bottom board did the trick!
Thank you so much. Now if I can figure out why I'm still hearing my oscillators when the mixer controls are fully down, ai'll be very happy with this synth. |
|
|
Back to top
|
|
 |
|