| Author |
Message |
nicolas3141
Joined: May 25, 2007 Posts: 185 Location: Christchurch, New Zealand
|
Posted: Sun Nov 15, 2015 12:11 am Post subject:
General purpose arduino / synth circuit |
 |
|
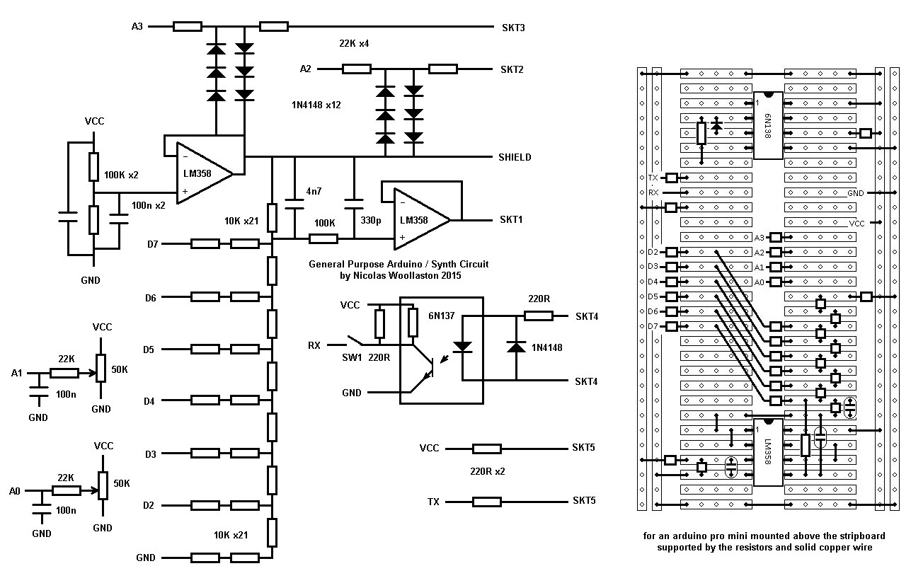
I have just built a basic arduino circuit with these goals:
- using components I had to hand (arduino pro mini 5V, LM358, 6N137).
- midi in.
- midi out.
- CV in.
- CV out.
- audio in.
- audio out.
- plus a couple of knobs.
Which means with suitable software I can have a go at:
- midi processing, midi -> CV and CV -> midi.
- simple midi synth and simple audio effects.
I am hoping a few other people will build something similar and then we can swap coding ideas.
The midi in/out is the standard circuit using the UART on pins D0/D1.
The analogue in is to A0-A3. For A2/A3 I have biased the input to VCC/2 and used diodes to limit the voltage to +/-1.8V which I think makes it better suited to hooking up to analogue gear.
The analogue out is a 6 bit R-2R ladder, but attenuated by half and biased to VCC/2 to give an output of +/-1.25V. The 6 bits are on D2-D7, so if you use 8 bit PWM on D3 you can get an overall accuracy of 12 bits which is good enough for most purposes in the analogue synth world. The analogue output has a 2 pole filter and an opamp buffer.
I built it on stripboard with the arduino pro mini sitting up above the stripboard supported by resistors and a few solid copper wires between the two boards.
Nicolas |
|
|
Back to top
|
|
 |
nicolas3141
Joined: May 25, 2007 Posts: 185 Location: Christchurch, New Zealand
|
|
|
Back to top
|
|
 |
nicolas3141
Joined: May 25, 2007 Posts: 185 Location: Christchurch, New Zealand
|
|
|
Back to top
|
|
 |
nicolas3141
Joined: May 25, 2007 Posts: 185 Location: Christchurch, New Zealand
|
|
|
Back to top
|
|
 |
nicolas3141
Joined: May 25, 2007 Posts: 185 Location: Christchurch, New Zealand
|
Posted: Sun Nov 22, 2015 2:11 am Post subject:
|
 |
|
A few other people are in the process of building this and while helping them I noticed a minor error in the layout - now corrected in the diagram above. The resistors to ground at the bottom of the ladder was missing one in the layout. Corrected as of 22 Nov 2015.
Apologies,
Nicolas |
|
|
Back to top
|
|
 |
nicolas3141
Joined: May 25, 2007 Posts: 185 Location: Christchurch, New Zealand
|
Posted: Sun Nov 22, 2015 2:28 am Post subject:
|
 |
|
Some build pictures to show you how I suggest to mount the arduino off the stripboard with the resistors between.
| Description: |
|
| Filesize: |
204.35 KB |
| Viewed: |
431 Time(s) |
| This image has been reduced to fit the page. Click on it to enlarge. |

|
| Description: |
|
| Filesize: |
214.03 KB |
| Viewed: |
429 Time(s) |
| This image has been reduced to fit the page. Click on it to enlarge. |

|
| Description: |
|
| Filesize: |
165.56 KB |
| Viewed: |
451 Time(s) |
| This image has been reduced to fit the page. Click on it to enlarge. |

|
|
|
|
Back to top
|
|
 |
comrade_zero
Joined: Mar 05, 2009 Posts: 66 Location: arizona
Audio files: 4
|
Posted: Sun Nov 22, 2015 8:14 am Post subject:
|
 |
|
As always, great stuff Nicolas! With Arduino you generally have a limited amount of options when it comes to sound generation, but there are some decent enough examples of wavetable oscillators floating around out there. One fun project I built a few years ago was a midi-in arduino-driven monosynth using your simple saw-wave oscillator and a manually controlled sallen-key resonant low-pass filter. Using pwm out and a passive lpf I think I managed three octaves out of it.
Also, I haven't played with it personally, but the mozzi library is supposed to offer some resources for sound/midi...
cheers!
c_z |
|
|
Back to top
|
|
 |
nicolas3141
Joined: May 25, 2007 Posts: 185 Location: Christchurch, New Zealand
|
Posted: Wed Nov 25, 2015 2:41 am Post subject:
|
 |
|
Cool. I am still progressing slowly with the software side. What should be feasible for those who have built VCF and VCA modules prior to building this arduino module, is that we should be able to program it for notes to come in on midi-in, put out filter CV on socket 1, gate on socket 2 and our main oscillator square wave on socket 3. The wire it:
MIDI:
keyboard -> arduino midi-in
CV:
arduino socket 1 -> VCF CV
arduino socket 2 -> adsr -> VCA CV
Audio:
arduino socket 3 -> VCF -> VCA
For a classic square wave monosynth. |
|
|
Back to top
|
|
 |
|