| Author |
Message |
Grumble

Joined: Nov 23, 2015 Posts: 1319 Location: Netherlands
Audio files: 30
|
Posted: Thu Oct 13, 2016 1:57 am Post subject:
Design of a Sawtooth wave generator Subject description: And a question about the Moog sawtooth |
 |
|
I start to feel the need for a Sawtooth waveform generator because it has a distinct sound, very different from sine, triangle and square waveforms.
I could make one with my sequencer in audio mode, but this will only give about 8 levels of voltage maximal.
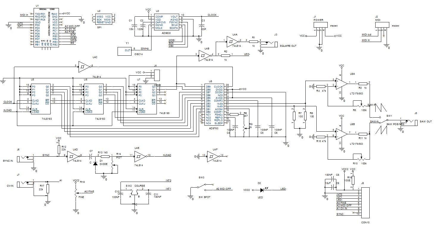
So, in the line of my other builds it will be a module with an Arduino, an AD9833 DDS in square mode to provide the clockpulses for 3x 4 bit up/down counters (74LS193) and a 10 bit DAC AD9760 from Analog Devices.
It wil have a midi(ish) input, a CV (and pot) for frequency shift and a sawtooth and squarewave out.
Question: I have noticed looking at the signals from the sawtooth wave of a Moog that at the steep edge of the waveform there is a very short negative goint glitch.
Is that important soundwise? Will it be audible? Because if it is I will add this glitch to the near perfect sawtooth constructed by the counters and DAC
When the design evolves I will put diagrams here.
edit= corrected the link to AD9760 Last edited by Grumble on Sat Nov 05, 2016 11:17 pm; edited 1 time in total |
|
|
Back to top
|
|
 |
Grumble

Joined: Nov 23, 2015 Posts: 1319 Location: Netherlands
Audio files: 30
|
Posted: Sat Nov 05, 2016 7:46 am Post subject:
|
 |
|
The SAW module is finished.
Sorry, have to go, later more...
| Description: |
|
| Filesize: |
2.09 MB |
| Viewed: |
837 Time(s) |
| This image has been reduced to fit the page. Click on it to enlarge. |

|
| Description: |
|
| Filesize: |
2.77 MB |
| Viewed: |
852 Time(s) |
| This image has been reduced to fit the page. Click on it to enlarge. |

|
| Description: |
|
| Filesize: |
6.39 MB |
| Viewed: |
816 Time(s) |
| This image has been reduced to fit the page. Click on it to enlarge. |

|
| Description: |
|
| Filesize: |
5.19 MB |
| Viewed: |
799 Time(s) |
| This image has been reduced to fit the page. Click on it to enlarge. |

|
|
|
|
Back to top
|
|
 |
Grumble

Joined: Nov 23, 2015 Posts: 1319 Location: Netherlands
Audio files: 30
|
Posted: Sat Nov 05, 2016 10:13 am Post subject:
|
 |
|
This saw-tooth module basically consists of a counter that is clocked with a DDS. Lowest frequency is about 0.4Hz and max. frequency is about 10kHz.
The top knob holds a rotary encoder, and with every step the frequency is up or down one full note.
The second knob from the top holds a potmeter for fine tuning and will shift the frequency one octave up and one octave down, the same as the CV.
Than the two switches: the left switch will turn Midi-in on and off, the right switch is to choose between a positive or a negative saw-tooth signal.
Below the switches are 4 3.5mm jacks, from top to bottom:
- Saw-tooth output, 0 - 5 volt.
- Square output, 0 - 5 volt, this square wave voltage has the same frequency as the saw-tooth wave and is 50% duty cycle.
- CV input, may be used as CV or as an FM input , input frequency 0 - 500Hz.
-(hard) SYNC input, a negative transition will reset the counter to zero to 766.
| Description: |
|
| Filesize: |
147.88 KB |
| Viewed: |
940 Time(s) |
| This image has been reduced to fit the page. Click on it to enlarge. |

|
|
|
|
Back to top
|
|
 |
Grumble

Joined: Nov 23, 2015 Posts: 1319 Location: Netherlands
Audio files: 30
|
|
|
Back to top
|
|
 |
PHOBoS

Joined: Jan 14, 2010 Posts: 5873 Location: Moon Base
Audio files: 709
|
|
|
Back to top
|
|
 |
Grumble

Joined: Nov 23, 2015 Posts: 1319 Location: Netherlands
Audio files: 30
|
Posted: Sat Nov 05, 2016 11:18 pm Post subject:
|
 |
|
| Thank you, and I corrected the link. |
|
|
Back to top
|
|
 |
Cfish

Joined: Feb 24, 2016 Posts: 477 Location: Indiana
|
Posted: Sun Nov 13, 2016 5:26 pm Post subject:
|
 |
|
| Sounds great grumble |
|
|
Back to top
|
|
 |
Grumble

Joined: Nov 23, 2015 Posts: 1319 Location: Netherlands
Audio files: 30
|
Posted: Sun Nov 13, 2016 10:26 pm Post subject:
|
 |
|
Thanks Chris  |
|
|
Back to top
|
|
 |
L´Andratté

Joined: Sep 23, 2012 Posts: 151 Location: Hamburg, Germany
Audio files: 5
|
Posted: Sat Nov 19, 2016 3:03 pm Post subject:
|
 |
|
Hey grumble, I´m total analog guy, and I personally have no use for any midi tracking, still it´s inspiring to see some good stuff as yours.
Btw I plan for my actual synth project using a digital oscillator by electric druid (VCDO).Because it sounds soo good. Nice wavetables and good for drones. With a good vcf and vc delay you enter sitar territory /ramble off
Could you add such a thing (wavetable) easily to your digital oscillator? (as mentioned I´m happily lost with programming) |
|
|
Back to top
|
|
 |
Grumble

Joined: Nov 23, 2015 Posts: 1319 Location: Netherlands
Audio files: 30
|
Posted: Sat Nov 19, 2016 3:29 pm Post subject:
|
 |
|
Yes, it is possible, one way is to use the counter outputs as an address for an eeprom which data is fed to the dac.
In the eeprom you could store the wave table.
But its not a very user friendly type of generator that way.
The DVCO you are mentioning does sounds real good, considering its only 8 bits.... |
|
|
Back to top
|
|
 |
L´Andratté

Joined: Sep 23, 2012 Posts: 151 Location: Hamburg, Germany
Audio files: 5
|
Posted: Sat Nov 19, 2016 3:49 pm Post subject:
|
 |
|
| Grumble wrote: | Yes, it is possible, one way is to use the counter outputs as an address for an eeprom which data is fed to the dac.
In the eeprom you could store the wave table.
But its not a very user friendly type of generator that way. |
Thanks, I actually understood that Just asking for curiosity
| Grumble wrote: | | The DVCO you are mentioning does sounds real good, considering its only 8 bits.... |
Yeah and reducing those sounds even better  |
|
|
Back to top
|
|
 |
Grumble

Joined: Nov 23, 2015 Posts: 1319 Location: Netherlands
Audio files: 30
|
Posted: Sun Nov 20, 2016 5:40 am Post subject:
|
 |
|
| L´Andratté wrote: | | Grumble wrote: | Yes, it is possible, one way is to use the counter outputs as an address for an eeprom which data is fed to the dac.
In the eeprom you could store the wave table.
But its not a very user friendly type of generator that way. |
Thanks, I actually understood that Just asking for |
In fact, it's just the way the DDS from Analog Devices work!
Check out the datasheet of the AD983, I use a lot in my synth. |
|
|
Back to top
|
|
 |
mmagin
Joined: Dec 20, 2015 Posts: 3 Location: SF Bay Area, California
|
Posted: Sun Nov 20, 2016 1:20 pm Post subject:
|
 |
|
Nifty design, and very clean output. (I have no idea whether the Moog imperfection is discernable to the ear.)
Is the 10 bit ADC in the arduino pro mini (atmega328) really sufficient resolution for pitch CV? I guess maybe so once the fine adjustment is set so it is in-tune on both high and low notes? |
|
|
Back to top
|
|
 |
Grumble

Joined: Nov 23, 2015 Posts: 1319 Location: Netherlands
Audio files: 30
|
Posted: Sun Nov 20, 2016 2:04 pm Post subject:
|
 |
|
I do not use that ADC for resolution of the pitch, for that I'm running a serial data thru my synth that represents the midi note and calculate the frequency when needed.
That way I have a very accurate and stable note, but am able to add some pitch with a potentiometer and/or a CV input. |
|
|
Back to top
|
|
 |
mmagin
Joined: Dec 20, 2015 Posts: 3 Location: SF Bay Area, California
|
Posted: Sun Nov 20, 2016 2:27 pm Post subject:
|
 |
|
| Oh, got it, I missed the midi input! |
|
|
Back to top
|
|
 |
cslammy
Joined: Apr 27, 2018 Posts: 206 Location: USA
Audio files: 1
|
Posted: Thu Nov 01, 2018 7:59 am Post subject:
|
 |
|
Very cool use of the AD9833. Great work on this!
You have inspired me to buy some and mess w them, Banggood has them very cheap with free shipping to US.
Thanks, I hadn't heard of this very cool chip before. _________________ Visit my AUDIODIWHY blog and website |
|
|
Back to top
|
|
 |
Grumble

Joined: Nov 23, 2015 Posts: 1319 Location: Netherlands
Audio files: 30
|
Posted: Thu Nov 01, 2018 8:58 am Post subject:
|
 |
|
Yes, the AD9833 is a great little chip, usable for clock generation well in the MHz frequencies as well as sound generator using the sine wave ir triangle wave output.
I even was able to hard sync it! _________________ my synth |
|
|
Back to top
|
|
 |
Grumble

Joined: Nov 23, 2015 Posts: 1319 Location: Netherlands
Audio files: 30
|
Posted: Thu Nov 01, 2018 9:01 am Post subject:
|
 |
|
| L´Andratté wrote: | Hey grumble, I´m total analog guy, and I personally have no use for any midi tracking, still it´s inspiring to see some good stuff as yours.
Btw I plan for my actual synth project using a digital oscillator by electric druid (VCDO).Because it sounds soo good. Nice wavetables and good for drones. With a good vcf and vc delay you enter sitar territory /ramble off
Could you add such a thing (wavetable) easily to your digital oscillator? (as mentioned I´m happily lost with programming) |
In the mean time I built a generator incorporated the wavetables from Electric Druid (with permisdion and converted to 9 bit)
https://youtu.be/qyvAb40cOTY _________________ my synth |
|
|
Back to top
|
|
 |
gabbagabi

Joined: Nov 29, 2008 Posts: 652 Location: Berlin by n8
Audio files: 23
|
Posted: Thu Nov 01, 2018 10:18 am Post subject:
|
 |
|
wow, nice!
one would need superman to stop this grumble-train  |
|
|
Back to top
|
|
 |
cslammy
Joined: Apr 27, 2018 Posts: 206 Location: USA
Audio files: 1
|
Posted: Thu Nov 01, 2018 10:22 am Post subject:
|
 |
|
| g.gabba wrote: | wow, nice!
one would need superman to stop this grumble-train  |
Indded!
Grumble for President!
I got a sample of the MAX260 coming, another Grumblechip I hadn't heard of.
Grumble on, Wayne!
Grumble on, Garth! _________________ Visit my AUDIODIWHY blog and website |
|
|
Back to top
|
|
 |
Grumble

Joined: Nov 23, 2015 Posts: 1319 Location: Netherlands
Audio files: 30
|
Posted: Thu Nov 01, 2018 11:51 am Post subject:
|
 |
|
If you would like to I can help you a bit with programming the max260.
Just pm me if you would like that. _________________ my synth |
|
|
Back to top
|
|
 |
cslammy
Joined: Apr 27, 2018 Posts: 206 Location: USA
Audio files: 1
|
Posted: Thu Nov 01, 2018 12:16 pm Post subject:
|
 |
|
| Grumble wrote: | If you would like to I can help you a bit with programming the max260.
Just pm me if you would like that. |
Will do. I could learn a lot from you! _________________ Visit my AUDIODIWHY blog and website |
|
|
Back to top
|
|
 |
ixtern
Joined: Jun 25, 2018 Posts: 145 Location: Poland
|
Posted: Fri Nov 02, 2018 5:40 am Post subject:
|
 |
|
| Grumble wrote: | | The SAW module is finished. |
It's amazing how fast are you going from a concept to the finished product. You are an excellent source of great electro-music ideas Thanks! |
|
|
Back to top
|
|
 |
|