| Author |
Message |
alanwilder81
Joined: Sep 03, 2016 Posts: 310 Location: italy
|
Posted: Wed Dec 28, 2016 3:10 pm Post subject:
Yusynth ARP 4072 filter clone Subject description: let's share thoughts |
 |
|
hello folks.
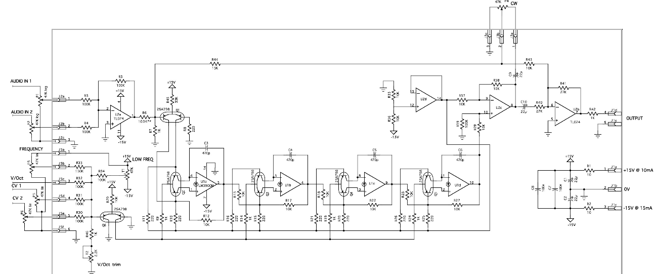
First and foremost, a warm thanks to Yves Usson for designing and sharing with us an excellent sounding ARP 4072 filter clone !
I've recently built myself one, and despite it needing some tweaking and fine tuning here and there, i must admit it already sounds damn good !
I would like to share with you chaps,your experiences,feelings,measurements and possibily sound samples of the 4072 filter module you built.
Feel free to add any material regarding this awesome reissue, and also some opininons on the resonance bleed through i've read about, but not sure what it really is.
thanks !  |
|
|
Back to top
|
|
 |
LFLab
Joined: Dec 17, 2009 Posts: 497 Location: Rosmalen, Netherlands
|
Posted: Thu Dec 29, 2016 7:42 am Post subject:
|
 |
|
Etched a board for it ages ago, the 2SA798 version, but alas, still need an additional 4 2SA798's so yeah, not gonna happen.
Should do a version with BCM857ds one of these days. |
|
|
Back to top
|
|
 |
alanwilder81
Joined: Sep 03, 2016 Posts: 310 Location: italy
|
Posted: Thu Dec 29, 2016 8:46 am Post subject:
|
 |
|
i used unmatched BC 557 trannies from the same batch, and it seems to do the job. I will have to match the 470 pF caps as well.
does matching really make that difference ?  |
|
|
Back to top
|
|
 |
LFLab
Joined: Dec 17, 2009 Posts: 497 Location: Rosmalen, Netherlands
|
Posted: Thu Dec 29, 2016 11:46 am Post subject:
|
 |
|
Apparently, yes.
Built a minimoog vca, and it doesn't quite work yet, I am blaming not well enough matched transistors
Hopefully that's it, or else I'll need to do further troubleshooting. |
|
|
Back to top
|
|
 |
alanwilder81
Joined: Sep 03, 2016 Posts: 310 Location: italy
|
Posted: Thu Dec 29, 2016 11:52 am Post subject:
|
 |
|
LFlab,
are you using 3046 chips for the moog filter? i bought a bunch of them in smd format, very small, for a future project.
I also want a cute moog LPF to add to my arsenal, even though i am more a Roland or ARP fan for that matter.
i'd love to hear a sound demo of your filter once its done  |
|
|
Back to top
|
|
 |
LFLab
Joined: Dec 17, 2009 Posts: 497 Location: Rosmalen, Netherlands
|
Posted: Thu Dec 29, 2016 1:47 pm Post subject:
|
 |
|
Nope all separate transistors, I did a board for the VCF & VCA of the minimoog, and I removed the VCF section for this iteration.
Back to the ARP VCF, 3046's aren't going to do you much good, only two of the transistors are really matched, and the ARP VCF's needs PNP's rather than the NPN's in the 3046 (I believe 3096 is the PNP variant, yep just checked, and it seems hfa3096 is an active part, thought 3096's were obsolete). |
|
|
Back to top
|
|
 |
alanwilder81
Joined: Sep 03, 2016 Posts: 310 Location: italy
|
Posted: Thu Dec 29, 2016 1:54 pm Post subject:
|
 |
|
well, i used one LM3900 for the ARP filter.the rest of the transistors should be matched pnp BC557.
As for the moog filter, i know that all of the trannies should be matched, especially the top and the bottom pairs.
I gave it a try, once, just for the sake of experimenting,using all unmatched transistors. And yes, it sounded like a moog but it was far from ideal.
took apart the breadboard and never looked back
now that i have the 3046 i can better plan a proper job  |
|
|
Back to top
|
|
 |
alanwilder81
Joined: Sep 03, 2016 Posts: 310 Location: italy
|
|
|
Back to top
|
|
 |
marfoski

Joined: Jan 26, 2011 Posts: 36 Location: Italy
|
Posted: Fri Dec 30, 2016 2:32 am Post subject:
|
 |
|
| alanwilder81 wrote: | i used unmatched BC 557 trannies from the same batch, and it seems to do the job. I will have to match the 470 pF caps as well.
does matching really make that difference ?  |
I made two, both with matched transistors, but one with cheap (and unmatched) 470pF ceramic caps and the other with more expensive and perfectly matched poly caps.
Honestly, they sound pretty identical to my ears. |
|
|
Back to top
|
|
 |
alanwilder81
Joined: Sep 03, 2016 Posts: 310 Location: italy
|
Posted: Fri Dec 30, 2016 5:49 am Post subject:
|
 |
|
thanks marfoski for your contribution !
it's a hell of a filter.no doubt.with or without matching.
my 4072 filter , however, doesnt self oscillate, nor does that of other chaps who built the same project.
Some people talk about bleed through signal .What is that? i am trying to figure it out, especially if it has something to do with the filter not self oscillating !
they say there are some discrepancies between this clone and the original ARP filter resonance wise.  |
|
|
Back to top
|
|
 |
alanwilder81
Joined: Sep 03, 2016 Posts: 310 Location: italy
|
Posted: Fri Dec 30, 2016 5:55 am Post subject:
|
 |
|
by the way i just realized you are located in italy. same as me.sardinian guy here. are you italian ?  |
|
|
Back to top
|
|
 |
marfoski

Joined: Jan 26, 2011 Posts: 36 Location: Italy
|
Posted: Fri Dec 30, 2016 10:42 am Post subject:
|
 |
|
Yes I am italian, from Rome.
The bleedthrough thing has nothing to do with the self-oscillation of the filter.
It's an inherent issue of this circuit: at mid-high resonance levels and low frequency you can hear a faint ghost of the original signal bleeding through. It's easily corrected with a dual gang resonance pot, as clearly explained in this thread:
http://electro-music.com/forum/topic-47802.html
I really don't know why your filter doesn't self oscillate. Both mine oscillate nicely from 2-3 o'clock and with a careful trimming they track with reasonable precision over 4 octaves. Unfortunately I don't have a real ARP filter to compare but read what Yves says in his webpage :
"If you wish to change the range of the resonance potentiometer change the value of R44, increasing its resistance will reduce the resonance range, reducing the resistance will increase the auto-oscillating behaviour at maximum resonance. If you wish to keep the original ARP resonance behaviour suppress R43"
Hope this helps!
Ciao |
|
|
Back to top
|
|
 |
alanwilder81
Joined: Sep 03, 2016 Posts: 310 Location: italy
|
Posted: Fri Dec 30, 2016 11:23 am Post subject:
|
 |
|
ciao marfoski
grazie per la risposta!e si, sono cagliaritano.
Finalmente conosco un italiano qua.piacere mio.
so, back to the ARP filter. You helped me demistify a bit the signal bleedthrough thing. is that ,in a nutshell, an unfiltered signal that find his way through and sums to the already filtered signal?
i find this technical things very fascinating in all fairness. And there's a lot of talking around the net over tips to fix this wonderful filter.
Mine doesnt produce a clean sine wave at max resonance,assuming it's expected to do so.
Rather, it makes a sort of gritty whistle , very much like on this YouTube video demo at 1:15
https://www.youtube.com/watch?v=B9T9ocrqeIE
I am not quite sure whether or not the ARP self oscillating filter is supposed to sound like, say, that of the minimoog, that sound a lot like a flute. In both my filter and in that of the YouTube demo, the self oscillation is far from smooth and clean.
i am curious to compare our feelings to get the most out of this excellent piece of analog beauty !
thanks
simone  |
|
|
Back to top
|
|
 |
alanwilder81
Joined: Sep 03, 2016 Posts: 310 Location: italy
|
Posted: Fri Dec 30, 2016 11:58 am Post subject:
|
 |
|
to marfoski,
wanted to add that i haven't matched the BC557 's. Probably a better responde could be had when matching them.
Also, what are the symptoms of signal bleedthrough by the way?
cheers  |
|
|
Back to top
|
|
 |
marfoski

Joined: Jan 26, 2011 Posts: 36 Location: Italy
|
Posted: Fri Dec 30, 2016 10:14 pm Post subject:
|
 |
|
Ciao Simone, io sono Marco.
As I said, the bleedthrough symptoms are obvious: at low cutoff AND high resonance the unfiltered signal can be faintly heard. This annoying behavior is the side effect of the feedback path (R44) used to compensate the typical loss of volume at high resonance that ladder filters exhibit (ARP and Moog likewise).
As Yves said, if you wish to revert to the original all you have to do is remove R44: no bleedthrough but the notorious volume loss is back. The dual gang pot mod gives you the best of both worlds (come diremmo noi salva capra e cavoli).
You have definitely to match the trannies. They cost peanuts and the matching is an easy task, especially with those chinese components testers they sell by the pound on ebay. Otherwise there are plenty of instructions here on electro-music or elsewhere.
The filter, judging by ear, DOES sound like the ARP. There are several comparisons on youtube, you can judge it by yourself (you can search even for STG Post-Lawsuit Filter, which is exactly the same circuit as Yusynth's).
Have fun! It's an amazing filter. |
|
|
Back to top
|
|
 |
|