| Author |
Message |
Derop
Joined: Apr 10, 2017 Posts: 8 Location: greece
|
Posted: Mon Apr 10, 2017 3:41 pm Post subject:
CD4017 ic 16step seq troubleshooting...need help Subject description: sequencer is working....but each step outputs in "double"...sound more like an echo |
 |
|
Hello community!!
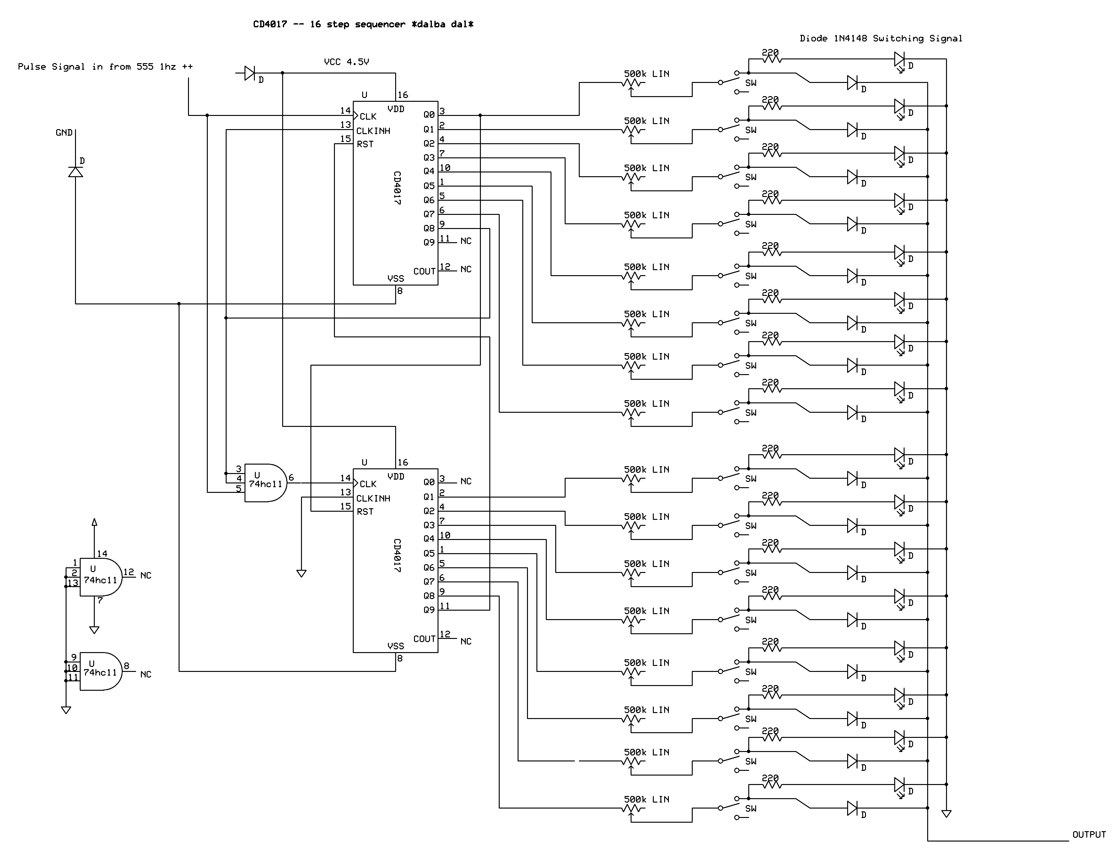
Long story, short. I made a 16 step seq, used two 4017 ic's and a TLC555 as clock. The two 4017 counter are cascaded as datasheet prompts to. My "touch" was that i used only "7" outputs including "0" (bad idea??) for the first 8 steps and output number "8" as a trigger to "activate" the second 4017 via AND gate. The second 4017 starts from output number "1" to "8" ("0" not used)...and "9"as reset to first 4017. And of course i included a diod for each output. So far so good? The result is, that my seq produces multiple steps at the same time i guess, more like a delay. Yes...it goes as it should, each step at a time without jumping and crewing it up (couple of burned leds)...but as soon i connect it to a CV input...i can hear this "echo" thing. I cant really explain what it does, but its not normal. I uploaded a video to show you. Please help!!!
here is a video so you can understand https://www.youtube.com/watch?v=CxajOQyK0xw |
|
|
Back to top
|
|
 |
elmegil

Joined: Mar 20, 2012 Posts: 2179 Location: Chicago
Audio files: 16
|
Posted: Tue Apr 11, 2017 5:17 pm Post subject:
|
 |
|
So the logic should be that only one 4017 is enabled at a time. It sounds to me like you have them both enabled at least part of the time.
If you dig around on this forum, I'm pretty sure there are other discussions of how you can cascade two chips. I didn't pay attention at the time it went by because I wasn't interested, but give it a search and see what you can find. |
|
|
Back to top
|
|
 |
Derop
Joined: Apr 10, 2017 Posts: 8 Location: greece
|
|
|
Back to top
|
|
 |
Derop
Joined: Apr 10, 2017 Posts: 8 Location: greece
|
Posted: Fri Apr 14, 2017 3:23 pm Post subject:
|
 |
|
| elmegil wrote: | So the logic should be that only one 4017 is enabled at a time. It sounds to me like you have them both enabled at least part of the time.
If you dig around on this forum, I'm pretty sure there are other discussions of how you can cascade two chips. I didn't pay attention at the time it went by because I wasn't interested, but give it a search and see what you can find. |
But i cascaded them as datasheet told to...hmmm...cant figure it out |
|
|
Back to top
|
|
 |
AlanP
Joined: Mar 11, 2014 Posts: 746 Location: New Zealand
Audio files: 41
|
Posted: Sat Apr 15, 2017 1:56 pm Post subject:
|
 |
|
Put a 100K pulldown on pin 13 on the first 4017. 10K might be better.
My guess is that the pin is floating. |
|
|
Back to top
|
|
 |
blue hell
Site Admin

Joined: Apr 03, 2004 Posts: 24623 Location: The Netherlands, Enschede
Audio files: 317
G2 patch files: 320
|
Posted: Sat Apr 15, 2017 2:10 pm Post subject:
|
 |
|
So .. if I get it right .. the LEDs seem to work properly but there is an issue with the CV outputs?
What are the diodes in the power supply lines good for? those could be messing with the voltage I guess.
(sorry, I did see the movie, but that did not make it clear to me) _________________ Jan
also .. could someone please turn down the thermostat a bit.
 |
|
|
Back to top
|
|
 |
Derop
Joined: Apr 10, 2017 Posts: 8 Location: greece
|
Posted: Sat Apr 15, 2017 3:45 pm Post subject:
|
 |
|
| Blue Hell wrote: | | So .. if I get it right .. the LEDs seem to work properly but there is an issue with the CV outputs? |
Thats right.
| Blue Hell wrote: |
What are the diodes in the power supply lines good for? those could be messing with the voltage I guess.
(sorry, I did see the movie, but that did not make it clear to me) |
the diods are the same as the other one i use in this project. Those two diods on +v and GND are for blocking the 555 from the other components...without them i could hear square wave generated by 555. Atleast it seemed so. But there is no differnce without them. I will try what "AlanP" suggested.
In this vid you can hear one output...and this "double trigger"
https://www.youtube.com/watch?v=32Ganhh5C8I |
|
|
Back to top
|
|
 |
Grumble

Joined: Nov 23, 2015 Posts: 1320 Location: Netherlands
Audio files: 30
|
Posted: Sat Apr 15, 2017 4:03 pm Post subject:
|
 |
|
1st thing I would do is replace the 220 ohm resistors by 1k, and then the 500k potmeters? Just turn them slightly and the Leds stay out.
http://tinyurl.com/mdsouqx |
|
|
Back to top
|
|
 |
PHOBoS

Joined: Jan 14, 2010 Posts: 5935 Location: Moon Base
Audio files: 709
|
Posted: Sun Apr 16, 2017 4:54 pm Post subject:
|
 |
|
| AlanP wrote: | Put a 100K pulldown on pin 13 on the first 4017. 10K might be better.
My guess is that the pin is floating. |
Pin 13 is connected to an output so should work ok without a resistor.
I don't know what is causing your problem but I would change the output section myself. Connect the switch directly to the outputs
and the LEDs directly to the switch. You won't have a variation in brightness anymore but I think that at the moment the LEDs interfere
with the voltage and might be a cause. edit: didn't notice the link in the post above me, yeah like that
Then the pots; I don't what you are using it for at the moment, but usually you connect them as a voltage divider so the other lug connected
to GND. At the moment you are actually controlling the current which, depending on what is connected to it, changes the voltage.
I like the sound in the first video, even if it isn't working quite as you intended yet. _________________ "My perf, it's full of holes!"
http://phobos.000space.com/
SoundCloud BandCamp MixCloud Stickney Synthyards Captain Collider Twitch YouTube |
|
|
Back to top
|
|
 |
|