| Author |
Message |
wvanderveen
Joined: Dec 01, 2018 Posts: 5 Location: United States
|
Posted: Sat Dec 01, 2018 6:34 pm Post subject:
Trouble Shooting my VCA-1 Subject description: Built two successfully, last one giving me fits |
 |
|
Hi all,
I am new to the forum and somewhat newish to DIY synth, but I've heard great things about Thomas Henry's designs so I decided to give the VCA-1 a shot. I built two of them that work just fine, but number three is giving me some troubles. Do these symptoms sound familiar to anyone? Thanks for any insight!
For some reason, no signals plugged into the inputs make any noise, except in the case of inputting a pulse wave and setting the initial gain to just the right spot - then suddenly the pulse wave (and no other type of wave) will pass through. If I plug said square wave into a CV input, a ton of audible noise bleeds through.
I have gone to town with my multimeter, probing everything, and swapped out the TL071 and TL072 with known good chips, and the behavior hasn't changed at all. I have done a side by side comparison with a known good example of the entire module and can't tell what's different/wrong.
One other thing - when probing I realized that I hadn't soldered in the ground connections to pin 3 of the TL071 or pin 5 of the TL072. I swapped the ICs after correcting the problem, but is it possible that powering the modules without those connections may have blown a diode, transistor, or the OTA?
I'm normally the self sufficient type, but I've tried everything (and searched all the relevant threads on this forum) and I'm at the end of my rope. Any help is very much appreciated!
Best,
-Wesley
EDIT: Link to VCA-1 Page: https://www.birthofasynth.com/Thomas_Henry/Pages/VCA-1.html Last edited by wvanderveen on Sun Dec 02, 2018 2:13 am; edited 2 times in total |
|
|
Back to top
|
|
 |
gabbagabi

Joined: Nov 29, 2008 Posts: 652 Location: Berlin by n8
Audio files: 23
|
Posted: Sun Dec 02, 2018 1:16 am Post subject:
|
 |
|
Hello wvanderveen, and to the forum
let me quote here our forum-member Grumble:
"You will notice that if you add (at least) a link to the schematics of the module concerning your question, that you get more ánd a better response to your question."
cu, gabbagabi |
|
|
Back to top
|
|
 |
wvanderveen
Joined: Dec 01, 2018 Posts: 5 Location: United States
|
Posted: Sun Dec 02, 2018 2:15 am Post subject:
|
 |
|
| Apologies - edited ^__^ |
|
|
Back to top
|
|
 |
wvanderveen
Joined: Dec 01, 2018 Posts: 5 Location: United States
|
Posted: Thu Dec 27, 2018 7:43 pm Post subject:
|
 |
|
Hi all,
I still haven't been able to resolve this issue, but I bought an oscilloscope and began probing my circuit, and comparing my working VCA to my non-working VCA.
I probed along the signal path and determined where the signal is present in the working unit, but absent in the broken unit. Unfortunately, everything looks to be wired correctly so I am confused by this result. Can anyone take a look at the attached layout diagram and let me know if you can think of a reason why I would be seeing this issue?
Thanks very much,
-Wesley
 |
|
|
Back to top
|
|
 |
gabbagabi

Joined: Nov 29, 2008 Posts: 652 Location: Berlin by n8
Audio files: 23
|
Posted: Fri Dec 28, 2018 2:45 am Post subject:
|
 |
|
sorry for asking the obvious,
but did u tested if the 13700 chip of the non-working-build is working in the working-build? or is it already burned? |
|
|
Back to top
|
|
 |
wvanderveen
Joined: Dec 01, 2018 Posts: 5 Location: United States
|
Posted: Sun Dec 30, 2018 6:37 pm Post subject:
|
 |
|
| g.gabba wrote: | sorry for asking the obvious,
but did u tested if the 13700 chip of the non-working-build is working in the working-build? or is it already burned? |
Thanks for the reply. I just fired up the test rig again and confirmed that the 13700 isn't the problem. I swapped the chips between the working and broken units. Working one still works, broken one is still broken. Both chips are confirmed working, and I have also swapped the op amps. I think it must be something else.
I'm just not sure what kind of issue would cause the signal not to appear in that TL072 output, when the op amp is known good, and the chip going into it is known good. I can't wait to crack this mystery though, so I can go on to build more stuff! |
|
|
Back to top
|
|
 |
gabbagabi

Joined: Nov 29, 2008 Posts: 652 Location: Berlin by n8
Audio files: 23
|
Posted: Mon Dec 31, 2018 1:24 am Post subject:
|
 |
|
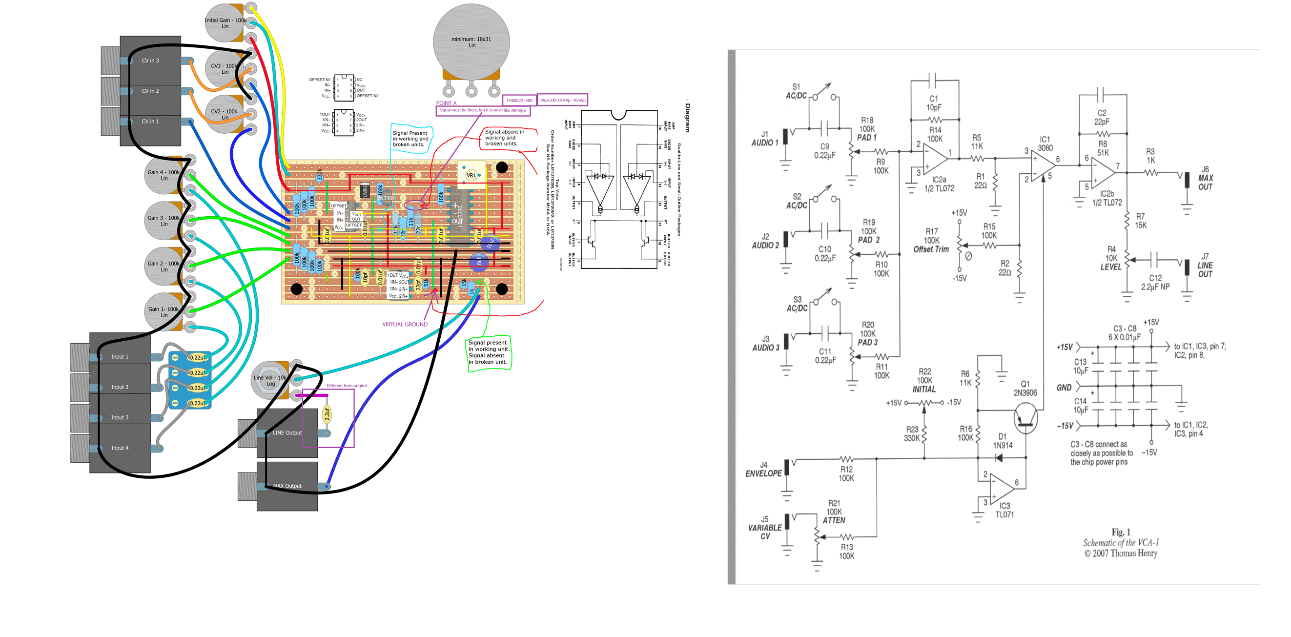
i modified the pic a bit
there where u wrote signal is absent, the signal should be present, but with very low amplitude, cos it is divided down very much (11.000 ohm : 22 ohm)
there where i wrote virtual ground, u could lift the green bridge, so that is not connectet to the TL072 anymore, and measure if something is there
that means u have controlled the input and the output of the 13700,
if something goes in but nothing out,
and the 13700 is tested and working,
u could concentrate ur search on the CV circuit around IC3
(classic would be diode or transistor soldered the wrong way)
| Description: |
|
| Filesize: |
309.85 KB |
| Viewed: |
483 Time(s) |
| This image has been reduced to fit the page. Click on it to enlarge. |

|
|
|
|
Back to top
|
|
 |
wvanderveen
Joined: Dec 01, 2018 Posts: 5 Location: United States
|
Posted: Mon Dec 31, 2018 2:38 am Post subject:
|
 |
|
| g.gabba wrote: |
that means u have controlled the input and the output of the 13700,
if something goes in but nothing out,
and the 13700 is tested and working,
u could concentrate ur search on the CV circuit around IC3
(classic would be diode or transistor soldered the wrong way) |
G.gabba:
This is great feedback, thank you so much for taking the time to look at this and send back a diagram. Those are some great new angles to attack this problem from. It certainly didn't occur to me to break the path to virtual ground so I can check the output from the OTA.
The place where you marked "Different from original" - you are indeed correct. I was under the impression that switching those pins on the pot would make no difference, but I could definitely be wrong. I'll swap them and give it a shot.
Again, thank you so much for putting your time and effort into helping me. Hopefully my next post will be a victory dance!
Best,
-Wes |
|
|
Back to top
|
|
 |
|