electro-music.com   Dedicated to experimental electro-acoustic
and electronic music
 
    Front Page  |  Radio
 |  Media  |  Forum  |  Wiki  |  Links
Forum with support of Syndicator RSS
 FAQFAQ   CalendarCalendar   SearchSearch   MemberlistMemberlist   UsergroupsUsergroups   LinksLinks
 RegisterRegister   ProfileProfile   Log in to check your private messagesLog in to check your private messages   Log inLog in  Chat RoomChat Room 
go to the radio page Live at electro-music.com radio 1 Please visit the chat
  host / artist show at your time
today> Modulator ESP Adventures In Sound
 Forum index » DIY Hardware and Software » Circuit Bending
Yamaha PSS140 Volume Control
Post new topic   Reply to topic Moderators: dnny, v-un-v
Page 1 of 1 [4 Posts]
View unread posts
View new posts in the last week
Mark the topic unread :: View previous topic :: View next topic
Author Message
CHRISKELLY



Joined: Apr 08, 2018
Posts: 103
Location: England
Audio files: 3

PostPosted: Mon May 06, 2019 11:26 am    Post subject: Yamaha PSS140 Volume Control Reply with quote  Mark this post and the followings unread

I've been tinkering with a Yamaha PSS140 lately. The volume buttons act as a kind of Bit-Crush where as the sound gets quieter it gets grainier and more lo-fi. There are 11 steps from max volume to silence.

It'd be nice to find a way to boost the actual overall volume while simultaneously reducing the volume on the keyboard, so that lowering volume becomes increasing the bit- crush effect.

So far I can only raise/lower volume using button presses. My idea is to be able to press a button which not only shifts the volume but also changes the resistance on an opamp' feedback loop, so that each of the steps has its own gain level to keep the overall volume fairly constant.

(Hope that makes sense?!)

Assuming i can find momentary buttons with two poles then i was thinking 1 pole could interact with the volume circuitryon the keyboard and the other interacts with some kind of analog switch like a 4051 which could have 10 outputs, each with a different resistor to alter the opamp gain. I wondered if each button press could advance a binary counter which in turn moves the 4051's output.

The thing is - how can 2 separate push buttons move a binary counter both forwards (count up) and backwards (count down)?

Not sure if this idea is even possible. The more i think about it the more it seems to just need a micro-controller to achieve this.

Any ideas would be appreciated!
Back to top
View user's profile Send private message
gabbagabi



Joined: Nov 29, 2008
Posts: 652
Location: Berlin by n8
Audio files: 23

PostPosted: Mon May 06, 2019 12:03 pm    Post subject: Reply with quote  Mark this post and the followings unread

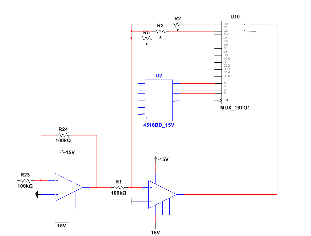
as iam not the digital hero,
but every idea is welcome,
i throw this in:
cd4516 as up-and-down counter and cd4067 in the opamp feedback loop,
as cmos is working with positive voltage, the 4067 should be placed in the feedback of the second opamp from a pair of inverters

as u already mentioned a little µProcessor and 4 line of code could be more elegant as the 4516

good luck in any case


klsgnkalöhd.png
 Description:
 Filesize:  33.5 KB
 Viewed:  409 Time(s)
This image has been reduced to fit the page. Click on it to enlarge.

klsgnkalöhd.png


Back to top
View user's profile Send private message
CHRISKELLY



Joined: Apr 08, 2018
Posts: 103
Location: England
Audio files: 3

PostPosted: Mon May 06, 2019 12:48 pm    Post subject: Reply with quote  Mark this post and the followings unread

Wow, thank you Very Happy

That's what I had in mind - but I hadn't heard of the 4516 before.

If the push-button can send a one-shot pulse to the direction input and the counter clock then this should work!

Thanks again
Back to top
View user's profile Send private message
blue hell
Site Admin


Joined: Apr 03, 2004
Posts: 24676
Location: The Netherlands, Enschede
Audio files: 330
G2 patch files: 320

PostPosted: Mon May 06, 2019 1:28 pm    Post subject: Reply with quote  Mark this post and the followings unread

Or .. maybe a guitar compressor?
_________________
Jan
also .. could someone please turn down the thermostat a bit.
Posted Image, might have been reduced in size. Click Image to view fullscreen.
9 3 4 .. erm .. not 13 then? .. hmm, ah eight! .. yeah yeah as in 8647 .. 47 is an 88 .. pwew .. numbles!
Back to top
View user's profile Send private message Visit poster's website
Display posts from previous:   
Post new topic   Reply to topic Moderators: dnny, v-un-v
Page 1 of 1 [4 Posts]
View unread posts
View new posts in the last week
Mark the topic unread :: View previous topic :: View next topic
 Forum index » DIY Hardware and Software » Circuit Bending
Jump to:  

You cannot post new topics in this forum
You cannot reply to topics in this forum
You cannot edit your posts in this forum
You cannot delete your posts in this forum
You cannot vote in polls in this forum
You cannot attach files in this forum
You can download files in this forum


Forum with support of Syndicator RSS
Powered by phpBB © 2001, 2005 phpBB Group
Copyright © 2003 through 2009 by electro-music.com - Conditions Of Use