| Author |
Message |
Grumble

Joined: Nov 23, 2015 Posts: 1319 Location: Netherlands
Audio files: 30
|
|
|
Back to top
|
|
 |
gabbagabi

Joined: Nov 29, 2008 Posts: 652 Location: Berlin by n8
Audio files: 23
|
Posted: Wed Dec 06, 2017 6:13 am Post subject:
|
 |
|
nice!
and well done like always.
For what and where i have to search for these beautifull sliders u use?
cheers, gabba |
|
|
Back to top
|
|
 |
Grumble

Joined: Nov 23, 2015 Posts: 1319 Location: Netherlands
Audio files: 30
|
Posted: Thu Dec 07, 2017 12:30 am Post subject:
|
 |
|
Thank You, and this is only the first part.
Next will be the 4 position switches for the gate modes (no gate, a gate for every step, one gate at the start of the repetitions per channel, and a long gate covering all the repetitions in one channel). And the on/off switches for the glide.
After that more controls and outputs, still not sure what right now.
I bought the sliders HERE but I have noticed that they are not the best quality, one failed while soldered to the perfboard so it's best to test them before mounting. _________________ my synth |
|
|
Back to top
|
|
 |
gabbagabi

Joined: Nov 29, 2008 Posts: 652 Location: Berlin by n8
Audio files: 23
|
Posted: Thu Dec 07, 2017 1:33 am Post subject:
|
 |
|
ok, i see .
they are looking better in your video then on alibaba.
the rest sounds like a never-ending-story,
but our whole sdiy is a never-ending-story,
so everyting normal here
 |
|
|
Back to top
|
|
 |
Sebo

Joined: Apr 27, 2007 Posts: 564 Location: Argentina
|
Posted: Fri Dec 08, 2017 11:12 am Post subject:
|
 |
|
Nice, i will follow this post closely  _________________ Sebo
---------------------------------------
My Music:
https://www.facebook.com/cosaquitos/ |
|
|
Back to top
|
|
 |
Grumble

Joined: Nov 23, 2015 Posts: 1319 Location: Netherlands
Audio files: 30
|
Posted: Sat Dec 09, 2017 3:46 am Post subject:
|
 |
|
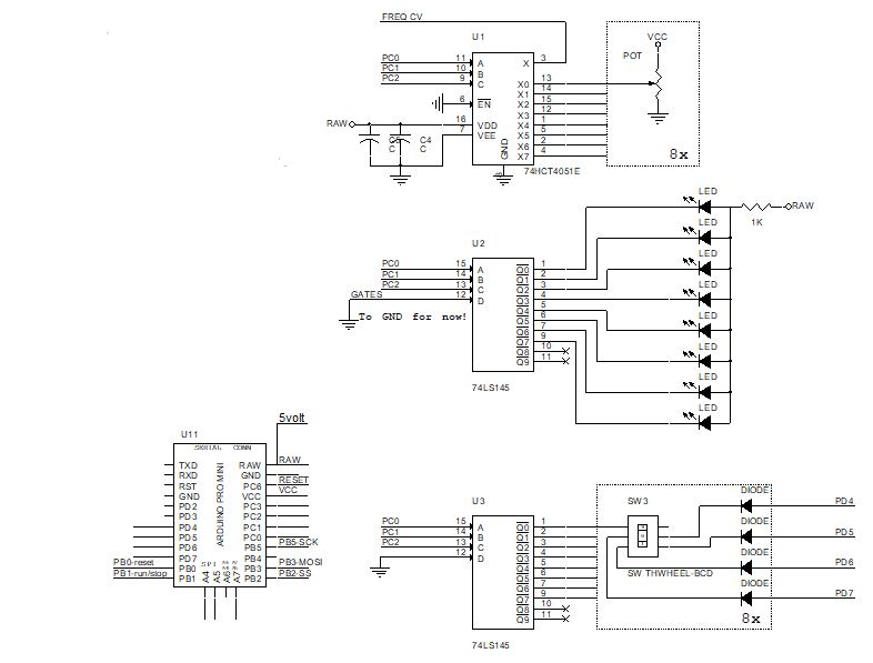
I need a lot more outputs as available on the Arduino I used. Therefore I made this small circuit that gave me an additional 16 digital outputs.
They will be used for gates, LED's etc.
So I connected two 74HC595 in series (the serial in from the first 74HC595 is connected to the MOSI of the Arduino, while its serial output goes to the serial input of the second one).
The program settings in the Arduino code for this circuit are:
DDRB = (1<<DDB2)|(1<<DDB3)|(1<<DDB5);
// PB5 (SCK) = Out
// PB3 (MOSI) = Out
// PB2 (~SS) = Out
// SPI MODE 0 -Init
SPCR = (1<<SPE) // SPI enable
|(1<<MSTR) //master mode
|(0<<CPOL) //setup faling
|(0<<CPHA) //sample rising
|(0<<SPR0)
|(0<<SPR1);//Fosc div. 4
SPSR = (1<<SPI2X); //Double speed bit
Writing to the 74HC595 goes like this:
void send_to_parallel (uint8_t byte_one, uint8_t byte_two)
{
PORTB&=~(1<<PB2); // drive SS low
SPDR = (byte_one); // send Byte
while ( !(SPSR & (1<<SPIF))) {};// ready?
SPDR = (byte_two); // send next Byte
while ( !(SPSR & (1<<SPIF))) {};// ready?
PORTB|=(1<<PB2); // drive SS high again
}
and for the timing diagram I used:
while (1)
{
for (n=0;n<8;n++)
send_to_parallel(n,n);
}
As you can see in the timing picture it takes about 4.7 uSec to write a 16 bit word to this circuit, not too bad.
But: I have placed the 74HC595 close to the Arduino and have a 100NF cap close to the power connections of these chips.
Now I have used 2 74HC595's in this circuit, but you may add as much as you need, you just have to add more data to be sent.
| Description: |
| Schematics for the to parallel section |
|
| Filesize: |
45.01 KB |
| Viewed: |
798 Time(s) |
| This image has been reduced to fit the page. Click on it to enlarge. |

|
| Description: |
| Timing measured with Saleae Logic 1.1.15 (at 24MHz, 5M Samples) |
|
| Filesize: |
136.19 KB |
| Viewed: |
834 Time(s) |
| This image has been reduced to fit the page. Click on it to enlarge. |

|
_________________ my synth |
|
|
Back to top
|
|
 |
Grumble

Joined: Nov 23, 2015 Posts: 1319 Location: Netherlands
Audio files: 30
|
|
|
Back to top
|
|
 |
Grumble

Joined: Nov 23, 2015 Posts: 1319 Location: Netherlands
Audio files: 30
|
|
|
Back to top
|
|
 |
Grumble

Joined: Nov 23, 2015 Posts: 1319 Location: Netherlands
Audio files: 30
|
|
|
Back to top
|
|
 |
blue hell
Site Admin

Joined: Apr 03, 2004 Posts: 24500 Location: The Netherlands, Enschede
Audio files: 298
G2 patch files: 320
|
Posted: Wed Apr 29, 2020 2:54 pm Post subject:
|
 |
|
Righto .. so why did it take me over two years to pick up on these ideas
Not to mention that the original ... was even longer ago
Anyways .. it is very nice! (and am implementing some of it now)  _________________ Jan
also .. could someone please turn down the thermostat a bit.
 |
|
|
Back to top
|
|
 |
Alfredo
Joined: Nov 20, 2008 Posts: 52 Location: Spain
|
Posted: Tue Dec 01, 2020 12:03 pm Post subject:
1984 sequencer |
 |
|
Fantastic work Grumble, congratulations! I'm following this post from time to time, any progress? Will be very happy to build one if you share the project!
Best regards! |
|
|
Back to top
|
|
 |
|