electro-music.com   Dedicated to experimental electro-acoustic
and electronic music
 
    Front Page  |  Radio
 |  Media  |  Forum  |  Wiki  |  Links
Forum with support of Syndicator RSS
 FAQFAQ   CalendarCalendar   SearchSearch   MemberlistMemberlist   UsergroupsUsergroups   LinksLinks
 RegisterRegister   ProfileProfile   Log in to check your private messagesLog in to check your private messages   Log inLog in  Chat RoomChat Room 
go to the radio page Live at electro-music.com radio 1 Please visit the chat
poster
 Forum index » DIY Hardware and Software
shift register sequencer - buffer/voltage divider question
Post new topic   Reply to topic Moderators: jksuperstar, Scott Stites, Uncle Krunkus
Page 1 of 1 [2 Posts]
View unread posts
View new posts in the last week
Mark the topic unread :: View previous topic :: View next topic
Author Message
artilect99



Joined: Oct 01, 2018
Posts: 51
Location: USA

PostPosted: Mon Sep 19, 2022 9:23 pm    Post subject: shift register sequencer - buffer/voltage divider question Reply with quote  Mark this post and the followings unread

Hi all,
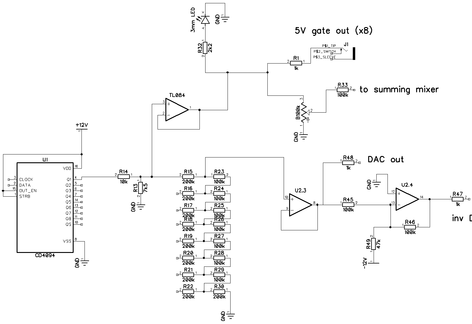
I am building a CGS gated comparator-style shift register sequencer using CD4094. The GC uses a standard NPN transistor buffer output arrangement with a voltage divider to reduce it to ~5v gates, along with a resistor driving an LED. The standard KLEE-type mod is to then run the gates through passive attenuators, which then get summed by an op-amp to a CV out.

However I noticed that when using the individual gate outs, the summed CV out would sag. So for my version I wanted to switch to op-amp buffers instead of transistors, and put the voltage dividers before the buffer instead of after so they're isolated from the load.

I also want to retain the R2R ladder DAC output of the original, which on Ken's circuit takes its inputs straight off the shift register.

So my question is, would the schematic shown below accomplish this? Will it cause problems to divide down the shift register outputs BEFORE going to the R2R? (I imagine the DAC would be more precise with the full 12v, but then the output is 0-12v and will have to get scaled down quite a bit eg for melodic sequences...)

Will the resistor values chosen for the voltage dividers interact with the R2R in some unexpected way? (I also noticed Ken has his R2R grounded at both ends... I wonder why?)

I just want to settle on the optimum arrangement before I start doing the layout.

Any help/insight on this would be appreciated, as well as any general comments about the circuit. Thanks!


gated comparator.png
 Description:
original buffers
 Filesize:  40.19 KB
 Viewed:  2294 Time(s)

gated comparator.png



current output arrangement.png
 Description:
arrangement I'm considering
 Filesize:  33.74 KB
 Viewed:  193 Time(s)
This image has been reduced to fit the page. Click on it to enlarge.

current output arrangement.png


Back to top
View user's profile Send private message
mskala



Joined: Sep 21, 2017
Posts: 10
Location: Toronto
Audio files: 1

PostPosted: Fri Sep 23, 2022 1:48 pm    Post subject: Reply with quote  Mark this post and the followings unread

Seems to me it would be better to attach the R-2R network to the outputs of the buffers. I realize you're trying to "isolate" the gate output jacks from the R-2R network, but the voltage divider's 4.3kΩ output impedance is going to interact with the R-2R network, and although that may not be a big deal if it's consistent, you could remove doubt by connecting the op amp's very low output impedance instead. Because the op amp has low output impedance, it provides isolation even between two things that are both connected to its output. Changing loads on the op amp output will change its current without changing its voltage and so shouldn't affect other loads that are watching the voltage, up to the limits of the op amp's current-driving capability; and the 1k resistor is providing some isolation, too.


Screenshot_2022-09-23_16-42-37.png
 Description:
 Filesize:  7.53 KB
 Viewed:  2159 Time(s)

Screenshot_2022-09-23_16-42-37.png



_________________
North Coast Synthesis Ltd.
Twitch stream, Mondays 6pm Eastern
Back to top
View user's profile Send private message Send e-mail
Display posts from previous:   
Post new topic   Reply to topic Moderators: jksuperstar, Scott Stites, Uncle Krunkus
Page 1 of 1 [2 Posts]
View unread posts
View new posts in the last week
Mark the topic unread :: View previous topic :: View next topic
 Forum index » DIY Hardware and Software
Jump to:  

You cannot post new topics in this forum
You cannot reply to topics in this forum
You cannot edit your posts in this forum
You cannot delete your posts in this forum
You cannot vote in polls in this forum
You cannot attach files in this forum
You can download files in this forum


Forum with support of Syndicator RSS
Powered by phpBB © 2001, 2005 phpBB Group
Copyright © 2003 through 2009 by electro-music.com - Conditions Of Use