electro-music.com   Dedicated to experimental electro-acoustic
and electronic music
 
    Front Page  |  Radio
 |  Media  |  Forum  |  Wiki  |  Links
Forum with support of Syndicator RSS
 FAQFAQ   CalendarCalendar   SearchSearch   MemberlistMemberlist   UsergroupsUsergroups   LinksLinks
 RegisterRegister   ProfileProfile   Log in to check your private messagesLog in to check your private messages   Log inLog in  Chat RoomChat Room 
 Forum index » DIY Hardware and Software » YuSynth
Minimoog filter - Yusynth/René Schmitz differences
Post new topic   Reply to topic Moderators: Scott Stites
Page 1 of 1 [2 Posts]
View unread posts
View new posts in the last week
Mark the topic unread :: View previous topic :: View next topic
Author Message
Mick Bailey



Joined: Jan 07, 2010
Posts: 15
Location: England

PostPosted: Thu Feb 17, 2022 8:36 am    Post subject: Minimoog filter - Yusynth/René Schmitz differences Reply with quote  Mark this post and the followings unread

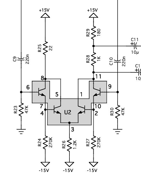
Looking at the two schematics there's a considerable difference in resistor choice for the output amplifier - especially the size of R25 in the Yusynth build (22R) and the same resistor marked R6 (1K3) in the René Schmitz circuit. Given the other resistor value changes in this section, are there any differences in how the filter sounds? In particular, does the emphasis control behave differently?

I've heard plenty of Yusynth clips and have this circuit in my own modular, but can't find any clips of the René Schmitz version.

UPDATE: I've just changed my Yusynth output amp to match the René Schmitz values as an experiment. There's no change to the filter cutoff (or at least, I can't hear any difference), but the real change is in how the emphasis control works - I now have a much broader spread of useful range with the control than I had before. It fixed a problem I had with the filter oscillating only within a knife-edge range of rotation, beyond which the volume dropped dramatically (almost to zero). I now get a nice graduation and with the emphasis control at maximum I don't get the sudden volume drop. I double-checked my component values just to be certain I hadn't originally got some wrong parts in there, but all was OK.


rsmoog_scaled.png
 Description:
 Filesize:  53.67 KB
 Viewed:  2397 Time(s)

rsmoog_scaled.png



Moogfilter-sch.jpg
 Description:
 Filesize:  80.4 KB
 Viewed:  191 Time(s)
This image has been reduced to fit the page. Click on it to enlarge.

Moogfilter-sch.jpg


Back to top
View user's profile Send private message
Benjamin AM



Joined: Nov 04, 2010
Posts: 83
Location: Boise

PostPosted: Wed Feb 22, 2023 6:36 am    Post subject: Reply with quote  Mark this post and the followings unread

Did you rework the amp to be non inverting or just match Rene’s values?
Back to top
View user's profile Send private message
Display posts from previous:   
Post new topic   Reply to topic Moderators: Scott Stites
Page 1 of 1 [2 Posts]
View unread posts
View new posts in the last week
Mark the topic unread :: View previous topic :: View next topic
 Forum index » DIY Hardware and Software » YuSynth
Jump to:  

You cannot post new topics in this forum
You cannot reply to topics in this forum
You cannot edit your posts in this forum
You cannot delete your posts in this forum
You cannot vote in polls in this forum
You cannot attach files in this forum
You can download files in this forum


Forum with support of Syndicator RSS
Powered by phpBB © 2001, 2005 phpBB Group
Copyright © 2003 through 2009 by electro-music.com - Conditions Of Use