| Author |
Message |
glitched
Joined: Mar 25, 2006 Posts: 80 Location: phila., pa USA
|
Posted: Thu Dec 02, 2010 6:42 pm Post subject:
Re: ARP Odyssey Oscillators |
 |
|
| ericcoleridge wrote: | | Tim Servo wrote: | | Magic Smoke WILL have Ody VCO boards in about two to three months, for those who can wait (huff, puff, pant). I'm currently testing MKI vs. MKII flavors (huff, pant, wheeze) and we'll have them on a nice blue PCB (pant, gasp, wheeze). Along with some other interesting stuff. |
Just wondering what is the status of this Magic Smoke project, and if the Ody VCO will soon be available? Also curious as to what other "interesting stuff" is in the pipe-line? |
I second this. Any word? The VCOs on the Ody are my all-time favorites! In the meantime, stockpiling parts... |
|
|
Back to top
|
|
 |
brother303

Joined: Nov 02, 2010 Posts: 139 Location: ruhr-area/germany
|
Posted: Wed Dec 15, 2010 6:21 am Post subject:
|
 |
|
Hi all,
just started etching a board for this cool project,thanks to Andy for offering this to the diy community.
One question : The circuit works on +/-15V. Is it possible to run it on +/-12V in an eurorack modular? Are any changes required for 12V operation?
Thanks and best regards
Greg |
|
|
Back to top
|
|
 |
brother303

Joined: Nov 02, 2010 Posts: 139 Location: ruhr-area/germany
|
Posted: Thu Dec 16, 2010 3:57 am Post subject:
|
 |
|
Hi again,
| brother303 wrote: | | One question : The circuit works on +/-15V. Is it possible to run it on +/-12V in an eurorack modular? Are any changes required for 12V operation? |
No idea anyone? Pleaze gimme a hint,gentlemen...
Cheers
Greg |
|
|
Back to top
|
|
 |
glitched
Joined: Mar 25, 2006 Posts: 80 Location: phila., pa USA
|
Posted: Thu Dec 23, 2010 7:26 pm Post subject:
|
 |
|
By the way, in addition to brother303's question, I'd like to know the following: If I send the layout to someplace like guitarpcb.com and have it etched, will it come out correctly? That is, is the drawing scaled correctly (100%) and in the proper format? I've neither etched a pcb, nor had anything etched for me, so this is important.
Is the layout "optimized" or do you think it would be better to wait for Magic Smoke or someone to manufacture the board? |
|
|
Back to top
|
|
 |
brother303

Joined: Nov 02, 2010 Posts: 139 Location: ruhr-area/germany
|
Posted: Mon Dec 27, 2010 5:28 am Post subject:
|
 |
|
Hi Glitched,
I sent the layout to a local pcb-service and the pcb came out perfectly!
Give guitarpcb a try and you won`t be dissapointed.
Anyone got an answer on the 12 vs. 15V question?
I can`t believe that no one gave a try on the 12V solution?!?
Pleaze help me out...
Cheers
Greg |
|
|
Back to top
|
|
 |
brother303

Joined: Nov 02, 2010 Posts: 139 Location: ruhr-area/germany
|
Posted: Sun Jan 16, 2011 12:38 pm Post subject:
|
 |
|
Hi all,
vco built - sounds awesome! Especially the sync is absolutely great!!
I build a little +/-15V-psu and placed it inside my modular case next to the 12V supply.
Tempcos from Bridechamber, 2k works very well. Tracking over 4 octaves is perfect,5 octaves possible with 2 cents off,but still ok.
One little quirk - the vcos lock to each other when tuned extremly close together. How to avoid this?
I tried bigger elkos (47uF instead of 10uF),added some 22R resistors to the +/- psu lines and also mounted additional 100nf decoupling caps to the 3086 with no effect.
Any idea how to get rid of this locking-effects?
Thanks and best regards
Greg |
|
|
Back to top
|
|
 |
glitched
Joined: Mar 25, 2006 Posts: 80 Location: phila., pa USA
|
Posted: Sun Jan 16, 2011 1:40 pm Post subject:
|
 |
|
Look at page 1, near the bottom. Looks like it has to do with grounding.
By the way, I can totally make this project now. I went with guitarpcb.com for a small LFO project I found and the boards look great!
I sure wish someone had an answer on the +-12v implementation, though. It's probably just a change in resistors. Any help? I'd love to put this in my eurorack. |
|
|
Back to top
|
|
 |
LektroiD

Joined: Aug 23, 2008 Posts: 1019 Location: Scottish Borders
Audio files: 2
G2 patch files: 2
|
Posted: Sun Jan 16, 2011 10:26 pm Post subject:
|
 |
|
| Boerge wrote: | | AndyR1960 wrote: | This is the schematic for the Dual VCO (MKIII Odyssey), taken from the Service Manual, maybe you're looking at the original MKI Oddy schematics
Andy |
Thank you. I found out over the weekend that the schematic is identical to the ARP Avatar VCO. The only things I have changed are:
2N5910 => I used 2N3906
CA3086 => I used CA3046
I'll try BF245 for the FETs this evening.
regards
Boerge |
I've just looked at the datasheets for the FETs, seems you would need to reverse the orientation if using a BF245. I can't find any data on the 2N5910 though, can a 2N3906 just drop straight in, pin for pin? _________________ LektroiD |
|
|
Back to top
|
|
 |
brother303

Joined: Nov 02, 2010 Posts: 139 Location: ruhr-area/germany
|
Posted: Mon Jan 17, 2011 4:22 am Post subject:
|
 |
|
Hi,
| glitched wrote: | | Look at page 1, near the bottom. Looks like it has to do with grounding. |
Thanks Glitched. It`s always better to read the WHOLE thread BEFORE asking questions...
| glitched wrote: | | By the way, I can totally make this project now. I went with guitarpcb.com for a small LFO project I found and the boards look great! |
Cool! Same here with my local pcb service.
| glitched wrote: | | I sure wish someone had an answer on the +-12v implementation, though. It's probably just a change in resistors. Any help? I'd love to put this in my eurorack. |
Seems like nobody built a 12V version,try out a little 15V one,like this :
http://www.sdiy.de/en/projects/miniPSU/miniPSU-Doku-en.pdf
Perhaps this is ok for you?
Best regards
Greg |
|
|
Back to top
|
|
 |
Sebo

Joined: Apr 27, 2007 Posts: 564 Location: Argentina
|
Posted: Sun Jan 08, 2012 4:00 pm Post subject:
|
 |
|
Hi:
I just built this dual VCO, I didn't calibrated properly yet, but it seem to be working right.
Thank you AndyR1960 for sharing!!!
I think I have an issue, the RingMod out is mounted over a very high DC offset, about 9V, so the signal swings from 6V to 12V.
Is this normal?
I've checked the circuit and all seems to be OK.
Thank you. _________________ Sebo
---------------------------------------
My Music:
https://www.facebook.com/cosaquitos/ |
|
|
Back to top
|
|
 |
Jaba
Joined: Feb 27, 2009 Posts: 48 Location: Genova, Italy
|
Posted: Mon Jan 09, 2012 3:28 am Post subject:
|
 |
|
Hi Sebo,
I built this double VCO board too and, after the usual troubleshooting (I ALWAYS make some mistakes), it works perfectly.
The RingMod output has a strong DC offset in mine too, but from the schematic I would say it's just designed to be so, not an error or a building mistake.
I don't remember the exact amount of DC offset; your '6V to 12V' may well be right. I can measure it tonight and report tomorrow if you like.
All outputs are positive-only; I added output level shifters, but forgot to level-shift this ringmod output, oops!
I modified the board a little in order to have sync input, sync output and LFO option in both oscillators, so that they are now an identical pair; it was easy and worked fine.
This board is just GREAT, tracks well and sounds gorgeous. I am very happy with it. Thank you Andy, thank you ARP, thank you electro.music forum ! |
|
|
Back to top
|
|
 |
Sebo

Joined: Apr 27, 2007 Posts: 564 Location: Argentina
|
Posted: Mon Jan 09, 2012 8:42 am Post subject:
|
 |
|
Hi Jaba:
Thanks for your reply.
I did level shifters for the output too, and when doing them I discover the DC level of the RingMod out.
If that is a normal behaviour, I just made the level shifter according to that, just want to be sure I didn't make a mistake.
Thank you.
Sebo _________________ Sebo
---------------------------------------
My Music:
https://www.facebook.com/cosaquitos/ |
|
|
Back to top
|
|
 |
LetterBeacon
Joined: Mar 18, 2008 Posts: 454 Location: London, UK
|
Posted: Sun Jan 22, 2012 5:38 pm Post subject:
|
 |
|
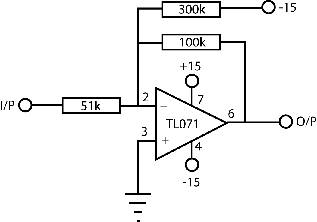
Do you have schematics for the level shifters? I'd be very interested in seeing them.
Thank you. |
|
|
Back to top
|
|
 |
Jaba
Joined: Feb 27, 2009 Posts: 48 Location: Genova, Italy
|
Posted: Mon Jan 23, 2012 6:32 am Post subject:
|
 |
|
Hi,
a schematic for a level shifter circuit was already shown in this thread here:
http://electro-music.com/forum/topic-28604-175.html
this is a direct link to the jpg file:
http://electro-music.com/forum/download.php?id=15822
but if you really want your output to be exactly -5V to +5V, then you'll have to change the resistors' values a bit depending on the actual values of your signals, and maybe on your OpAmps offset error too.
I believe that the values shown were intended for converting a 0 to +5V signal into a -5V to +5V one. |
|
|
Back to top
|
|
 |
LetterBeacon
Joined: Mar 18, 2008 Posts: 454 Location: London, UK
|
Posted: Thu Jan 26, 2012 5:05 am Post subject:
|
 |
|
Ah yes, I'd seen that before. I think I started a layout for that a while back.
Did you use four TL071 for each output or just one TL074? |
|
|
Back to top
|
|
 |
Jaba
Joined: Feb 27, 2009 Posts: 48 Location: Genova, Italy
|
Posted: Thu Jan 26, 2012 3:26 pm Post subject:
|
 |
|
| I used one TL074, but I think it does not make much of a difference |
|
|
Back to top
|
|
 |
Sebo

Joined: Apr 27, 2007 Posts: 564 Location: Argentina
|
Posted: Fri Jan 27, 2012 10:20 am Post subject:
|
 |
|
I used a similar circuit, but used an inverter before each level shifter, for some reason I'm feel better knowing that the outputs have the original phase. _________________ Sebo
---------------------------------------
My Music:
https://www.facebook.com/cosaquitos/ |
|
|
Back to top
|
|
 |
frequencycentral

Joined: May 25, 2008 Posts: 186 Location: UK
|
Posted: Mon Jan 30, 2012 5:25 pm Post subject:
|
 |
|
| AndyR1960 wrote: | | For got the pic... Duh! |
Was there ever a layout posted for the single VCO PCB version? _________________ http://www.frequencycentral.co.uk/ |
|
|
Back to top
|
|
 |
Broadwave

Joined: Feb 16, 2007 Posts: 347 Location: Manchester UK
Audio files: 6
|
Posted: Tue Jan 31, 2012 3:18 am Post subject:
|
 |
|
I've just finished working on single VCO versions of both the MkI and MkII. There's no Ring Mod on board, but they both have seperate 0-10v outputs to feed into the ARP Ring Mod.
The tracking is great on both of them, and I have to admit that the sync on the MKI seems much tighter and more aggressive than the MKII, especially when put through the RM
The MKI is a much simpler design with fewer odd value resistors and no hard to find transistors. I'll get the details up in a few weeks once I'm back from holiday.
I'm currently working on the 2600 VCO - although it's almost identical to the MKII, I've squeezed the triangle and sine wave shapers onto the same Euro rack sized PCB... Sounding great at the moment  _________________ Kronos 2-88, Kronos 61, Studiologic Sledge V2/SL, Broadwave ARP 2600EX, Broadwave 18U ARP based Eurorack Modular, Broadwave Minimoog Clone, GEM S2 Turbo.
Synth DIY Projects
Musical Doodlings |
|
|
Back to top
|
|
 |
LektroiD

Joined: Aug 23, 2008 Posts: 1019 Location: Scottish Borders
Audio files: 2
G2 patch files: 2
|
Posted: Sat Mar 03, 2012 3:35 pm Post subject:
|
 |
|
Would anyone in the UK kindly help me out with a few missing parts?
I just made a huge order from Rapid and stupidly missed these...
680pF x2 (preferably poly, since it's cheaper)
2n5459 x5
2n5910 x2
1.87 TC x2 (I appreciate this one may be difficult to source)
If anyone who's built this has bought excess of some or all of these components, I'd be happy to trade or buy your spares. Preferably from one source to save postage, but I don't mind either way, just as long as I get this up and running. Please PM if you can help out.
There was one question about this though, how to match a PNP with a NPN? And if neither the tempco or transistors are thermally coupled (and therefore not actually doing anything), could this be substituted with a fixed metal film & unmatched transistors?
Many thanks in advance... |
|
|
Back to top
|
|
 |
LektroiD

Joined: Aug 23, 2008 Posts: 1019 Location: Scottish Borders
Audio files: 2
G2 patch files: 2
|
Posted: Sun Mar 04, 2012 11:25 am Post subject:
|
 |
|
I assume nobody has these parts since nobody replied, so I tried the alternatives suggested above:
2N5910 > 2N3906
BF245 > FETs
I used a 470pF (and also tried a 1000pF) in place of the 680pF, as they are the closest I have
...It doesn't work
Not sure which parts I'd be best to swap out, or maybe I should just wait until all the parts I need materialise |
|
|
Back to top
|
|
 |
LetterBeacon
Joined: Mar 18, 2008 Posts: 454 Location: London, UK
|
Posted: Sun Mar 04, 2012 12:57 pm Post subject:
|
 |
|
Hi Lektroid,
I have a few left over bits and bobs from my build, including the elusive 2N5910 that you can have. I'm away from where I keep my electronics bits until next weekend. If you PM me closer to next weekend to remind me, I can have a look through and see what I can dig out. |
|
|
Back to top
|
|
 |
LektroiD

Joined: Aug 23, 2008 Posts: 1019 Location: Scottish Borders
Audio files: 2
G2 patch files: 2
|
Posted: Sun Mar 04, 2012 10:38 pm Post subject:
|
 |
|
| LetterBeacon wrote: | Hi Lektroid,
I have a few left over bits and bobs from my build, including the elusive 2N5910 that you can have. I'm away from where I keep my electronics bits until next weekend. If you PM me closer to next weekend to remind me, I can have a look through and see what I can dig out. |
You are an absolute diamond! I'll happily pay you for whatever you have, and if you won't accept any monetaries, then let me know if there's anything you're needing.. You never know, I may just have it.
I'll give you a little nudge via PM later in the week.
Many thanks  |
|
|
Back to top
|
|
 |
Sebo

Joined: Apr 27, 2007 Posts: 564 Location: Argentina
|
Posted: Mon Mar 05, 2012 10:21 am Post subject:
|
 |
|
| LektroiD wrote: | Would anyone in the UK kindly help me out with a few missing parts?
I just made a huge order from Rapid and stupidly missed these...
680pF x2 (preferably poly, since it's cheaper)
2n5459 x5
2n5910 x2
1.87 TC x2 (I appreciate this one may be difficult to source)
If anyone who's built this has bought excess of some or all of these components, I'd be happy to trade or buy your spares. Preferably from one source to save postage, but I don't mind either way, just as long as I get this up and running. Please PM if you can help out.
There was one question about this though, how to match a PNP with a NPN? And if neither the tempco or transistors are thermally coupled (and therefore not actually doing anything), could this be substituted with a fixed metal film & unmatched transistors?
Many thanks in advance... |
Hi:
I didn't have any spares, but...
I used 2N3906 instead 2N5910.
I used 680pF Polyestyrene, with 1000pF the frequency will be lower and with 470pF will be higher, but I think will usable in both cases. Don't use polyester here, use a temperature stable cap (polyestyrene, polycarbonate, mica, etc).
I didn't matched the 2N3904 and 2N3906 of the expo pair, and the tracking is very good.
I used 2K Tempcos. I didn't any extensive temperature tests, but seem to work OK. I don't think is good idea to use a metal film instead of the Tempco. _________________ Sebo
---------------------------------------
My Music:
https://www.facebook.com/cosaquitos/ |
|
|
Back to top
|
|
 |
LektroiD

Joined: Aug 23, 2008 Posts: 1019 Location: Scottish Borders
Audio files: 2
G2 patch files: 2
|
Posted: Thu Mar 08, 2012 5:04 am Post subject:
|
 |
|
| LetterBeacon wrote: | Hi Lektroid,
I have a few left over bits and bobs from my build, including the elusive 2N5910 that you can have. I'm away from where I keep my electronics bits until next weekend. If you PM me closer to next weekend to remind me, I can have a look through and see what I can dig out. |
PM'd  |
|
|
Back to top
|
|
 |
|