| Author |
Message |
vladosh

Joined: Aug 02, 2010 Posts: 678 Location: macedonia
Audio files: 51
|
Posted: Tue Feb 05, 2013 4:17 am Post subject:
|
 |
|
The SN-Voice Project by Thomas Henry and Scott Stites
visit http://www.birthofasynth.com/Thomas_Henry/Pages/SN-Voice_main.html for many details on this project ,construction and calibration guides and lot more .
Notes from the page :
If you're new to Synth DIY and have never heard of the SN76477 IC, there's a good reason - it's long been out of production. But it still exists out there in the wild - a few supply houses on the internet still list it, and it's been known to inhabit parts bins all over the world waiting for just the right application.
The SN76477 appeared in many a video game of the late '70s and early '80s, supplying players with bleeps, bloops and swept noise as they vanquished pixellated aliens dropping from the skies. It was also featured in other items, more often than not, toys. There were a few kits out there for hobbyists. Some were music related, others were for just making revving engine, steam engine, explosion and gunshot effects. Somewhere between the mid '80s and early '90s (I'm not sure when) Texas Instruments terminated the SN76477. With prejudice.
The SN76477N didn't deserve such an unceremonious fate; if ever there was a feature packed DIY wet dream, it was the SN76477N. In fact, the SN76477 is a fully loaded synthesizer on a chip. Within its silicon boundaries lie the following functions:
A Voltage Controlled Square Wave Oscillator
A Super Low Frequency Oscillator (a fancy term for LFO)
A VCA-like 'modulator'
A Sweepable Digital Noise Generator (shift register based)
A Filter for the Digital Noise Generator
An Envelope Generator (Attack/Decay)
A programmable Mixer
The Sn Voice itself ,as designed by Thomas Henry has the following features :
- V/Oct VCO with Square or PWM (modulated by either LFO or EG) output. This output can be switched between pulse/square output or digital noise output. The amplitude of this output can be controlled by the envelope generator or be locked to a constant output amplitude. Output is 10Vp-p max, with an output volume control.
- VCO Triangle wave output. This output is a constant 10Vp-p and is not controlled by the envelope generator.
- VCO is controlled by a V/Oct control voltage input, an expo modulation input (with associated level control), a linear modulation input which can be either AC or DC coupled and also has a level control, a coarse tune control and a fine tune control.
- Sweepable Digital Noise Generator
- The Digital Noise Generator can be controlled by a keyboard control voltage input and an expo modulation input, which has an associated expo modulation level control.
- Manually adjustable Noise Filter.
- Wide range triangle wave LFO (less than .2 Hz to over 200 Hz over three ranges) and 10Vp-p output. Frequency of the LFO is set manually.
- A gated ASR (attack/sustain/release) envelope generator that is active when the pulse/noise output is set for EG. Output is 0 to 5V. Maximum attack and decay time is approximately 6.5 seconds each. The envelope generator accepts +5V gate signals and will remain high as long as the gate is applied.
visit the Thomas Henry subforum http://electro-music.com/forum/forum-148.html for more info and pcb offers
| Description: |
|
| Filesize: |
635.06 KB |
| Viewed: |
681 Time(s) |
| This image has been reduced to fit the page. Click on it to enlarge. |

|
| Description: |
|
| Filesize: |
525.84 KB |
| Viewed: |
583 Time(s) |
| This image has been reduced to fit the page. Click on it to enlarge. |

|
| Description: |
|
| Filesize: |
911.06 KB |
| Viewed: |
869 Time(s) |
| This image has been reduced to fit the page. Click on it to enlarge. |

|
|
|
|
Back to top
|
|
 |
vladosh

Joined: Aug 02, 2010 Posts: 678 Location: macedonia
Audio files: 51
|
Posted: Tue Feb 05, 2013 7:59 am Post subject:
|
 |
|
Steiner Microcon Project by Nyle Steiner ,as presented by David M. Ingebretsen on this thread http://electro-music.com/forum/topic-49530.html , where you can get more details on this project and PCB's .Visit Analog Realities for more designs by Nyle Steiner from his Synthasystem Modular http://user.xmission.com/~dingebre/Synthasystem.html
The following description is taken from SynthMuseum.com :
"The Steiner Microcon is a complete synthesizer (less keybaord) in a single module. It has its own power supply, VCO, LFO, VCF and envelope generator, thereby combining all of the most needed parts of a synthesizer in one unit.
"It can be used with synthesizer accessories such as sequencers, electronic valve instruments, guitar slave-drivers, pitch followers, or with a keyboard. Multiple units can be combined with a guitar controller to form full polyphonic synthesizers at a fraction of the cost normally expected. Combined with a regular synthesizer, it ads an extra 'voice' to your present system.
"Oscillator stability and tracking are the best that state of the art will allow. Numerous inputs and outputs are available on the front and top of the unit. Other signals available inside can be brought out for special applications, and connected to other equipment in a variety of useful ways."
The Minicon truly packs alot of synthesizer into a small space (which looks to be about 4-inches by 6-inches. There are 8 knobs and 6 switches. The VCO has knobs for course and fine tuning and switches allowing selection of "three waveforms". The LFO has knobs for rate and level and a switch for beat and is available for vibrato. The VCF has knobs for frequency and gain, as well as a switch for resonance. The Envelop Generator has knobs for attack and decay, as well as a switches to enable damp (a quick release decay) and sustain. The VCA is described as a "trigger controlled audio gate". Connections include positive and negative trigger out, VC filter in, calibrated and uncalibrated voltage control ins, a signal out (which "can be paralleled"), and a trigger in. According to the product literature the "beat function causes the VCO to sound like to sound like two oscillators beating together."
| Description: |
|
| Filesize: |
1.3 MB |
| Viewed: |
1254 Time(s) |
| This image has been reduced to fit the page. Click on it to enlarge. |

|
| Description: |
|
| Filesize: |
716.22 KB |
| Viewed: |
613 Time(s) |
| This image has been reduced to fit the page. Click on it to enlarge. |

|
|
|
|
Back to top
|
|
 |
vladosh

Joined: Aug 02, 2010 Posts: 678 Location: macedonia
Audio files: 51
|
Posted: Tue Feb 05, 2013 8:43 am Post subject:
|
 |
|
Morphing Programmer by Juergen Haible ,as he describes in detail on his page : http://www.jhaible.de/tonline_stuff/morph.html
Morphing is crossfading of synth parameters, as opposed to just crossfading between complete sounds.
Morphing is far more interesting than just plain crossfading or switching of sounds!
The idea is to store several parameters of a modular patch, and "morph" between them.
My morphing programmer also allows one to switch instantly between sounds with no morph taking place.
You could switch between two or three sounds during a live performance,
change a filter cutoff, an envelope decay time or a certain LFO modulation strength.
You might even want to use a 4-pole-filter in one sound, and a 6-pole-phase-shifter in another.
(You can create dramatically different sounds on a modular, when only a few parameters are changed in this manner.)
What is needed here is a set of preset voltages (potentiometers for manual control voltages),
a switch to choose a certain set of preset voltages and VCAs to route the analog signal path.
While it is absolutely impossible to store "all" parameters of a large modular system,
sometimes it is very helpful to store at least a handful.
read the whole article here : http://www.jhaible.de/tonline_stuff/morph.html
| Description: |
|
| Filesize: |
66.13 KB |
| Viewed: |
565 Time(s) |
| This image has been reduced to fit the page. Click on it to enlarge. |

|
| Description: |
|
| Filesize: |
61.36 KB |
| Viewed: |
483 Time(s) |
| This image has been reduced to fit the page. Click on it to enlarge. |

|
| Description: |
|
| Filesize: |
21.7 KB |
| Viewed: |
428 Time(s) |
| This image has been reduced to fit the page. Click on it to enlarge. |

|
|
|
|
Back to top
|
|
 |
vladosh

Joined: Aug 02, 2010 Posts: 678 Location: macedonia
Audio files: 51
|
Posted: Tue Feb 05, 2013 9:35 am Post subject:
|
 |
|
Frequency Divider by Nyle Steiner ,here is the page dedicated to this module
http://user.xmission.com/~dingebre/Freq_Divider.html this transistor based divider is described on the page :
This module divides the incoming signal. It contains two sets of dividers. The first one divides by 2 (1 octave), 4 (2 octaves), and 8 (3 octaves) and mixes these sub-octaves in the output (Octave Mix 1, 2, and 3). This whole mix can also be shifted with the top Octave Selector switch.
The second divider divides by 3, 5, 7, 9, 11, or 15 and mixes this signal into the output. This signal can also be shifted using the bottom Octave Selector switch.
visit http://user.xmission.com/~dingebre/Project.html for more info in the Synthasystem Modular ,details on the construction and PCB's ,as well as the subforum http://electro-music.com/forum/forum-189.html
| Description: |
|
| Filesize: |
1.03 MB |
| Viewed: |
864 Time(s) |
| This image has been reduced to fit the page. Click on it to enlarge. |

|
|
|
|
Back to top
|
|
 |
vladosh

Joined: Aug 02, 2010 Posts: 678 Location: macedonia
Audio files: 51
|
|
|
Back to top
|
|
 |
vladosh

Joined: Aug 02, 2010 Posts: 678 Location: macedonia
Audio files: 51
|
Posted: Tue Feb 05, 2013 10:43 am Post subject:
|
 |
|
CLOCK DIVIDER by Yves Usson ,visit his Yusynth Modular Project page for more info ,details on the construction ,along with BoM ,PCB layouts and wiring diagrams http://yusynth.net/Modular/index_en.html
From the page dedicated to this module http://yusynth.net/Modular/EN/DIVIDER/index.html :
This module is meant to be a complement of step sequencers or to be used to trigger events at regular beats. It provides a way of clocking up to three step sequencers at various rates from a single external master clock, the master clock rate can be divided by 1 (unchanged rate), 2, 3, 4, 5, 6, 7 or 8 independently on the three dividers.
The three dividers can be clocked by the same clock signal on input IN #1, but a different master clock can be used for the second and third dividers by plugging it in the input IN #2 & 3.
The divided clock signals are available at outputs OUT #1, OUT #2 and OUT #3, and are visualized with LEDs.
A RESET input is provided to synchronize the dividers. Note that the outputs are all shaped to the same pulse width as that of the external clock.
Example : one master clock, STEP #1 = 1/2, STEP #2 = 1/3, SETP #3 = 1/5
| Description: |
|
| Filesize: |
217.01 KB |
| Viewed: |
952 Time(s) |
| This image has been reduced to fit the page. Click on it to enlarge. |

|
| Description: |
|
| Filesize: |
474.71 KB |
| Viewed: |
588 Time(s) |
| This image has been reduced to fit the page. Click on it to enlarge. |

|
| Description: |
|
| Filesize: |
46.02 KB |
| Viewed: |
495 Time(s) |
| This image has been reduced to fit the page. Click on it to enlarge. |

|
| Description: |
|
| Filesize: |
515 KB |
| Viewed: |
560 Time(s) |
| This image has been reduced to fit the page. Click on it to enlarge. |

|
|
|
|
Back to top
|
|
 |
vladosh

Joined: Aug 02, 2010 Posts: 678 Location: macedonia
Audio files: 51
|
Posted: Tue Feb 05, 2013 12:31 pm Post subject:
|
 |
|
Sequential Router by Yves Usson ,from the notes by Yves on this module :
This module was designed in order to create complex and intricated sequences out of three basic sequences provided by one or more external sequencers.
As a matter of fact, it is a kind of sequential (maximum six steps) multiplexer that makes it possible to route three analogue inputs to two different outputs.
For each step, a rotary switch offers nine possible routes (number sare for inputs and letters for outputs, A2-B1 reads output A receives input 2 and output B recives input 1) : A1-B1, A1-B2, A1-B3, A2-B1, A2-B2, A2-B3, A3-B1, A3-B2 and A3-B3. For the STEPs #2 to #6 the first position of the rotaries is the sequence RESET function.
Strictly speaking this offers more than 531.441 possible combinations !
The steps are shifted either using a push button or by an external GATE signal. The routing sequence is reset to start position using a RESET push button or by an external signal. Yellow LEDs indicate which STEP is active.
Note that it can be used also for sequencing-multiplexing three audio sources to two audio channels !
visit http://yusynth.net/Modular/index_en.html for full description on this and many other Yusynth designs including PCB layouts ,construction guide ,wiring diagrams and demo's .
| Description: |
|
| Filesize: |
284.38 KB |
| Viewed: |
654 Time(s) |
| This image has been reduced to fit the page. Click on it to enlarge. |

|
| Description: |
|
| Filesize: |
152.86 KB |
| Viewed: |
434 Time(s) |
| This image has been reduced to fit the page. Click on it to enlarge. |

|
| Description: |
|
| Filesize: |
222.14 KB |
| Viewed: |
447 Time(s) |
| This image has been reduced to fit the page. Click on it to enlarge. |

|
| Description: |
|
| Filesize: |
167.88 KB |
| Viewed: |
403 Time(s) |
| This image has been reduced to fit the page. Click on it to enlarge. |

|
| Description: |
|
| Filesize: |
268.38 KB |
| Viewed: |
379 Time(s) |
| This image has been reduced to fit the page. Click on it to enlarge. |

|
|
|
|
Back to top
|
|
 |
vladosh

Joined: Aug 02, 2010 Posts: 678 Location: macedonia
Audio files: 51
|
Posted: Tue Feb 05, 2013 2:39 pm Post subject:
|
 |
|
Master Divider by Ken Stone , the project page is here http://www.cgs.synth.net/modules/cgs22v2_master_divider.html with construction guide ,pcb's and BoM . From the page comes the following description :
This module is series of dividers and "phase shifters" for converting a single clock pulse train into an array of frequencies. The incoming clock signal is divided into successive clock signals, each half the frequency (twice the period) of the previous. Three other outputs, each successively shifted by 90$deg; are also provided. While the first stage has outputs for 90° and 270°, the usability of these outputs is dependent entirely on the waveshape of the clock signal, with square being optimal.
A LED can be included for each of the outputs, enough to satisfy anyone with a love of flashing LEDs
| Description: |
|
| Filesize: |
10.24 KB |
| Viewed: |
51665 Time(s) |

|
| Description: |
|
| Filesize: |
16.02 KB |
| Viewed: |
525 Time(s) |
| This image has been reduced to fit the page. Click on it to enlarge. |

|
|
|
|
Back to top
|
|
 |
vladosh

Joined: Aug 02, 2010 Posts: 678 Location: macedonia
Audio files: 51
|
Posted: Tue Feb 05, 2013 2:53 pm Post subject:
|
 |
|
Band Pass Filter by Ken Stone , project page for this circuit is here http://www.cgs.synth.net/modules/cgs30_bpf.html ,from there the short description :
This module is a simple bandpass filter with manually adjustable center frequency and Q. It is good for setting up artificial resonances for virtual instruments. Personally I find this sort of filter more interesting than the VCF, and as I needed a few more of them in my system I have produced this PCB.
More BPF can be connected in parallel to create even more resonant effects .
visit http://www.cgs.synth.net/ for more information in detail ,construction guide ,pcb.
| Description: |
|
| Filesize: |
15.67 KB |
| Viewed: |
51659 Time(s) |

|
| Description: |
|
| Filesize: |
65.55 KB |
| Viewed: |
51660 Time(s) |

|
|
|
|
Back to top
|
|
 |
vladosh

Joined: Aug 02, 2010 Posts: 678 Location: macedonia
Audio files: 51
|
Posted: Tue Feb 05, 2013 3:20 pm Post subject:
|
 |
|
MS50 VCF layout shared by forbin on this thread : http://electro-music.com/forum/post-290370.html the pdf contain additional notes ,and parts list .
The MS50VCF is further discussed on this thread : http://electro-music.com/forum/post-251505.html
| Description: |
|
| Filesize: |
739.51 KB |
| Viewed: |
906 Time(s) |
| This image has been reduced to fit the page. Click on it to enlarge. |

|
| Description: |
|
| Filesize: |
1.27 MB |
| Viewed: |
709 Time(s) |
| This image has been reduced to fit the page. Click on it to enlarge. |

|
| Description: |
|
| Filesize: |
487.37 KB |
| Viewed: |
481 Time(s) |
| This image has been reduced to fit the page. Click on it to enlarge. |

|
| Description: |
|
| Filesize: |
1.63 MB |
| Viewed: |
633 Time(s) |
| This image has been reduced to fit the page. Click on it to enlarge. |

|
|
|
|
Back to top
|
|
 |
vladosh

Joined: Aug 02, 2010 Posts: 678 Location: macedonia
Audio files: 51
|
Posted: Tue Feb 05, 2013 3:30 pm Post subject:
|
 |
|
Roland 100m 121 'HOT ROD' VCF layout shared by frequencycentral on this thread : http://www.electro-music.com/forum/post-360982.html make sure you visit http://www.frequencycentral.co.uk/ for full documentation on this module .
| Description: |
|
| Filesize: |
690.62 KB |
| Viewed: |
984 Time(s) |
| This image has been reduced to fit the page. Click on it to enlarge. |

|
| Description: |
|
| Filesize: |
1.4 MB |
| Viewed: |
897 Time(s) |
| This image has been reduced to fit the page. Click on it to enlarge. |

|
| Description: |
|
| Filesize: |
651.6 KB |
| Viewed: |
546 Time(s) |
| This image has been reduced to fit the page. Click on it to enlarge. |

|
|
|
|
Back to top
|
|
 |
vladosh

Joined: Aug 02, 2010 Posts: 678 Location: macedonia
Audio files: 51
|
Posted: Tue Feb 05, 2013 4:30 pm Post subject:
|
 |
|
Phase Shifter by Nyle Steiner as part of the Synthasystem , project page for this module as at analog realities http://user.xmission.com/~dingebre/Phase_Shifter.html with more details ,bill of materials ,pcb and construction guide .
The following description is taken from the original Synthasystem manual :
The Phaser is a sound modifier. It consists of several networks in series which will shift the phase of a signal a certain amount for any given frequency. The Phaser is equipped with a knob which can cause the output to be all shifted signal, all straight unaltered signal, or anything in between.
The amount of shift, FOR A GIVEN FREQUENCY, can be varied with the frequency knob and/or with a voltage fed into the V.C. input jack.
The most popular use of the phaser involves equally mixing the input signal with the phase shifted signal (knob in the midway or straight-up position). For a particular setting of the frequency knob, certain frequencies will be in phase with the input signal and will add to the overall output level. Others will be exactly out of phase and will cancel each other, leaving no output at that frequency. Still others will fall in between these two extremes of enhancement and cancellation. These points of enhancement and cancellation can be shifted across the entire audio spectrum (range) by turning the frequency knob and/or by a voltage fed into the V.C. input.
Another use involves running the input signal straight thru the Phaser without combining it with any of the input signal (pot all the way clockwise). during the time that the phase is being shifted, a pitch change is perceived. Therefore a vibrato or warbling effect (in some ways similar to a tape deck with unsteady speed control) can be created on any signal by feeding a low frequency sine wave into the V.C. input.
Specifications:
4 stages of approximately 180 degrees of shift each for
a total shift of approximately 720 degrees. Line level
input and output approximately ODB.
visit the synthasystem subforum for more details http://electro-music.com/forum/forum-189.html
| Description: |
|
| Filesize: |
875.39 KB |
| Viewed: |
698 Time(s) |
| This image has been reduced to fit the page. Click on it to enlarge. |

|
|
|
|
Back to top
|
|
 |
vladosh

Joined: Aug 02, 2010 Posts: 678 Location: macedonia
Audio files: 51
|
Posted: Wed Feb 06, 2013 2:19 am Post subject:
|
 |
|
Oberheim SEM Type VCF By EFM ,part of the Wildcat Modular ,here presented the 4600 version ,the whole document on the Wildcat Synthesizer along with other EFM designs is archived at Fonitronik's page http://www.modular.fonik.de/
| Description: |
|
| Filesize: |
645.14 KB |
| Viewed: |
381 Time(s) |
| This image has been reduced to fit the page. Click on it to enlarge. |

|
| Description: |
|
| Filesize: |
484.35 KB |
| Viewed: |
655 Time(s) |
| This image has been reduced to fit the page. Click on it to enlarge. |

|
Last edited by vladosh on Thu Feb 07, 2013 4:21 am; edited 3 times in total |
|
|
Back to top
|
|
 |
vladosh

Joined: Aug 02, 2010 Posts: 678 Location: macedonia
Audio files: 51
|
Posted: Wed Feb 06, 2013 2:28 am Post subject:
|
 |
|
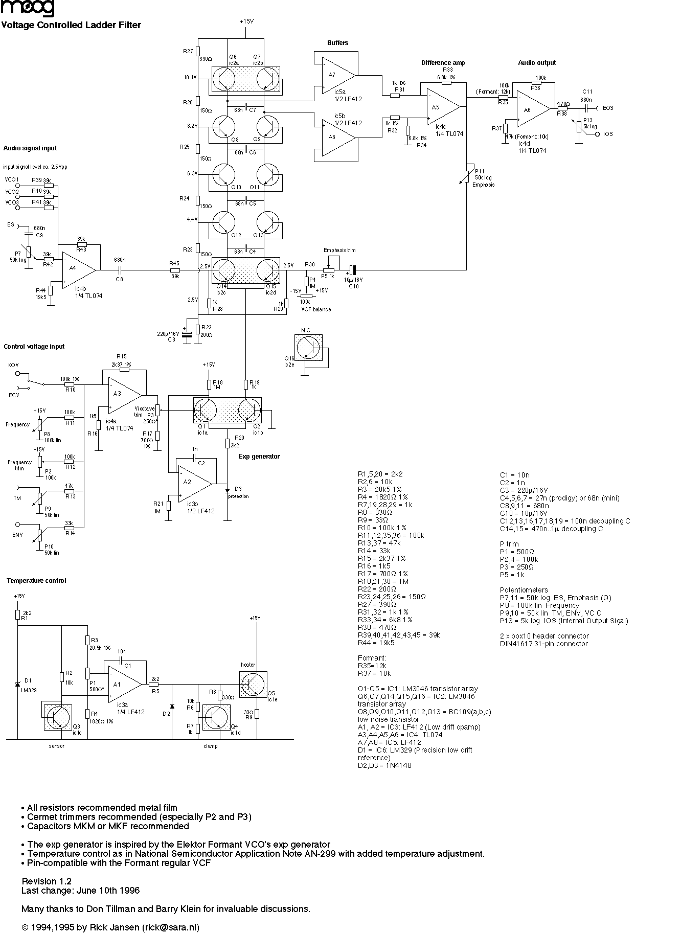
Moog Type Filter by Rick Jansen ,page dedicated to this design is here : http://dropmix.xs4all.nl/rick/Emusic/Moog/ ,from the notes on this VCF :
For the Formant I have made a Moog ladder filter. This circuit is based on the MiniMoog/Prodigy VCF. The exp converter uses the cheap and widely available transistor array LM3046, and is temperature controlled (luxury!). Optionally the temperature control can be omitted: simply leave out R1 and replace D1 by a wire. Power supply required is +15V and -15V.
| Description: |
|
| Filesize: |
45.65 KB |
| Viewed: |
891 Time(s) |
| This image has been reduced to fit the page. Click on it to enlarge. |

|
| Description: |
|
| Filesize: |
47.59 KB |
| Viewed: |
677 Time(s) |
| This image has been reduced to fit the page. Click on it to enlarge. |

|
|
|
|
Back to top
|
|
 |
vladosh

Joined: Aug 02, 2010 Posts: 678 Location: macedonia
Audio files: 51
|
|
|
Back to top
|
|
 |
vladosh

Joined: Aug 02, 2010 Posts: 678 Location: macedonia
Audio files: 51
|
Posted: Wed Feb 06, 2013 2:43 am Post subject:
|
 |
|
Wasp Filter Clone by Juergen Haible ,page dedicated to this filter is here with notes and more detailed description http://www.jhaible.de/tonline_stuff/hj_wasp.html this is comment by Juergen taken from the page :
It sounds considerably different than the ordinary SEM-type state variable filter. The maximum Q is lower on the Wasp version. And there is an additional distortion coming from the CMOS inverter nonlinearities. This distortion is gradually increasing with input level, and you can slightly hear it way before the circuit actually clips. The CMOS inverters seem to be the dominant source of distortion; the CA3080 input dividers are rather on the save side. (100k / 1k ; but remember the absolute maximum voltage swing is limited to 5V anyway.) I have replaced the 100k resistors with 51k without noticeable increase of distortion.
Ok, the Wasp Filter sounds different than other state variables. But what is it good? IMO, every filter's overdrive characteristic has its own special applications. The SSM2040 in LP configuration, for example, is unbeatable when you want to process a full chord of buzzy "Jump"-type saw voices. The Wasp Filter works best on Farfisa-type *organ* sounds. I tried various sounds from my OB-8, and really, the best results came with bright organ sounds. My favorite patch is the filter in LP mode with medium cutoff, and then an envelope with slow attack opening the filter (resonance quite low). This certain "edge" that is added by the filter's distortion is hard to describe, but very pleasant.
Visit Fonitronik's page for his own variation on this CMOS based VCF http://www.modular.fonik.de/Page38.html and a version by Ken Stone http://www.cgs.synth.net/modules/cgs49_twf.html
| Description: |
|
| Filesize: |
64.88 KB |
| Viewed: |
578 Time(s) |
| This image has been reduced to fit the page. Click on it to enlarge. |

|
|
|
|
Back to top
|
|
 |
vladosh

Joined: Aug 02, 2010 Posts: 678 Location: macedonia
Audio files: 51
|
Posted: Wed Feb 06, 2013 2:53 am Post subject:
|
 |
|
VCF by Nyle Steiner ,as part of the Synthasystem Modular Project ,visit the page here http://user.xmission.com/~dingebre/Project.html for detailed information , construction and calibration tips and pcb's .
From the Synthasystem manual:
The filter is a sound modifier capable of passing certain audio frequencies while attenuating others. All STEINER-PARKER filters are capable of three modes of operation, namely low pass, band pass, and high pass.
The filter also has a variable resonance (Q) knob which will produce a resonant peak at the center frequency. The height of the peak depends on the setting of the resonance knob.
The center frequency of the filter can be controlled by a knob on the front panel and or by control voltages fed into the control voltage inputs.
The filter has three inputs which are automatically mixed in equal proportions before being fed on into the filter. The filter is made to operate in the low pass, band pass, or hi pass mode by turning the mode switch to one of the three positions marked L.P., B.P., or H.P.
The filtered signal comes out of two jacks in parallel marked Sig Out.
The filter can be calibrated by feeding white noise into a signal input, turning the resonance high, plugging keyboard voltage into the VAR jack and adjusting the V.C. Var trimmer until the his pitch shifts one octave when an octave is played on the keyboard.
Figure 4A contains some drawings of waveform envelopes that serve to illustrate the filter's pass characteristics.
Use of the filter involves feeding audio signals into one or all of the filter's input jacks and taking a signal out of one or both of the output jacks.
A keyboard, sequencer, envelope generator, or any control voltage producer can be fed into the V.C. input jack to control the cutoff frequency as well as using the front panel knob for this purpose.
visit the Synthasystem subforum for more details : http://electro-music.com/forum/forum-189.html
| Description: |
|
| Filesize: |
702.48 KB |
| Viewed: |
531 Time(s) |
| This image has been reduced to fit the page. Click on it to enlarge. |

|
|
|
|
Back to top
|
|
 |
vladosh

Joined: Aug 02, 2010 Posts: 678 Location: macedonia
Audio files: 51
|
|
|
Back to top
|
|
 |
vladosh

Joined: Aug 02, 2010 Posts: 678 Location: macedonia
Audio files: 51
|
Posted: Wed Feb 06, 2013 7:56 am Post subject:
|
 |
|
Block Filter from the Russian ТОМ 1501 Synthesizer , details on this instrument you can find at http://www.ruskeys.net/base/1501tom.php ,second Schematic is a Moog Type filter from the same synthesizer.
| Description: |
|
| Filesize: |
416.8 KB |
| Viewed: |
501 Time(s) |
| This image has been reduced to fit the page. Click on it to enlarge. |

|
| Description: |
|
| Filesize: |
367.51 KB |
| Viewed: |
432 Time(s) |
| This image has been reduced to fit the page. Click on it to enlarge. |

|
|
|
|
Back to top
|
|
 |
vladosh

Joined: Aug 02, 2010 Posts: 678 Location: macedonia
Audio files: 51
|
Posted: Wed Feb 06, 2013 9:11 am Post subject:
|
 |
|
Oakley Sound Systems Filter Box by Tony Allgood as shared kindly on http://www.emusic-diy.org/Schematics/Oakley/FilterBox ,follow the link for the full article containing further the envelope and lfo section of this module . From there the short description of this transistor ladder filter :
At the heart of the unit is a four pole Moog ladder low pass filter. The cut off frequency of this filter can be controlled by several sources. There is a manual frequency control, a low frequency oscillator, an AD/R envelope generator, an envelope follower and an external CV input. The envelope follower can either track the main audio in or use an auxiliary audio input. The AD/R generator can be triggered by several means. The main audio input, the auxiliary input, the LFO, and an external gate of at least 1 Volt.
The audio input is pre-amplified by a variable gain stage, the first stage uses a low noise op-amp NE5534, while the second uses a quarter of a TL074. If the level reaching the filter is too big then a red LED will light indicating distortion will be heard. Of course, this may be what you want.. I have reduced the inevitable CV breakthrough to minimum by using super-matched pairs at the top and bottom of the ladder. This is very important, since the filter will normally be in operation at the end of the sound generation stage.
The filter has a neat way of reducing the usual gain drop common with the Moog design. The resonance pot is dual ganged. This allows the input signal to the filter to be attenuated at low values of Q. The output of the filter is fed to an output amplifier after an output level pot.
The exponential converter is a simple design, remember that filter tracking is not as important as for a VCO. The scale is roughly 1V/oct. It would be a good idea to stick the two transistors together with thermal gunge and hold them together with a small cable tie. Matching is superfluous in this application.
for more info on Oakley Synthesizer modules visit : http://www.oakleysound.com/
| Description: |
|
| Filesize: |
70.76 KB |
| Viewed: |
760 Time(s) |
| This image has been reduced to fit the page. Click on it to enlarge. |

|
Last edited by vladosh on Thu Feb 07, 2013 4:34 am; edited 1 time in total |
|
|
Back to top
|
|
 |
vladosh

Joined: Aug 02, 2010 Posts: 678 Location: macedonia
Audio files: 51
|
Posted: Wed Feb 06, 2013 9:33 am Post subject:
|
 |
|
Moog Taurus type filter by EFM (Electronics for Music) ,the whole EFM designs archive is at Fonitronik's web page : http://www.modular.fonik.de/
| Description: |
|
| Filesize: |
965.23 KB |
| Viewed: |
484 Time(s) |
| This image has been reduced to fit the page. Click on it to enlarge. |

|
| Description: |
|
| Filesize: |
534.64 KB |
| Viewed: |
717 Time(s) |
| This image has been reduced to fit the page. Click on it to enlarge. |

|
|
|
|
Back to top
|
|
 |
vladosh

Joined: Aug 02, 2010 Posts: 678 Location: macedonia
Audio files: 51
|
Posted: Thu Feb 07, 2013 2:23 am Post subject:
|
 |
|
Paia 2700 BPF and LPF ,for more on Paia designs ,full documentation and troubleshooting visit Paia Talk on Paia's website http://www.paia.com/talk/
| Description: |
|
| Filesize: |
11.33 KB |
| Viewed: |
493 Time(s) |
| This image has been reduced to fit the page. Click on it to enlarge. |

|
| Description: |
|
| Filesize: |
10.35 KB |
| Viewed: |
612 Time(s) |
| This image has been reduced to fit the page. Click on it to enlarge. |

|
|
|
|
Back to top
|
|
 |
vladosh

Joined: Aug 02, 2010 Posts: 678 Location: macedonia
Audio files: 51
|
|
|
Back to top
|
|
 |
vladosh

Joined: Aug 02, 2010 Posts: 678 Location: macedonia
Audio files: 51
|
|
|
Back to top
|
|
 |
vladosh

Joined: Aug 02, 2010 Posts: 678 Location: macedonia
Audio files: 51
|
Posted: Thu Feb 07, 2013 3:27 am Post subject:
|
 |
|
Moog Parametric Equalizer by ACX Synth ,visit http://www.acxsynth.com/indexfr.htm for more information and details on this Moog adaptation and various other modules as well as pcb offers .
From the notes on the web page dedicated to this Filter :
This module is a parametric equalizer whose frequency can be voltage controlled. It is based on the heart of parametric MOOG.
Make sure you visit http://www.acxsynth.com/parameq/parameqfr.htm for tips on how to implement the dual gang pot used in this Filter ,bill of materials ,and further modifications .
| Description: |
|
| Filesize: |
311.51 KB |
| Viewed: |
749 Time(s) |
| This image has been reduced to fit the page. Click on it to enlarge. |

|
| Description: |
|
| Filesize: |
195.82 KB |
| Viewed: |
453 Time(s) |
| This image has been reduced to fit the page. Click on it to enlarge. |

|
| Description: |
|
| Filesize: |
1.23 MB |
| Viewed: |
504 Time(s) |
| This image has been reduced to fit the page. Click on it to enlarge. |

|
|
|
|
Back to top
|
|
 |
|