| Author |
Message |
PHOBoS

Joined: Jan 14, 2010 Posts: 5888 Location: Moon Base
Audio files: 709
|
Posted: Sun Jan 26, 2014 8:39 am Post subject:
LED-O-SCOPE Subject description: low resolution oscilloscope |
 |
|
In 2012 I used a mini portable TV to create the Dronoscope and I kept the backcover of the TV for some future use, maybe for a synth or something.
I came across it again while looking for a suitabe housing for a project and when I saw it I got the idea to combine it with something else I had still
laying around: a 10x10 LED matrix that I soldered up > 10 years ago.
Originally I made it to be used for an audioscope circuit using 2 LM3914's, but I never got to that (probably because the LM3914's were too expensive).
So I looked on the web for some inspiration for what I could use it for which led me back to this site, and this thread where Fenris posted the following
schematic:
So I gave that a try it and worked pretty well.
But the input needed some boosting and I wanted it to be usefull with AC and DC signals (positive and negative), external time (X) input, a better
offset control and see if I could make it somewhat useful to measure a voltage too.
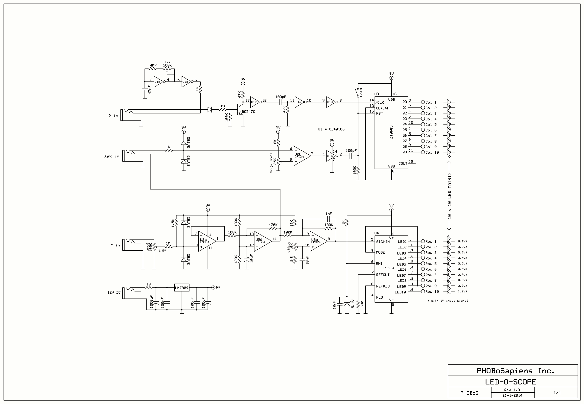
X / time section:
I started with an oscillator made with a 40106 followed by another inverter as a buffer. The output is connected to the switch contact of the X-in
jack, buffered by a transistor (so it can be used with lower input sgnals) and then turned into a pulsewave which is fed to the CLK input of the 4017.
I used the reset input for the hold switch instead of the clk enable input so when put on hold it will always stop on the first column. The sync input
was added because I had a spare opamp and inverter and it's made with a comparator buffered by the inverter to get a clean CMOS signal. This is
then turned into a short pulse to reset the CD4017.
Y / input signal section:
There's an attenuator on the input for a wide voltage range, followed by a voltage divider which pulls the voltage up. This way AC and negative DC
voltages can be used aswell. I added diodes for protection but they're probably not necessary with the 1M input resistor. The signal is buffered
by opamp u2a and then amplified (+ inverted) by opamp U2d. According to the dataheet the LM324 can swing between 0V and Vdd-1.5, so with a
9V supply that woud be 7.5V, I choose 7V to be sure and biased the opamp at ±3.5V. The signal is then amplified some more by opamp U2c
and this one also has offset control. The offset control is needed for negative DC and AC signals and there's also some offset change when the
input signal is attenuated so that can be corrected aswell. There also a capacitor in the feedback loop to create a lowpass filter which is mostly
there for when it's used as an audioscope. But it also creates nice vertical lines on squarewaves The output then goes to the input of
the LM3914 that is set to a range of 0..5.1V (zenerdiode).
There's a 9V regulator on the DC input to provide a stable voltage and to make it somewhat useful to measure a voltage I made it so that with an
unattanuated input signal the full range is 1V, and there's a difference of 0.1V between every row. But I'll probably use it as a nice audio visualizer
most of the time
| Description: |
|
| Filesize: |
84.87 KB |
| Viewed: |
794 Time(s) |
| This image has been reduced to fit the page. Click on it to enlarge. |

|
| Description: |
|
| Filesize: |
62.88 KB |
| Viewed: |
409 Time(s) |
| This image has been reduced to fit the page. Click on it to enlarge. |

|
| Description: |
|
| Filesize: |
72.24 KB |
| Viewed: |
379 Time(s) |
| This image has been reduced to fit the page. Click on it to enlarge. |

|
| Description: |
|
| Filesize: |
67.84 KB |
| Viewed: |
407 Time(s) |
| This image has been reduced to fit the page. Click on it to enlarge. |

|
| Description: |
| LED-O-SCOPE back (with sync input and trig. level control) |
|
| Filesize: |
68.61 KB |
| Viewed: |
384 Time(s) |
| This image has been reduced to fit the page. Click on it to enlarge. |

|
_________________ "My perf, it's full of holes!"
http://phobos.000space.com/
SoundCloud BandCamp MixCloud Stickney Synthyards Captain Collider Twitch YouTube Last edited by PHOBoS on Sun Jan 26, 2014 2:26 pm; edited 4 times in total |
|
|
Back to top
|
|
 |
PHOBoS

Joined: Jan 14, 2010 Posts: 5888 Location: Moon Base
Audio files: 709
|
Posted: Sun Jan 26, 2014 8:42 am Post subject:
LED-O-SCOPE Subject description: wiring pic and animated gifs |
 |
|
wiring pic and some animated gifs
| Description: |
| LED-O-SCOPE - squarewave (animated) |
|
| Filesize: |
336.76 KB |
| Viewed: |
12592 Time(s) |

|
| Description: |
| LED-O-SCOPE - sinewave (animated) |
|
| Filesize: |
161.55 KB |
| Viewed: |
12593 Time(s) |

|
| Description: |
|
| Filesize: |
106.53 KB |
| Viewed: |
437 Time(s) |
| This image has been reduced to fit the page. Click on it to enlarge. |

|
_________________ "My perf, it's full of holes!"
http://phobos.000space.com/
SoundCloud BandCamp MixCloud Stickney Synthyards Captain Collider Twitch YouTube |
|
|
Back to top
|
|
 |
Cynosure
Site Admin

Joined: Dec 11, 2010 Posts: 1025 Location: Toronto, Ontario - Canada
Audio files: 82
|
Posted: Sun Jan 26, 2014 11:37 am Post subject:
|
 |
|
You are my hero.  |
|
|
Back to top
|
|
 |
isak

Joined: Dec 13, 2009 Posts: 847 Location: Israel
Audio files: 18
|
Posted: Sun Jan 26, 2014 1:19 pm Post subject:
|
 |
|
hi PHOBos
Ones I thought your crazy, now I know your crazy!
Beautyful piece of work! _________________ http://www.myspace.com/mgmtrance |
|
|
Back to top
|
|
 |
PHOBoS

Joined: Jan 14, 2010 Posts: 5888 Location: Moon Base
Audio files: 709
|
|
|
Back to top
|
|
 |
LFLab
Joined: Dec 17, 2009 Posts: 497 Location: Rosmalen, Netherlands
|
Posted: Mon Jan 27, 2014 4:09 am Post subject:
|
 |
|
| effing great! That's really nifty. |
|
|
Back to top
|
|
 |
RingMad

Joined: Jan 15, 2011 Posts: 429 Location: Montreal, Canada
Audio files: 4
|
Posted: Mon Jan 27, 2014 11:21 am Post subject:
|
 |
|
| Cynosure wrote: | You are my hero.  |
Mine too!
James |
|
|
Back to top
|
|
 |
analog_backlash

Joined: Sep 04, 2012 Posts: 393 Location: Aldershot, UK
Audio files: 21
|
Posted: Wed Jan 29, 2014 8:39 am Post subject:
|
 |
|
Sorry for the late reply PHOBoS. It looks great! I remember buying an electronics magazine (in the '80s) which had a very similar idea, but I was put off by the thought of buying 100 LEDs . They were much more expensive then... I've long since lost the mag, so thanks for the schematic. I suppose that you could extend it by cascading 4017s and LM3914s (but the LED count then rockets upwards).
Gary |
|
|
Back to top
|
|
 |
PHOBoS

Joined: Jan 14, 2010 Posts: 5888 Location: Moon Base
Audio files: 709
|
Posted: Thu Jan 30, 2014 12:14 pm Post subject:
|
 |
|
thanks James, Gary
Yes, it could be extended, some extra 4017's would be pretty easy but adding
more LM3914's would need some changes to get the full range. Also with
more 4017's the LED's would be less bright, you could increase the current,
but if the clock is turned off and there is no signal only 1 (or 2 depending on
the offset) LED is on, so you can't make the current too high. _________________ "My perf, it's full of holes!"
http://phobos.000space.com/
SoundCloud BandCamp MixCloud Stickney Synthyards Captain Collider Twitch YouTube Last edited by PHOBoS on Thu Jan 30, 2014 6:46 pm; edited 1 time in total |
|
|
Back to top
|
|
 |
JovianPyx

Joined: Nov 20, 2007 Posts: 1988 Location: West Red Spot, Jupiter
Audio files: 224
|
Posted: Thu Jan 30, 2014 6:40 pm Post subject:
|
 |
|
Nice work. I like the look from the back too. Fun stuff to be sure.
I have a 256x128 black and white LCD... _________________ FPGA, dsPIC and Fatman Synth Stuff
Time flies like a banana. Fruit flies when you're having fun. BTW, Do these genes make my ass look fat? corruptio optimi pessima
|
|
|
Back to top
|
|
 |
roglok

Joined: Aug 28, 2010 Posts: 202 Location: uptown
|
Posted: Tue Feb 04, 2014 10:49 am Post subject:
|
 |
|
| BEAUTIFUL! |
|
|
Back to top
|
|
 |
KnobHell
Joined: Jan 28, 2012 Posts: 56 Location: SLC
|
Posted: Sat Feb 08, 2014 10:16 pm Post subject:
|
 |
|
| Very cool |
|
|
Back to top
|
|
 |
The Bad Producer

Joined: Mar 08, 2009 Posts: 282 Location: The Manhole
|
|
|
Back to top
|
|
 |
|